A Bootstrap Structure Directly Charged by BUS Voltage with Threshold-Based Digital Control for High-Speed Buck Converter
Abstract
:1. Introduction
2. Materials and Methods
2.1. Concept of the Proposed Bootstrap Architecture
2.1.1. Power on (Under-Voltage)
2.1.2. Charging
2.1.3. Discharging (Over-Voltage)
2.1.4. Repeating (pwm Remains Low)
2.1.5. pwm Becoming High
2.1.6. pwm Becoming Low
2.2. Circuit Realization
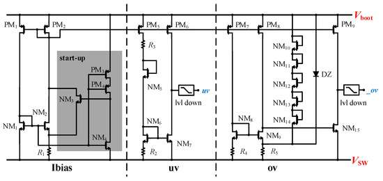
2.2.1. TBDC Circuit
- Current bias and start-up circuit
- Under-voltage detection circuit
- Over-voltage detection circuit
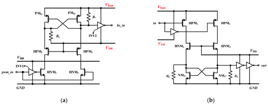
2.2.2. Level Shifters
- Level-up shifter
- Level-down shifter
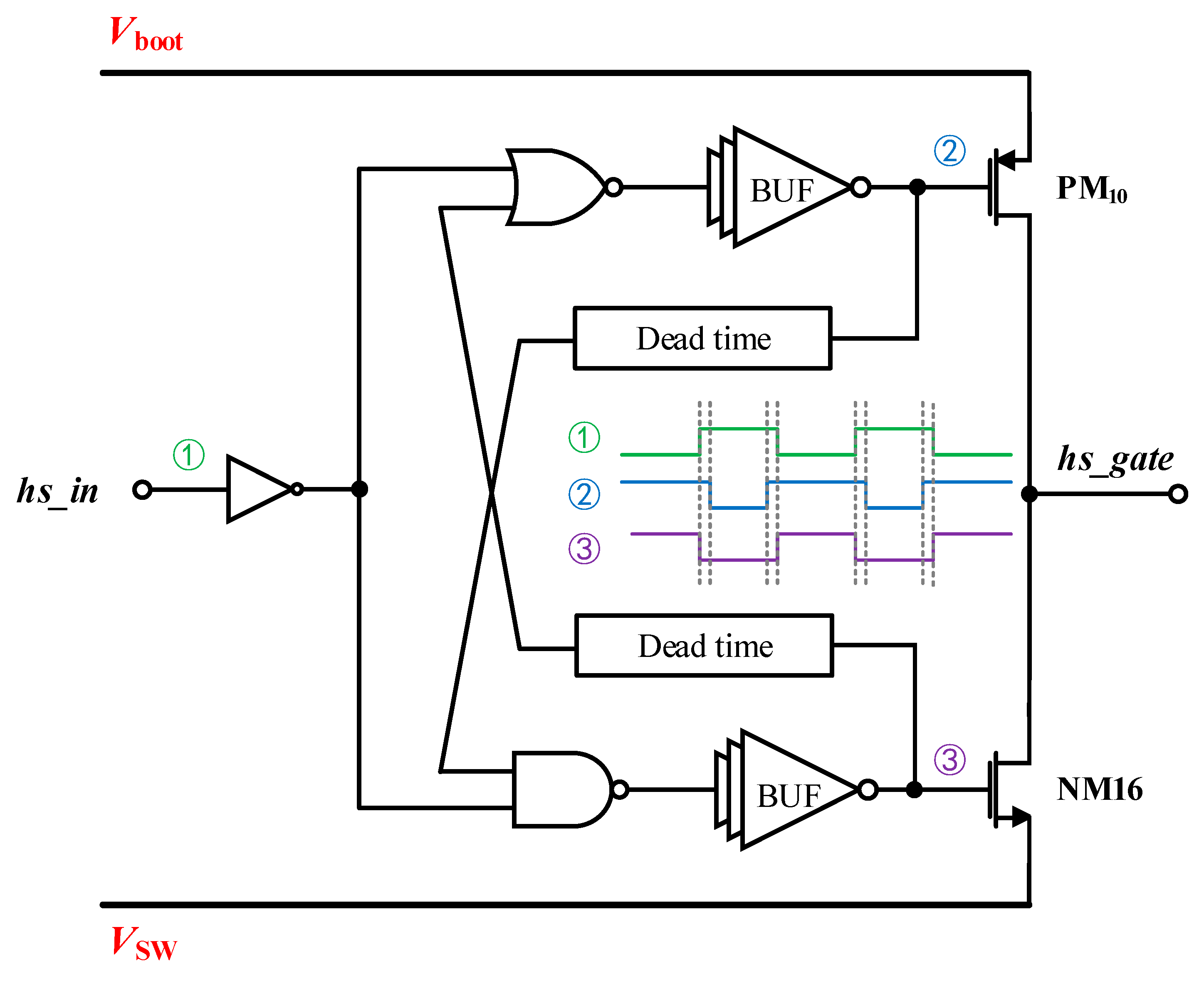
2.2.3. Driver
3. Results
3.1. Simulation Results
3.2. Test Results
4. Discussion
5. Conclusions
Author Contributions
Funding
Acknowledgments
Conflicts of Interest
References
- Weckbrodt, J.; Ginot, N.; Batard, C.; Le, T.L.; Azzopardi, S. A Bidirectional Communicating Power Supply Circuit for Smart Gate Driver Boards. IEEE Trans. Power Electron. 2020, 35, 8540–8549. [Google Scholar] [CrossRef]
- Zhang, Y.; Rodriguez, M.; Maksimovic, D. Very High Frequency PWM Buck Converters Using Monolithic GaN Half-Bridge Power Stages with Integrated Gate Drivers. IEEE Trans. Power Electron. 2016, 31, 7926–7942. [Google Scholar] [CrossRef]
- Ye, Z.C.; Lei, Y.T.; Liu, W.-C.; Shenoy, P.S.; Pilawa-Podgurski, R.C.N. Improved Bootstrap Methods for Powering Floating Gate Drivers of Flying Capacitor Multilevel Converters and Hybrid Switched-Capacitor Converters. IEEE Trans. Power Electron. 2019, 35, 5965–5977. [Google Scholar] [CrossRef]
- Nguyen, V.-S.; Lefranc, P.; Crebier, J.-C. Gate Driver Supply Architectures for Common Mode Conducted EMI Reduction in Series Connection of Multiple Power Devices. IEEE Trans. Power Electron. 2018, 33, 10265–10276. [Google Scholar] [CrossRef]
- Ranganathan, S.; Mohan, A.N.D. Formulation and Analysis of Single Switch High Gain Hybrid DC to DC Converter for High Power Applications. Electronics 2021, 10, 2445. [Google Scholar] [CrossRef]
- Garza-Arias, E.; Rosas-Caro, J.C.; Valdez-Resendiz, J.E.; Mayo-Maldonado, J.C.; Escobar-Valderrama, G.; Guillen, D.; Rodríguez, A. The Fourth-Order Single-Switch Improved Super-Boost Converter with Reduced Input Current Ripple. Electronics 2021, 10, 2379. [Google Scholar] [CrossRef]
- Aksin, D.; Al-Shyoukh, M.A.; Maloberti, F. A bootstrapped switch for precise sampling of inputs with signa range beyond supply voltage. In Proceedings of the IEEE 2005 Custom Integrated Circuits Conference (CICC 2005), San Jose, CA, USA, 21 September 2005. [Google Scholar]
- Lima, J.A.D.; Pimenta, W.A. A current-mode active clampling for boostrap circuit applied to DC/DC buck converters. In Proceedings of the 2009 IEEE International Symposium on Circuits and Systems (ISCAS 2009), Taipei, Taiwan, 24–27 May 2009. [Google Scholar]
- Zhou, Z.; Ming, X.; Zhang, B.; Li, Z. Design of Novel Bootstrap Driver Used in High Power BUCK Converter. In Proceedings of the 2009 IEEE 8th International Conference on ASIC (ASICON 2009), Changsha, China, 20–23 October 2009. [Google Scholar]
- Mudanai, S.; Chindalore, G.; Shih, W.-K.; Wang, H.; Tasch, A.F., Jr.; Mazar., C.M. Temperature characterization and modeling of electron and hole mobilities in MOS accumulation layers. In Proceedings of the 56th Annual Device Research Conference Diges (DRC, 1998), Charlottesville, VA, USA, 22–24 June 1998; pp. 20–21. [Google Scholar]
- Seo, D.W.; Choi, H.G.; Twynam, J.; Kim, K.M.; Yim, J.S.; Moon, S.-W.; Jung, S.; Lee, J.; Roh, S.D. 600 V-18 A GaN Power MOS-HEMTs on 150 mm Si Substrates with Au-Free Electrodes. IEEE Electron. Device Lett. 2014, 35, 446–448. [Google Scholar] [CrossRef]
- Kanamura, M.; Ohki, T.; Kikkawa, T.; Imanishi, K.; Imada, T.; Yamada, A.; Hara, N. Enhancement-Mode GaN MIS-HEMTs with n-GaN/i-AlN/n-GaN Triple Cap Layer and High- $k$ Gate Dielectrics. IEEE Electron. Device Lett. 2010, 31, 189–191. [Google Scholar] [CrossRef]
- Zheng, J.X.; Ma, X.H.; Lu, Y.; Zhao, B.C.; Zhang, H.S.; Zhang, M.; Hao, Y. A Scalable Active Compensatory Sub-Circuit for Accurate GaN HEMT Large Signal Models. IEEE Microw. Wirel. Compon. Lett. 2016, 26, 431–433. [Google Scholar] [CrossRef]
- Rossetto, I.; Meneghini, M.; Hilt, O.; Bahat-Treidel, E.; De Santi, C.; Dalcanale, S.; Wuerfl, J.; Zanoni, E.; Meneghesso, G. Time-Dependent Failure of GaN-on-Si Power HEMTs with p-GaN Gate. IEEE Trans. Electron. Devices 2016, 63, 2334–2339. [Google Scholar] [CrossRef]
- Huang, M.; Lu, Y.; Martins, R.P. Review of Analog-Assisted-Digital and Digital-Assisted-Analog Low Dropout Regulators. IEEE Trans. Circuits Syst. II Express Briefs 2021, 68, 24–29. [Google Scholar] [CrossRef]
- Ballo, A.; Grasso, A.D.; Palumbo, G. A simple and effective design strategy to increase power conversion efficiency of linear charge pumps. Int. J. Circuit Theory Appl. 2019, 48, 157–161. [Google Scholar] [CrossRef]
- Ballo, A.; Grasso, A.D.; Palumbo, G.; Tanzawa, T. Linear distribution of capacitance in Dickson charge pumps to reduce rise time. Int. J. Circuit Theory Appl. 2020, 48, 555–566. [Google Scholar] [CrossRef]
- Ballo, A.; Grasso, A.D.; Palumbo, G. Current-mode body-biased switch to increase performance of linear charge pumps. Int. J. Circuit Theory Appl. 2020, 48, 1864–1872. [Google Scholar] [CrossRef]
- Grobe, J.; Hanhart, M.; Maul, F.; Weihs, L.; Rolff, L.; Wunderlich, R.; Heinen, S. Design of a Flexible Bandgap Based High Voltage UVLO with Pre-Regulator. In Proceedings of the 2020 27th IEEE International Conference on Electronics, Circuits and Systems (ICECS 2020), Glasgow, UK, 23–25 November 2020. [Google Scholar]
- Park, S.; Jahns, T.M. A self-boost charge pump topology for a gate drive high-side power supply. IEEE Trans. Power Electron. 2005, 20, 300–307. [Google Scholar] [CrossRef] [Green Version]
- Xin, Z.; Zhigang, L.; Huang, A. A High-Dynamic Range Current Source Gate Driver for Switching-Loss Reduction of High-Side Switch in Buck Converter. IEEE Trans. Power Electron. 2010, 25, 1439–1443. [Google Scholar]
- Yuan, B.; Ying, J.; Ng, W.T.; Lai, X.-Q.; Zhang, L.-F. A High-Voltage DC–DC Buck Converter with Dynamic Level Shifter for Bootstrapped High-Side Gate Driver and Diode Emulator. IEEE Trans. Power Electron. 2020, 35, 7295–7304. [Google Scholar] [CrossRef]
- Kong, M.; Yan, W.; Li, W. Design of a synchronous-rectified buck bootstrap MOSFET driver for voltage regulator module. In Proceedings of the 2007 7th International Conference on ASIC (ASICON 2007), Guilin, China, 22–25 October 2007. [Google Scholar]
- Abe, K.; Nishijima, K.; Harada, K.; Nakano, T.; Nabeshima, T.; Sato, T. A Novel Three-Phase Buck Converter with Bootstrap Driver Circuit. In Proceedings of the 2007 IEEE Power Electronics Specialists Conference (PESC 2007), Orlando, FL, USA, 17–21 June 2007. [Google Scholar]
- Yuan, B.; Xiao, L.-Q.; Wang, B.-Y.; Ying, J. High-Speed Dynamic Level Shifter for High-Side Bootstrapped Gate Driver in High-Voltage Buck Regulators. IEEE Trans. Circuits Syst. II Express Briefs 2021, 68, 3083–3087. [Google Scholar] [CrossRef]
- Li, S.T.; Wang, P.Y.; Chen, C.J.; Hsu, C.C. A 10MHz GaN Driver with Gate Ringing Suppression and Active Bootstrap Control. In Proceedings of the 2019 IEEE Workshop on Wide Bandgap Power Devices and Applications in Asia (WiPDA Asia), Taipei, Taiwan, 23–25 May 2019. [Google Scholar]
- Ke, X.; Sankman, J.; Song, M.K.; Forghani, P. 16.8 A 3-to-40V 10-to-30MHz automotive-use GaN driver with active BST balancing and VSW dual-edge dead-time modulation achieving 8.3 improvement and 3.4ns constant propagation delay. In Proceedings of the IEEE International Solid-State Circuits Conference, San Francisco, CA, USA, 31 January–4 February 2016. [Google Scholar]
- Ming, X.; Fan, Z.; Xin, Y.; Zhang, X.; Shi, F.; Pan, S.; Zhang, J.; Wang, Z.; Zhang, B. An Advanced Bootstrap Circuit for High Frequency, High Area-Efficiency and Low EMI Buck Converter. IEEE Trans. Circuits Syst. II Express Briefs 2019, 66, 858–862. [Google Scholar] [CrossRef]
- Liu, Y.; Liu, S.; Ye, Q.; Yuan, B.; Lai, X. A feedback loop regulated bootstrap driver circuit with improved drive capability for high voltage buck DC–DC converter. Microelectron. J. 2013, 44, 1290–1295. [Google Scholar] [CrossRef]
- Razavi, B. Bandgap Reference. In Dsign of Analog CMOS Integrated Circuits, 2nd ed.; McGraw-Hill: New York, NY, USA, 2017; pp. 510–512. [Google Scholar]
- Chen, W.-C.; Chou, Y.-W.; Chien, M.-W.; Chen, H.-C.; Yang, S.-H.; Chen, K.-H.; Lin, Y.-H.; Lee, C.-C.; Lin, S.-R.; Tsai, T.-Y. A Dynamic Bootstrap Voltage Technique for a High-Efficiency Buck Converter in a Universal Serial Bus Power Delivery Device. IEEE Trans. Power Electron. 2016, 31, 3002–3015. [Google Scholar] [CrossRef]
- Seidel, A.; Costa, M.S.; Joos, J.; Wicht, B. Area Efficient Integrated Gate Drivers Based on High-Voltage Charge Storing. IEEE J. Solid-State Circuits 2015, 50, 1550–1559. [Google Scholar] [CrossRef]













| Parameter | This Work | Ref [23] | Ref [32] | Ref [22] |
|---|---|---|---|---|
| Technology (µm) | 0.25 µm 60 V BCD | 0.35 µm 40 V CMOS | 0.18 µm HV BiCMOS | 0.35 µm HV BCD |
| Input voltage VIN (V) | 3.6–48 | 3.6–36 | 15 | 3–40 |
| Switching frequency (MHz) | 0.1–5 | 0.2–2.4 | 2 | 10–30 |
| Output current (A) | 2.7 | 2 | 2.6 | 1.2 |
| Efficiency η (%) | 83.6 | 85.98 | N/A | N/A |
| Chip area A (mm2) | 1.82 | 4.78 | N/A | N/A |
| Bootstrap circuit area (mm2) | 0.149 | 0.062 | 0.42 | 0.48 |
| Dropout voltage (mV) | 1.583 (simulation) | 4.6 (simulation) | N/A | N/A |
| LDO type | Capless | Capless | External cap | N/A |
| FOM (A/Iload,max×η0.5) | 0.074 | 0.258 | N/A | N/A |
| Bootstrap rail control | TBDC | DVS | N/A | ABB |
Publisher’s Note: MDPI stays neutral with regard to jurisdictional claims in published maps and institutional affiliations. |
© 2021 by the authors. Licensee MDPI, Basel, Switzerland. This article is an open access article distributed under the terms and conditions of the Creative Commons Attribution (CC BY) license (https://creativecommons.org/licenses/by/4.0/).
Share and Cite
Guo, Y.; Yuan, F.; Chang, Y.; Kou, Y.; Zhang, X. A Bootstrap Structure Directly Charged by BUS Voltage with Threshold-Based Digital Control for High-Speed Buck Converter. Electronics 2021, 10, 2863. https://doi.org/10.3390/electronics10222863
Guo Y, Yuan F, Chang Y, Kou Y, Zhang X. A Bootstrap Structure Directly Charged by BUS Voltage with Threshold-Based Digital Control for High-Speed Buck Converter. Electronics. 2021; 10(22):2863. https://doi.org/10.3390/electronics10222863
Chicago/Turabian StyleGuo, Yujie, Fang Yuan, Yukuan Chang, Yuxia Kou, and Xu Zhang. 2021. "A Bootstrap Structure Directly Charged by BUS Voltage with Threshold-Based Digital Control for High-Speed Buck Converter" Electronics 10, no. 22: 2863. https://doi.org/10.3390/electronics10222863
APA StyleGuo, Y., Yuan, F., Chang, Y., Kou, Y., & Zhang, X. (2021). A Bootstrap Structure Directly Charged by BUS Voltage with Threshold-Based Digital Control for High-Speed Buck Converter. Electronics, 10(22), 2863. https://doi.org/10.3390/electronics10222863
