High-Performance Double-Node-Upset-Tolerant and Triple-Node-Upset-Tolerant Latch Designs
Abstract
:1. Introduction
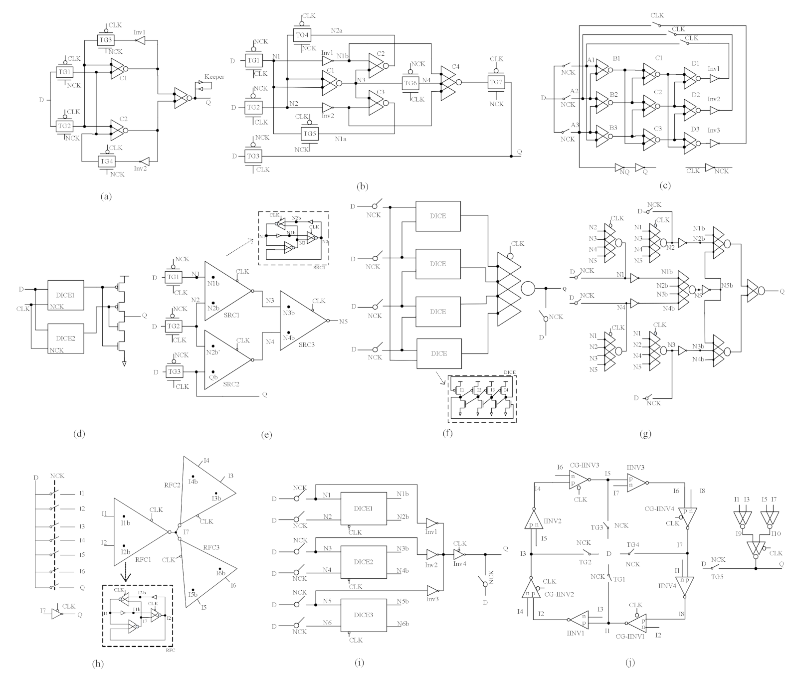
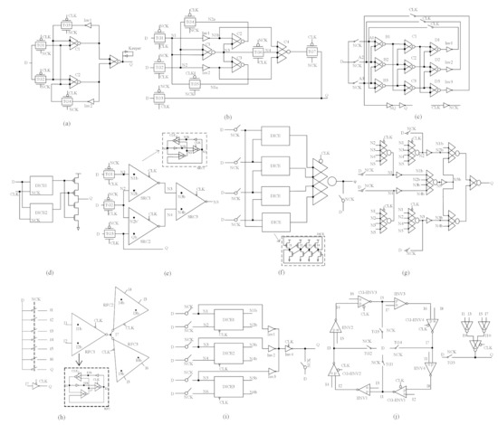
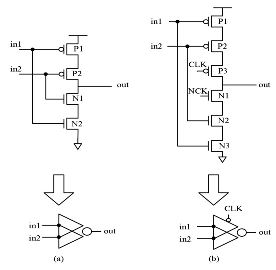
2. Previous Hardened Structures
2.1. SNU-Tolerant Latches
2.2. DNU-Tolerant Latches
2.3. TNU-Tolerant Latches
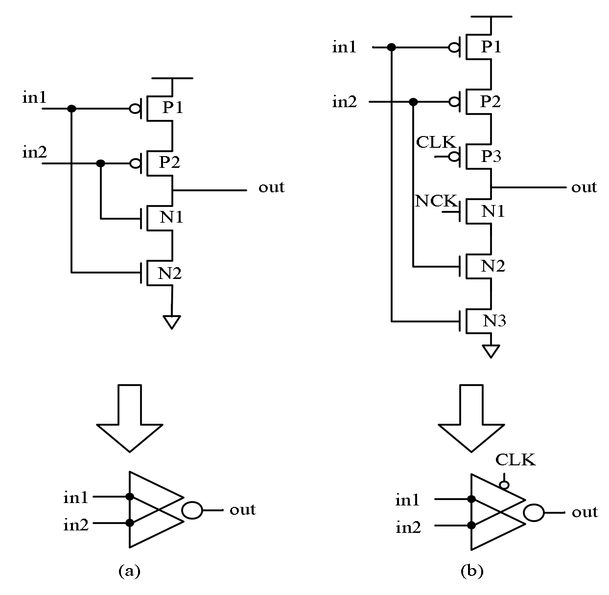
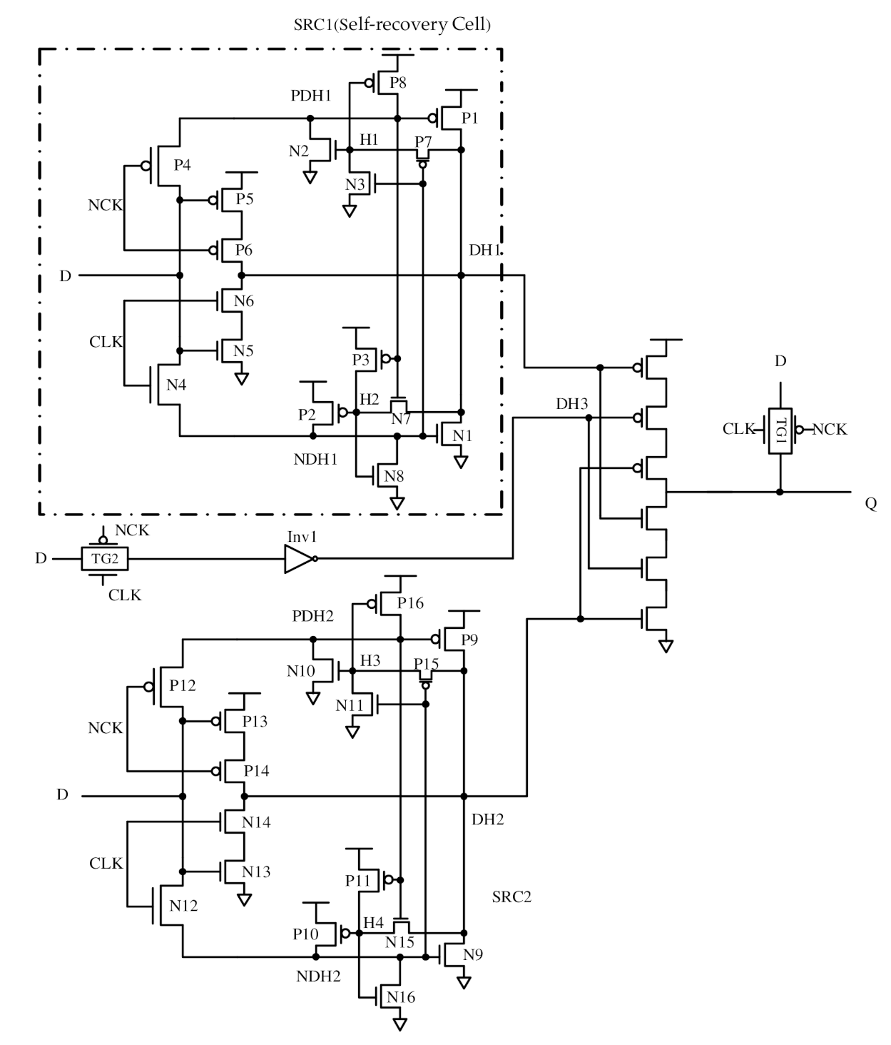
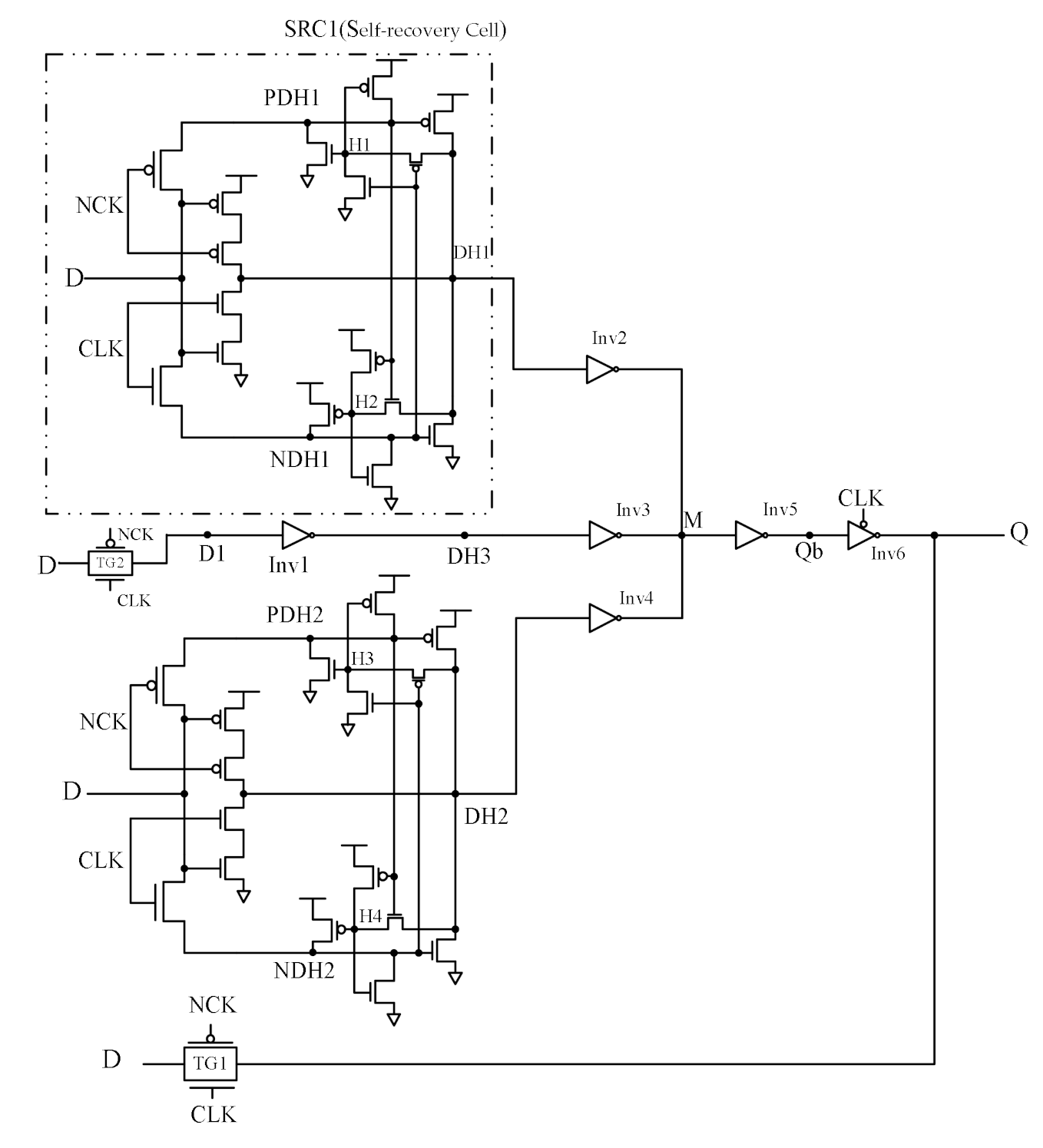
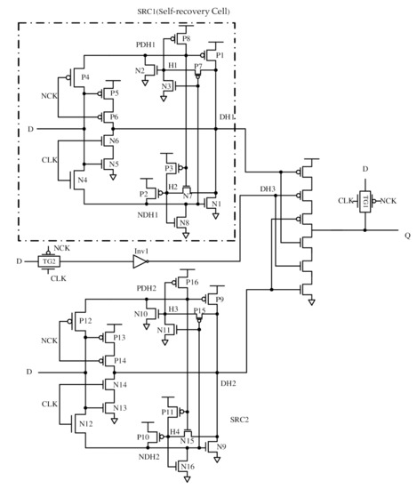
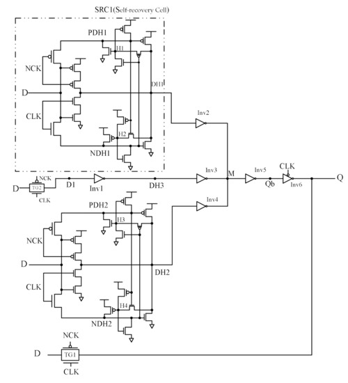
3. Proposed Hardened Htructure
3.1. Circuit Structure and Behavior
3.2. SNU-Tolerance Feature
3.3. DNU-Tolerance Feature
3.4. TNU-Tolerance Feature
3.5. Simulation Results
4. Comparison and Evaluation Results
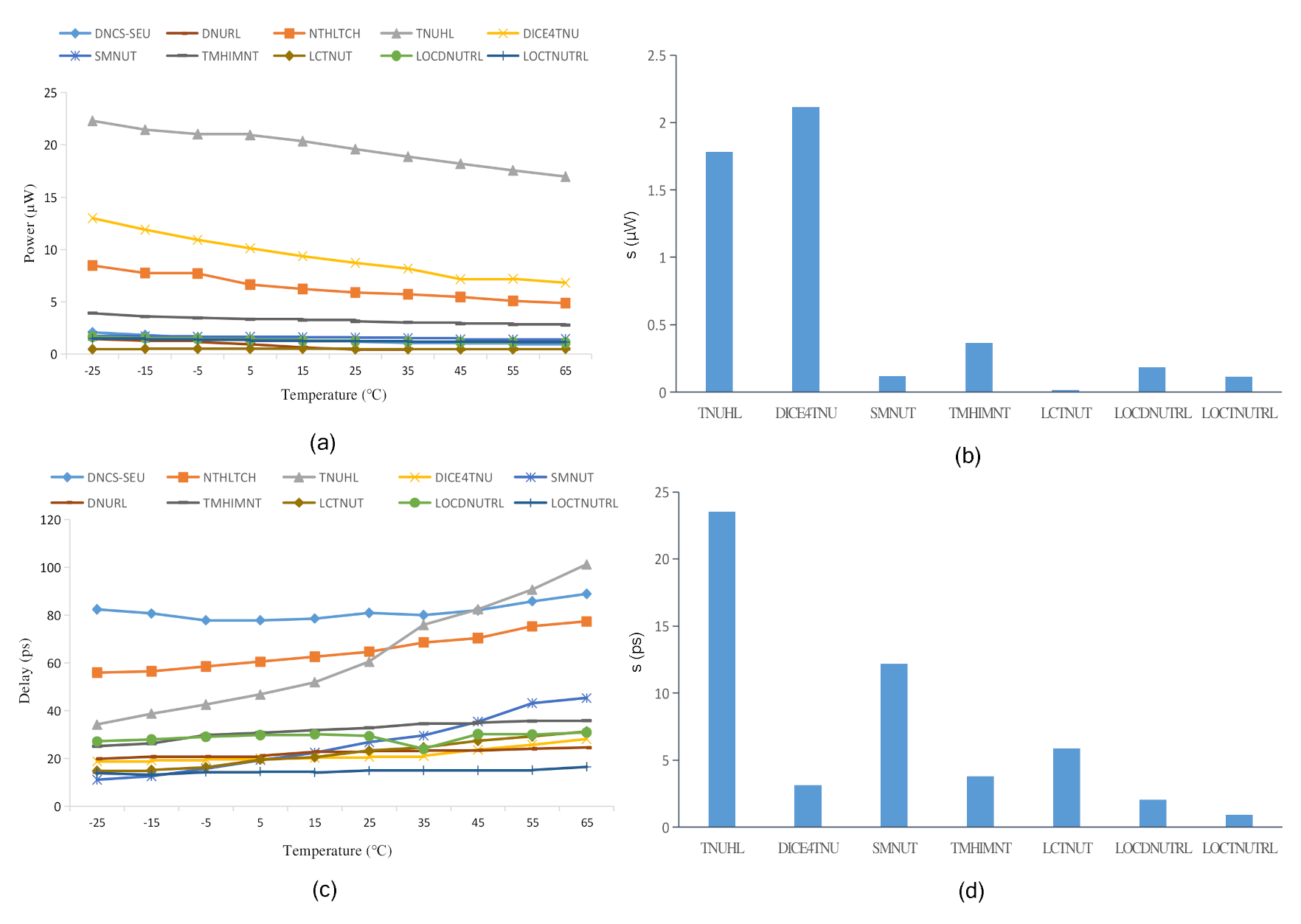
4.1. Performance Evaluation
4.2. PVT Variation Analysis
5. Conclusions
Author Contributions
Funding
Conflicts of Interest
References
- Markovic, D.; Wang, C.C.; Alarcon, L.P.; Liu, T.; Rabaey, J.M. Ultralow-Power Design in Near-Threshold Region. Proc. IEEE 2010, 98, 237–252. [Google Scholar] [CrossRef]
- Kaul, H.; Anders, M.A.; Mathew, S.K.; Hsu, S.K.; Agarwal, A.; Krishnamurthy, R.K.; Borkar, S. A 320 mV 56 μW 411 GOPS/Watt Ultra-Low Voltage Motion Estimation Accelerator in 65 nm CMOS. IEEE J. Solid-State Circuits 2009, 44, 107–114. [Google Scholar] [CrossRef]
- Anjan, S.; Baghini, M.S. Robust Soft Error Tolerant CMOS Latch Configurations. IEEE Trans. Comput. 2016, 65, 2820–2834. [Google Scholar] [CrossRef]
- Baumann, R. Soft errors in advanced computer systems. IEEE Des. Test. Comput. 2005, 22, 258–266. [Google Scholar] [CrossRef]
- Ferlet-Cavrois, V.; Massengill, L.W.; Gouker, P. Single Event Transients in Digital CMOS—A Review. IEEE Trans. Nucl. Sci. 2013, 60, 1767–1790. [Google Scholar] [CrossRef]
- Xu, H.; Zhu, J.; Lu, X.; Li, J. An advanced SEU tolerant latch based on error detection. J. Semicond. 2018, 39, 055003. [Google Scholar] [CrossRef]
- Kumar, C.I.; Bulusu, A. High performance energy efficient radiation hardened latch for low voltage applications. Integration 2019, 66, 119–127. [Google Scholar] [CrossRef]
- Li, H.; Xiao, L.; Li, J.; Qi, C. High robust and cost effective double node upset tolerant latch design for nanoscale CMOS technology. Microelectron. Reliab. 2019, 93, 89–97. [Google Scholar] [CrossRef]
- Yamamoto, Y.; Namba, K. Complete Double Node Upset Tolerant Latch Using C-Element. IEICE Trans. Inf. Syst. 2020, 103, 2125–2132. [Google Scholar] [CrossRef]
- Xu, H.; Liu, X.; Yu, G.; Liang, H.; Huang, Z. LIHL: Design of a Novel Loop Interlocked Hardened Latch. Electronics 2021, 10, 2090. [Google Scholar] [CrossRef]
- Alessio, M.D.; Ottavi, M.; Lombardi, F. Design of a Nanometric CMOS Memory Cell for Hardening to a Single Event with a Multiple-Node Upset. IEEE Trans. Device Mater. Reliab. 2014, 14, 127–132. [Google Scholar] [CrossRef]
- Black, J.D.; Dodd, P.E.; Warren, K.M. Physics of Multiple-Node Charge Collection and Impacts on Single-Event Characterization and Soft Error Rate Prediction. IEEE Trans. Nucl. Sci. 2013, 60, 1836–1851. [Google Scholar] [CrossRef]
- Fazeli, M.; Patooghy, A.; Miremadi, S.G.; Ejlali, A. Feedback Redundancy: A Power Efficient SEU-Tolerant Latch Design for Deep Sub-Micron Technologies. In Proceedings of the 37th Annual IEEE/IFIP International Conference on Dependable Systems and Networks (DSN’07), Edinburgh, UK, 25–28 June 2007; pp. 276–285. [Google Scholar] [CrossRef]
- Yan, A.; Huang, Z.; Yi, M.; Cui, J.; Liang, H. HLDTL: High-performance, low-cost, and double node upset tolerant latch design. In Proceedings of the 2017 IEEE 35th VLSI Test Symposium (VTS), Las Vegas, NA, USA, 9–12 April 2017; pp. 1–6. [Google Scholar] [CrossRef]
- Li, Y.; Wang, H.; Yao, S.; Yan, X.; Gao, Z.; Xu, J. Double Node Upsets Hardened Latch Circuits. J. Electron. Test. 2015, 31, 537–548. [Google Scholar] [CrossRef]
- Katsarou, K.; Tsiatouhas, Y. Double node charge sharing SEU tolerant latch design. In Proceedings of the 2014 IEEE 20th International On-Line Testing Symposium (IOLTS), Girona, Spain, 7–9 July 2014; pp. 122–127. [Google Scholar] [CrossRef]
- Yan, A.; Huang, Z.; Yi, M.; Xu, X.; Ouyang, Y.; Liang, H. Double-Node-Upset-Resilient Latch Design for Nanoscale CMOS Technology. IEEE Trans. Very Large Scale Integr. (VLSI) Syst. 2017, 25, 1978–1982. [Google Scholar] [CrossRef]
- Lin, D.; Xu, Y.; Li, X.; Xie, X.; Jiang, J.; Ren, J.; Zhu, H.; Zhang, Z.; Zou, S. A novel self-recoverable and triple nodes upset resilience DICE latch. IEICE Electron. Express 2018, 15, 20180753. [Google Scholar] [CrossRef] [Green Version]
- Watkins, A.; Tragoudas, S. Radiation Hardened Latch Designs for Double and Triple Node Upsets. IEEE Trans. Emergy Top. Comput. 2020, 8, 616–626. [Google Scholar] [CrossRef]
- Song, Z.; Yan, A.; Cui, J.; Chen, Z.; Li, X.; Wen, X.; Lai, C.; Huang, Z.; Liang, H. A Novel Triple-Node-Upset-Tolerant CMOS Latch Design using Single-Node-Upset-Resilient Cells. In Proceedings of the 2019 IEEE International Test Conference in Asia (ITC-Asia), Tokyo, Japan, 3–5 September 2019; pp. 139–144. [Google Scholar] [CrossRef]
- Yan, A.; Xu, Z.; Yang, K.; Cui, J.; Huang, Z.; Girard, P.; Wen, X. A Novel Low-Cost TMR-Without-Voter Based HIS-Insensitive and MNU-Tolerant Latch Design for Aerospace Applications. IEEE Trans. Aerosp. Electron. Syst. 2020, 56, 2666–2676. [Google Scholar] [CrossRef]
- Yan, A.; Lai, C.; Zhang, Y.; Cui, J.; Huang, Z.; Song, J.; Guo, J.; Wen, X. Novel Low Cost, Double-and-Triple-Node-Upset-Tolerant Latch Designs for Nano-scale CMOS. IEEE Trans. Emerg. Top. Comput. 2021, 9, 520–533. [Google Scholar] [CrossRef] [Green Version]
- Komatsu, Y.; Arima, Y.; Fujimoto, T.; Yamashita, T.; Ishibashi, K. A soft-error hardened latch scheme for SoC in a 90 nm technology and beyond. In Proceedings of the IEEE 2004 Custom Integrated Circuits Conference (IEEE Cat. No.04CH37571), Orlando, FL, USA, 6 October 2004; pp. 329–332. [Google Scholar] [CrossRef]
- Predictive Technology Model (PTM) for SPICE. Available online: http://ptm.asu.edu/ (accessed on 14 October 2021).
- Baumann, R.C. Radiation-induced soft errors in advanced semiconductor technologies. IEEE Trans. Dev. Mater. Reliab. 2005, 5, 305–316. [Google Scholar] [CrossRef]
- Weste, N.H.E.; Harris, D.M. CMOS VLSI Design: A Circuits and Systems Perspective, 4th ed.; Addison-Wesley: Boston, MA, USA, 2011. [Google Scholar]
- Watkins, A.; Tragouodas, S. A Highly Robust Double Node Upset Tolerant latch. In Proceedings of the 2016 IEEE International Symposium on Defect and Fault Tolerance in VLSI and Nanotechnology Systems (DFT), Storrs, CT, USA, 19–20 September 2016; pp. 15–20. [Google Scholar] [CrossRef]












| Latch | Delay/ps | Power/µW | Area (UST) | 10−18 × PDP |
|---|---|---|---|---|
| FERST [13] | 86.54 | 0.25 | 26 | 21.63 |
| HLDTL [14] | 16.83 | 0.72 | 36 | 12.11 |
| NTHLTCH [15] | 65.06 | 5.81 | 54 | 377.99 |
| DNURL [17] | 23.97 | 0.42 | 66 | 10.07 |
| DICE4TNU [18] | 25.76 | 5.62 | 54 | 144.77 |
| TNUHL [19] | 117.2 | 1.83 | 78 | 214.48 |
| SMNUT [20] | 40.92 | 1.46 | 71 | 59.74 |
| TMHIMNT [21] | 32.41 | 3.11 | 53 | 100.79 |
| LCTNUT [22] | 24.27 | 0.49 | 53 | 11.89 |
| LOCDNUTRL | 29.3 | 1.23 | 44 | 36.03 |
| LOCTNUTRL | 14.23 | 1.21 | 50 | 17.22 |
| Latch | ΔDelay (%) | ΔPower (%) | ΔArea (%) | ΔPDP (%) |
|---|---|---|---|---|
| DICE4TNU [18] | −44.76 | −78.46 | −7.4 | −88.10 |
| TNUHL [19] | −87.58 | −33.88 | −35.89 | −91.97 |
| SMNUT [20] | −65.22 | −17.12 | −29.58 | −71.18 |
| TMHIMNT [21] | −6.09 | −61.09 | −5.6 | −82.91 |
| LCTNUT [22] | −41.37 | 145.93 | −5.6 | 44.82 |
| LOCDNUTRL | −51.43 | −1.62 | 13.63 | −52.21 |
| Average | −57.74 | −7.7 | −11.74 | −63.59 |
Publisher’s Note: MDPI stays neutral with regard to jurisdictional claims in published maps and institutional affiliations. |
© 2021 by the authors. Licensee MDPI, Basel, Switzerland. This article is an open access article distributed under the terms and conditions of the Creative Commons Attribution (CC BY) license (https://creativecommons.org/licenses/by/4.0/).
Share and Cite
Xu, H.; Zhou, L.; Liang, H.; Huang, Z.; Sun, C.; Ning, Y. High-Performance Double-Node-Upset-Tolerant and Triple-Node-Upset-Tolerant Latch Designs. Electronics 2021, 10, 2515. https://doi.org/10.3390/electronics10202515
Xu H, Zhou L, Liang H, Huang Z, Sun C, Ning Y. High-Performance Double-Node-Upset-Tolerant and Triple-Node-Upset-Tolerant Latch Designs. Electronics. 2021; 10(20):2515. https://doi.org/10.3390/electronics10202515
Chicago/Turabian StyleXu, Hui, Le Zhou, Huaguo Liang, Zhengfeng Huang, Cong Sun, and Yafei Ning. 2021. "High-Performance Double-Node-Upset-Tolerant and Triple-Node-Upset-Tolerant Latch Designs" Electronics 10, no. 20: 2515. https://doi.org/10.3390/electronics10202515
APA StyleXu, H., Zhou, L., Liang, H., Huang, Z., Sun, C., & Ning, Y. (2021). High-Performance Double-Node-Upset-Tolerant and Triple-Node-Upset-Tolerant Latch Designs. Electronics, 10(20), 2515. https://doi.org/10.3390/electronics10202515

