Formulation and Analysis of Single Switch High Gain Hybrid DC to DC Converter for High Power Applications
Abstract
:1. Introduction
2. Design of Proposed System
2.1. Design of PV Array
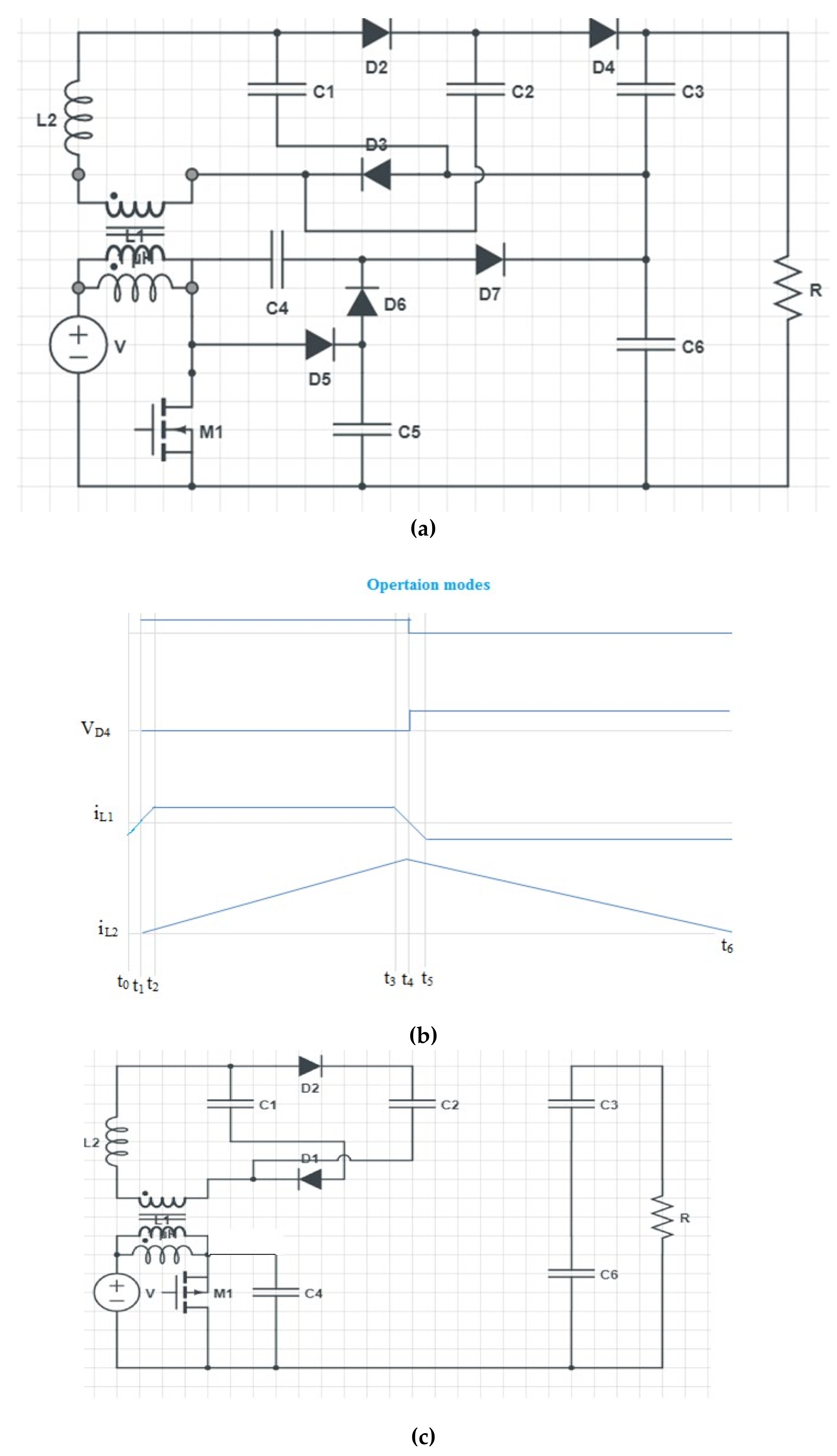
2.2. Proposed Converter
2.3. Design of Controllers
FOPID Controller
3. Simulation Results and Discussion
4. Conclusions
Author Contributions
Funding
Conflicts of Interest
Appendix A. Proposed Converter
| Parameters | Values |
| fsw | 20 kHz |
| C | 500 mF |
| C1, C2 | 36 mF |
| C3, C4 | 57 μF |
| Lm | 617 mH |
| Lk2 | 17.1 μH |
References
- Park, K.B.; Moon, G.W. Non isolated high step-up stacked converter based on boost-integrated isolated converter. IEEE Trans. Power Electron. 2011, 26, 577–587. [Google Scholar] [CrossRef]
- Liu, H.; Ji, Y.; Wang, L.; Wheele, P. A family of improved magnetically coupled impedance network Boost DC-DC converters. IEEE Trans. Power Electron 2018, 33, 3697–3702. [Google Scholar] [CrossRef]
- Hwu, K.I.; Peng, T.J. A novel buck-boost converter combining KY and buck converters. IEEE Trans. Power Electron. 2012, 27, 2236–2241. [Google Scholar] [CrossRef]
- Lu, Y.; Wu, H.; Sun, K.; Xing, Y. A family of isolated buck-boost converters based on semi active rectifiers for high-output voltage applications. IEEE Trans. Power Electron. 2016, 31, 6327–6340. [Google Scholar] [CrossRef]
- Pang, S.; Nahid-Mobarakeh, B.; Pierfederici, S.; Phattanasak, M.; Huangfu, Y.; Luo, G.; Gao, F. Interconnection and damping assignment passivity-based control applied to on-board DC-DC power converter system supplying constant power load. IEEE Trans. Ind. Appl. 2019, 55, 6476–6485. [Google Scholar] [CrossRef]
- Moon, B.; Jung, H.Y.; Kim, S.H.; Lee, S.H. A modified topology of two-switch buck-boost converter. IEEE Trans. Power Electron. 2017, 5, 17772–17780. [Google Scholar] [CrossRef]
- Badawy, M.O.; Sozer, Y.; Abreu-Garcia, J.A.D. A novel control for a cascaded buck-boost PFC converter operating in discontinu- ous capacitor voltage mode. IEEE Trans. Ind. Electron. 2016, 63, 4198–4210. [Google Scholar] [CrossRef]
- Park, K.B.; Moon, G.W.; Myung-Joon, Y. Non isolated high step-up boost converter integrated with Sepic converter. IEEE Trans. Power Electron. 2010, 25, 2266–2275. [Google Scholar] [CrossRef]
- Yang, J.W.; Do, H.L. Bridgeless SEPIC converter with a ripple-free input current. IEEE Trans. Power Electron. 2013, 28, 3388–3394. [Google Scholar] [CrossRef]
- Bianchin, C.G.; Gules, R.; Badin, A.A.; Romaneli, E.F.R. High-power-factor rectifier using the modified SEPIC converter operating in discontinuous conduction mode. IEEE Trans. Power Electron. 2015, 30, 4349–4364. [Google Scholar] [CrossRef]
- Luo, F.L.; Ye, H. Super-lift boost converters. IET Power Electron. 2014, 7, 1655–1664. [Google Scholar] [CrossRef]
- Berkovich, Y.; Axelrod, B.; Madar, R.; Twina, A. Improved Luo converter modifications with increasing voltage ratio. IET Power Electron. 2015, 8, 202–212. [Google Scholar] [CrossRef]
- Shih, L.C.; Liu, Y.H.; Luo, Y.F. Adaptive DC-link voltage control of LLC resonant converter. Trans. Power Electron. Appl. 2018, 3, 187–196. [Google Scholar] [CrossRef]
- Jiang, W.; Chincholkar, S.H.; Chan, C.Y. Improved output feedback controller design for the super-lift Re-lift Luo converter. IET Power Electron. 2017, 10, 1147–1155. [Google Scholar] [CrossRef]
- Yang, H.T.; Chiang, H.W.; Chen, C.Y. Implementation of bridgeless Cuk power factor corrector with positive output voltage. IEEE Trans. Ind. Appl. 2015, 51, 3325–3333. [Google Scholar] [CrossRef]
- Joseph, K.D.; Daniel, A.E.; Krishnan, A.U. Interleaved Cuk converter with improved transient performance and reduced current ripple. J. Eng. 2017, 7, 362–369. [Google Scholar]
- Ferrera, M.B.; Litran, S.P.; Duran, E.; Andujar, J.M. A converter for bipolar DC link based on SEPIC Cuk converter. IEEE Trans. Power Electron. 2015, 30, 6483–6487. [Google Scholar] [CrossRef]
- Gnanavadivel, J.; Yogalakshmi, P.; Kumar, N.S.; Veni, K.K. Design and development of single phase AC-DC discontinuous conduction mode modified bridgeless positive output Luo converter for power quality improvement. IET Power Electron. 2019, 12, 2722–2730. [Google Scholar] [CrossRef]
- Muhammad, K.S.B.; Lu, D.D.C. ZCS bridgeless boost PFC rectifier using only two active switches. IEEE Trans. Ind. Electron. 2015, 62, 2795–2806. [Google Scholar] [CrossRef]
- Singh, B.; Bist, V.; Chandra, A.C.; Al-Haddad, K. Power factor correction in bridgeless Luo converter-fed BLDC motor drive. IEEE Trans. Ind. Appl. 2015, 51, 1179–1188. [Google Scholar] [CrossRef]
- Scognamillo, C.; Catalano, A.P.; Borghese, A.; Riccio, M.; d’Alessandro, V.; Breglio, G.; Irace, A.; Tripathi, R.N.; Castellazzi, A.; Codecasa, L. Electrothermal modeling, simulation, and electromagnetic characterization of a 3.3 kV SiC MOSFET power module. In Proceedings of the 2021 33rd International Symposium on Power Semiconductor Devices and ICs (ISPSD), Nagoya, Japan, 30 May–3 June 2021; pp. 123–126. [Google Scholar]
- Hussein, A.; Mouawad, B.; Castellazzi, A. Dynamic performance analysis of a 3.3 kV SiC MOSFET half-bridge module with parallel chips and body-diode freewheeling. In Proceedings of the 2018 IEEE 30th International Symposium on Power Semiconductor Devices and ICs (ISPSD), Chicago, IL, USA, 13–17 May 2018; pp. 13–17. [Google Scholar]
- Catalano, A.P.; Scognamillo, C.; d’Alessandro, V.; Castellazzi, A. Numerical simulation and analytical modeling of the thermal behavior of single-and double-sided cooled power modules. IEEE Trans. Compon. Packag. Manuf. Technol. 2020, 10, 1446–1453. [Google Scholar] [CrossRef]
- Doss, M.A.N.; Theresa, A. Bidirectional AC/DC converter PWM strategy with forward control for grid tied microgrid systems. Int. J. Appl. Eng. Res. 2015, 44, 30768–30773. [Google Scholar]
- Doss, M.A.N.; Naveenkumar, R.; Ravichandran, R.; Rengaraj, J.; Manikandan, M. PV fed asymmetrical switched diode multi level inverter with minimum number of power electronic components. Energy Procedia 2017, 117, 592–599. [Google Scholar] [CrossRef]
- Doss, M.A.N.; Christy, A. Modified hybrid multilevel inverter with reduced number of switches for PV application with smart iot system. Springer J. Ambient. Intell. Humaniz. Comput. 2018, 1–13. [Google Scholar] [CrossRef]
- Doss, M.A.N.; Mohanraj, K.; Bhattacharjee, S.; Tiwari, M.; Vashishtha, D. Photovoltaic fed multilevel inverter using reverse voltage topology for standalone systems. Int. J. Power Electron. Drive Syst. 2019, 10, 1347–1354. [Google Scholar] [CrossRef]
- Sathiya, R.; Doss, M.A.N.; Prasanthi, R.A. PV based DC to DC boost converter with RC snubber circuit. Solid State Technol. 2020, 63, 10438–10447. [Google Scholar]














| Topology | Boost Converter | Proposed Converter |
|---|---|---|
| Voltage gain | ||
| No. of switches | 1 | 1 |
| No. of diodes | 1 | 5 |
| Voltage stress across the switch | VC4 | |
| Diode voltage stress | Vc3, Vc4 | |
| Switching condition | Hard switching | ZVS |
| Coupled inductor utilization | - | Yes |
| Converters | Voltage Gain |
|---|---|
| Chen et al. (2015) | |
| Luo converter | |
| Proposed converter |
Publisher’s Note: MDPI stays neutral with regard to jurisdictional claims in published maps and institutional affiliations. |
© 2021 by the authors. Licensee MDPI, Basel, Switzerland. This article is an open access article distributed under the terms and conditions of the Creative Commons Attribution (CC BY) license (https://creativecommons.org/licenses/by/4.0/).
Share and Cite
Ranganathan, S.; Mohan, A.N.D. Formulation and Analysis of Single Switch High Gain Hybrid DC to DC Converter for High Power Applications. Electronics 2021, 10, 2445. https://doi.org/10.3390/electronics10192445
Ranganathan S, Mohan AND. Formulation and Analysis of Single Switch High Gain Hybrid DC to DC Converter for High Power Applications. Electronics. 2021; 10(19):2445. https://doi.org/10.3390/electronics10192445
Chicago/Turabian StyleRanganathan, Sathiya, and Arun Noyal Doss Mohan. 2021. "Formulation and Analysis of Single Switch High Gain Hybrid DC to DC Converter for High Power Applications" Electronics 10, no. 19: 2445. https://doi.org/10.3390/electronics10192445
APA StyleRanganathan, S., & Mohan, A. N. D. (2021). Formulation and Analysis of Single Switch High Gain Hybrid DC to DC Converter for High Power Applications. Electronics, 10(19), 2445. https://doi.org/10.3390/electronics10192445

