Next Article in Journal
A Multi-Parameter Comprehensive Optimized Algorithm for MPTCP Networks
Previous Article in Journal
Design and Analysis of a Photonic Crystal Based Planar Antenna for THz Applications
Previous Article in Special Issue
Comparison of Different Large Signal Measurement Setups for High Frequency Inductors
 
 
Font Type:
Arial Georgia Verdana
Font Size:
Aa Aa Aa
Line Spacing:
Column Width:
Background:
Article

An Investigation of Zero-Voltage-Switching Condition in a High-Voltage-Gain Bidirectional DC–DC Converter

1
Department of Electronic and Computer Engineering, National Taiwan University of Science and Technology, Taipei 10607, Taiwan
2
Department of Electrical and Computer Engineering, Virginia Polytechnic Institute and State University, Blacksburg, VA 24061, USA
3
Department of Electrical Engineering, National ILAN University, Yilan 260, Taiwan
*
Author to whom correspondence should be addressed.
Electronics 2021, 10(16), 1940; https://doi.org/10.3390/electronics10161940
Submission received: 7 July 2021 / Revised: 5 August 2021 / Accepted: 9 August 2021 / Published: 11 August 2021
(This article belongs to the Special Issue High-Frequency Power Converters)

Abstract

:
This paper analyzes the zero-voltage switching (ZVS) for all switches in a high-voltage-gain bidirectional DC–DC converter in triangular conduction mode (TCM) operation without any auxiliary components. From the ZVS condition, the reverse inductor current can be derived, and the required dead-time duration between the main switches and SR switches can be determined, which leads to a reduction in the duty cycle loss. Moreover, the relationship between switching frequency and load in TCM operation can be determined, which helps to reduce the peak-to-peak inductor current and reduce the conduction loss at light load. An experimental prototype of a high-voltage-gain bidirectional DC–DC converter is implemented with a maximum output power of 48 W. The result shows the peak efficiency of 97% and 96.8% in the forward and reverse directions, respectively.

1. Introduction

Over the years, the demands of computing and telecommunication have significantly increased along with the requirements of high efficiency and high power density due to the widespread deployment of information and communication technology (ICT) equipment [1]. In general, ICT equipment uses a two-stage AC–DC converter, as shown in Figure 1 [2]. Then, the first stage converts the AC voltage supplied from the power grid into DC voltage (around 48 V) in telecommunication buildings, and the second stage uses a step-down DC–DC converter to supply suitable DC power for the components such as central processing units (CPUs), memory, hard disks, and servers, which use DC voltages of 1.8 V, 3.3 V, 5.0 V, and 6 V, respectively [2,3]. Moreover, the battery is used in ICT equipment as a backup power supply. Normally, the first stage provides isolation and high conversion efficiency, and the second stage is usually a non-isolated DC–DC converter due to its advantages such as simple structure, low cost, and high power density [4,5,6,7]. In this case, the conventional buck converter has been discussed for using in the second stage. However, this converter cannot operate well when the duty cycle is very small because the output voltage is highly variated with a small error of the duty ratio, and the output voltage cannot be regulated precisely, causing further problems for the devices [8,9,10]. Therefore, many researchers have put great effort into studying how to increase voltage gain in step-down DC–DC converters. In addition, the high voltage stress on components (MOSFETs, capacitors) is another critical issue in high-voltage-gain circuits, since the input voltage is high [11,12]. High-voltage devices will have high on-resistance, high diode forward voltage, and high parasitic capacitance, which lead to high losses on the devices and affect the total efficiency of the circuit. Thus, the choice of components, their losses, and the cost are carefully considered.
In order to overcome these limitations, several kinds of step-down DC–DC converters have been recently proposed [12,13,14], which have brought about many remarkable advantages. For instance, double voltage gain can be achieved in comparison to the conventional buck converter, and the voltage stress on the switches is only equal to half of the input voltage. The proposed converter in [14] represents a potential candidate due to simple structure and low component count, as indicated in Figure 2. In particular, its voltage gain can be adjusted with additional phases, which is the dominant characteristic in comparison to other topologies. The continuous conduction mode (CCM) and triangular conduction mode (TCM) operations with the fixed switching frequency of this topology were presented in [14]; however, these operations suffer from some tradeoffs. When the converter operates in CCM, a high inductance is required, and a large size of the magnetic component is needed [15]. Additionally, hard switching not only causes undesired voltage spikes but also reduces the total efficiency by increasing the switching loss. In TCM operation, the switching devices can achieve ZVS to reduce switching loss, and the inductor has a smaller size [16]. However, the inductor ripple current keeps a constant value in the range of load, which leads to a high root-mean-square (RMS) inductor current at light load conditions and a large differential mode (DM) noise. As a result, low power conversion efficiency usually occurs. Introducing variable switching frequency into TCM operation can change the inductor ripple current, which can solve the issues in TCM with the fixed switching frequency, and the switches can still achieve ZVS [17]. Moreover, many topologies, which use bulky resonant components to achieve ZVS, have been proposed to increase circuit efficiency [18]. Applying TCM operation with variable switching frequency can help the switch obtain ZVS without additional components, which reduces the cost and increases the power density [5].
In TCM operation, it is possible to turn off the low-side switch after the inductor current becomes negative, and the high-side switch can achieve ZVS. Normally, the energy transfer from the inductor to the output capacitances ( C oss ) of the switches can be used to explain the mechanism of ZVS, and the reverse inductor current should be enough for this mechanism [7]. However, conventional MOSFETs have high parasitic capacitance, which causes low reverse inductor current. This leads to increase inductor ripple current, high core loss, and winding loss. Moreover, the higher parasitic capacitance will require a higher time to charge and discharge the parasitic capacitances, which leads to a higher dead-time duration for high-side and low-side switches. This is not applicable for high-frequency applications because of high duty cycle loss. Therefore, using wide-bandgap (WBG) devices can overcome these limitations. WBG devices, which have smaller parasitic capacitance, can help the converters increase the switching frequency and reduce the size of passive components such as inductors and capacitors [19]. However, with the low gate-to-source threshold voltage, WBG devices lead to extreme noise sensitivity for the controller [20]. Therefore, the circuit design needs to be carefully considered in high-frequency applications.
The energy method is just an estimation method in ZVS design, which does not give the exact ZVS condition [7]. Thus, finding the correct reverse inductor current is one of the problems of TCM modulation in maintaining ZVS in the full range of load. In this paper, resonant analysis is specifically performed for deciding the ZVS condition. Consequently, the constant reverse inductor current and the required dead-time can be deduced. The basic TCM operation principle with variable switching frequency and ZVS conditions are explained in Section 2. In Section 3, the range of switching frequency and the required inductance values are also determined to enable TCM operation in the full range of power for the circuit. Moreover, this converter can be operated in both forward and reverse directions, which can be applied in other applications such as battery chargers in electric vehicles and solar energy systems with charging and discharging modes. Thus, all discussions in this paper are analyzed for both directions. Lastly, a 48 W high-voltage-gain bidirectional DC–DC converter prototype with GS61008T is implemented to verify the analysis, which is shown in Section 4. The paper is summarized and concluded in Section 5.

2. Analysis of ZVS Condition

In Figure 2, the voltage V 2 and the current I 2 are regulated by the main switches S 1 H and S 2 H in the forward direction, whereas the voltage V 1 and the current   I 1 are regulated by the main switches S 1 L and S 2 L   in the reverse direction. Additionally, i L 1 and i L 2 are the inductor currents in inductors L 1 and L 2 in forward mode, respectively. The gate-to-source voltages of S 1 H and S 2 H are shifted by   180 o , and the signals of switches S 1 L and S 2 L are complementary with the signals of switches S 1 H and S 2 H , respectively. The clamping capacitor C c , which is designed to maintain the voltage ( V 1   /   2 ) with low ripple at steady state, has the important role of increasing the voltage gain and reducing the voltage stress of switches to ( V 1 V c ) except switch S 1 H , as shown in Figure 3. The voltage in the capacitor C c does not contribute to reducing voltage stress of the switch S 1 H in [ t 0 ,   t 1 ] . Therefore, the voltage stress of the switch S 1 H is equal to V 1 in this interval and equal to ( V 1 V c ) in the remaining intervals.
There are eight time intervals in one switching cycle, as shown in Figure 3. The time intervals [ t 0 ,   t 1 ] , [ t 1 ,   t 2 ] , [ t 2 ,   t 3 ] , and [ t 3 ,   t 4 ] are the same with CCM operation. This paper only focuses on analyzing resonant periods [ t 1 , t 1 ] , [ t 4 , t 4 ] in the forward direction and [ t 2 , t 2 ]   [ t 3 , t 3 ] in the reverse direction to determine the reverse inductor current I R 1 and the required dead-time duration for all switches. The key waveforms during one switching cycle and the states of switches in every resonant period are indicated in Figure 3 and Figure 4, respectively. In the reverse direction, i L 1 and i L 2 have the same magnitude and the opposite direction with i L 1 and i L 2 , respectively, as shown in Figure 3b. The parameter V GS is the gate-to-source voltage of the switch, and v S 1 H ,   v S 1 L ,   v S 2 H ,   and   v S 2 L are the voltages in output capacitances of switches S 1 H ,   S 1 L ,   S 2 H , and S 2 L , respectively.
In the resonant analysis, two assumptions to simplify the analysis are that the output parasitic capacitance ( C oss ) of the switch keeps a constant value, and the body diode voltage drop of the switch is neglected.

2.1. In Buck Direction (Forward Direction)

At the time   t 2 , the inductor current i L 1 is I R 1 , switch S 1 L turns off, and the inductor L 1 resonates with the output parasitic capacitances of S 1 H and   S 1 L , increasing v S 1 L and reducing   v S 1 H , as presented in Figure 3a and Figure 4b. At the time t 2 ,   v S 1 L increases to   V c , v S 1 H decreases to zero, and S 1 H turns on to achieve ZVS, as shown in Figure 3a. The derivation process to achieve ZVS of the switch S 2 H is similar. When the converter operates at a high switching frequency, setting redundant dead-time [ t 2 , t 2 ]   to achieve ZVS leads to large duty cycle loss. Thus, the resonant periods [ t 2 , t 2 ]   and   [ t 4 , t 4 ] were analyzed to determine the dead-time for switches S 1 H and S 2 H .

2.1.1. Resonant Period ( t 2 < t t 2 )

The initial circuit during the resonant period is indicated in Figure 5a,b is the equivalent circuit with Laplace transforms. At the time   t 2 , the current value in the inductor L 1 gets minimum value   I R 1 , the voltage values of switches S 1 H and S 1 L are V c and zero, respectively, and the voltage source V 1 has already been considered in the initial voltages of switches S 1 H and S 1 L at the time t 2 .
From Figure 5b, the voltage of the main switch S 1 H in the s domain is expressed as
v S 1 H ( s ) = V C + ( I R 1 L 1 sL 1 + 1 sC eq ) 1 sC eq .
According to Equation (1), the voltage v S 1 H ( t ) during the resonant period can be derived.
v S 1 H ( t ) = V c + I R 1 Z 1 sin ω 1 t ,
where the equivalent capacitance   C eq   is   C ( C + 2 C c ) / ( C + C c ) , the characteristic impedance   Z 1   is   L 1 / C eq , and the resonant frequency   ω 1   is   1 / L 1 C eq .
From Equation (2), the switch S 1 H gets ZVS when
v S 1 H ( t 2 t 2 ) 0 .
Thus, the value of the reverse inductor current can be determined.
I R 1 V c Z 1 sin ω 1 ( t 2 t 2 ) .
From Equation (4), the maximum value of I R 1 can be determined at the quarter of the resonant period. Thus, the minimum dead-time for the switch S 1 H is defined as
t d _ S 1 H _ min = t 2 t 2 = π 2 ω 1 .

2.1.2. Resonant Period ( t 4 < t t 4 )

The initial circuit at the time t 4 is expressed in Figure 6a. Using Norton’s theorem, the voltage V 2 in series with the inductor   L 2 can be represented as the current source I n in parallel with the inductor L 2 , as illustrated in Figure 6b. After that, the current source in parallel with inductors   L 1   and L 2 can be replaced by the voltage source V eq in series with the inductor L eq , as indicated in Figure 6c. Figure 6d is the equivalent circuit with Laplace transforms. At the time   t 4 , the currents i c and i S 2 L are zero and   ( I L 1 _ pk I L 2 _ min ) , and the voltage values of switches S 2 H and S 2 L are V c and zero, respectively.
From Figure 6d, the voltage of the main switch S 2 H in the s domain is expressed as
v S 2 H ( s ) = V c [ V eq ( 1 s s s 2 + ω 2 2 ) I C eq ( s 2 + ω 2 2 ) ] .
According to Equation (6), the voltage v S 2 H ( t ) during the resonant period can be derived as
v S 2 H ( t ) = V c [ V eq ( 1 cos ω 2 t ) IZ 2 sin ω 2 t ] ,
where the current I is equal to   ( i c i S 2 L ) , the equivalent inductance   L eq   is   L 1 L 2 / ( L 1 + L 2 ) ,   V eq   is   L 1 V 2 / ( L 1 + L 2 ) , the characteristic impedance Z 2   is   L eq / C eq , and the resonant frequency ω eq 2   is   1 / L eq C eq .
Consequently, the ZVS condition for switch S 2 H is described by Equation (8).
I V eq ( 1 cos ω 2 t ) V c Z 2 sin ω 2 t .
The peak current of the inductor L 1 can be expressed as
I L 1 _ pk = I 2 I R 1 .
From Equations (8) and (9), the ZVS condition for the switch S 2 H is
I R 1 V eq ( 1 cos ω 2 t ) V c Z 2 sin ω 2 t + Δ I L 2 2 ,
where Δ I L 2 is the ripple current of the inductor L 2 .
Δ I L 2 = V 2 ( 1 D ) L 2 f sw ,
where f sw is the switching frequency of the converter.

2.2. In Boost Direction (Reverse Direction)

The operating principle of the reverse direction is similar to the forward direction, as indicated in Figure 3b. Therefore, the resonant analysis of the reverse direction is not repeated for conciseness. The ZVS conditions of the main switches   S 1 L , S 2 L in boost direction during resonant periods are shown below.
In the resonant period ( t 1 < t t 1 ) , the voltage of the main switch S 2 L is expressed as
v S 2 L ( t ) = V c [ ( V c V eq ) ( 1 cos ω 2 t ) IZ 2 sin ω 2 t .
Consequently, the ZVS condition of switch S 2 L is described by Equation (13).
I R 1 [ ( V c V eq ) ( 1 cos ω 2 t ) ] V c Z 2 sin ω 2 t + Δ I L 2 2 .
In the resonant period ( t 3 < t t 3 ) , the voltage of the main switch S 1 L is expressed as
v S 1 L ( t ) = V c ( V c ( 1 cos ω 1 t ) I R 1 Zsin ω 1 t ) .
Consequently, the ZVS condition for the switch S 1 L is described by Equation (15).
I R 1 V c ( 1 cos ω 1 t ) V c Z 1 sin ω 1 t .  

3. Switching Frequency Calculation

Using the inductor volt-second balance, the equations for the ripple currents Δ I L 1 , Δ I L 2 and the switching frequency f sw are expressed in Equations (16)–(18).
Δ I L 1 = I 2 2 I R 1 .
Δ I L 2 = L 1 ( 1 D ) ( I 2 2 I R 1 ) L 2 .
f sw = V c D ( I 2 2 I R 1 ) L 1 .
In Equations (16) and (17), when the output power is reduced and the reverse inductor current I R 1 remains constant, the ripple currents Δ I L 1 and Δ I L 2 are lower. Thus, the RMS currents of both inductors will be reduced at light load, which leads to a reduction in conduction loss in the inductors.
In Equation (18), clamping capacitor voltage V c and duty cycle D are constant. Therefore, the switching frequency has to be changed following the current I 2 to maintain the constant reverse inductor current I R 1 , which helps all switches to obtain ZVS.
The ZVS conditions of all switches in Equations (4), (10), (13) and (15) depend on the constant reverse inductor current I R 1 . Thus, only the inductor L 1 must operate at TCM, and the inductor L 2 can operate at CCM to reduce the current stress in the output capacitor. Therefore, the inductance L 1 can be less than the critical inductance L 1 _ cri and the inductance L 2 can be greater than the critical inductance L 2 _ cri , as shown in Equation (19).
{ L 1 < L 1 _ cri = V c D I 2 f S   L 2 > L 2 _ cri = V 1 ( 1 D ) 2 I 2 f S   .
The inductances   L 1 ,   L 2 , the dead-time for all switches, the reverse inductor current I R 1 , and the range of switching frequency can be determined using the steps in Figure 7. In addition, the inductance L 2 can be selected to be greater than L 2 _ cri , as long as the converter can meet the expected power density and cost.

4. Experimental Verification

In order to validate the ZVS conditions, a high-voltage-gain bidirectional DC–DC converter was built with 48 W output power. The circuit was designed to work in TCM operation, and the switches could achieve ZVS in the full range of output power. The 100 V GaN device GS61008T from GaN Systems, which has low output capacitance, was implemented in the converter.
In addition, the nonlinear parasitic capacitance of the switch should be considered in the ZVS condition for higher accuracy. Due to this nonlinearity, the charge Q oss stored in parasitic capacitances C oss is also a function of the applied voltage v DS . Therefore, a corresponding equivalent parasitic capacitance C Q , eq could be obtained to exhibit the same amount of stored charge as the nonlinear capacitance [21]. The blue line in Figure 8 indicates C oss versus v DS as in the datasheet of GS61008T [22], while the red line presents the relationship between C Q , eq and v DS .
The minimum operating frequency in the converter is 200 kHz at full load, and, following step 2 in Figure 7, the inductance L 1 and the dead-time t d _ S 1 H were calculated to be around 3.1 μH and 150 ns, respectively. According to step 3 in Figure 7, the remaining switches had 100 ns dead-time, and the maximum operating frequency of the converter was 700 kHz at 20% output power.
The clamping capacitor should have a large enough capacitance to reduce the voltage ripple.
C c > i c DT S Δ V c = ( I L 2 I L 1 ) DT S Δ V c = I o DT S Δ V c = 4.17   μ F .
To ensure constant voltage on the clamping capacitor, the value of C c should be selected as double the calculated value to avoid the derating issue. The clamping capacitor voltage   V c , the voltage V 1 , and the voltage V 2 waveforms are shown in Figure 9 for both directions, and   V c was kept constant at half of V 1 . The key parameters and components are summarized in Table 1.
The inductor current waveforms at 20% load and 60% load in the forward direction are shown in Figure 10 and Figure 11, respectively. In Figure 10, the converter operated in TCM with the variable switching frequency, while the reverse inductor current I R 1 was kept constant at −0.6 A. Moreover, comparing to TCM operation with fixed switching frequency in Figure 11, the ripple currents of both inductors at 20% load and 60% load were reduced around 71% and 34%, respectively. Therefore, the winding loss and core loss of inductors, and the conduction loss of switches were reduced, which helped to improve the total efficiency of the converter. In the reverse direction, the ripple currents would have the same results. All switches in the converter could achieve ZVS in the full range of load, as shown in Figure 12 and Figure 13.
For the traditional interleaved two-phase bidirectional DC–DC converter, the ZVS condition for the switch of each phase depends on its reverse inductor current [23]. However, in this topology, the reverse current in the inductor L 1 can control all ZVS conditions for all switches, as shown in Figure 12 and Figure 13. Hence, the current balancing issue is not a great deal in this topology, and it is beneficial for designers to select the inductors in this circuit.
Figure 14 shows the efficiency in both flows. When the output power was reduced, the efficiency of the converter in TCM operation with variable frequency was higher than that in TCM operation with fixed frequency due to the reduction in peak-to-peak current in both inductors. The converter obtained the highest efficiency of 97% and 96.8% in the forward direction and the reverse direction, respectively. Figure 15 shows the hardware of the high-voltage-gain bidirectional DC–DC converter.

5. Conclusions

Through resonant analysis, the ZVS conditions for all switches could be derived. The dead-time durations and the reverse current of the inductor L 1 to maintain ZVS for all switches were discussed and verified. The resonant analysis not only determined the reverse inductor current   I R 1 but also helped to calculate the dead-time of the switches in the converter to reduce the duty-cycle loss. Moreover, only the inductor L 1 needs to operate in TCM, while the inductor L 2 can operate in CCM, which facilitated the implementation of inductors for this converter. The analysis is not limited to this converter; it is also applicable to other circuits with a similar resonant model. By changing the switching frequency following the output power at light load, the switches can obtain ZVS, and the inductor ripple current can be smaller to reduce the losses in the inductors and the switching devices, thereby improving the efficiency of the circuit.

Author Contributions

N.-T.P. implemented the analysis, layout, and hardware, verified the experiments, and wrote the paper. H.-J.C., Y.-C.L. and A.-D.N. supervised the research, provided materials for experiments, acquired the data, and reviewed the paper. All authors have read and agreed to the published version of the manuscript.

Funding

This work was partially supported by the Ministry of Science and Technology (MOST) in Taiwan (MOST 109-3111-8-011-001-) and the Delta–NTUST Joint Research Center.

Acknowledgments

This work was partially supported by the Ministry of Science and Technology (MOST) in Taiwan. Thanks the funding provided by MOST (MOST 109-3111-8-011-001-) and the Delta-NTUST Joint Research Center.

Conflicts of Interest

The authors declare no conflict of interest.

References

  1. Schmidt, R.R.; Belady, C.; Classen, A.; Davidson, T.; Herrlin, M.; Novotny, S.; Perry, R. Evolution of data center environmental guidelines. ASHRAE Trans. 2004, 110, 559–566. [Google Scholar]
  2. Asakura, K.; Inamori, J.; Murai, K.; Tanaka, T.; Babasaki, T. Development of higher-voltage direct current power feeding system in telecommunications buildings and data centers. In Proceedings of the 8th International Conference on Power Electronics-ECCE Asia, Jeju, Korea, 30 May–3 June 2011. [Google Scholar]
  3. Fei, C.; Ahmed, M.H.; Lee, F.C.; Li, Q. Two-stage 48 V-12 V/6 V-1.8 V voltage regulator module with dynamic bus voltage control for light-load efficiency improvement. IEEE Trans. Power Electron. 2016, 32, 5628–5636. [Google Scholar] [CrossRef]
  4. Zhang, J.; Lai, J.S.; Kim, R.Y.; Yu, W. High-power density design of a soft-switching high-power bidirectional DC–DC converter. IEEE Trans. Power Electron. 2007, 22, 1145–1153. [Google Scholar] [CrossRef]
  5. Liu, Y.-C.; Syu, Y.-L.; Dung, N.A.; Chen, C.; Chen, K.-D.; Kim, K.A. High-switching-frequency TCM digital control for bidirectional-interleaved buck converters without phase error for battery charging. IEEE Trans. Emerg. Sel. Top. Power Electron. 2019, 8, 2111–2123. [Google Scholar] [CrossRef]
  6. Lee, I.O.; Cho, S.Y.; Moon, G.W. Interleaved buck converter having low switching losses and improved step-down conversion ratio. IEEE Trans. Power Electron. 2012, 27, 3664–3675. [Google Scholar] [CrossRef]
  7. Yeh, C.-S.; Zhao, X.; Lai, J.-S. An investigation on zero-voltage-switching condition in synchronous-conduction-mode buck converter. In Proceedings of the 2017 IEEE Energy Conversion Congress and Exposition (ECCE), Cincinnati, OH, USA, 1–5 October 2017. [Google Scholar]
  8. Dung, N.A.; Hieu, P.P.; Hsieh, Y.C.; Lin, J.Y.; Liu, Y.C.; Chiu, H.J. A novel low-loss control strategy for bidirectional DC–DC converter. Int. J. Circuit Theory Appl. 2017, 45, 1801–1813. [Google Scholar] [CrossRef]
  9. Simões, M.G.; Lute, C.; Alsaleem, A.; Brandao, D.; Pomilio, J. Bidirectional floating interleaved buck-boost DC–DC converter applied to residential PV power systems. In Proceedings of the 2015 Clemson University Power Systems Conference (PSC), Clemson, SC, USA, 10–13 March 2015. [Google Scholar]
  10. Tytelmaier, K.; Husev, O.; Veligorskyi, O.; Yershov, R. A review of non-isolated bidirectional DC–DC converters for energy storage systems. In Proceedings of the 2016 II International Young Scientists Forum on Applied Physics and Engineering (YSF), Palm Springs, CA, USA, 21–25 February 2010. [Google Scholar]
  11. Chen, Y.-T.; Lu, Z.-X.; Liang, R.-H.; Hung, C.-W. Analysis and implementation of a novel high step-up DC–DC converter with low switch voltage stress and reduced diode voltage stress. IET Power Electron. 2016, 9, 2003–2012. [Google Scholar] [CrossRef]
  12. Zhang, Y.; Gao, Y.; Zhou, L.; Sumner, M. A switched-capacitor bidirectional DC–DC converter with wide voltage gain range for electric vehicles with hybrid energy sources. IEEE Trans. Power Electron. 2018, 33, 9459–9469. [Google Scholar] [CrossRef]
  13. Yamamoto, Y.; Takiguchi, T.; Sato, T.; Koizumi, H. Two-phase interleaved bidirectional converter input-parallel output-series connection. In Proceedings of the 2015 9th International Conference on Power Electronics and ECCE Asia (ICPE-ECCE Asia), Seoul, Korea, 1–5 June 2015. [Google Scholar]
  14. Dung, N.A.; Chiu, H.-J.; Liu, Y.-C.; Huang, P.J. Analysis and implementation of a high voltage gain 1 MHz bidirectional DC–DC converter. IEEE Trans. Ind. Electron. 2019, 67, 1415–1424. [Google Scholar] [CrossRef]
  15. Fu, W.; Tan, S.T.; Fayed, A. Switching and conduction loss analysis of buck converters operating in DCM-only scenarios. In Proceedings of the 2013 IEEE International Symposium on Circuits and Systems (ISCAS), Beijing, China, 19–23 May 2013. [Google Scholar]
  16. Lai, J.S.; York, B.; Koran, A.; Cho, Y.; Whitaker, B.; Miwa, H. High-efficiency design of multiphase synchronous mode soft-switching converter for wide input and load range. In Proceedings of the 2010 International Power Electronics Conference-ECCE ASIA, Sapporo, Japan, 21–24 June 2010. [Google Scholar]
  17. Baek, J.B.; Choi, W.I.; Cho, B.H. Digital adaptive frequency modulation for bidirectional DC–DC converter. IEEE Trans. Ind. Electron. 2012, 60, 5167–5176. [Google Scholar] [CrossRef]
  18. Hua, G.; Lee, F.C. Soft-switching techniques in PWM converters. IEEE Trans Ind. Electron. 1995, 42, 595–603. [Google Scholar] [CrossRef]
  19. Kaminski, N. State of the art and the future of wide band-gap devices. In Proceedings of the 2009 13th European Conference on Power Electronics and Applications, Barcelona, Spain, 8–10 September 2009. [Google Scholar]
  20. Cantone, G.; Pulvirenti, F. Integrated solutions and related technologies for gate drivers of GaN transistors. In Proceedings of the 2020 AEIT International Annual Conference (AEIT), Catania, Italy, 23–25 September 2020. [Google Scholar]
  21. Kasper, M.; Burkart, R.M.; Deboy, G.; Kolar, J.W. ZVS of power MOSFETs revisited. IEEE Trans. Power Electron. 2016, 31, 8063–8067. [Google Scholar] [CrossRef]
  22. Datasheet GS61008T. Available online: https://gansystems.com/wpcontent/uploads/2018/04/GS61008T-DS-Rev-180420.pdf (accessed on 22 February 2021).
  23. Huang, X.; Lee, F.C.; Li, Q.; Du, W. High-frequency high-efficiency GaN-based interleaved CRM bidirectional buck/boost converter with inverse coupled inductor. IEEE Trans. Power Electron. 2015, 31, 4343–4352. [Google Scholar] [CrossRef]
Figure 1. The basic two-stage structure of ICT equipment.
Figure 1. The basic two-stage structure of ICT equipment.
Electronics 10 01940 g001
Figure 2. The high-voltage-gain DC–DC converter in TCM operation.
Figure 2. The high-voltage-gain DC–DC converter in TCM operation.
Electronics 10 01940 g002
Figure 3. Key waveforms of the high-voltage-gain bidirectional DC–DC converter in TCM operation: (a) forward direction; (b) reverse direction.
Figure 3. Key waveforms of the high-voltage-gain bidirectional DC–DC converter in TCM operation: (a) forward direction; (b) reverse direction.
Electronics 10 01940 g003
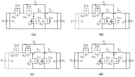
Figure 4. Resonant periods of the TCM high-voltage-gain DC–DC converter in the forward direction: ( a )   [ t 1 , t 1 ] ; ( b )   [ t 2 , t 2 ] ; ( c )   [ t 3 , t 3 ] ; ( d )   [ t 4 , t 4 ] .
Figure 4. Resonant periods of the TCM high-voltage-gain DC–DC converter in the forward direction: ( a )   [ t 1 , t 1 ] ; ( b )   [ t 2 , t 2 ] ; ( c )   [ t 3 , t 3 ] ; ( d )   [ t 4 , t 4 ] .
Electronics 10 01940 g004
Figure 5. Equivalent circuit in the resonant period [ t 2 , t 2 ] : (a) initial circuit; (b) equivalent circuit with Laplace transforms.
Figure 5. Equivalent circuit in the resonant period [ t 2 , t 2 ] : (a) initial circuit; (b) equivalent circuit with Laplace transforms.
Electronics 10 01940 g005
Figure 6. Equivalent circuit in the resonant period [ t 4 , t 4 ] : (a) initial circuit; (b) circuit derivation with Norton’s theorem; (c) circuit derivation with Thevenin’s theorem; (d) equivalent circuit with Laplace transforms.
Figure 6. Equivalent circuit in the resonant period [ t 4 , t 4 ] : (a) initial circuit; (b) circuit derivation with Norton’s theorem; (c) circuit derivation with Thevenin’s theorem; (d) equivalent circuit with Laplace transforms.
Electronics 10 01940 g006
Figure 7. The steps to find   L 1 ,   L 2 , the dead-time for all switches in the circuit, and the range of the switching frequency.
Figure 7. The steps to find   L 1 ,   L 2 , the dead-time for all switches in the circuit, and the range of the switching frequency.
Electronics 10 01940 g007
Figure 8. The parasitic capacitance C oss and the equivalent parasitic capacitance C Q , eq versus V DS .
Figure 8. The parasitic capacitance C oss and the equivalent parasitic capacitance C Q , eq versus V DS .
Electronics 10 01940 g008
Figure 9. Waveforms of voltage V 1 , clamping capacitor voltage V c , and V 2 : (a) forward flow; (b) reverse flow.
Figure 9. Waveforms of voltage V 1 , clamping capacitor voltage V c , and V 2 : (a) forward flow; (b) reverse flow.
Electronics 10 01940 g009
Figure 10. Inductor current waveforms in the forward direction with variable switching frequency: (a) at 20% load; (b) at 60% load.
Figure 10. Inductor current waveforms in the forward direction with variable switching frequency: (a) at 20% load; (b) at 60% load.
Electronics 10 01940 g010
Figure 11. Inductor current waveforms in the forward direction with fixed switching frequency at 200 kHz: (a) at 20% load; (b) at 60% load.
Figure 11. Inductor current waveforms in the forward direction with fixed switching frequency at 200 kHz: (a) at 20% load; (b) at 60% load.
Electronics 10 01940 g011
Figure 12. Experimental waveforms at 20% load in forward direction: (a) resonant period of S 1 H ; (b) detailed ZVS of S 1 H ; (c) resonant period of S 2 H ; (d) detailed ZVS of S 2 H .
Figure 12. Experimental waveforms at 20% load in forward direction: (a) resonant period of S 1 H ; (b) detailed ZVS of S 1 H ; (c) resonant period of S 2 H ; (d) detailed ZVS of S 2 H .
Electronics 10 01940 g012
Figure 13. Experimental waveforms at 20% load in the reverse direction: (a) resonant period of S 1 L ; (b) detailed ZVS of S 1 L ; (c) resonant period of S 2 L ; (d) detailed ZVS of S 2 L .
Figure 13. Experimental waveforms at 20% load in the reverse direction: (a) resonant period of S 1 L ; (b) detailed ZVS of S 1 L ; (c) resonant period of S 2 L ; (d) detailed ZVS of S 2 L .
Electronics 10 01940 g013
Figure 14. Efficiency performance with fixed switching frequency and variable switching frequency in TCM operation: (a) forward direction; (b) reverse direction.
Figure 14. Efficiency performance with fixed switching frequency and variable switching frequency in TCM operation: (a) forward direction; (b) reverse direction.
Electronics 10 01940 g014
Figure 15. The 48 W prototype of the high-voltage-gain bidirectional DC–DC converter.
Figure 15. The 48 W prototype of the high-voltage-gain bidirectional DC–DC converter.
Electronics 10 01940 g015
Table 1. Specification of the high-voltage-gain bidirectional DC–DC converter.
Table 1. Specification of the high-voltage-gain bidirectional DC–DC converter.
ParametersValue
Voltage V 1 48 Vdc
Voltage V 2 6 Vdc
Maximum power ( P max )48 W
Switching frequency ( f S ) 700 kHz
Clamping capacitor voltage ripple ( Δ V C )1 Vdc
L 1 3.1   μ H
L 2 6.8   μ H
Switch GS61008T ( R DS ,   ON ,   C OSS ) 7 mΩ, 250 pF
Publisher’s Note: MDPI stays neutral with regard to jurisdictional claims in published maps and institutional affiliations.

Share and Cite

MDPI and ACS Style

Phan, N.-T.; Nguyen, A.-D.; Liu, Y.-C.; Chiu, H.-J. An Investigation of Zero-Voltage-Switching Condition in a High-Voltage-Gain Bidirectional DC–DC Converter. Electronics 2021, 10, 1940. https://doi.org/10.3390/electronics10161940

AMA Style

Phan N-T, Nguyen A-D, Liu Y-C, Chiu H-J. An Investigation of Zero-Voltage-Switching Condition in a High-Voltage-Gain Bidirectional DC–DC Converter. Electronics. 2021; 10(16):1940. https://doi.org/10.3390/electronics10161940

Chicago/Turabian Style

Phan, Nhat-Truong, Anh-Dung Nguyen, Yu-Chen Liu, and Huang-Jen Chiu. 2021. "An Investigation of Zero-Voltage-Switching Condition in a High-Voltage-Gain Bidirectional DC–DC Converter" Electronics 10, no. 16: 1940. https://doi.org/10.3390/electronics10161940

APA Style

Phan, N.-T., Nguyen, A.-D., Liu, Y.-C., & Chiu, H.-J. (2021). An Investigation of Zero-Voltage-Switching Condition in a High-Voltage-Gain Bidirectional DC–DC Converter. Electronics, 10(16), 1940. https://doi.org/10.3390/electronics10161940

Note that from the first issue of 2016, this journal uses article numbers instead of page numbers. See further details here.

Article Metrics

Back to TopTop