Single-Shunt Three-Phase Current Measurement for a Three-Level Inverter Using a Modified Space-Vector Modulation
Abstract
:1. Introduction
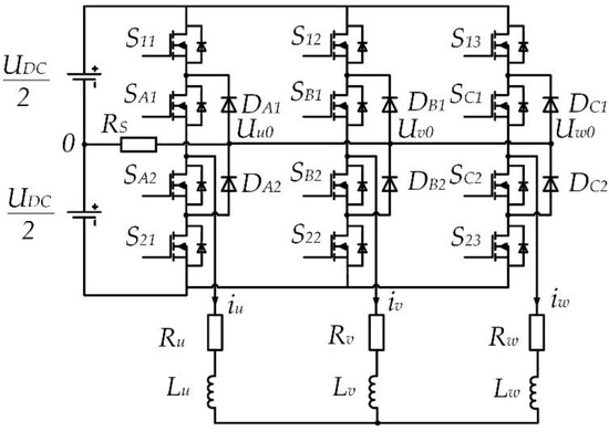
2. Three-Level Inverter Basics
3. Proposed SVM Pattern-Modification Method
3.1. SVM Pattern Modification Inside Region 1
3.2. SVM Pattern Modification Inside Region 2
3.3. SVM Pattern Modification Inside Region 3
3.4. SVM Pattern Modification Inside Region 4
4. Hardware Implementation
4.1. Electronic Circuits
4.1.1. Power Stage Circuit
4.1.2. Current-Measurement Circuit
- The output signal is a DC signal with maximum range up to 3 V.
- The current-measurement range is 20% greater than the maximum expected, to ensure current measurement for the whole current range with enough assurance.
- The bandwidth is greater than 1 MHz.
4.1.3. Digital Signal Processor
- High-performance 32-bit CPU (TMS320C28x);
- 12-bit Analog–digital converter (ADC);
- Six-channel DMA controller (for ADC, ePWM, etc.);
- Up to 18 PWM outputs;
- Serial port peripherals, etc.
4.1.4. Power Supplies
5. Experimental Results
5.1. Experimental Test-Bench
5.2. Measurement Results
6. Discussion
7. Conclusions
Author Contributions
Funding
Data Availability Statement
Acknowledgments
Conflicts of Interest
References
- Finch, J.W.; Giaouris, D. Controlled AC Electrical Drives. IEEE Trans. Ind. Appl. 2008, 55, 481–491. [Google Scholar] [CrossRef]
- Dementyev, Y.N.; Kojain, N.V.; Bragin, A.D.; Udut, L.S. Control system with sinusoidal PWM three-phase inverter with a frequency scalar control of induction motor. In Proceedings of the 2015 International Siberian Conference on Control and Communications (SIBICON), Omsk, Russia, 21–23 May 2015. [Google Scholar]
- Srilad, S.; Tunyasrirut, S.; Suksri, T. Implementation of a Scalar Controlled Induction Motor Drives. In Proceedings of the 2006 SICE-ICASE International Joint Conference, Busan, Korea, 18–21 October 2006. [Google Scholar]
- Hongyun, J.; Ming, C.; Wei, H.; Wei, L.; Xiaonfan, F. Investigation and Implementation of Control Strategies for Flux-Switching Permannet Magnet Motor Drives. In Proceedings of the 2008 IEEE Industry Applications Society Annual Meeting, Edmonton, AB, Canada, 5–9 October 2008. [Google Scholar]
- Marchesoni, M.; Tenca, P. Diode-clamped multilevel converters: A practicable way to balance DC-link voltages. IEEE Trans. Ind. Electron. 2002, 49, 752–765. [Google Scholar] [CrossRef]
- Nami, A.; Zare, F.; Ledwich, G.; Ghosh, A.; Blaabjerg, F. A new configuration for multilevel converters with diode clamped topology. In Proceedings of the 2007 International Power Engineering Conference (IPEC 2007), Singapore, 3–6 December 2007. [Google Scholar]
- Rodriguez, J.; Lai, J.-S.; Peng, F.Z. Multilevel inverters: A survey of topologies, controls, and applications. IEEE Trans. Ind. Electron. 2002, 49, 724–738. [Google Scholar] [CrossRef] [Green Version]
- Lin, J.; Weiss, G. Multilevel converter with variable flying capacitor voltage used for virtual infinite capacitor. In Proceedings of the 2017 International Symposium on Power Electronics, Novi Sad, Serbia, 19–21 October 2017. [Google Scholar]
- Li, J. Design and Control Optimisation of a Novel Bypass-embedded Multilevel Multicell Inverter for Hybrid Electric Vehicle Drives. In Proceedings of the 2020 IEEE 11th Symposium on Power Electronics for Distributed Generation Systems (PEDG), Dubrovnik, Croatia, 28 September–1 October 2020. [Google Scholar]
- Kim, H.; Jahns, T.M. Current Control for AC Motor Drives Using a Single DC-Link Current Sensor and Measurement Voltage Vectors. IEEE Trans. Ind. Appl. 2006, 42, 1539–1547. [Google Scholar] [CrossRef]
- Matsuura, K.; Ohishi, K.; Haga, H.; Ando, I. Fine motor current control based on new current reconstruction method using one DC-link current sensor. In Proceedings of the IECON 2015—41st Annual Conference of the IEEE Industrial Electronics Society, Yokohama, Japan, 9–12 November 2015. [Google Scholar]
- Marčetić, D.P.; Adžić, E.M. Improved Three-Phase Current Reconstruction for Induction Motor Drives with DC-Link Shunt. IEEE Trans. Ind. Electron. 2010, 57, 2454–2462. [Google Scholar] [CrossRef]
- Single-Shunt Three-Phase Current Reconstruction Algorithm for Sensorless FOC of a PMSM. Available online: ww1.microchip.com/downloads/en/AppNotes/01299A.pdf (accessed on 26 May 2021).
- 3-phase Sensorless Single-Shunt Current-Sensing PMSM Motor Control Kit with MagniV MC9S12ZVM. Available online: www.nxp.com/docs/en/application-note/AN5327.pdf (accessed on 26 May 2021).
- Sensorless-FOC for PMSM with Single DC-Link Shunt. Available online: www.ti.com/lit/an/spract7/spract7.pdf?ts=1622036373727 (accessed on 26 May 2021).
- Blaabjerg, F.; Pedersen, J.K.; Jaeger, U.; Thoegersen, P. Single current sensor technique in the DC-link of three-phase PWM-VS inverters. A review and the ultimate solution. In Proceedings of the Conference Record of the 1996 IEEE Industry Applications Conference Thirty-First IAS Annual Meeting, San Diego, CA, USA, 6–10 October 1996. [Google Scholar]
- Blaabjerg, F.; Pedersen, J.K. An ideal PWM-VSI inverter using only one current sensor in the DC-link. In Proceedings of the 1994 Fifth International Conference on Power Electronics and Variable-Speed Drives, London, UK, 26–28 October 1994; pp. 458–464. [Google Scholar]
- Lee, W.-C.; Lee, T.-K.; Hyun, D.-S. Comparison of single-sensor current control in the DC link for three-phase voltage-source PWM converters. IEEE Trans. Ind. Electron. 2001, 48, 491–505. [Google Scholar]
- Shin, H.; Ha, J.I. Phase Current Reconstructions from DC-Link Currents in Three-Phase Three-Level PWM Inverters. IEEE Trans. Power Electron. 2014, 29, 582–593. [Google Scholar] [CrossRef]
- Son, Y.; Kim, J. A Novel Phase Current Reconstruction Method for a Three-Level Neutral Point Clamped Inverter (NPCI) with a Neutral Shunt Resistor. Energies 2018, 11, 2616. [Google Scholar] [CrossRef] [Green Version]
- Gu, Y.; Ni, F.; Yang, D.; Liu, H. Switching-State Phase Shift Method for Three-Phase-Current Reconstruction with a Single DC-Link Current Sensor. IEEE Trans. Ind. Electron. 2011, 58, 5186–5194. [Google Scholar]
- Ha, J.I. Voltage Injection Method for Three-Phase Current Reconstruction in PWM Inverters Using a Single Sensor. IEEE Trans. Power Electron. 2009, 24, 767–775. [Google Scholar]
- You, J.J.; Jung, J.H.; Park, C.H.; Kim, J.M. Phase current reconstruction of three-level Neutral-Point-Clamped(NPC) inverter with a neutral shunt resistor. In Proceedings of the 2017 IEEE Applied Power Electronics Conference and Exposition (APEC), Tampa, FL, USA, 26–30 March 2017. [Google Scholar]
- Li, X.; Dusmez, S.; Akin, B.; Rajashekara, K. A new SVPWM for the Phase Current Reconstruction of Three-Phase Three-level T-type Converters. IEEE Trans. Power Electron. 2015, 62, 2627–2637. [Google Scholar]
- Ha, J.-I. Current Prediction in Vector-Controlled PWM Inverters Using Single DC-Link Current Sensor. IEEE Trans. Ind. Electron. 2009, 57, 716–726. [Google Scholar]
- Lai, Y.S.; Lin, Y.K.; Chen, C.W. New Hybrid Pulsewidth Modulation Technique to Reduce Current Distortion and Extend Current Reconstruction Range for a Three-Phase Inverter Using Only DC-link Sensor. IEEE Trans. Power Electron. 2013, 28, 1331–1337. [Google Scholar] [CrossRef]
- Cho, Y.; LaBella, T.; Lai, J.-S. A Three-Phase Current Reconstruction Strategy With Online Current Offset Compensation Using a Single Current Sensor. IEEE Trans. Ind. Electron. 2012, 59, 2924–2933. [Google Scholar] [CrossRef]
- Lu, H.; Cheng, X.; Qu, W.; Sheng, S.; Li, Y.; Wang, Z. A Three-Phase Current Reconstruction Technique Using Single DC Current Sensor Based on TSPWM. IEEE Trans. Power Electron. 2014, 29, 1542–1550. [Google Scholar]
- Current Sensing. Available online: kappaiq.com/download/presentation-material/PDF/04%20Current%20Sensing.pdf (accessed on 26 May 2021).
- Yan, H.; Xu, Y.; Zhao, W.; Zhang, H.; Gerada, C. DC Drift Error Mitigation Method for Three-Phase Current Reconstruction with Single Hall Current Sensor. IEEE Trans. Magn. 2018, 55, 1–4. [Google Scholar] [CrossRef]





























| S1x | Sx1 | Sx2 | S2x | Ux0 | Notation |
|---|---|---|---|---|---|
| 1 | 1 | 0 | 0 | UDC/2 | P |
| 0 | 1 | 1 | 0 | 0 | 0 |
| 0 | 0 | 1 | 1 | −UDC/2 | N |
| mi,x | mi,y | mi,x + mi,y | Region |
|---|---|---|---|
| <0.5 | <0.5 | <0.5 | 1 |
| <0.5 | <0.5 | >0.5 | 2 |
| >0.5 | - | - | 3 |
| - | >0.5 | - | 4 |
| Voltage Vector | Duty Cycle | Expression |
|---|---|---|
| Region | t1 | t2 | t0 |
|---|---|---|---|
| 1 | |||
| 2 | |||
| 3 | |||
| 4 |
| Voltage Vector | Switching State | Current Measurement |
|---|---|---|
| P00 | Iu | |
| 0NN | −Iu | |
| PP0 | −Iw | |
| 00N | Iw | |
| 0P0 | Iv | |
| N0N | −Iv | |
| 0PP | −Iu | |
| N00 | Iu | |
| 00P | Iw | |
| NN0 | −Iw | |
| P0P | −Iv | |
| 0N0 | Iv | |
| P0N | −Iv | |
| 0PN | −Iu | |
| NP0 | −Iw | |
| N0P | −Iv | |
| 0NP | −Iu | |
| PN0 | −Iw | |
| PNN | - | |
| PPN | - | |
| NPN | - | |
| NPP | - | |
| NNP | - | |
| PNP | - |
| Parameter | Formula |
|---|---|
| t0 | |
| t2 | |
| t1 | |
| tz |
| Parameter | Formula |
|---|---|
| t0 | |
| t1 | |
| tinjec | |
| t2 | |
| tz |
| Parameter | Formula |
|---|---|
| t0 | |
| t2 | |
| t1 | |
| tinjec | |
| tz |
| Parameter | Formula |
|---|---|
| t0 | |
| tinjec | |
| t2 | |
| t1 |
| Parameter | Formula |
|---|---|
| t0 | |
| tinjec | |
| t1 | |
| t2 |
| Frequency [Hz] | Modulation Index mi | Measurement without SVM Modification If- rms,SVM,non-modified [A] | Measurement with SVM Modification If- rms,SVM,modified [A] | Scope Measurement If-rms [A] | Maximum Absolute Peak-Current Error If-peak,error [A] | Relative Error ε [%] |
|---|---|---|---|---|---|---|
| 25 | 0.4 | 0.662 | 0.655 | 0.689 | 0.52 | 4.93 |
| 0.6 | 1.012 | 1.020 | 1.070 | 2.09 | 4.67 | |
| 0.8 | 1.472 | 1.470 | 1.450 | 3.40 | 1.38 | |
| 50 | 0.4 | 0.658 | 0.652 | 0.684 | 0.52 | 4.68 |
| 0.6 | 1.007 | 1.006 | 1.060 | 2.17 | 5.09 | |
| 0.8 | 1.456 | 1.394 | 1.430 | 3.28 | 2.52 | |
| 75 | 0.4 | 0.647 | 0.647 | 0.675 | 0.52 | 4.15 |
| 0.6 | 0.960 | 0.983 | 1.040 | 2.30 | 5.48 | |
| 0.8 | 1.435 | 1.407 | 1.410 | 3.15 | 0.21 |
Publisher’s Note: MDPI stays neutral with regard to jurisdictional claims in published maps and institutional affiliations. |
© 2021 by the authors. Licensee MDPI, Basel, Switzerland. This article is an open access article distributed under the terms and conditions of the Creative Commons Attribution (CC BY) license (https://creativecommons.org/licenses/by/4.0/).
Share and Cite
Kovačević, H.; Korošec, L.; Milanovič, M. Single-Shunt Three-Phase Current Measurement for a Three-Level Inverter Using a Modified Space-Vector Modulation. Electronics 2021, 10, 1734. https://doi.org/10.3390/electronics10141734
Kovačević H, Korošec L, Milanovič M. Single-Shunt Three-Phase Current Measurement for a Three-Level Inverter Using a Modified Space-Vector Modulation. Electronics. 2021; 10(14):1734. https://doi.org/10.3390/electronics10141734
Chicago/Turabian StyleKovačević, Haris, Lucijan Korošec, and Miro Milanovič. 2021. "Single-Shunt Three-Phase Current Measurement for a Three-Level Inverter Using a Modified Space-Vector Modulation" Electronics 10, no. 14: 1734. https://doi.org/10.3390/electronics10141734
APA StyleKovačević, H., Korošec, L., & Milanovič, M. (2021). Single-Shunt Three-Phase Current Measurement for a Three-Level Inverter Using a Modified Space-Vector Modulation. Electronics, 10(14), 1734. https://doi.org/10.3390/electronics10141734

