A Case Study: Influence of Circuit Impedance on the Performance of Class-E2 Resonant Power Converter for Capacitive Wireless Power Transfer
Abstract
1. Introduction
1.1. Review of Capacitive Coupling Structures
1.2. Introduction of Power Topologies for CPT
1.3. Discussion on Parameter Variation and Maximum Power Transfer
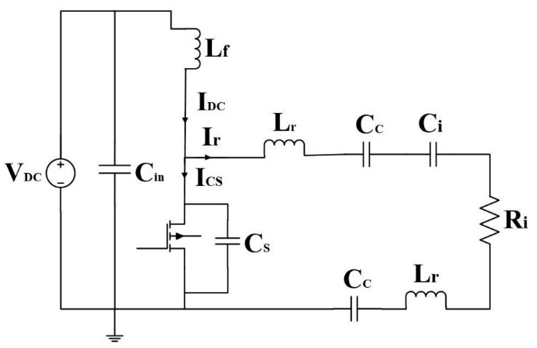
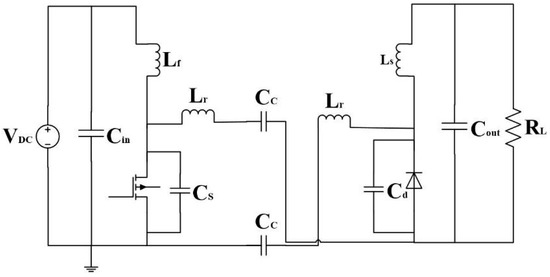
2. Theoretical Analysis of Class-E2 Capacitive Wireless Power Transfer System
2.1. Class-E inverter and It’s ZVS Limits
2.2. Coupling Section with Resonant Network
2.3. Class-E rectifier and its Equivalent Circuit
3. Analysis on Optimal Impedance Tracking of Class-E2 Converter
4. Discussion on the Impact of Duty and Frequency on ZVS Property
5. Conclusions
Author Contributions
Funding
Conflicts of Interest
References
- DeLong, B.J.; Kiourti, A.; Volakis, J.L. A radiating near-field patch rectenna for wireless power transfer to medical implants at 2.4 GHz. IEEE J. Electromagn. RF Microw. Med. Biol. 2018, 2, 64–69. [Google Scholar] [CrossRef]
- Zhou, Y.; Liu, C.; Huang, Y. Wireless power transfer for implanted medical application: A review. Energies 2020, 13, 2837. [Google Scholar] [CrossRef]
- Shaw, T.; Samanta, G.; Mitra, D. Efficient Wireless Power Transfer System for Implantable Medical Devices Using Circular Polarized Antennas. IEEE Trans. Antennas Propag. 2020, in press. [Google Scholar] [CrossRef]
- Sinha, S.; Kumar, A.; Regensburger, B.; Afridi, K.K. A new design approach to mitigating the effect of parasitics in capacitive wireless power transfer systems for electric vehicle charging. IEEE Trans. Transp. Electrif. 2019, 5, 1040–1059. [Google Scholar] [CrossRef]
- Zhang, H.; Lu, F.; Hofmann, H.; Liu, W.; Mi, C.C. Six-plate capacitive coupler to reduce electric field emission in large air-gap capacitive power transfer. IEEE Trans. Power Electron. 2018, 33, 665–675. [Google Scholar] [CrossRef]
- Subudhi, P.S.; Krithiga, S. Wireless power transfer topologies used for static and dynamic charging of EV battery: A review. Int. J. Emerg. Electr. Power Syst. 2020. [Google Scholar] [CrossRef]
- Sinha, S.; Kumar, A.; Regensburger, B.; Afridi, K.K. Active Variable Reactance Rectifier—A New Approach to Compensating for Coupling Variations in Wireless Power Transfer Systems. IEEE J. Emerg. Sel. Top. Power Electron. 2019, 8, 2022–2040. [Google Scholar] [CrossRef]
- Park, C.; Park, J.; Shin, Y.; Kim, J.; Huh, S.; Kim, D.; Ahn, S. Separated Circular Capacitive Coupler for Reducing Cross-Coupling Capacitance in Drone Wireless Power Transfer System. IEEE Trans. Microw. Theory Tech. 2020, 68, 3978–3985. [Google Scholar] [CrossRef]
- Raciti, A.; Rizzo, S.A.; Susinni, G. Drone charging stations over the buildings based on a wireless power transfer system. In Proceedings of the 2018 IEEE/IAS 54th Industrial and Commercial Power Systems Technical Conference (I&CPS), Niagara Falls, ON, Canada, 7–10 May 2018; pp. 1–6. [Google Scholar]
- Aldhaher, S.; Mitcheson, P.D.; Arteaga, J.M.; Kkelis, G.; Yates, D.C. Light-Weight Wireless Power Transfer for Mid-Air Charging of Drones. In Proceedings of the 2017 11th European Conference on Antennas and Propagation (EUCAP), Paris, France, 19–24 March 2017; IEEE: Piscataway, NJ, USA, 2017; pp. 336–340. [Google Scholar]
- Tampubolon, M.; Pamungkas, L.; Chiu, H.J.; Liu, Y.C.; Hsieh, Y.C. Dynamic wireless power transfer for logistic robots. Energies 2018, 11, 527. [Google Scholar] [CrossRef]
- Sakhdari, M.; Hajizadegan, M.; Chen, P.Y. Robust extended-range wireless power transfer using a higher-order PT-symmetric platform. Phys. Rev. Res. 2020, 2, 013152. [Google Scholar] [CrossRef]
- Le, A.M.; Truong, L.H.; Quyen, T.V.; Nguyen, C.V.; Nguyen, M.T. Wireless power transfer near-field technologies for unmanned aerial vehicles (uavs): A review. EAI Endorsed Trans. Ind. Netw. Intell. Syst. 2020, 7, 162831. [Google Scholar] [CrossRef]
- Sedwick, R.J. Long range inductive power transfer with superconducting oscillators. Ann. Phys. 2020, 325, 287–299. [Google Scholar] [CrossRef]
- Choi, B.H.; Lee, E.S.; Kim, J.H.; Rim, C.T. 7m-Off-Long-Distance Extremely Loosely Coupled Inductive Power Transfer Systems Using Dipole Coils. In Proceedings of the 2014 IEEE Energy Conversion Congress and Exposition (ECCE), Pittsburgh, PA, USA, 14–18 September 2014; IEEE: Piscataway, NJ, USA, 2014; pp. 858–863. [Google Scholar]
- Liu, C.; Hu, A.P. Wireless/Contactless Power Transfer: Capacitively Coupled Solutions; LAP Lambert Academic Publishing: Chisinau, Moldova, 2012. [Google Scholar]
- Lu, F.; Zhang, H.; Mi, C. A review on the recent development of capacitive wireless power transfer technology. Energies 2017, 10, 1752. [Google Scholar] [CrossRef]
- Lu, F.; Zhang, H.; Mi, C. A two-plate capacitive wireless power transfer system for electric vehicle charging applications. IEEE Trans. Power Electron. 2017, 33, 964–969. [Google Scholar] [CrossRef]
- Dai, J.; Ludois, D.C. Capacitive power transfer through a conformal bumper for electric vehicle charging. IEEE J. Emerg. Sel. Top. Power Electron. 2015, 4, 1015–1025. [Google Scholar] [CrossRef]
- Yi, K. Capacitive coupling wireless power transfer with quasi-llc resonant converter using electric vehicles’ windows. Electronics 2020, 9, 676. [Google Scholar] [CrossRef]
- Domingos, F.C.; de Freitas, S.V.D.C.; Mousavi, P. Capacitive Power Transfer based on Compensation Circuit for Class E Resonant Full-Wave Rectifier. In Proceedings of the 2018 IEEE Wireless Power Transfer Conference (WPTC), Montreal, QC, Canada, 3–7 June 2018; IEEE: Piscataway, NJ, USA, 2018; pp. 1–4. [Google Scholar]
- Mostafa, T.M.; Muharam, A.; Hattori, R. Wireless Battery Charging System for Drones VIA capacitive Power Transfer. In Proceedings of the 2017 IEEE PELS Workshop on Emerging Technologies: Wireless Power Transfer (WoW), Chongqing, China, 20–22 May 2017; IEEE: Piscataway, NJ, USA, 2017; pp. 1–6. [Google Scholar]
- Liang, H.R.; Lee, C.K.; Hui, S.R. Design, Analysis, and Experimental Verification of a Ball-Joint Structure With Constant Coupling for Capacitive Wireless Power Transfer. IEEE J. Emerg. Sel. Top. Power Electron. 2019, 8, 3582–3591. [Google Scholar] [CrossRef]
- da Silva, G.G.; Petry, C.A. Capacitive Wireless Power Transfer System Applied to Low-Power Mobile Device Charging. Int. J. Electr. Energy 2015, 3, 230–234. [Google Scholar] [CrossRef]
- Choi, J.; Tsukiyama, D.; Tsuruda, Y.; Davila, J.M.R. High-frequency, high-power resonant inverter with eGaN FET for wireless power transfer. IEEE Trans. Power Electron. 2017, 33, 1890–1896. [Google Scholar] [CrossRef]
- Regensburger, B.; Kumar, A.; Sinha, S.; Doubleday, K.; Pervaiz, S.; Popovic, Z.; Afridi, K. High-performance large air-gap capacitive wireless power transfer system for electric vehicle charging. In Proceedings of the 2017 IEEE Transportation Electrification Conference and Expo (ITEC), Chicago, IL, USA, 22–24 June 2017; pp. 638–643. [Google Scholar]
- Huang, L.; Hu, A.P.; Swain, A. A resonant compensation method for improving the performance of capacitively coupled power transfer system. In Proceedings of the 2014 IEEE Energy Conversion Congress and Exposition (ECCE), Pittsburgh, PA, USA, 14–18 September 2014; IEEE: Piscataway, NJ, USA, 2014; pp. 870–875. [Google Scholar]
- Wang, N.X.; Wang, H.W.; Mei, J.; Mohammadi, S.; Moon, J.; Lang, J.H.; Kirtley, J.L. Robust Wireless Power Transfer System Based on Rotating Fields for Multi-User Charging. IEEE Trans. Energy Convers. 2021, 36, 693–702. [Google Scholar] [CrossRef]
- Narayanamoorthi, R.; Vimala Juliet, A.; Chokkalingam, B.; Padmanaban, S.; Leonowicz, Z.M. Class E power amplifier design and optimization for the capacitive coupled wireless power transfer system in biomedical implants. Energies 2017, 10, 1409. [Google Scholar]
- Dai, J.; Hagen, S.; Ludois, D.C.; Brown, I.P. Synchronous generator brushless field excitation and voltage regulation via capacitive coupling through journal bearings. IEEE Trans. Ind. Appl. 2017, 53, 3317–3326. [Google Scholar] [CrossRef]
- Li, S.; Liu, Z.; Zhao, H.; Zhu, L.; Shuai, C.; Chen, Z. Wireless power transfer by electric field resonance and its application in dynamic charging. IEEE Trans. Ind. Electron. 2016, 63, 6602–6612. [Google Scholar] [CrossRef]
- Qing, X.D.; Wang, Z.H.; Su, Y.G.; Zhao, Y.M.; Wu, X.Y. Parameter Design Method with Constant Output Voltage Characteristic for Bilateral LC-Compensated CPT System. IEEE J. Emerg. Sel. Top. Power Electron. 2019, 8, 2707–2715. [Google Scholar] [CrossRef]
- Wu, Y.; Chen, Q.; Ren, X.; Zhang, Z. Efficiency Optimization Based Parameter Design Method for the Capacitive Power Transfer System. IEEE Trans. Power Electron. 2021, 36, 8774–8785. [Google Scholar] [CrossRef]
- Lu, F.; Zhang, H.; Hofmann, H.; Mi, C.C. A double-sided LC-compensation circuit for loosely coupled capacitive power transfer. IEEE Trans. Power Electron. 2017, 33, 1633–1643. [Google Scholar] [CrossRef]
- Mostafa, T.M.; Bui, D.; Muharam, A.; Hu, A.P.; Hattori, R. Load effect analysis and maximum power transfer tracking of CPT system. IEEE Trans. Circuits Syst. I Regul. Pap. 2020, 67, 2836–2848. [Google Scholar] [CrossRef]
- Dai, J.; Ludois, D.C. Single active switch power electronics for kilowatt scale capacitive power transfer. IEEE J. Emerg. Sel. Top. Power Electron. 2014, 3, 315–323. [Google Scholar]
- Bezawada, Y.; Fu, R.; Zhang, Y. Impacts of Coupling Plates on Single-Switch Capacitive-Coupled WPT Systems. In Proceedings of the 2019 IEEE PELS Workshop on Emerging Technologies: Wireless Power Transfer (WoW), London, UK, 18–21 June 2019; IEEE: Piscataway, NJ, USA, 2019; pp. 330–334. [Google Scholar]
- Kazimierczuk, M.K.; Czarkowski, D. Resonant Power Converters; John Wiley & Sons: Hoboken, NJ, USA, 2012. [Google Scholar]
- Bezawada, Y.; Fu, R.; Zhang, Y. Analyzing Resonant Points of SLLD Circuit to Achieve MPPT for Capacitive-Coupling Wireless Power Transfer. In Proceedings of the 2019 IEEE Energy Conversion Congress and Exposition (ECCE), Baltimore, MD, USA, 29 September–3 October 2019; IEEE: Piscataway, NJ, USA, 2019; pp. 3353–3357. [Google Scholar]
- Pamungkas, L.; Wu, S.H.; Chiu, H.J. Equivalent Circuit Approach for Output Characteristic Design of Capacitive Power Transfer. IEEE Trans. Circuits Syst. II Express Briefs 2021, in press. [Google Scholar]
- Xia, H.; Wu, H.; Cheng, Y.; Wang, G. A Design Procedure for CPT System with LCL Resonant Network. In Proceedings of the 2019 IEEE Wireless Power Transfer Conference (WPTC), London, UK, 18–21 June 2019; IEEE: Piscataway, NJ, USA, 2019; pp. 76–79. [Google Scholar]















| Parameters | Remark | Value |
|---|---|---|
| Cin | DC link/Input capacitor | 100 nF |
| Lf | Choke inductor | 18 µH |
| Cs | Shunt capacitor at switch | 44 nF |
| Cc | Coupling capacitor | 40 nF |
| Lr | Resonant inductor | 18 µH/50 µH/100 µH |
| Cd | Shunt capacitor at diode | 44 nF |
| Ls | Secondary inductor | 18 µH |
| Cout | Output Capacitor | 10 µF |
| RL | Load resistance | 2.2 Ω |
| Frequency (kHz) | Input Current | Output Voltage | ||||
|---|---|---|---|---|---|---|
| D = 0.3 | D = 0.5 | D = 0.7 | D = 0.3 | D = 0.5 | D = 0.7 | |
| 90 | 0.3 | 0.29 | 0.27 | 0.845 | 0.88 | 0.83 |
| 100 | 0.38 | 0.36 | 0.49 | 2.05 | 2.05 | 2.08 |
| 110 | 0.31 | 0.46 | 0.45 | 1.53 | 1.72 | 1.72 |
| 120 | 0.25 | 0.42 | 0.53 | 1.35 | 1.77 | 2.1 |
| 130 | 0.17 | 0.17 | 0.31 | 0.95 | 0.97 | 1.06 |
| 140 | 0.11 | 0.1 | 0.43 | 0.7 | 0.66 | 0.82 |
| 150 | 0.07 | 0.12 | 0.6 | 0.59 | 0.76 | 0.91 |
Publisher’s Note: MDPI stays neutral with regard to jurisdictional claims in published maps and institutional affiliations. |
© 2021 by the authors. Licensee MDPI, Basel, Switzerland. This article is an open access article distributed under the terms and conditions of the Creative Commons Attribution (CC BY) license (https://creativecommons.org/licenses/by/4.0/).
Share and Cite
Bezawada, Y.; Zhang, Y. A Case Study: Influence of Circuit Impedance on the Performance of Class-E2 Resonant Power Converter for Capacitive Wireless Power Transfer. Electronics 2021, 10, 1461. https://doi.org/10.3390/electronics10121461
Bezawada Y, Zhang Y. A Case Study: Influence of Circuit Impedance on the Performance of Class-E2 Resonant Power Converter for Capacitive Wireless Power Transfer. Electronics. 2021; 10(12):1461. https://doi.org/10.3390/electronics10121461
Chicago/Turabian StyleBezawada, Yashwanth, and Yucheng Zhang. 2021. "A Case Study: Influence of Circuit Impedance on the Performance of Class-E2 Resonant Power Converter for Capacitive Wireless Power Transfer" Electronics 10, no. 12: 1461. https://doi.org/10.3390/electronics10121461
APA StyleBezawada, Y., & Zhang, Y. (2021). A Case Study: Influence of Circuit Impedance on the Performance of Class-E2 Resonant Power Converter for Capacitive Wireless Power Transfer. Electronics, 10(12), 1461. https://doi.org/10.3390/electronics10121461
