Estimation of the Hot Swap Circulation Current of a Multiple Parallel Lithium Battery System with an Artificial Neural Network Model
Abstract
1. Introduction
2. Design of Lithium Battery Model
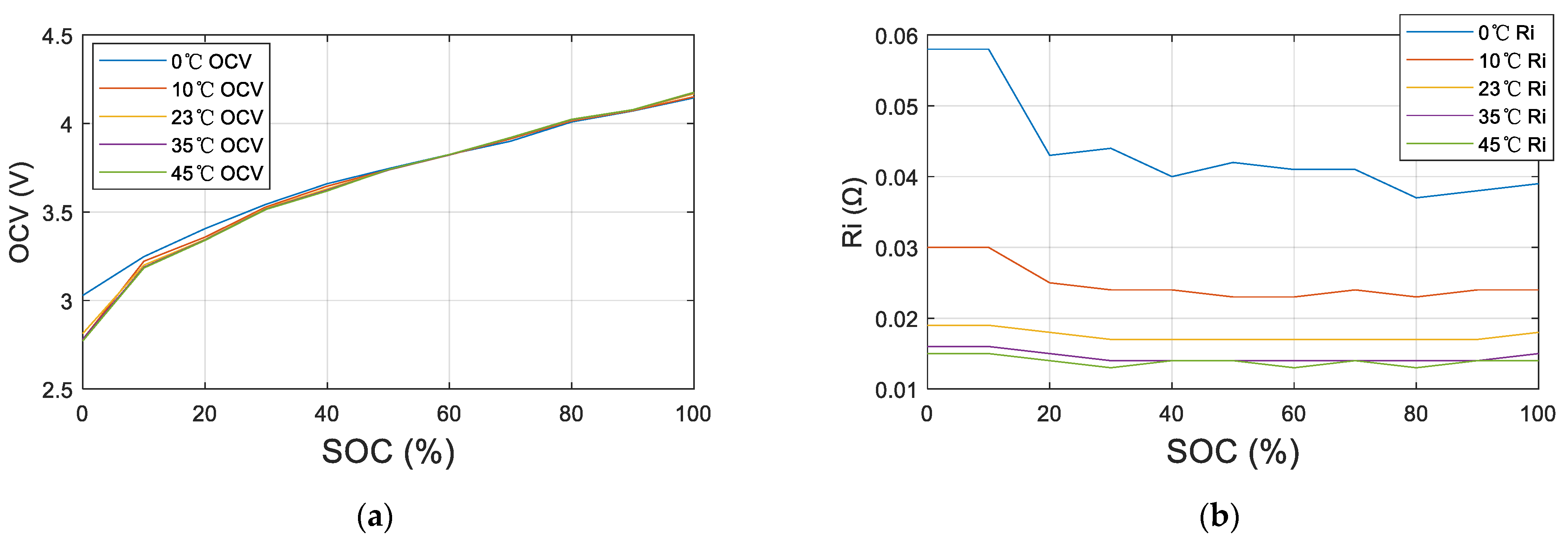
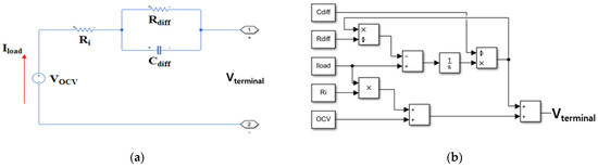
2.1. Design of Lithium Battery Equivalent Circuit
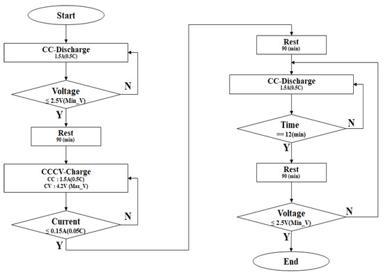
2.2. 1S4P Lithium Battery Pack Design for Experimental Verification
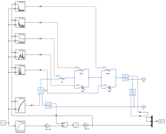
2.3. Designing Software Model for 1S4P Lithium Battery Pack
3. Hot-Swap Analysis
3.1. Derivation of Key Factors for Hot Swap (Case Study)
3.1.1. Impact of Parallel Configuration of Battery
3.1.2. Effect of Battery Temperature
3.1.3. Influence of Deviation in Battery Voltage
3.1.4. Influence of Load Current
3.2. Derivation of Hot Swap Operating Conditions
4. Artificial Neural Network (ANN) Models
4.1. Design of ANN Model (Fitnet)
4.1.1. Inputs and Target Data
4.1.2. Structure of ANN Model: Hidden Layers and Neurons
4.1.3. Training Function
4.2. Validation of ANN Model
4.2.1. Simulation-Based ANN Model Validation
4.2.2. Experiment-Based ANN Model Validation
5. Conclusions
Author Contributions
Funding
Conflicts of Interest
Abbreviations
| SOC | State of Charge |
| SOH | State of Health |
| ECM | Equivalent Circuit Model |
| BMS | Battery Management System |
| EV | Electric Vehicles |
| ESS | Energy Storage System |
| ANN | Artificial Neural Network |
| Fitnet | Fitting Network |
| MSE | Mean Square error |
| MAE | Mean Absolute error |
| LUT | Look up Table |
| OCV | Open Circuit Voltage |
References
- Gabar, H.A.; Othman, A.M.; Abdussami, M.R. Review of Battery Management Systems(BMS) Development and Industrial Standards. Technologies 2021, 9, 28. [Google Scholar] [CrossRef]
- Lelie, M.; Braun, T.; Knips, M.; Nordmann, H.; Ringbeck, F.; Zappen, H.; Sauer, D.U. Battery Management System Hardware Concepts: An Overview. Appl. Sci. 2018, 8, 534. [Google Scholar] [CrossRef]
- Luo, X.; Kang, L.; Lu, C.; Linghu, J.; Lin, H.; Hu, B. An Ehanced Multicell-to-Multicell Battery Equalizer Based on Bipolar-Reseonant LC Converter. Electronics 2021, 10, 293. [Google Scholar] [CrossRef]
- Aiello, O. Electromagnetic Susceptibility of Battery Management Systems’ ICs for Electric Vehicles: Experimental Study. Electronics 2020, 9, 510. [Google Scholar] [CrossRef]
- Doridant, A.; Abouda, K.; Givelin, P.; Thibaud, B. Battery Management System Demonstrator Board design using EMC System simulation. In Proceedings of the 2019 International Symposium on Electromagnetic Compatibility—EMC EUROPE, Barcelona, Spain, 2–6 September 2019; pp. 427–432. [Google Scholar]
- Wei, Z.; Zhao, J.; He, H.; Ding, G.; Cui, H.; Liu, L. Future smart battery and management: Advanced sensing from external to embedded multi-dimensional measurement. J. Power Sources 2021. [Google Scholar] [CrossRef]
- Baronti, F. Investigation of series-parallel connections of multi-module batteries for electrified vehicles. In Proceedings of the IEEE International Electric Vehicle (IEVC) (2014), Florence, Italy, 17–19 December 2014; pp. 1–7. [Google Scholar]
- Jiang, Y.; Habib, A.H.; Zhao, X.; Shrinkle, L.J.; Callafon, R. Centralized recursive optimal scheduling of parallel buck regulated battery modules. Proceedings of IEEE Conference on Decision and Control (CDC) (2017), Melbourne, VIC, Australia, 12–15 December 2017; pp. 2029–2034. [Google Scholar]
- Moo, C.-S.; Ng, K.S.; Hsieh, Y.-C. Parallel Operation of Battery Power Modules. IEEE Trans. Energy Convers. 2008, 23, 701–707. [Google Scholar]
- Hsu, C.T.; Sheng, S.; Sun, Q.; Li, P.; Lehman, B. Increased energy delivery for parallel battery packs with no regulated bus. In Proceedings of the Intelec 2012, Scottsdale, AZ, USA, 30 September–4 October 2012; pp. 1–8. [Google Scholar]
- Song, C.; Shao, Y.; Song, S.; Chang, C.; Zhou, F.; Peng, S.; Xiao, F. Energy management of parallel-connected cells in electric vehicles based on fuzzy logic control. Energies 2017, 10, 404. [Google Scholar] [CrossRef]
- Lee, S.; Kim, J. Inrush current estimation and hot-swapping for safe parallel battery pack. Int. J. Electron. 2020, 107, 1609–1624. [Google Scholar] [CrossRef]
- Lee, S.; Kim, J.; Ha, M.; Song, H. Inrush current estimation for hot swap of the parallel connected large capacity battery pack. Proceedings of IEEE Energy Conversion Congress and Exposition (ECCE) (2018), Portland, OR, USA, 23–27 September 2018; pp. 2489–2492. [Google Scholar]
- Chou, C.J.; Jiang, S.B.; Yeh, T.L.; Sun, C.C. Fault-Tolerant Battery Power Network Architecture of Networked Swappable Battery Pack in Parallel. Energy 2012, 14, 2841. [Google Scholar]
- Lin, H.-T.; Liang, T.-J.; Chen, S.-M. Estimation of Battery State of Health Using Probabilistic Neural Network. IEEE Trans. Ind. Inform. 2013, 9, 679–685. [Google Scholar] [CrossRef]
- Mahmoud, I.; Rioch, D.; Ahmed, E.; Ryan, A.; Saeid, H. Battery state of charge estimation using an Artificial Neural Network. In Proceedings of the 2017 IEEE Transportation Electrification Conference and Expo (ITEC) (2017), Chicago, IL, USA, 22–24 June 2017; pp. 342–349. [Google Scholar]
- Farmann, A.; Waag, W.; Marongiu, A.; Sauer, D.U. Critical review of on-board capacity estimation techniques for lithium-ion batteries in electric and hybrid electric vehicles. J. Power Sources 2015, 281, 114–130. [Google Scholar] [CrossRef]
- Zhu, Q.; Xu, M.; Liu, W.; Zheng, M. A state of charge estimation method for lithium-ion batteries based on fractional order adaptive extended kalman filter. Energy 2019, 187, 115880. [Google Scholar] [CrossRef]
- Ismail, M. Estimation Strategies for Training of Deep Learning Neural Networks. Ph.D. Thesis, McMaster University, Hamilton, ON, USA, 2018. [Google Scholar]
- Math Works Deep Learning Tool Box. Neural Network Patternnet. Available online: https://mathworks.com/products/deep-learning.html#net (accessed on 16 June 2021).
- Romero, A.; Ballas, N.; Kahou, S.E.; Chassang, A.; Gatta, C.; Bengio, Y. Fitnets: Hints for thin deep nets. arXiv 2014, arXiv:1412.6550. [Google Scholar]
- Hemavathi, S. Overview of Cell Balancing Method for Li-ion Battery Technology. Energy Storage 2020, 203, 1–12. [Google Scholar]
- Hu, J.; He, H.; Wei, Z.; Li, Y. Disturbance-Immune and Aging-Robust Internal Short Circuit Diagnostic for Lithium-Ion Battery, IEEE Trans. Ind. Electron. 2021. [Google Scholar] [CrossRef]
- Wei, Z.; He, H.; Pou, J.; Tsui, K.L.; Quan, Z.; Li, Y. Signal-Disturbance Interfacing Elimination for Unbiased Model Parameter Identification of Lithium-Ion Battery. IEEE Trans. Ind. Inform. 2020. [Google Scholar] [CrossRef]
- Wei, Z.G.; Hu, J.; He, H.; Li, Y.; Xiong, B. Load Current and State of Charge Co-Estimation for Current Sensor-Free Lithium-ion Battery. IEEE Trans. Power Electron. 2021. [Google Scholar] [CrossRef]
- Westerhoff, U.; Kurbach, K.; Lienesch, F.; Kurrat, M. Analysis of Lithium-Ion Battery Models Based on Electrochemical Impedance Spectroscopy. Energy Technol. 2016, 4, 1620–1630. [Google Scholar] [CrossRef]
- Robyn, J.; Michael, S.; Pravesh, S.; Javier, G.; Tarun, H.; Massimo, C. SAE Technical Paper Series—Battery Model Parameter Estimation Using a Layered Technique: An Example Using a Lithium Iron Phosphate Cell. In Proceedings of the SAE International SAE 2013 World Congress & Exhibition, Detroit, MI, USA, 16–18 April 2013; pp. 1–14. [Google Scholar]
- Zhang, L.; Peng, H.; Ning, Z.; Mu, Z.; Sun, C. Comparative Research on RC Equivalent Circuit Models for Lithium-Ion Batteries of Electric Vehicles. Appl. Sci. 2017, 7, 1002. [Google Scholar] [CrossRef]
- Renault Nissan Technology & Business Centre India Private Limited, “Battery Parameter Estimation”. Available online: https://www.mathworks.com/content/dam/mathworks/mathworks-dot-com/images/events/matlabexpo/in/2018/lithium-ion-battery-parameter-estimation-for-hil-sil-and-mil-validation.pdf/ (accessed on 19 April 2018).
- Hagan, M.T.; Menhaj, M.B. Training feedforward networks with the Marquardt algorithm. IEEE Trans. Neural Netw. 1994, 5, 989–993. [Google Scholar] [CrossRef] [PubMed]

















| Item | Model Name |
|---|---|
| Battery Cell (18650 Type) | INR-18650 30Q (3040 mAh) |
| Relay (<10 A) | 5 V Relay Module (SZH-RLBG-012) |
| Current Sensor (<5 A) | ACS 712 |
| Cable | 1.5 mm2 (cooper) |
| Nickel Plate | 5 mm/0.15 T |
| Controller | NI myRio-1900, Lab view |
| Structure | 3D Printing (PLA) |
| Cell.N | Voltage | Measured (Max. A/Cell) | Simulated (Max. A/Cell) | |
|---|---|---|---|---|
| 1 | 1 | 3.932 V | 1.02 A | 1.055 A (3.4%) |
| 2 | 3.822 V | |||
| 2 | 2 | 3.827 V | 0.6 A | 0.585 A (2.5%) |
| 3 | 3.766 V | |||
| 3 | 3 | 3.766 V | 3.41 A | 3.54 A (3.8%) |
| 4 | 3.402 V |
| Battery Configuration | 4.1 V (+0.4 V) | 3.3 V (−0.4 V) | |||
|---|---|---|---|---|---|
| X_Cell Current (A) | Y_Cell Current (A) | X_Cell Current (A) | Y_Cell Current (A) | ||
| 1 vs. 1 | −3.836 A | 3.836 A | 3.732 A | −3.732 A | X vs. Y X: Existing_cell Y: Hot Swap_cell Load: 0 A Temp: 23 °C |
| 2 vs. 2 | −2.555 A | 5.11 A | 2.52 A | −5.041 A | |
| 3 vs. 3 | −1.915 A | 5.746 A | 1.886 A | 5.657 A | |
| Mode | Load (A/Cell) | 0 °C | 10 °C | 23 °C | 35 °C | 45 °C |
|---|---|---|---|---|---|---|
| Discharge | 3 A | −0.04–0.23 V | −0.01–0.14 V | 0.01–0.11 V | 0.00–0.10 V | 0.00–0.10 V |
| 2 A | −0.12–0.25 V | −0.08–0.17 V | −0.06–0.14 V | −0.06–0.13 V | −0.06–0.13 V | |
| 1 A | −0.23–0.28 V | −0.18–0.20 V | −0.14–0.17 V | −0.14–0.16 V | −0.13–0.16 V | |
| 0 | −0.31–0.30 V | −0.23–0.23 V | −0.20–0.20 V | −0.19–0.19 V | −0.19–0.19 V | |
| Charge | 1 A | −0.28–0.23 V | −0.20–0.15 V | −0.17–0.13 V | −0.16–0.12 V | −0.16–0.12 V |
| 2 A | −0.24–0.05 V | −0.17–0.06 V | −0.14–0.06 V | −0.13–0.06 V | −0.13–0.05 V | |
| 3 A | −0.21 to −0.07 V | −0.14 to −0.03 V | −0.11 to −0.01 V | −0.10 to −0.01 V | −0.10 to −0.01 V |
| Input Parameters | Unit of Measure | Target Parameters | Unit of Measure |
|---|---|---|---|
| Parallel State (Ex, 2 = 2 vs. 1) | N (1,2,3) | Existing_BAT | A/cell |
| Temperature | °C | Hot_Swap_BAT | A/cell |
| Load Current | A/cell | Existing_BAT | A/cell |
| Deviation Voltage | V | Hot_Swap_BAT | A/cell |
| Hidden Layer | Neurons | MSE 2 | MAE 3 |
|---|---|---|---|
| 1 | 5 | 0.02520 | 0.1246 |
| 1 | 10 | 0.00070 | 0.0177 |
| 1 | 15 | 0.00040 | 0.0138 |
| 2 | 5 5 | 0.00170 | 0.0274 |
| 2 | 5 10 | 0.00010 | 0.0096 |
| 2 | 10 5 | 0.00008 | 0.0071 |
| 2 | 10 10 | 0.00005 | 0.0055 |
| 2 | 15 15 | 0.00002 | 0.0027 |
| 3 | 5 5 5 | 0.00097 | 0.0196 |
| 3 | 5 5 10 | 0.00067 | 0.0167 |
| 3 | 5 10 10 | 0.00006 | 0.0058 |
| 3 | 5 10 5 | 0.00110 | 0.0238 |
| 3 | 10 10 5 | 0.00200 | 0.0329 |
| 3 | 10 10 10 | 0.00002 | 0.0035 |
| Training Function | Algorithm | MSE | MAE |
|---|---|---|---|
| trainlm | Levenberg–Marquardt | 0.00006 | 0.0055 |
| trainbr | Bayesian Regularization | 0.00003 | 0.0038 |
| trainbfg | BFGS Quasi-Newton | 0.0023 | 0.0358 |
| trainrp | Resilient Backpropagation | 0.0139 | 0.0898 |
| trainscg | Scaled Conjugate Gradient | 0.0088 | 0.0702 |
| traincgb | Conjugate Gradient with Powell/Beale Restarts | 0.0094 | 0.0738 |
| traincgf | Fletcher–Powell Conjugate Gradient | 0.0314 | 0.1376 |
| traincgp | Polak–Ribiére Conjugate Gradient | 0.0272 | 0.1262 |
| trainoss | One-Step Secant | 0.0322 | 0.1416 |
| traingdx | Variable Learning Rate Gradient Descent | 0.2575 | 0.4019 |
| traingdm | Gradient Descent with Momentum | 35.2494 | 4.9497 |
| traingd | Gradient Descent | 0.2088 | 0.3584 |
| Cell_1 | Cell_4 (New) | ||||||
|---|---|---|---|---|---|---|---|
| Load | Reverse Load | Load | Reverse Load | ||||
| Simul | ANN | Simul | ANN | Simul | ANN | Simul | ANN |
| 1.435 A | 1.425 A | −1.47 A | −1.47 A | 0.065 A | 0.063 A | 2.801 A | 2.815 A |
| 10 s | 20 s | ||||||
|---|---|---|---|---|---|---|---|
| Cell_1 | Cell_2 (New) | Cell_1 | Cell_3 (New) | ||||
| Measured | ANN | Measured | ANN | Measured | ANN | Measured | ANN |
| 0.94 A | 0.99 A | −0.95 A | −0.96 A | 1.49 A | 1.495 A | −1.32 A | −1.38 A |
Publisher’s Note: MDPI stays neutral with regard to jurisdictional claims in published maps and institutional affiliations. |
© 2021 by the authors. Licensee MDPI, Basel, Switzerland. This article is an open access article distributed under the terms and conditions of the Creative Commons Attribution (CC BY) license (https://creativecommons.org/licenses/by/4.0/).
Share and Cite
Lim, N.-G.; Kim, J.-Y.; Lee, S. Estimation of the Hot Swap Circulation Current of a Multiple Parallel Lithium Battery System with an Artificial Neural Network Model. Electronics 2021, 10, 1448. https://doi.org/10.3390/electronics10121448
Lim N-G, Kim J-Y, Lee S. Estimation of the Hot Swap Circulation Current of a Multiple Parallel Lithium Battery System with an Artificial Neural Network Model. Electronics. 2021; 10(12):1448. https://doi.org/10.3390/electronics10121448
Chicago/Turabian StyleLim, Nam-Gyu, Jae-Yeol Kim, and Seongjun Lee. 2021. "Estimation of the Hot Swap Circulation Current of a Multiple Parallel Lithium Battery System with an Artificial Neural Network Model" Electronics 10, no. 12: 1448. https://doi.org/10.3390/electronics10121448
APA StyleLim, N.-G., Kim, J.-Y., & Lee, S. (2021). Estimation of the Hot Swap Circulation Current of a Multiple Parallel Lithium Battery System with an Artificial Neural Network Model. Electronics, 10(12), 1448. https://doi.org/10.3390/electronics10121448
