Improving Transient Behavior of a Brushless Doubly Fed Induction Generator through Reactive Current Control of Grid-Side Converter
Abstract
1. Introduction
- (i)
- Analyzing the effect of the reference value for reactive current on the PCC voltage drop.
- (ii)
- A GSC reactive current control scheme to reduce the voltage drop at PCC.
- (iii)
- Design of a notch filter to remove harmonics introduced as a result of reactive current compensation.
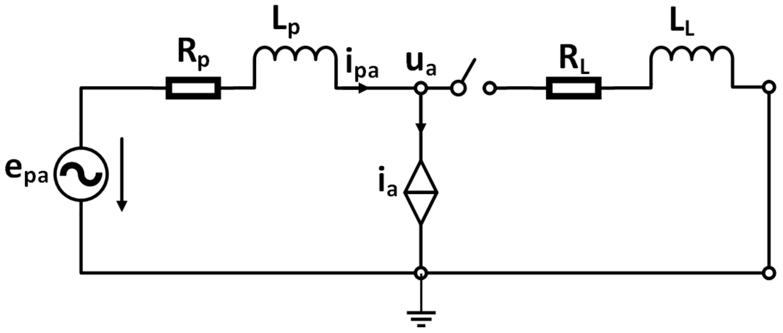
2. System Model
3. Proposed Technique
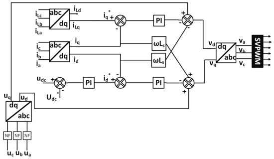
3.1. GSC Controller Design
3.2. Notch Filter Design
4. Results and Discussion
- (i)
- Base: This is the case where the brushless doubly-fed induction generator is simulated without any protection, i.e., without the proposed technique.
- (ii)
- Proposed: This the case where the proposed technique is used for GSC control.
- (iii)
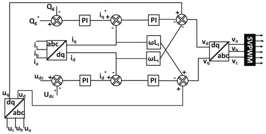
- Wang et al.: The GSC is controlled using one of the most recent and relevant techniques proposed in Wang et al. [16].
5. Conclusions
Author Contributions
Funding
Acknowledgments
Conflicts of Interest
References
- Mohammed, O.O.; Mustafa, M.W.; Aman, M.N.; Salisu, S.; Otuoze, A.O. Capacity benefit margin assessment in the presence of renewable energy. Int. Trans. Electr. Energy Syst. 2020, 30, etep12502. [Google Scholar] [CrossRef]
- Larik, R.M.; Mustafa, M.W.; Aman, M.N.; Jumani, T.A.; Sajid, S.; Panjwani, M.K. An Improved Algorithm for Optimal Load Shedding in Power Systems. Energies 2018, 11, 1808. [Google Scholar] [CrossRef]
- Larik, R.M.; Mustafa, M.W.; Aman, M.N. A critical review of the state-of-art schemes for under voltage load shedding. Int. Trans. Electr. Energy Syst. 2019, 29, e2828. [Google Scholar] [CrossRef]
- Moazen, M.; Kazemzadeh, R.; Azizian, M.R. Model-based predictive direct power control of brushless doubly fed reluctance generator for wind power applications. Alex. Eng. J. 2016, 55, 2497–2507. [Google Scholar] [CrossRef]
- Das, J.C. Effects of Harmonics. In Power System Harmonics and Passive Filter Designs; John Wiley & Sons: Hoboken, NJ, USA, 2015; pp. 331–378. [Google Scholar]
- Sadeghi, R.; Madani, S.M.; Ataei, M. A New Smooth Synchronization of Brushless Doubly-Fed Induction Generator by Applying a Proposed Machine Model. IEEE Trans. Sustain. Energy 2018, 9, 371–380. [Google Scholar] [CrossRef]
- John Justo, J.; Ro, K.S. Control strategies of doubly fed induction generator-based wind turbine system with new rotor current protection topology. J. Renew. Sustain. Energy 2012, 4, 043123. [Google Scholar] [CrossRef]
- He, W.; Yuan, X.; Hu, J. Inertia Provision and Estimation of PLL-Based DFIG Wind Turbines. IEEE Trans. Power Syst. 2017, 32, 510–521. [Google Scholar] [CrossRef]
- Wu, Y.K.; Yang, W.H. Different Control Strategies on the Rotor Side Converter in DFIG-based Wind Turbines. In Proceedings of the 3rd International Conference on Power and Energy Systems Engineering, CPESE 2016, Kitakyushu, Japan, 8–10 September 2016; pp. 551–555. [Google Scholar]
- Gholizadeh, M.; Tohidi, S.; Oraee, A.; Oraee, H. Appropriate crowbar protection for improvement of brushless DFIG LVRT during asymmetrical voltage dips. Int. J. Electr. Power Energy Syst. 2018, 95, 1–10. [Google Scholar] [CrossRef]
- Tohidi, S.; Abdi, E.; Shao, S.; Zolghadri, M.; McMahon, R.; Tavner, P.; Oraee, H. Low voltage ride-through of DFIG and brushless DFIG: Similarities and differences. Electr. Power Syst. Res. 2014, 110, 64–72. [Google Scholar] [CrossRef]
- Tohidi, S.; Oraee, H.; Zolghadri, M.R.; Shao, S.; Tavner, P. Analysis and enhancement of low-voltage ride-through capability of brushless doubly fed induction generator. IEEE Trans. Ind. Electron. 2013, 60, 1146–1155. [Google Scholar] [CrossRef]
- Tohidi, S.; Oraee, H.; Zolghadri, M.R.; Rahimi, M. A control scheme to enhance low voltage ride-through of brushless doubly-fed induction generators. Wind Energy 2016, 19, 1699–1712. [Google Scholar] [CrossRef]
- Long, T.; Shao, S.; Abdi, E.; McMahon, R.A.; Liu, S. Asymmetrical low-voltage ride through of brushless doubly fed induction generators for the wind power generation. IEEE Trans. Energy Convers. 2013, 28, 502–511. [Google Scholar] [CrossRef]
- Long, T.; Shao, S.; Malliband, P.; Abdi, E.; McMahon, R.A. Crowbarless fault ride-through of the brushless doubly fed induction generator in a wind turbine under symmetrical voltage dips. IEEE Trans. Ind. Electron. 2013, 60, 2833–2841. [Google Scholar] [CrossRef]
- Wang, X.; Lin, H.; Wang, Z. Transient Control of the Reactive Current for the Line-Side Converter of the Brushless Doubly-Fed Induction Generator in Stand-Alone Operation. IEEE Trans. Power Electron. 2017, 32, 8193–8203. [Google Scholar] [CrossRef]
- Sands, T. Optimization Provenance of Whiplash Compensation for Flexible Space Robotics. Aerospace 2019, 6, 93. [Google Scholar] [CrossRef]
- Perelmuter, V. Simulation with Sumulink and SimPowerSystems. In Renewable Energy Systems; CRC Press: Boca Raton, FL, USA, 2017. [Google Scholar]
- Protsenko, K.; Xu, D. Modeling and Control of Brushless Doubly-Fed Induction Generators in Wind Energy Applications. IEEE Trans. Power Electron. 2008, 23, 1191–1197. [Google Scholar] [CrossRef]
- Chittora, P.; Singh, A.; Singh, M. Harmonic current extraction and compensation in three phase three wire system using notch filter. In Proceedings of the 2015 IEEE Recent Advances in Intelligent Computational Systems (RAICS), Trivandrum, India, 10–12 December 2015; pp. 422–427. [Google Scholar]
- Silva, J.F.; Pinto, S.F. 35-Linear and Nonlinear Control of Switching Power Converters. In Power Electronics Handbook, 4th ed.; Rashid, M.H., Ed.; Butterworth-Heinemann: Oxford, UK, 2018; pp. 1141–1220. [Google Scholar]
- Franklin, G.F.; Powell, J.D.; Emami-Naeini, A.F. Feedback Control of Dynamic Systems, 7th ed.; Pearson: New York, NY, USA, 2015. [Google Scholar]
- Lurie, B.J.; Enright, P.J. Classical Feedback Control with Nonlinear Multi-Loop Systems, 3rd ed.; Routledge & CRC Press: Boca Raton, FL, USA, 2019. [Google Scholar]
- Tan, L.; Jiang, J. Chapter 8—Infinite Impulse Response Filter Design. In Digital Signal Processing, 2nd ed.; Tan, L., Jiang, J., Eds.; Academic Press: Boston, MA, USA, 2013; pp. 301–403. [Google Scholar]














| Feature | [10] | [11] | [12] | [13] | [14] | [15] | [16] | Proposed |
|---|---|---|---|---|---|---|---|---|
| Grid Side Converter Control | ✓ | ✓ | ✓ | |||||
| DC-link Control | ✓ | ✓ | ✓ | ✓ | ||||
| Crowbarless Design | ✓ | ✓ | ✓ | ✓ | ✓ | |||
| Point of common coupling Voltage Stabilization | ✓ | ✓ | ||||||
| Harmonic Mitigation | ✓ | ✓ | ||||||
| – Grid Side Converter Control: Does the technique use GSC Control? | ||||||||
| – DC-link Control: Can the technique perform DC-link voltage control? | ||||||||
| – Crowbarless Design: The technique does not require a crowbar? | ||||||||
| – Point of common coupling Voltage Stabilization: Does the technique provide voltage stabilization at the PCC? | ||||||||
| – Harmonic Mitigation: Can the technique address oscillations introduced due to reactive current control? | ||||||||
| Notation | Description |
|---|---|
| PCC | Point of common coupling |
| RSC | Rotor side converter |
| GSC | Grid side converter |
| , , | speeds of stator power winding, stator control winding, and Rotor, respectively. |
| Natural frequency | |
| , , | Three phase stator power winding voltage |
| , , | Three phase stator control winding voltage |
| , , | Three phase stator power winding voltage at PCC |
| DC-link voltage | |
| , , | Three phase rotor side converter voltage |
| , , | Three phase grid side converter voltage |
| , , | Three phase stator power winding current |
| , , | Three phase stator control winding current |
| , , | Three phase load current |
| , , | Three phase grid current |
| DC-link capacitor | |
| capacitor bank | |
| , | Filter, load inductance |
| , | Internal, load resistance |
| , , | Stator power winding, stator control winding, and rotor resistance |
| , , | Stator power winding, stator control winding, and rotor leakage inductance |
| , | Magnetizing inductance of rotor to stator power winding, and rotor to stator control winding |
| p.u. | per unit |
| Parameter | Symbol | Units | Value |
|---|---|---|---|
| Center frequency | Hz | 100 | |
| Sampling rate | Hz | 1000 | |
| 3-dB bandwidth | BW | Hz | 2 |
| Parameter | Value |
|---|---|
| Matlab/Simulink Version | R2020b |
| Simulation type | Discrete |
| Solver | Variable step ode23tb(stiff/TR-BDF2) |
| Sample time | |
| Rated Power | 40 kVA |
| Power factor | 0.8 |
| Rated Stator power winding Voltage | 120 V |
| Rated stator power winding current | 150 A |
| Rated operating frequency | 50 Hz |
| Switching frequency | 4 kHz |
| , | 2, 6 |
| 475 rpm | |
| , | 0.01 F, 700 V |
| , , , | 0.214 p.u., 0.0715. p.u., 0.0122 p.u., 0.0133 p.u. |
| , , | 0.017 p.u., 0.0108 p.u., 0.047 p.u. |
| , | 19.223 p.u., 5.035 p.u. |
Publisher’s Note: MDPI stays neutral with regard to jurisdictional claims in published maps and institutional affiliations. |
© 2021 by the authors. Licensee MDPI, Basel, Switzerland. This article is an open access article distributed under the terms and conditions of the Creative Commons Attribution (CC BY) license (https://creativecommons.org/licenses/by/4.0/).
Share and Cite
Memon, A.; Mustafa, M.W.; Aman, M.N.; Hafeez, A.; Ullah, M. Improving Transient Behavior of a Brushless Doubly Fed Induction Generator through Reactive Current Control of Grid-Side Converter. Electronics 2021, 10, 1413. https://doi.org/10.3390/electronics10121413
Memon A, Mustafa MW, Aman MN, Hafeez A, Ullah M. Improving Transient Behavior of a Brushless Doubly Fed Induction Generator through Reactive Current Control of Grid-Side Converter. Electronics. 2021; 10(12):1413. https://doi.org/10.3390/electronics10121413
Chicago/Turabian StyleMemon, Ahsanullah, Mohd Wazir Mustafa, Muhammad Naveed Aman, Abdul Hafeez, and Mukhtar Ullah. 2021. "Improving Transient Behavior of a Brushless Doubly Fed Induction Generator through Reactive Current Control of Grid-Side Converter" Electronics 10, no. 12: 1413. https://doi.org/10.3390/electronics10121413
APA StyleMemon, A., Mustafa, M. W., Aman, M. N., Hafeez, A., & Ullah, M. (2021). Improving Transient Behavior of a Brushless Doubly Fed Induction Generator through Reactive Current Control of Grid-Side Converter. Electronics, 10(12), 1413. https://doi.org/10.3390/electronics10121413

