Digital Control of a Stepping Motor for Eliminating Rotation Speed Fluctuations Using Adaptive Gains
Abstract
1. Introduction
- Proposes an MRACS, which adds an adaptive gain to a digital control system designed by the direct Plan Input Mapping (PIM) method, for the stepping motor.
- Gives proof for the stability of the proposed controller by using Lyapunov’s direct method.
- Gives proof based on the Principle of Equivalent Areas (PEA) theory [24] that an integral proportional adaptive system can remove stationary deviations. The proposed adaptive control structure allows correction of the convergence speed and back EMF with proportional gain, while the removal of steady-state deviations is guaranteed by the integral gain.
- Conducts an actual experiment using an integral proportional adaptive law in a constant current control arithmetic unit of a stepping motor driver. The experiments confirmed that the unevenness of the rotational speed at constant speed can be removed by adjusting the parameters of the integral proportional adaptive law appropriately.
2. Discrete-Time and PIM Digital Redesign Method
2.1. Discrete-Time Operator
2.2. Step-Invariant Model
2.3. PIM Method
2.4. Direct PIM Method
3. Control Target
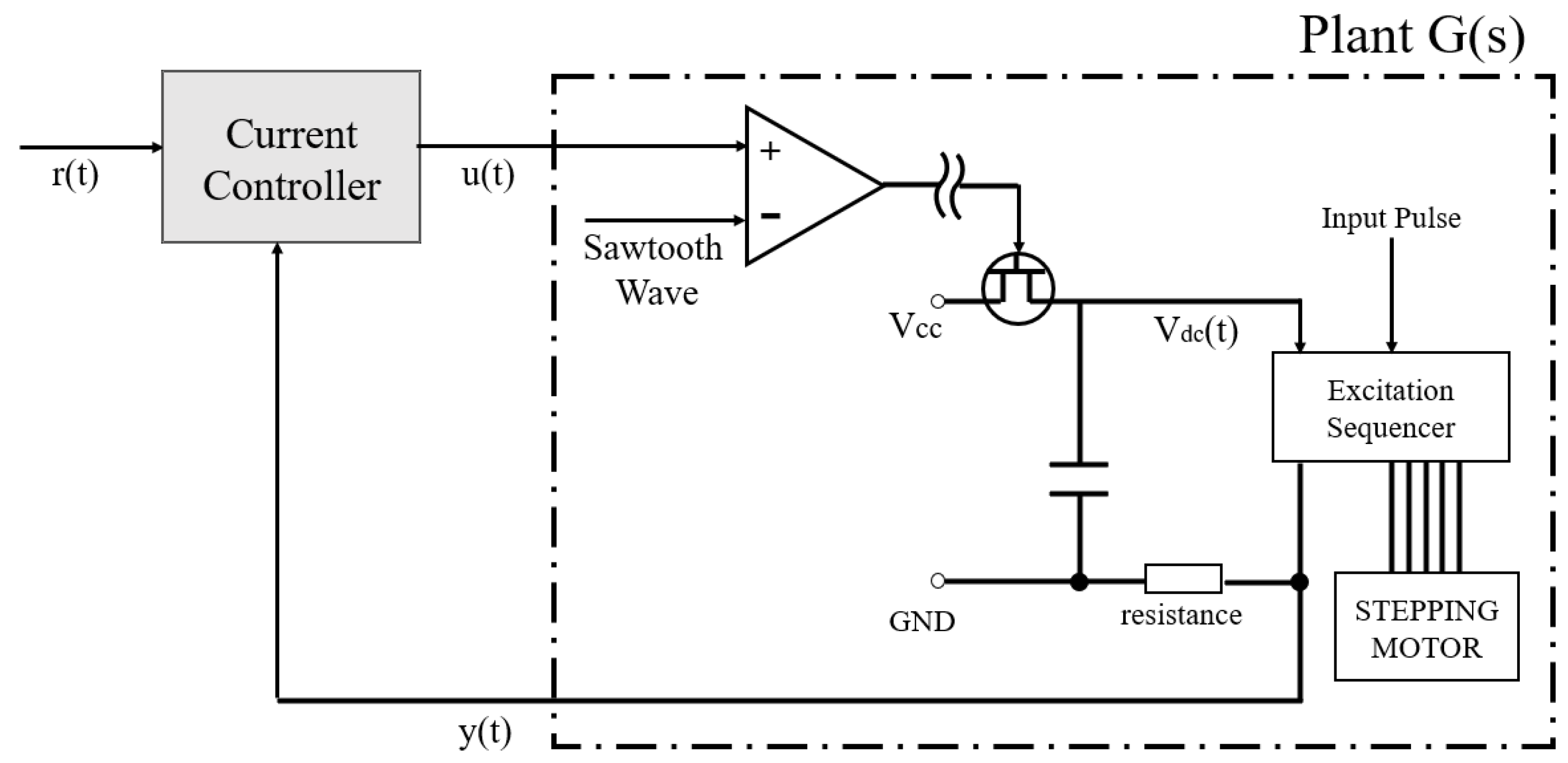
3.1. Stepping Motor Driver
3.2. Current Controller
3.3. Plant and Current Controller
3.4. Digital Control System Design by Direct PIM Method
4. Removal of Steady Deviations by Adaptive Gain Based on PI Regulator
4.1. Proposed Control Structure
4.2. Adaptive Gain Update Rule
5. Experimental Results
6. Conclusions
Author Contributions
Funding
Data Availability Statement
Conflicts of Interest
References
- Acarnley, P. Stepping Motors: A Guide to Theory and Practice, 4th ed.; Control, Robotics and Sensors; Institution of Engineering and Technology: London, UK, 2002; p. 172. [Google Scholar] [CrossRef]
- Nishiyama, Y.; Nakamura, M.; Henmi, C.; Yamaguchi, K.; Mochizuki, S.; Nakagawa, H.; Takiura, K. Development of a Three-Dimensional Bioprinter: Construction of Cell Supporting Structures Using Hydrogel and State-of-the-Art Inkjet Technology. J. Biomech. Eng. 2009, 131. [Google Scholar] [CrossRef]
- Utada, A.S.; Lorenceau, E.; Link, D.R.; Kaplan, P.D.; Stone, H.A.; Weitz, D.A. Monodisperse Double Emulsions Generated from a Microcapillary Device. Science 2005, 308, 537–541. [Google Scholar] [CrossRef]
- Gu, Z.; Fu, J.; Lin, H.; He, Y. Development of 3D Bioprinting: From Printing Methods to Biomedical Applications. Asian J. Pharm. Sci. 2020, 15, 529–557. [Google Scholar] [CrossRef]
- Xu, W.; Kaizheng, H.; Bin, X. Design for Step Motor Control System of Automatic Biochemistry Analyzer. In Proceedings of the 2007 8th International Conference on Electronic Measurement and Instruments, Xi’an, China, 16–18 August 2007; pp. 1-607–1-612. [Google Scholar] [CrossRef]
- Whitesides, G.M. The Origins and the Future of Microfluidics. Nature 2006, 442, 368–373. [Google Scholar] [CrossRef]
- Stone, H.; Stroock, A.; Ajdari, A. Engineering Flows in Small Devices: Microfluidics toward a Lab-on-a-Chip. Annu. Rev. Fluid Mech. 2004, 36, 381–411. [Google Scholar] [CrossRef]
- Li, Z.; Mak, S.Y.; Sauret, A.; Shum, H.C. Syringe-Pump-Induced Fluctuation in All-Aqueous Microfluidic System Implications for Flow Rate Accuracy. Lab Chip 2014, 14, 744–749. [Google Scholar] [CrossRef] [PubMed]
- Zeng, W.; Jacobi, I.; Beck, D.J.; Li, S.; Stone, H.A. Characterization of Syringe-Pump-Driven Induced Pressure Fluctuations in Elastic Microchannels. Lab Chip 2015, 15, 1110–1115. [Google Scholar] [CrossRef] [PubMed]
- Taniguchi, T.; Ohtsuka, K.; Takasugi, K. Rotor Oscillation Damping of a Stepping Motor by the Method of a Simple Switching Sequence. IEEJ Trans. Ind. Appl. 1991, 111, 497–498. (In Japanese) [Google Scholar] [CrossRef][Green Version]
- Miura, T.; Taniguchi, T. Tuning of Exciting Period for a Stepping Motor by Regulator. IEEJ Trans. Ind. Appl. 1996, 116, 800–801. (In Japanese) [Google Scholar] [CrossRef][Green Version]
- Senjyu, T.; Nakahama, S.; Uezato, K. Damping Method of Rotor Oscillation for Variable Reluctance Type Stepping Motor Using Fuzzy Reasoning. IEEJ Trans. Ind. Appl. 1994, 114, 346–347. (In Japanese) [Google Scholar] [CrossRef][Green Version]
- Senjyu, T.; Nakahama, S.; Uezato, K. Rotor Oscillation Damping for Stepping Motors by Inverse Phase Excitation with Fuzzy Reasoning. IEEJ Trans. Ind. Appl. 1996, 116, 1238–1245. (In Japanese) [Google Scholar] [CrossRef][Green Version]
- John, P. Reducing Position Errors by Vibration Optimization of Stepper Motor Drive Waveforms. IEEE Trans. Ind. Electron. 2021, 68, 5176–5183. [Google Scholar] [CrossRef]
- Stefano, R.; Valentino, M. Simple Torque Control Method for Hybrid Stepper Motors Implemented in FPGA. Electronics 2018, 7, 242. [Google Scholar] [CrossRef]
- Yagi, K.; Hori, N.; Nahon, M. Experimental Verification of a Practical Digital Driver with Switched Gain-Tuning for Five-Phase Stepping-Motors. Trans. Can. Soc. Mech. Eng. 2015, 39, 239–252. [Google Scholar] [CrossRef]
- Francis, B.A.; Wonham, W.M. The Internal Model Principle of Control Theory. Automatica 1976, 12, 457–465. [Google Scholar] [CrossRef]
- Astrom, K.J.; Rundqwist, L. Integrator windup and how to avoid it. In Proceedings of the 1989 American Control Conference, Pittsburgh, PA, USA, 21–23 June 1989; pp. 1693–1698. [Google Scholar]
- Hung, J.; Gao, W.; Hung, J. Variable structure control: A survey. IEEE Trans. Ind. Electron. 1993, 40, 2–22. [Google Scholar] [CrossRef]
- Utkin, V. Variable structure systems with sliding modes. IEEE Trans. Autom. Control 1977, 22, 212–222. [Google Scholar] [CrossRef]
- Hirschorn, R. Sliding-Mode Control Variations. IEEE Trans. Autom. Control 2007, 52, 468–480. [Google Scholar] [CrossRef]
- Monopoli, R. Model Reference Adaptive Control with an Augmented Error Signal. IEEE Trans. Autom. Control 1974, 19, 474–484. [Google Scholar] [CrossRef]
- Aseltine, J.; Mancini, A.; Sarture, C. A Survey of Adaptive Control Systems. IRE Trans. Autom. Control 1958, 6, 102–108. [Google Scholar] [CrossRef]
- Andeen, R.E. The Principle of Equivalent Areas. Trans. Am. Inst. Electr. Eng. Part II Appl. Ind. 1960, 79, 332–336. [Google Scholar] [CrossRef]
- Middleton, R.; Goodwin, G. Improved Finite Word Length Characteristics in Digital Control Using Delta Operators. IEEE Trans. Autom. Control 1986, 31, 1015–1021. [Google Scholar] [CrossRef]
- Middleton, R.H.; Goodwin, G.C. Digital Control And Estimation—A Unified Approach; Prentice Hall: Englewood Cliffs, NJ, USA, 1990; p. 538. [Google Scholar]
- Markazi, A.H.D.; Hori, N. A New Method with Guaranteed Stability for Discretization of Continuous-Time Control Systems. In Proceedings of the 1992 American Control Conference, Chicago, IL, USA, 24–26 June 1992; pp. 1397–1402. [Google Scholar]
- Sain, M.; Schrader, C. The Role of Zeros in the Performance of Multiinput, Multioutput Feedback Systems. IEEE Trans. Educ. 1990, 33, 244–257. [Google Scholar] [CrossRef]
- Hori, N.; Mori, T.; Nikiforuk, P.N. Discrete-Time Models of Continuous-Time Systems; Academic Press: London, UK, 1994; Volume 66, pp. 1–45. [Google Scholar]
- Shen, J.; Qin, X.; Wang, Y. High-Speed Permanent Magnet Electrical Machines—Applications, Key Issues and Challenges. CES Trans. Electr. Mach. Syst. 2018, 2, 23–33. [Google Scholar] [CrossRef]
- Yagi, K. Digital Current Regulator for Stepping Motors through Feedforward-Gain Tuning. Ph.D. Thesis, University of Tsukuba, Tsukuba, Japan, 2016. (In Japanese). [Google Scholar]
- Kanai, K.; Hori, N. Introduction to Digital Control—Application of Delta Operators; Maki Publisher: Tokyo, Japan, 1992. (In Japanese) [Google Scholar]
- Martinez, J.R. Transfer Functions of Generalized Bessel Polynomials. IEEE Trans. Circuits Syst. 1977, 24, 325–328. [Google Scholar] [CrossRef][Green Version]












| Starting frequency | 100 () |
| Maximum frequency | 3000 () |
| Acceleration rate | 18 (/) |
| Deceleration rate | 18 (/) |
| Total number of pulses | 2300 (-) |
| Hold current | (/phase) |
| Drive current | (/phase) |
| Step angle | () |
| Proposer Method | |||
|---|---|---|---|
| Analog Controller | with I Regulator | with PI Regulator | |
| Standard deviation | 0.062 | 0.022 | 0.035 |
| Time constant | 0.072 | 0.078 | 0.078 |
Publisher’s Note: MDPI stays neutral with regard to jurisdictional claims in published maps and institutional affiliations. |
© 2021 by the authors. Licensee MDPI, Basel, Switzerland. This article is an open access article distributed under the terms and conditions of the Creative Commons Attribution (CC BY) license (https://creativecommons.org/licenses/by/4.0/).
Share and Cite
Isobe, D.; Hori, N.; Kawai, S.; Yagi, K.; Nguyen-Van, T. Digital Control of a Stepping Motor for Eliminating Rotation Speed Fluctuations Using Adaptive Gains. Electronics 2021, 10, 1335. https://doi.org/10.3390/electronics10111335
Isobe D, Hori N, Kawai S, Yagi K, Nguyen-Van T. Digital Control of a Stepping Motor for Eliminating Rotation Speed Fluctuations Using Adaptive Gains. Electronics. 2021; 10(11):1335. https://doi.org/10.3390/electronics10111335
Chicago/Turabian StyleIsobe, Daishin, Noriyuki Hori, Shin Kawai, Keisuke Yagi, and Triet Nguyen-Van. 2021. "Digital Control of a Stepping Motor for Eliminating Rotation Speed Fluctuations Using Adaptive Gains" Electronics 10, no. 11: 1335. https://doi.org/10.3390/electronics10111335
APA StyleIsobe, D., Hori, N., Kawai, S., Yagi, K., & Nguyen-Van, T. (2021). Digital Control of a Stepping Motor for Eliminating Rotation Speed Fluctuations Using Adaptive Gains. Electronics, 10(11), 1335. https://doi.org/10.3390/electronics10111335

