A Bandpass Filter Using Half Mode SIW Structure with Step Impedance Resonator
Abstract
1. Introduction
2. Design Procedure
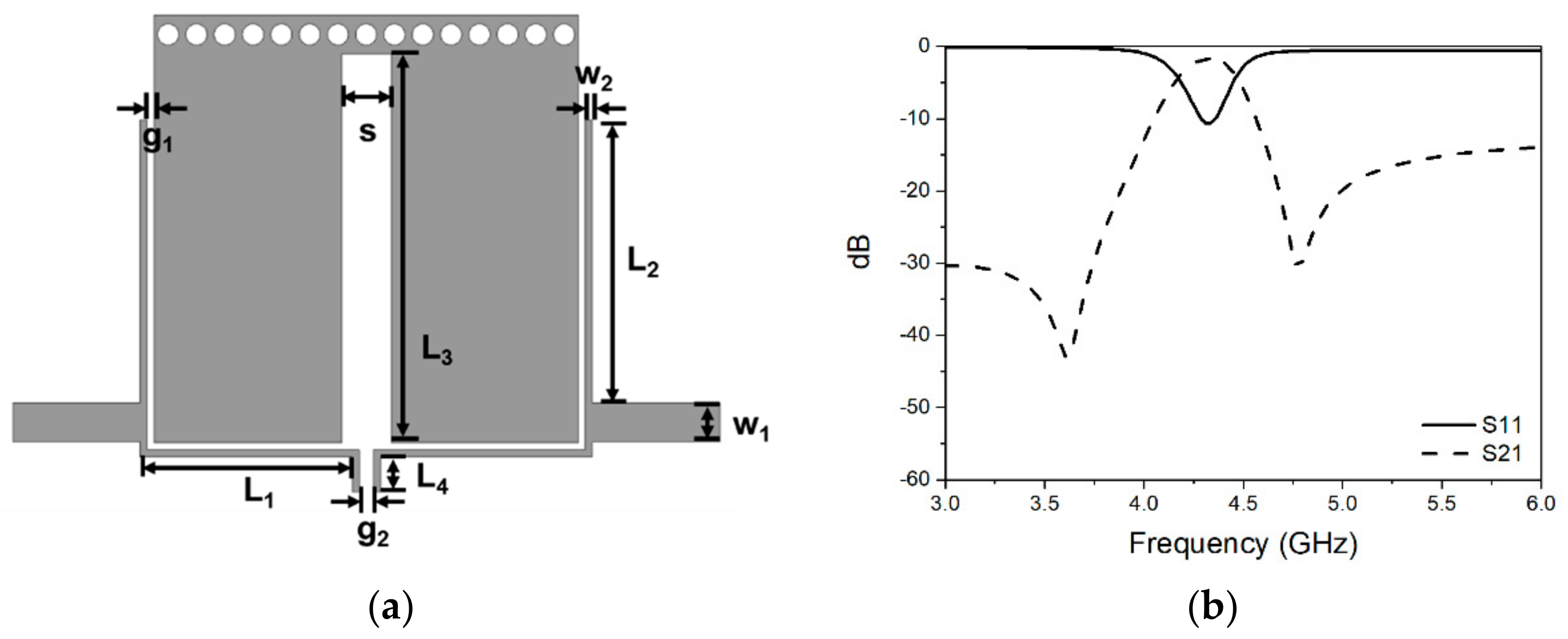
2.1. A BPF Using HMSIW Resonators without SIS
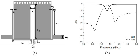
2.2. BPF Using HMSIW Resonators with Embedded SIS.
3. Experimental Results
4. Conclusions
Author Contributions
Funding
Informed Consent Statement
Acknowledgments
Conflicts of Interest
References
- Hong, J.-S.; Lancaster, M.J. Microstrip Filters for RF/Microwave Applications; Wiley: New York, NY, USA, 2001. [Google Scholar]
- Mahon, S. The 5G Effect on RF Filter Technologies. IEEE Trans. Semicond. Manuf. 2017, 30, 494–499. [Google Scholar] [CrossRef]
- Al-Yasir, Y.I.A.; Ojaroudi Parchin, N.; Abd-Alhameed, R.A.; Abdulkhaleq, A.M.; Noras, J.M. Recent Progress in the Design of 4G/5G Reconfigurable Filters. Electronics 2019, 8, 114. [Google Scholar] [CrossRef]
- Chen, X.P.; Wu, K. Substrate Integrated Waveguide Filter: Basic Design Rules and Fundamental Structure Features. IEEE Microw. Mag. 2014, 15, 108–116. [Google Scholar] [CrossRef]
- Chen, X.P.; Hong, W.; Cui, T.J.; Chen, J.X.; Wu, K. Substrate Integrated Waveguide (SIW) Linear Phase Filter. IEEE Microw. Wirel. Compon. Lett. 2005, 15, 787–789. [Google Scholar] [CrossRef]
- Zhang, Q.-L.; Yin, W.-Y.; He, S.; Wu, L.-S. Compact Substrate Integrated Waveguide (SIW) Bandpass Filter with Complementary Split-Ring Resonators (CSRRs). IEEE Microw. Wirel. Compon. Lett. 2010, 20, 426–428. [Google Scholar] [CrossRef]
- Shen, W.; Yin, W.Y.; Sun, X.W. Compact Substrate Integrated Waveguide (SIW) Filter with Defected Ground Structure. IEEE Microw. Wirel. Compon. Lett. 2011, 2, 83–85. [Google Scholar] [CrossRef]
- Grine, F.; Djerafi, T.; Benhabiles, M.T.; Wu, K.; Riabi, M.L. High-Q Substrate Integrated Waveguide Resonator Filter with Dielectric Loading. IEEE Access 2017, 5, 12526–12532. [Google Scholar] [CrossRef]
- Huang, L.; Wu, W.W.; Zhang, X.F.; Lu, H.S.; Zhou, Y.; Yuan, N.C. A Novel Compact and High Performance Bandpass Filter Based on SIW and CMRC Technique. Int. J. Electron. Commun. 2017, 82, 420–425. [Google Scholar] [CrossRef]
- Huang, L.; Yuan, N.A. Compact Wideband SIW Bandpass Filter with Wide Stopband and High Selectivity. Electronics 2019, 8, 440. [Google Scholar] [CrossRef]
- Hu, S.; Hu, Y.; Zheng, H.; Zhu, W.; Gao, Y.; Zhang, X. A Compact 3.3–3.5 GHz Filter Based on Modified Composite Right-/Left-Handed Resonator Units. Electronics 2020, 9, 1. [Google Scholar] [CrossRef]
- Celis, S.; Farhat, M.; Almansouri, A.S.; Bagci, H.; Salama, K.N. Simplified Modal-Cancellation Approach for Substrate-Integrated-Waveguide Narrow-Band Filter Design. Electronics 2020, 9, 962. [Google Scholar] [CrossRef]
- Wang, Y.; Hong, W.; Dong, Y.D.; Liu, B.; Tang, H.J.; Chen, J.; Yin, X.; Wu, K. Half Mode Substrate Integrated Waveguide (HMSIW) Bandpass Filter. IEEE Microw. Wirel. Compon. Lett. 2007, 17, 256–267. [Google Scholar] [CrossRef]
- Cheng, Y.; Hong, W.; Wu, K. Half Mode Substrate Integrated Waveguide (HMSIW) Directional Filter. IEEE Microw. Wirel. Compon. Lett. 2007, 17, 504–506. [Google Scholar] [CrossRef]
- Zhou, M.; Yu, M.X.; Xu, J.; Zhang, X.C.; Wang, M.Y. Compact Half-Mode Substrate Integrated Waveguide (HMSIW) Filter with Dual-Mode Microstrip Resonator. Prog. Electromagn. Res. C 2012, 33, 29–41. [Google Scholar] [CrossRef][Green Version]
- Huang, L.; Cha, H.; Li, Y. Compact Wideband Ridge Half-Mode Substrate Integrated Waveguide Filters. IEEE Trans. Microw. Theory Tech. 2016, 64, 3568–3579. [Google Scholar] [CrossRef]
- Chen, F.; Song, K.; Hu, B.; Fan, Y. Compact Dual-Band Bandpass Filter Using HMSIW Resonator and Slot Perturbation. IEEE Microw. Wirel. Compon. Lett. 2014, 24, 686–688. [Google Scholar] [CrossRef]
- He, Z.G.; Song, K.J.; Luo, Z.H.; Fan, M.Y.; Zhu, Y.; Fan, Y. Compact Half-Mode SIW Bandpass Filter with High-Frequency Selectivity. Electromagnetics 2018, 38, 96–102. [Google Scholar] [CrossRef]
- Zhang, H.; Kang, W.; Wu, W. Miniaturized Dual-Band SIW Filters Using E-Shaped Slotlines with Controllable Center Frequencies. IEEE Microw. Wirel. Compon. Lett. 2018, 28, 311–313. [Google Scholar] [CrossRef]
- Deng, K.; Guo, Z.X.; Che, W.; Xue, Q. A Compact Bandpass Flter Using Quarter SIW Cavity Resonator with Source-Load Cross Coupling. In Proceedings of the 41st European Microwave Conference, Manchester, UK, 10–13 October 2011; pp. 732–735. [Google Scholar]
- Pozar, D.M. Microwave Engineering, 4th ed.; Wiley: New York, NY, USA, 2012; ISBN 978-0-470-63155-3. [Google Scholar]








Publisher’s Note: MDPI stays neutral with regard to jurisdictional claims in published maps and institutional affiliations. |
© 2020 by the authors. Licensee MDPI, Basel, Switzerland. This article is an open access article distributed under the terms and conditions of the Creative Commons Attribution (CC BY) license (http://creativecommons.org/licenses/by/4.0/).
Share and Cite
Weng, M.-H.; Tsai, C.-Y.; Chen, D.-L.; Chung, Y.-C.; Yang, R.-Y. A Bandpass Filter Using Half Mode SIW Structure with Step Impedance Resonator. Electronics 2021, 10, 51. https://doi.org/10.3390/electronics10010051
Weng M-H, Tsai C-Y, Chen D-L, Chung Y-C, Yang R-Y. A Bandpass Filter Using Half Mode SIW Structure with Step Impedance Resonator. Electronics. 2021; 10(1):51. https://doi.org/10.3390/electronics10010051
Chicago/Turabian StyleWeng, Min-Hang, Chin-Yi Tsai, De-Li Chen, Yi-Chun Chung, and Ru-Yuan Yang. 2021. "A Bandpass Filter Using Half Mode SIW Structure with Step Impedance Resonator" Electronics 10, no. 1: 51. https://doi.org/10.3390/electronics10010051
APA StyleWeng, M.-H., Tsai, C.-Y., Chen, D.-L., Chung, Y.-C., & Yang, R.-Y. (2021). A Bandpass Filter Using Half Mode SIW Structure with Step Impedance Resonator. Electronics, 10(1), 51. https://doi.org/10.3390/electronics10010051

