Multiple Input Energy Harvesting Systems for Autonomous IoT End-Nodes
Abstract
1. Introduction
2. IoT End-Node Architecture and Power Management Units
3. Overview of Multisource Energy Harvesting Techniques
3.1. Simple methods for Multisource Energy Harvesting
3.1.1. Complementary Use of Energy Sources
3.1.2. Power ORing
3.1.3. Voltage Level Detection
3.2. Architectures for Multiple Source Energy Combining
3.2.1. Energy Combining Through Linear Regulators
3.2.2. Multiple-Input Boost Converter
3.2.3. Shared-Inductor DC-DC Converters
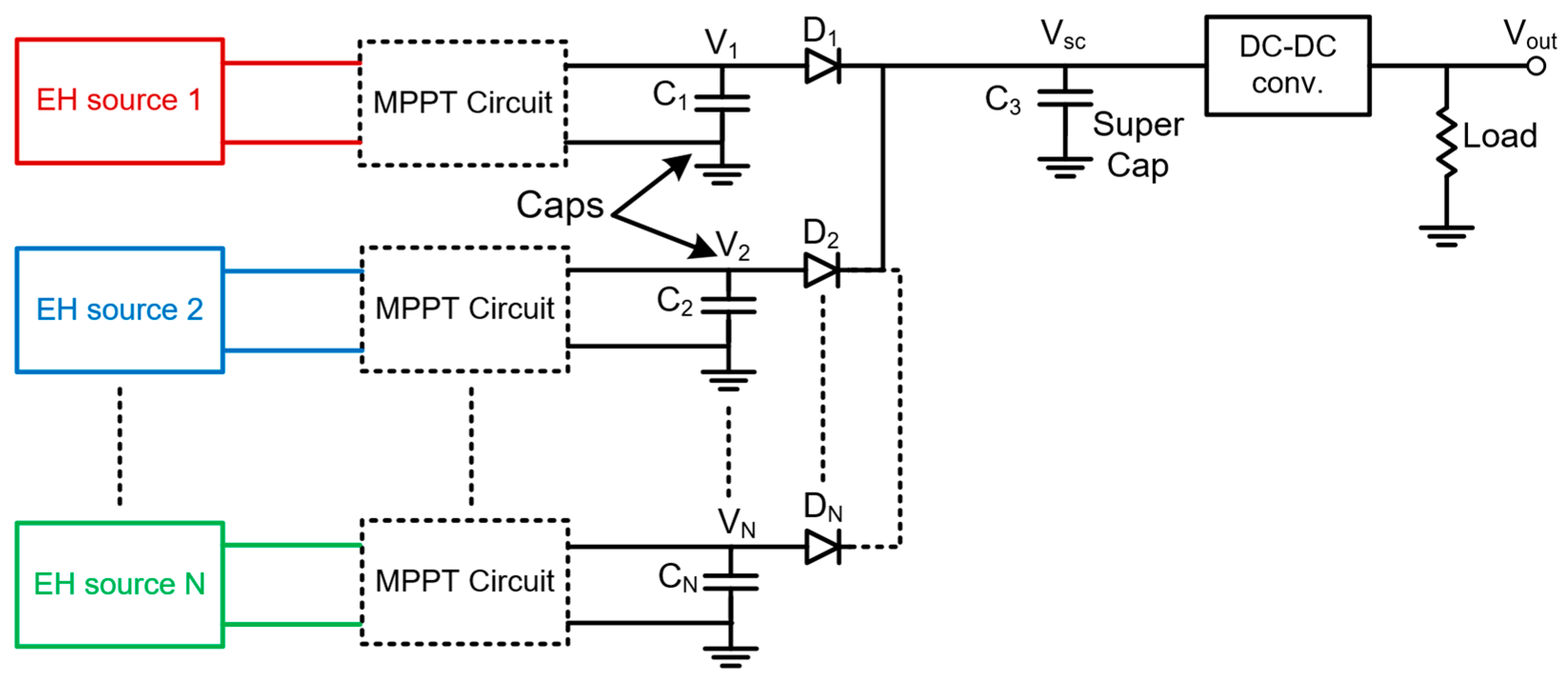
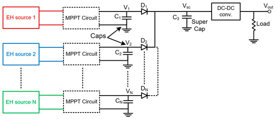
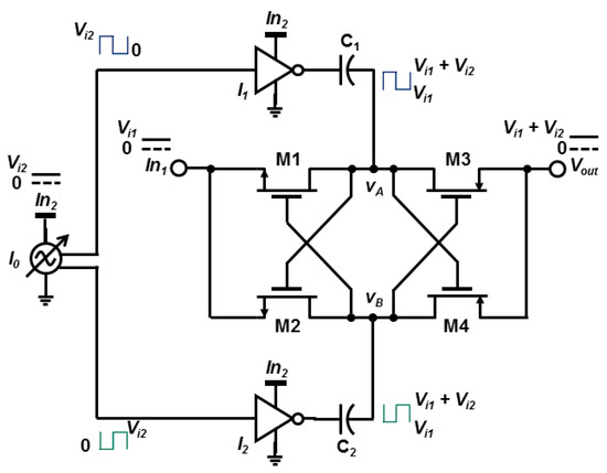
3.2.4. Fully Integrated Switched-Capacitor Converter for Concurrent Energy Harvesting
3.2.5. Performance Comparison of Multisource Energy Harvesting Architectures
4. Conclusions and Open Areas of Research
Acknowledgments
Author Contributions
Conflicts of Interest
References
- Al-Fuqaha, A.; Guizani, M.; Mohammadi, M.; Aledhari, M.; Ayyash, M. Internet of Things: A Survey on Enabling Technologies, Protocols, and Applications. IEEE Commun. Surv. Tutor. 2011, 17, 2347–2376. [Google Scholar] [CrossRef]
- Stankovic, J.A. Research Directions for the Internet of Things. IEEE IoT J. 2014, 1, 3–9. [Google Scholar] [CrossRef]
- Liu, X.; Huang, L.; Ravichandran, K.; Sánchez-Sinencio, E. A Highly Efficient Reconfigurable Charge Pump Energy Harvester with Wide Harvesting Lange and Two-Dimensional MPPT for Internet of Things. IEEE J. Solid-State Circuits 2016, 51, 1302–1312. [Google Scholar] [CrossRef]
- Khosro Pour, N.; Krummenacher, F.; Kayal, M. Fully Integrated Solar Energy Harvester and Sensor Interface Circuits for Energy-Efficient Wireless Sensing Applications. J. Low Power Electron. Appl. 2013, 3, 9–26. [Google Scholar] [CrossRef]
- Rozgic, D.; Markovic, D. A Miniaturized 0.78-mW/cm2 Autonomous Thermoelectric Energy-Harvesting Platform for Biomedical Sensors. IEEE Trans. Biomed. Circuit Syst. 2017, 11, 773–783. [Google Scholar] [CrossRef] [PubMed]
- Ramadass, Y.K.; Chandrakasan, A.P. An Efficient Piezoelectric Energy Harvesting Interface Circuit Using a Bias-Flip Rectifier and Shared Inductor. IEEE J. Solid-State Circuits 2010, 45, 189–204. [Google Scholar] [CrossRef]
- Zhao, J.; Ramadass, Y.; Lang, J.; Ma, J.; Buss, D. Bias-Flip Technique for Frequency Tuning of Piezo-Electric Energy Harvesting Devices. J. Low Power Electron. Appl. 2013, 3, 194–214. [Google Scholar] [CrossRef]
- Oh, T.; Islam, S.K.; Mahfouz, M.; To, G. A Low-Power CMOS Piezoelectric Transducer Based Energy Harvesting Circuit for Wearable Sensors for Medical Applications. J. Low Power Electron. Appl. 2017, 7, 33. [Google Scholar] [CrossRef]
- Bertacchini, A.; Larcher, L.; Maini, M.; Vincetti, L.; Scorcioni, S. Reconfigurable RF Energy Harvester with Customized Differential PCB Antenna. J. Low Power Electron. Appl. 2015, 5, 257–273. [Google Scholar] [CrossRef]
- Yang, G.; Stark, B.H.; Hollis, S.J.; Burrow, S.G. Challenges for Energy Harvesting Systems Under Intermittent Excitation. IEEE J. Emerg. Sel. Top. Circuits Syst. 2014, 4, 364–374. [Google Scholar] [CrossRef]
- Vankecke, C.; Assouère, L.; Wang, A.; Durand-Estèbe, P.; Caignet, F.; Dilhac, M.-J.; Bafleur, M. Multisource and Battery-Free Energy Harvesting Architecture for Aeronautics Applications. IEEE Trans. Power Electron. 2015, 30, 3215–3227. [Google Scholar] [CrossRef]
- Carli, D.; Brunelli, D.; Benini, L.; Ruggeri, M. An effective multi-source energy harvester for low power applications. In Proceedings of the Design, Automation & Test in Europe, Grenoble, France, 14–18 March 2011. [Google Scholar] [CrossRef]
- Lundager, K.; Zeinali, B.; Tohidi, M.; Madsen, J.K.; Moradi, F. Low Power Design for Future Wearable and Implantable Devices. J. Low Power Electron. Appl. 2016, 6, 20. [Google Scholar] [CrossRef]
- Romani, A.; Tartagni, M.; Sangiorgi, E. Doing a Lot with a Little: Micropower Conversion and Management for Ambient-Powered Electronics. Computer 2017, 50, 41–49. [Google Scholar] [CrossRef]
- Carlson, E.J.; Strunz, K.; Otis, B.P. A 20 mV Input Boost Converter with Efficient Digital Control for Thermoelectric Energy Harvesting. IEEE J. Solid-State Circuits 2010, 45, 741–750. [Google Scholar] [CrossRef]
- Carreon-Bautista, S.; Huang, L.; Sanchez-Sinencio, E. An Autonomous Energy Harvesting Power Management Unit With Digital Regulation for IoT Applications. IEEE J. Solid-State Circuits 2016, 51, 1457–1474. [Google Scholar] [CrossRef]
- Chowdary, G.; Chatterjee, S. A 300-nW Sensitive, 50-nA DC-DC Converter for Energy Harvesting Applications. IEEE Trans. Circuits Syst. 2015, 62, 2674–2684. [Google Scholar] [CrossRef]
- Dini, M.; Romani, A.; Filippi, M.; Bottarel, V.; Ricotti, G.; Tartagni, M. A Nanocurrent Power Management IC for Multiple Heterogeneous Energy Harvesting Sources. IEEE Trans. Power Electron. 2015, 30, 5665–5680. [Google Scholar] [CrossRef]
- Chowdary, G.; Singh, A.; Chatterjee, S. An 18 nA, 87% Efficient Solar, Vibration and RF Energy-Harvesting Power Management System With a Single Shared Inductor. IEEE J. Solid-State Circuits 2016, 51, 2501–2513. [Google Scholar] [CrossRef]
- Li, H.; Zhang, G.; Ma, R.; You, Z. Design and Experimental Evaluation on an Advanced Multisource Energy Harvesting System for Wireless Sensor Nodes. Sci. World J. 2014. [Google Scholar] [CrossRef] [PubMed]
- Tan, Y.K.; Panda, S.K. Energy Harvesting From Hybrid Indoor Ambient Light and Thermal Energy Sources for Enhanced Performance of Wireless Sensor Nodes. IEEE Trans. Ind. Electron. 2011, 58, 4424–4435. [Google Scholar] [CrossRef]
- Linear Technology. Nanopower Buck-Boost DC/DC with Energy Harvesting Battery Charger. Available online: http://cds.linear.com/docs/en/datasheet/3331fc.pdf (accessed on 1 March 2018).
- Cypress Semiconductor. Ultra Low Power Buck Power management IC for Solar and Vibrations Energy Harvesting. Available online: http://www.cypress.com/file/246676/download (accessed on 1 March 2018).
- Lhermet, H.; Condemine, C.; Plissonnier, M.; Salot, R.; Audebert, P.; Rosset, M. Efficient Power Management Circuit: Thermal Energy Harvesting to Above-IC Microbattery Energy Storage. In Proceedings of the IEEE International Digest of Technical Papers Solid-State Circuits Conference, San Francisco, CA, USA, 11–15 February 2007; pp. 62–587. [Google Scholar] [CrossRef]
- Kang, T.; Kim, S.; Hyoung, C.; Kang, S.; Park, K. An Energy Combiner for a Multi-Input Energy-Harvesting System. IEEE Trans. Circuits Syst. II Express Briefs 2015, 62, 911–915. [Google Scholar] [CrossRef]
- Amanor-Boadu, J.; Abouzied, M.A.; Carreon-Bautista, S.; Ribeiro, R.; Liu, X.; Sanchez-Sinencio, E. A switched mode Li-ion battery charger with multiple energy harvesting systems simultaneously used as input sources. In Proceedings of the 2014 IEEE 57th International Midwest Symposium on Circuits and Systems (MWSCAS), College Station, TX, USA, 3–6 August 2014; pp. 330–333. [Google Scholar] [CrossRef]
- Colomer-Farrarons, J.; Miribel-Catala, P.; Saiz-Vela, A.; Samitier, J. A Multiharvested Self-Powered System in a Low-Voltage Low-Power Technology. IEEE Trans. Ind. Electron. 2011, 58, 4250–4263. [Google Scholar] [CrossRef]
- Colalongo, L.; Dotti, D.; Richelli, A.; Kovács-Vajna, Z.M. Non-isolated multiple-input boost converter for energy harvesting. Electron. Lett. 2017, 53, 1132–1134. [Google Scholar] [CrossRef]
- Bandyopadhyay, S.; Chandrakasan, A.P. Platform Architecture for Solar, Thermal, and Vibration Energy Combining With MPPT and Single Inductor. IEEE J. Solid-State Circuits 2012, 47, 2199–2215. [Google Scholar] [CrossRef]
- Shi, C.; Miller, B.; Mayaram, K.; Fiez, T. A Multiple-Input Boost Converter for Low-Power Energy Harvesting. IEEE Trans. Circuits Syst. II Express Briefs 2011, 58, 827–831. [Google Scholar] [CrossRef]
- Abouzied, M.; Osman, H.; Vaidya, V.; Ravichandran, K.; Sanchez-Sinencio, E. An Integrated Concurrent Multiple-Input Self-Startup Energy Harvesting Capacitive-Based DC Adder Combiner. IEEE Trans. Ind. Electron. 2017. [Google Scholar] [CrossRef]









| Device | Type | IQ | IACTV |
|---|---|---|---|
| HDC1080 | Digital Humidity Sensor | 100 nA | 710 nA |
| LMT70 | Analog Temperature Sensor | 50 nA | 9.2 µA |
| MSP430F1491 | Ultra-low-power mixed-signal µCU | 1.6 µA | 280 µA (at 1 MHz) |
| CC3120 | Wi-Fi Wireless Network Processor | 4.5 µA | 59 mA/229 mA (RX/TX) |
| XB24-AWI-001 | Zigbee RF Module | 3 µA | 31 mA / 45 mA (RX/TX) |
| ADS1113 | I2C-compatible 16-bit ADC | 500 nA | 150 μA |
| LPV542 | Dual CMOS Op Amp | 490 nA (per channel) | N.A. |
| LP5907 | Low-IQ Linear Regulator | 200 nA | 250 µA |
| Device | Type | Size | Power | Conditions |
|---|---|---|---|---|
| PPA-1001 | Piezo | 54 mm × 22 mm × 0.46 mm | 2.2 mW (RMS) | Acceleration—2 g |
| KXOB22-04X3 | Solar | 22 mm × 7 mm × 1.8 mm | 20.1 mW | Irradiation—100 mW/cm2 |
| TGP-651 | Thermal | 15 mm × 10 mm × 9.5 mm | 2.5 mW | Hot side temperature—60 °C |
| Ref. | Topology | No. of Inputs | Inputs Type | Technology | MPPT | Battery Charging | Peak η | Input Power | Quiescent Current |
|---|---|---|---|---|---|---|---|---|---|
| [11] | Complemen-tary use | 2 | TEG PZT | HV 0.35 µm CMOS | No | No | 82% | NA | 300 nA |
| [12] | Power ORing | 2 | PV Wind | Discrete | Yes | Yes | 80% (PV 85% (wind) | NA | NA |
| [20] | Power ORing | 2 | PV PZT | Discrete | Yes | Yes | 85% (PV) 68% (PZT) | 60 mW (PV) 3 mW (PZT) | NA |
| [21] | Power ORing | 2 | PV TEG | Discrete | Yes | No | 91% | 392 µW | 50 µA |
| [22] | Power ORing | 2 | DC AC | Commercial IC | No | Yes | ≈ 90% | ≈ 4 mW | 950 nA |
| [23] | Power ORing | 2 | DC AC | Commercial IC | No | No | ≈ 90% | NA | 1.5 µA |
| [24] | Level detection | 2 | RF TEG | 0.35 µm CMOS | No | Yes | 50% | NA | 70 µA |
| [25] | Level detection | 3 | DC | 0.13 µm CMOS | No | Yes | 95% | 85 µW | 1.3 µA |
| [27] | LDO | 3 | RF, PZT PV | 0.13 µm CMOS | No | No | 85% | 7.3 mW | 65 µA |
| [28] | Boost (multiple L) | 2 | DC | Discrete | No | No | NA | NA | NA |
| [18] | Shared Inductor | 9 | TEG PZT RF PV | 0.32 µm BCD | Yes | No | 89.6% | 101 µW (TEG) 59 µW (PZT) 55 µW (PV) | 431 nA |
| [19] | Shared Inductor | 3 | PZT RF PV | 0.18 µm CMOS | Yes | No | 87% | 20 µW | 18 nA |
| [29] | Shared Inductor | 3 | TEG PZT PV | 0.35 µm CMOS | Yes | No | 83% (PV) 58% (TEG) 79% (PZT) | NA | 2.7 µA |
| [30] | Shared inductor | 2 | TEG PV | Discrete | Yes | No | NA | 2.5 mW (TEG) 250 µW (PV) | NA |
| [31] | SC | 3 | DC | 0.13 µm CMOS | Yes (manual) | No | 58.4% | 600 µW | NA |
© 2018 by the authors. Licensee MDPI, Basel, Switzerland. This article is an open access article distributed under the terms and conditions of the Creative Commons Attribution (CC BY) license (http://creativecommons.org/licenses/by/4.0/).
Share and Cite
Estrada-López, J.J.; Abuellil, A.; Zeng, Z.; Sánchez-Sinencio, E. Multiple Input Energy Harvesting Systems for Autonomous IoT End-Nodes. J. Low Power Electron. Appl. 2018, 8, 6. https://doi.org/10.3390/jlpea8010006
Estrada-López JJ, Abuellil A, Zeng Z, Sánchez-Sinencio E. Multiple Input Energy Harvesting Systems for Autonomous IoT End-Nodes. Journal of Low Power Electronics and Applications. 2018; 8(1):6. https://doi.org/10.3390/jlpea8010006
Chicago/Turabian StyleEstrada-López, Johan J., Amr Abuellil, Zizhen Zeng, and Edgar Sánchez-Sinencio. 2018. "Multiple Input Energy Harvesting Systems for Autonomous IoT End-Nodes" Journal of Low Power Electronics and Applications 8, no. 1: 6. https://doi.org/10.3390/jlpea8010006
APA StyleEstrada-López, J. J., Abuellil, A., Zeng, Z., & Sánchez-Sinencio, E. (2018). Multiple Input Energy Harvesting Systems for Autonomous IoT End-Nodes. Journal of Low Power Electronics and Applications, 8(1), 6. https://doi.org/10.3390/jlpea8010006

