The Advances, Challenges and Future Possibilities of Millimeter-Wave Chip-to-Chip Interconnections for Multi-Chip Systems
Abstract
1. Introduction
2. Multi-Chip Interconnection Topology Design
2.1. The Intra-Chip Interconnection Design Approaches
2.2. The Inter-Chip Wireless Communication Topology
3. Physical Layer Design
3.1. Channel Characteristics
3.2. High-Bandwidth Antennas
3.3. Low-Power Transceivers
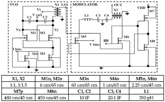
3.3.1. 60 GHz Transmitter
Voltage Controlled Oscillator
OOK Modulator
Two Stage PA
Characteristics of the 60 GHz Transmitter
3.3.2. 60 GHz Receiver
3.4. Link Budget Analysis
3.5. Impact of Technology Scaling on Inter-Chip Wireless Interconnects
4. Wireless Communication Protocol
4.1. Flow Control and Deadlock Free Routing
4.2. Wireless Medium Access Control Layer
4.2.1. Smart Channel Access
4.2.2. Robustness in MAC
5. CAD Tools and Simulation Environment
6. Possibilities of Paradigm Shifts in Computer Design and Methodologies
6.1. Non Von Neumann Architectures
6.2. Wafer Testing Made-Easy
6.3. Enabling Voltage/Frequency Boundary Crossing
7. Qualitative Benefits of Wireless Interconnects: Flexibility, Quick Design and Time to Market
8. Comparison with Other Emerging Interconnect Technologies
9. The Scope of Inter-Chip Wireless Interconnect with Advancements in Orthogonal Technologies Such as IoT, Industry 4.0, Wearable Electronics and Neuromorphic Computing
9.1. Fusion of Inter-Chip Wireless Interconnects with IoT
9.2. Applicability of Inter-Chip Interconnects in Industry 4.0
9.3. Inter-Chip Wireless Communication in Neuromorphic Computing
10. Challenges of Inter-Chip Wireless Interconnects
11. Conclusions
Acknowledgments
Author Contributions
Conflicts of Interest
References
- Vangal, S.R.; Howard, J.; Ruhl, G.; Dighe, S.; Wilson, H.; Tschanz, J.; Finan, D.; Singh, A.; Jacob, T.; Jain, S.; et al. An 80-tile sub-100-w teraflops processor in 65-nm cmos. IEEE J. Solid-State Circuits 2008, 43, 29–41. [Google Scholar] [CrossRef]
- Howard, J.; Dighe, S.; Vangal, S.R.; Ruhl, G.; Borkar, N.; Jain, S.; Erraguntla, V.; Konow, M.; Riepen, M.; Gries, M.; et al. A 48-core IA-32 processor in 45 nm CMOS using on-die message-passing and DVFS for performance and power scaling. IEEE J. Solid-State Circuits 2011, 46, 173–183. [Google Scholar] [CrossRef]
- Benini, L.; de Micheli, G. Networks on chips: A new SoC paradigm. Computer 2002, 35, 70–78. [Google Scholar] [CrossRef]
- Bhunia, S.; Mukhopadhyay, S.; Roy, K. Process Variations and Process-Tolerant Design. In Proceedings of the 20th International Conference on VLSI Design, Bangalore, India, 6–10 January 2007; pp. 699–704. [Google Scholar]
- Kannan, A.; Jerger, N.E.; Loh, G.H. Exploiting Interposer Technologies to Disintegrate and Reintegrate Multicore Processors. IEEE Micro 2016, 36, 84–93. [Google Scholar] [CrossRef]
- ITRS Reports. Available online: http://www.itrs2.net/itrs-reports.html (accessed on 30 January 2018).
- Murphy, B.T. Cost-size optima of monolithic integrated circuits. Proc. IEEE 1964, 52, 1537–1545. [Google Scholar] [CrossRef]
- Threadripper Delidding Uncovers Epyc in Disguise—AMD 32 Core Desktop CPU Maybe in the Works. Available online: https://wccftech.com/amd-threadripper-delidding-epyc-32-core (accessed on 30 January 2018).
- AMD Fusion APU Era Begins. Available online: http://www.amd.com/en-us/press-releases/Pages/amd-fusion-apu-era-2011jan04.aspx (accessed on 17 December 2017).
- Abadal, S.; Sheinman, B.; Katz, O.; Markish, O.; Elad, D.; Fournier, Y.; Roca, D.; Hanzich, M.; Houzeaux, G.; Nemirovsky, M.; et al. Broadcast-Enabled Massive Multicore Architectures: A Wireless RF Approach. IEEE Micro 2015, 35, 52–61. [Google Scholar] [CrossRef][Green Version]
- Shamim, M.S.; Mansoor, N.; Narde, R.S.; Kothandapani, V.; Ganguly, A.; Venkataraman, J. A Wireless Interconnection Framework for Seam-less Inter and Intra-chip Communication in Multichip Systems. IEEE Trans. Comput. 2017, 66, 389–402. [Google Scholar] [CrossRef]
- Ho, R.; Mai, K.W.; Horowitz, M.A. The future of wires. Proc. IEEE 2001, 89, 490–504. [Google Scholar] [CrossRef]
- Wu, X.; Ye, Y.; Zhang, W.; Liu, W.; Nikdast, M.; Wang, X.; Xu, J. Union: A Unified Inter/Intrachip Optical Network for Chip Multiprocessors. IEEE Trans. Very Large Scale Integr. (VLSI) Syst. 2014, 22, 1082–1095. [Google Scholar]
- Topol, A.W.; La Tulipe, D.C.; Shi, L.; Frank, D.J.; Bernstein, K.; Steen, S.E.; Kumar, A.; Singco, G.U.; Young, A.M.; Guarini, K.W.; et al. Three-dimensional integrated circuits. IBM J. Res. Dev. 2006, 50, 491–506. [Google Scholar] [CrossRef]
- Loh, G.H.; Jerger, N.E.; Kannan, A.; Eckert, Y. Interconnect-memory challenges for multichip, silicon interposer systems. In Proceedings of the International Symposium on Memory Systems, Washington, DC, USA, 5–8 October 2015; pp. 3–10. [Google Scholar]
- Jerger, N.E.; Kannan, A.; Li, Z.; Loh, G.H. NoC Architectures for Silicon Interposer Systems: Why Pay for more Wires when you Can Get them (from your interposer) for Free? In Proceedings of the 47th Annual IEEE/ACM International Symposium on Microarchitecture (MICRO), Cambridge, UK, 13–17 December 2014; pp. 458–470. [Google Scholar]
- Annamalai, A.; Kumar, R.; Vijayakumar, A.; Kundu, S. A system-level solution for managing spatial temperature gradients in thinned 3D ICs. In Proceedings of the 14th International Symposium on Quality Electronic Design (ISQED), Santa Clara, CA, USA, 4–6 March 2013; pp. 88–95. [Google Scholar]
- Sridhar, A.; Vincenzi, A.; Atienza, D.; Brunschwiler, T. 3D-ICE: A Compact Thermal Model for Early-Stage Design of Liquid-Cooled ICs. IEEE Trans. Comput. 2014, 63, 2576–2589. [Google Scholar] [CrossRef]
- Shamim, M.S.; Ahmed, M.M.; Mansoor, N.; Ganguly, A. Energy-Efficient Wireless Interconnection Framework for Multichip Systems with In-package Memory Stacks. Available online: https://arxiv.org/abs/1709.07529 (accessed on 27 February 2018).
- Duato, J.; Yalamanchili, S.; Ni, L. Interconnection Networks, 1st ed.; Morgan Kaufmann: Burlington, MA, USA, 2002. [Google Scholar]
- Kapur, P.; Chandra, G.; McVittie, J.P.; Saraswat, K.C. Technology and reliability constrained future copper interconnects. II. Performance implications. IEEE Trans. Electron Devices 2002, 49, 598–604. [Google Scholar] [CrossRef]
- Circuits Multi-Projects (CMP). Available online: http://cmp.imag.fr/ (accessed on 9 February 2018).
- Lin, J.J.; Wu, H.T.; Su, Y.; Gao, L.; Sugavanam, A.; Brewer, J.E. Communication using antennas fabricated in silicon integrated circuits. IEEE J. Solid-State Circuits 2007, 42, 1678–1687. [Google Scholar]
- Yang, W.; Ma, K.; Yeo, K.S.; Lim, W.M. A 60GHz on-chip antenna in standard CMOS silicon Technology. In Proceedings of the IEEE Asia Pacific Conference on Circuits and Systems, Kaohsiung, Taiwan, 2–5 December 2012; pp. 252–255. [Google Scholar]
- Yue, L. A 60-GHz Millimeter-Wave CMOS Integrated on-Chip Antenna and Bandpass Filter. IEEE Trans. Electron Devices 2011, 58, 1837–1845. [Google Scholar]
- Gutierrez, F.; Agarwal, S.; Parrish, K.; Rappaport, T.S. On-chip integrated antenna structures in CMOS for 60 GHz WPAN systems. IEEE J. Sel. Areas Commun. 2009, 27, 1367–1378. [Google Scholar] [CrossRef]
- Chang, K.; Deb, S.; Ganguly, A.; Yu, X.; Sah, S.P.; Pande, P.P.; Belzer, B.; Heo, D. Performance evaluation and design trade-offs for wireless network-on-chip architectures. ACM J. Emerg. Technol. Comput. Syst. 2012, 8, 1–25. [Google Scholar] [CrossRef]
- Agyeman, M.O.; Vien, Q.T.; Ahmadinia, A.; Yakovlev, A.; Tong, K.F.; Mak, T. A resilient 2-d waveguide communication fabric for hybrid wired-wireless noc design. IEEE Trans. Parallel Distrib. Syst. 2017, 28, 359–373. [Google Scholar]
- Deb, S.; Ganguly, A.; Pande, P.P.; Belzer, B.; Heo, D. Wireless NoC as interconnection backbone for multi-core chips: Promises and challenges. IEEE J. Emerg. Sel. Top. Circuits Syst. 2012, 2, 228–239. [Google Scholar] [CrossRef]
- Laha, S.; Kaya, S.; Matolak, D.W.; Rayess, W.; DiTomaso, D.; Kodi, A. A New Frontier in Ultralow Power Wireless Links: Network-on-Chip and Chip-to-Chip Interconnects. IEEE Trans. Comput.-Aided Des. Integr. Circuits Syst. 2015, 34, 186–198. [Google Scholar] [CrossRef]
- Ganguly, A.; Chang, K.; Deb, S.; Pande, P.P.; Belzer, B.; Teuscher, C. Scalable hybrid wireless network-on-chip architectures for multicore systems. IEEE Trans. Comput. 2011, 60, 1485–1502. [Google Scholar] [CrossRef]
- Vijayakumaran, V.; Yuvaraj, M.P.; Mansoor, N.; Nerurkar, N.; Ganguly, A.; Kwasinski, A. CDMA enabled wireless network-on-chip. ACM J. Emerg. Technol. Comput. Syst. 2014, 10, 1–20. [Google Scholar] [CrossRef]
- Ahmed, M.M.; Shamim, M.S.; Mansoor, N.; Mamum, S.A.; Ganguly, A. Increasing Interposer Utilization: A Scalable, Energy Efficient and High Bandwidth Multicore-Multichip Integration Solution. In Proceedings of the IEEE International Green and Sustainable Computing Conference (IGSC), Orlando, FL, USA, 23–25 October 2017. [Google Scholar]
- Pande, P.P.; Grecu, C.; Jones, M.; Ivanov, A.; Saleh, R. Performance evaluation and design trade-offs for network-on- chip interconnect architectures. IEEE Trans. Comput. 2005, 54, 1025–1040. [Google Scholar] [CrossRef]
- Kumar, A.; Kundu, P.; Singh, A.P.; Pe, L.S.; Jha, N.K. A 4.6Tbits/s 3.6GHz single-cycle NoC router with a novel switch allocator in 65nm CMOS. In Proceedings of the International Conference on Computer Design, Lake Tahoe, CA, USA, 7–10 October 2007; pp. 63–70. [Google Scholar]
- Lee, J.; Nicopoulos, C.; Park, S.J.; Swaminathan, M.; Kim, J. Do we need wide flits in networks-on-chip? In Proceedings of the IEEE Computer Society Annual Symposium on VLSI (ISVLSI), Natal, Brazil, 5–7 August 2013; pp. 2–7. [Google Scholar]
- Kumar, A.; Peh, L.S.; Kundu, P.; Jha, N.K. Toward Ideal On-Chip Communication Using Express Virtual Channels. IEEE Micro 2008, 28, 80–90. [Google Scholar] [CrossRef]
- Mondal, H.K.; Kaushik, S.; Gade, S.H.; Deb, S. Energy-Efficient Transceiver for Wireless NoC. In Proceedings of the 30th International Conference on VLSI Design, Hyderabad, India, 7–11 January 2017; pp. 87–92. [Google Scholar]
- Deb, S.; Sah, S.P.; Cosic, M.; Chang, K.; Yu, X.; Heo, D.; Ganguly, A.; Belzer, B.; Pande, P.P. Design of an Energy-Efficient CMOS-Compatible NoC Architecture with Millimeter-Wave Wireless Interconnects. IEEE Trans. Comput. 2012, 62, 2382–2396. [Google Scholar] [CrossRef]
- Yuan, M.; Fu, W.; Chen, T.; Wu, M. An exploration on quantity and layout of wireless nodes for hybrid wireless network-on-chip. In Proceedings of the High Performance Computing and Communications, Paris, France, 20–22 August 2014; pp. 100–107. [Google Scholar]
- Kim, R.G.; Choi, W.; Liu, G.; Mohandesi, E.; Pande, P.P.; Marculescu, D.; Marculescu, R. Wireless NoC for VFI-Enabled Multicore Chip Design: Performance Evaluation and Design Trade-Offs. IEEE Trans. Comput. 2016, 65, 1323–1336. [Google Scholar] [CrossRef]
- Kim, R.G.; Doppa, J.R.; Pande, P.P.; Marculescu, D.; Marculescu, R. Machine Learning and Manycore Systems Design: A Serendipitous Symbiosis. Available online: https://arxiv.org/abs/1712.00076 (accessed on 27 February 2018).
- Biennia, C.; Kumar, S.; Singh, J.P.; Li, K. The PARSEC benchmark suite: Characterization and architectural implica-tions. In Proceedings of the 17th International Conference on Parallel Architectures and Compilation Techniques, Toronto, ON, Canada, 25–29 October 2008; pp. 72–81. [Google Scholar]
- Woo, S.C.; Ohara, M.; Torrie, E.; Singh, J.P.; Gupta, A. The SPLASH-2 Programs: Characterization and Methodological Considerations. In Proceedings of the 22nd International Symposium on Computer Architecture, S. Margherita Ligure, Italy, 22–24 June 1995; pp. 24–36. [Google Scholar]
- Soteriou, V.; Wang, H.; Peh, L. A Statistical Traffic Model for On-Chip Interconnection Networks. In Proceedings of the 14th IEEE International Symposium on Modeling, Analysis, and Simulation of Computer and Telecommunication Systems, Monterey, CA, USA, 11–14 September 2006; pp. 104–116. [Google Scholar]
- Bogdan, P.; Kas, M.; Marculescu, R.; Mutlu, O. QuaLe: A Quantum-Leap Inspired Model for Non-stationary Analysis of NoC Traffic in Chip Multi-processors. In Proceedings of the Fourth ACM/IEEE International Symposium on Networks-on-Chip, Grenoble, France, 3–6 May 2010; pp. 241–248. [Google Scholar]
- Mondal, H.K.; Gade, S.H.; Shamim, M.S.; Deb, S.; Ganguly, A. Interference-Aware Wireless Network-on-Chip Architecture Using Directional Antennas. IEEE Trans. Multi-Scale Comput. Syst. 2017, 3, 193–205. [Google Scholar] [CrossRef]
- Saleh, A.A.; Valenzuela, R. A Statistical Model for Indoor Multipath Propagation. IEEE J. Sel. Areas Commun. 1987, 5, 128–137. [Google Scholar] [CrossRef]
- Toda, A.P.; Flaviis, F.D. 60-GHz Substrate Materials Characterization Using the Covered Transmission-Line Method. IEEE Trans. Microw. Theory Tech. 2015, 63, 1063–1075. [Google Scholar] [CrossRef]
- Sikder, M.A.I.; Kodi, A.; Rayess, W.; DiTomaso, D.; Matolak, D.; Kaya, S. Exploring Wireless Technology for Off-Chip Memory Access. In Proceedings of the IEEE 24th Annual Symposium High-Performance Interconnects, Santa Clara, CA, USA, 24–26 August 2016; pp. 92–99. [Google Scholar]
- Chen, Z.M.; Zhang, Y.P. Inter-Chip Wireless Communication Channel: Measurement, Characterization, and Modeling. IEEE Trans. Antennas Propag. 2007, 55, 978–986. [Google Scholar] [CrossRef]
- Wu, H.T.; Lin, J.; Kenneth, K.O. Inter-chip wireless communication. In Proceedings of the 7th European Conference on Antennas and Propagation, Gothenburg, Sweden, 8–12 April 2013; pp. 3647–3649. [Google Scholar]
- Bernstein, G.H.; Liu, Q.; Sun, Z.; Fay, P. Quilt packaging: A new paradigm for interchip communication. In Proceedings of the Electronic Packaging Technology Conference, Singapore, 7–9 December 2005. [Google Scholar]
- Karkar, A.J.; Turner, J.E.; Tong, K.; Ra’ed, A.D.; Mak, T.; Yakovlev, A.; Xia, F. Hybrid wire-surface wave interconnects for next-generation networks-on-chip. IET Comput. Digit. Tech. 2013, 7, 294–303. [Google Scholar] [CrossRef]
- Cheema, H.M.; Shamim, A. The last barrier: On-chip antennas. IEEE Microw. Mag. 2013, 14, 79–91. [Google Scholar] [CrossRef]
- Narde, R.S.; Venkataraman, J.; Ganguly, A. Feasibility study of Transmission between Wireless Interconnects in Multichip Multicore systems. In Proceedings of the IEEE International Symposium on Antennas and Propagation & USNC/URSI National Radio Science Meeting, San Diego, CA, USA, 9–14 July 2017; pp. 1821–1822. [Google Scholar]
- Shamim, M.S.; Mansoor, N.; Samaiyar, A.; Ganguly, A.; Deb, S.; Ram, S.S. Energy-efficient wireless network-on-chip architecture with log-periodic on-chip antennas. In Proceedings of the 24th Edition of the Great Lakes Symposium on VLSI, Houston, TX, USA, 21–23 May 2014; pp. 85–86. [Google Scholar]
- Chang, L.; Zhang, Z.; Li, Y.; Wang, S.; Feng, Z. Air-Filled Long Slot Leaky-Wave Antenna Based on Folded Half-Mode Waveguide Using Silicon Bulk Micromachining Technology for Millimeter-Wave Band. IEEE Trans. Antennas Propag. 2017, 65, 3409–3418. [Google Scholar] [CrossRef]
- Bao, X.Y.; Guo, Y.X.; Xiong, Y.Z. 60-GHz AMC-Based Circularly Polarized On-Chip Antenna Using Standard 0.18 μm CMOS Technology. IEEE Trans. Antennas Propag. 2012, 60, 2234–2241. [Google Scholar] [CrossRef]
- Nafe, M.; Syed, A.; Shamim, A. Gain Enhanced On-Chip Folded Dipole Antenna Utilizing Artificial Magnetic Conductor at 94 GHz. IEEE Antennas Wirel. Propag. Lett. 2017, 16, 2844–2847. [Google Scholar] [CrossRef]
- Barakat, A.; Allam, A.; Pokharel, R.K.; Elsadek, H.; El-Sayed, M.; Yoshida, K. Performance optimization of a 60 GHz Antenna-on-Chip over an Artificial Magnetic Conductor. In Proceedings of the Japan-Egypt Conference on Electronics, Communications and Computers (JEC-ECC), Alexandria, Egypt, 6–9 March 2012; pp. 118–121. [Google Scholar]
- Mineo, A.; Rusli, M.S.; Palesi, M.; Ascia, G.; Catania, V.; Marsono, M.N. A closed loop transmitting power selfcalibration scheme for energy efficient WiNoc architectures. In Proceedings of the Design, Automation & Test in Europe Conference & Exhibition, Grenoble, France, 9–13 March 2015; pp. 513–518. [Google Scholar]
- Lee, C.; Yao, T.; Mangan, A.; Yau, K.; Copeland, M.A.; Voinigescu, S.P. SiGe BiCMOS 65-GHz BPSK transmitter and 30 to 122 GHz LC-varactor VCOs with up to 21% tuning range. In Proceedings of the Compound Semiconductor Integrated Circuit Symposium, Monterey, CA, USA, 24–27 October 2004; pp. 179–182. [Google Scholar]
- Park, J.D.; Kang, S.; Thyagarajan, S.V.; Alon, E.; Niknejad, A.M. A 260 GHz fully integrated CMOS transceiver for wireless chip-to-chip communication. In Proceedings of the IEEE Symposium on VLSI Circuits (VLSIC), Honolulu, HI, USA, 13–15 June 2012; pp. 48–49. [Google Scholar]
- Jan, C.H.; Agostinelli, M.; Deshpande, H.; El-Tanani, M.A.; Hafez, W.; Jalan, U.; Janbay, L.; Kang, M.; Lakdawala, H.; Lin, J. RF CMOS technology scaling in High-k/metal gate era for RF SoC (system-on-chip) applications. In Proceedings of the International Electron Devices Meeting, San Francisco, CA, USA, 6–8 December 2010. [Google Scholar]
- Dellsperger, T. Design of a 5 GHz VCO in CMOS; Swiss Federal Institute of Technology Zurich: Zurich, Switzerland, 2002. [Google Scholar]
- Yu, X.; Sah, S.P.; Rashtian, H.; Mirabbasi, S.; Pande, P.P.; Heo, D. A 1.2-pJ/bit 16-Gb/s 60-GHz OOK Transmitter in 65-nm CMOS for Wireless Network-On-Chip. IEEE Trans. Microw. Theory Tech. 2014, 62, 2357–2369. [Google Scholar] [CrossRef]
- Subramaniam, S.; Shinde, T.; Deshmukh, P.; Shamim, M.S.; Indovina, M.; Ganguly, A. A 0.36pJ/bit, 17Gbps OOK Receiver in 45-nm CMOS for Inter and Intra-Chip Wireless Interconnect. In Proceedings of the IEEE 10th International Workshop on Network on Chip Architectures, Cambridge, MA, USA, 14–15 October 2017. [Google Scholar]
- Yu, X.; Rashtian, H.; Mirabbasi, S.; Pande, P.P.; Heo, D. An 18.7-Gb/s 60-GHz OOK Demodulator in 65-nm CMOS for Wireless Network-on-Chip. IEEE Trans. Circuits Syst. 2015, 62, 799–806. [Google Scholar]
- FD- SOI. Available online: http://www.st.com/content/st_com/en/about/innovation---technology/FD-SOI.html (accessed on 17 December 2017).
- Byeon, C.W.; Yoon, C.H.; Park, C.S. A 67-mW 10.7-Gb/s 60-GHz OOK CMOS transceiver for short-range wireless communications. IEEE Trans. Microw. Theory Tech. 2013, 61, 3391–3401. [Google Scholar] [CrossRef]
- Chiang, P.; Dally, W.J.; Lee, M.J.E.; Senthinathan, R.; Oh, Y.; Horowitz, M. 20 Gb/s 0.13 μm CMOS serial link transmitter using an LC-PLL to directly drive the output multiplexer. In Proceedings of the IEEE Symposium on VLSI Circuits, Honolulu, HI, USA, 18–20 June 2004; pp. 272–275. [Google Scholar]
- Wei, A.; Singh, J.; Bouche, G.; Zaleski, M.; Augur, R.; Senapati, B.; Stephens, J.; Lin, I.; Rashed, M.; Yuan, L.; et al. Challenges of analog and I/O scaling in 10nm SoC technology and beyond. In Proceedings of the IEEE International Electron Devices Meeting, San Francisco, CA, USA, 15–17 December 2014. [Google Scholar] [CrossRef]
- Ogras, U.Y.; Marculescu, R. It’s a small world after all: NoC performance optimization via long-range link insertion. IEEE Trans. Very Large Scale Integr. Syst. 2006, 14, 693–706. [Google Scholar] [CrossRef]
- Skeie, T.; Lysne, O.; Theiss, I. Layered shortest path (LASH) routing in irregular system area networks. In Proceedings of the International Parallel and Distributed Processing Symposium, Lauderdale, FL, USA, 19 April 2002; p. 8. [Google Scholar]
- Wettin, P.; Kim, R.; Murray, J.; Yu, X.; Pande, P.P.; Ganguly, A.; Heoamlan, D. Design Space Exploration for Wireless NoCs Incorporating Irregular Network Routing. IEEE Trans. Comput.-Aided Des. Integr. Circuits Syst. 2014, 33, 1732–1745. [Google Scholar] [CrossRef]
- Cormen, T.H.; Leiserson, C.E.; Rivest, R.L.; Cohn, C.S. Introduction to Algorithms, 3rd ed.; MIT Press: Cambridge, MA, USA, 2009. [Google Scholar]
- Abadal, S.; Mestres, A.; Nemirovsky, M.; Lee, H.; González, A.; Alarcón, E.; Cabellos-Aparicio, A. Scalability of Broadcast Performance in Wireless Network-on-Chip. IEEE Trans. Parallel Distrib. Syst. 2016, 27, 3631–3645. [Google Scholar] [CrossRef]
- Mansoor, N.; Shamim, S.; Ganguly, A. A demand-aware predictive dynamic bandwidth allocation mechanism for wireless network-on-chip. In Proceedings of the 18th System Level Interconnect Prediction Workshop, Austin, TX, USA, 4 June 2016; pp. 1–8. [Google Scholar]
- Mishra, A.K.; Vijaykrishnan, N.; Das, C.R. A case for heterogeneous on-chip interconnects for CMPs. In Proceedings of the 38th Annual International Symposium on Computer Architecture, San Jose, CA, USA, 4–8 June 2011; pp. 389–399. [Google Scholar]
- Harsha, G.S.; Deb, S. Hywin: Hybrid wireless NOC with sandboxed sub-networks for cpu/gpu architectures. IEEE Trans. Comput. 2017, 66, 1145–1158. [Google Scholar]
- Zhan, J.; Kayıran, O.; Loh, G.H.; Das, C.R.; Xie, Y. OSCAR: Orchestrating STT-RAM cache traffic for heterogeneous CPU-GPU architectures. In Proceedings of the 49th Annual IEEE/ACM International Symposium on Microarchitecture (MICRO), Taipei, Taiwan, 15–19 October 2016; pp. 1–13. [Google Scholar]
- Ziabari, A.K.; Abellán, J.L.; Ma, Y.; Joshi, A.; Kaeli, D. Asymmetric NoC Architectures for GPU Systems. In Proceedings of the 9th International Symposium on Networks-on-Chip, Vancouver, BC, Canada, 28–30 September 2015; p. 25. [Google Scholar]
- Mansoor, N.; Iruthayaraj, P.J.S.; Ganguly, A. Design methodology for a robust and energy-efficient millimeter-wave wireless network-on-chip. IEEE Trans. Multi-Scale Comput. Syst. 2015, 1, 33–45. [Google Scholar] [CrossRef]
- ANSYS HFSS. Available online: http://www.ansys.com/Products/Electronics/ANSYS-HFSS (accessed on 31 January 2018).
- Binkert, N.; Beckmann, B.; Black, G.; Reinhardt, S.K.; Saidi, A.; Basu, A.; Hestness, J.; Hower, D.R.; Krishna, T.; Sardashti, S.; et al. The gem5 simulator. ACM SIGARCH Comput. Arch. News 2011, 39, 1–7. [Google Scholar] [CrossRef]
- Ubal, R.; Jang, B.; Mistry, P.; Schaa, D.; Kaeli, D. Multi2Sim: A simulation framework for CPU-GPU computing. In Proceedings of the 21st International Conference on Parallel Architectures and Compilation Techniques, Minneapolis, MN, USA, 19–23 September 2012; pp. 335–344. [Google Scholar]
- Catania, V.; Mineo, A.; Monteleone, S.; Palesi, M.; Patti, D. Noxim: An open, extensible and cycle-accurate network on chip simulator. In Proceedings of the IEEE 26th International Conference on Application-specific Systems, Architectures and Processors (ASAP), Toronto, ON, Canada, 27–29 July 2015; pp. 162–163. [Google Scholar]
- Lis, M.; Shim, K.S.; Cho, M.H.; Ren, P.; Khan, O.; Devadas, S. DARSIM: A parallel cycle-level NoC simulator. In Proceedings of the Sixth Annual Workshop on Modeling, Benchmarking and Simulation, Saint Malo, France, 17 June 2010. [Google Scholar]
- Jiang, N.; Balfour, J.; Becker, D.U.; Towles, B.; Dally, W.J.; Michelogiannakis, G.; Kim, J. A detailed and flexible cycle-accurate Network-on-Chip simulator. In Proceedings of the IEEE International Symposium on Performance Analysis of Systems and Software (ISPASS), Austin, TX, USA, 21–23 April 2013; pp. 86–96. [Google Scholar]
- Pawlowski, J.T. Hybrid memory cube (HMC). In Proceedings of the IEEE Hot Chips 23 Symposium (HCS), Stanford, CA, USA, 17–19 August 2011; pp. 1–24. [Google Scholar]
- Vermeulen, B.; Dielissen, J.; Goossens, K.; Ciordas, C. Bringing communication networks on a chip: Test and verification implications. IEEE Commun. Mag. 2003, 41, 74–81. [Google Scholar] [CrossRef]
- Kim, G.S.; Takamiya, M.; Sakurai, T. A capacitive coupling interface with high sensitivity for wireless wafer testing. In Proceedings of the IEEE International Conference on 3D System Integration, San Francisco, CA, USA, 28–30 September 2009; pp. 1–5. [Google Scholar]
- Zhao, D.; Upadhyaya, S.; Margala, M. Design of a wireless test control network with radio-on-chip technology for nanometer system-on-a-chip. IEEE Trans. Comput.-Aided Des. Integr. Circuits Syst. 2006, 25, 1411–1418. [Google Scholar] [CrossRef]
- Liquid Crystalline Polymer Circuit Material Double-Clad Laminates. Available online: https://www.rogerscorp.com/documents/730/acm/ULTRALAM-3000-LCP-laminate-data-sheet-ULTRALAM-3850.aspx (accessed on 30 January 2018).
- Kim, J.; Kim, Y. HBM: Memory Solution for Bandwidth-Hungry Processors. In Proceedings of the IEEE Hot Chips 26 Symposium (HCS), Cupertino, CA, USA, 10–12 August 2014; pp. 1–24. [Google Scholar]
- Sun, C.; Wade, M.T.; Lee, Y.; Orcutt, J.S.; Alloatti, L.; Georgas, M.S.; Waterman, A.S.; Shainline, J.M.; Avizienis, R.R.; Lin, S.; et al. Single-chip microprocessor that communicates directly using light. Nature 2015, 528, 534. [Google Scholar] [CrossRef] [PubMed]
- Sun, C.; Georgas, M.; Orcutt, J.; Moss, B.; Chen, Y.H.; Shainline, J.; Wade, M.; Mehta, K.; Nammari, K.; Timurdogan, E.; et al. A monolithically-integrated chip-to-chip optical link in bulk CMOS. IEEE J. Solid-State Circuits 2015, 50, 828–844. [Google Scholar] [CrossRef]
- Yang, P.; Nakamura, S.; Yashiki, K.; Wang, Z.; Duong, L.H.; Wang, Z.; Chen, X.; Nakamura, Y.; Xu, J. Inter/intra-chip optical interconnection network: Opportunities, challenges, and implementations. In Proceedings of the Tenth IEEE/ACM International Symposium on Networks-on-Chip (NOCS), Nara, Japan, 31 August–2 September 2016; pp. 1–8. [Google Scholar]
- Schoeniger, D.; Henker, R.; Ellinger, F. An 850-nm common-cathode VCSEL driver with tunable energy efficiency for 45 Gbit/s data transmission without equalization. In Proceedings of the IEEE Asia Pacific Microwave Conference (APMC), Kuala Lumpar, Malaysia, 13–16 November 2017; pp. 1103–1106. [Google Scholar]
- Li, Y.; Cho, W.H.; Du, Y.; Du, J.; Huang, P.T.; Lee, S.J.; Chang, M.C. Carrier synchronisation for multiband RF interconnect (MRFI) to facilitate chip-to-chip wireline communication. Electron. Lett. 2016, 52, 535–537. [Google Scholar] [CrossRef]
- Abadal, S.; Alarcón, E.; Cabellos-Aparicio, A.; Lemme, M.; Nemirovsky, M. Graphene-enabled wireless communication for massive multicore architectures. IEEE Commun. Mag. 2013, 51, 137–143. [Google Scholar] [CrossRef]
- Kempa, K.; Rybczynski, J.; Huang, Z.; Gregorczyk, K.; Vidan, A.; Kimball, B.; Carlson, J.; Benham, G.; Wang, Y.; Herczynski, A.; et al. Carbon Nanotubes as Optical Antennae. Adv. Mater. 2007, 19, 421–426. [Google Scholar] [CrossRef]
- Dragoman, M.; Muller, A.A.; Dragoman, D.; Coccetti, F.; Plana, R. Terahertz antenna based on graphene. J. Appl. Phys. 2010, 107, 104313. [Google Scholar] [CrossRef]
- Diego, C.S.; Gomez-Diaz, J.S. Graphene-Based Antennas for Terahertz Systems: A Review. Available online: http://arxiv.org/abs/1704.00371 (accessed on 27 February 2018).
- Jornet, J.M.; Akyildiz, I.F. Graphene-based plasmonic nano-transceiver for terahertz band communication. In Proceedings of the 8th European Conference on Antennas and Propagation (EuCAP), The Hague, The Netherlands, 6–11 April 2014; pp. 492–496. [Google Scholar]
- Llatser, I.; Mestres, A.; Abadal, S.; Alarcón, E.; Lee, H.; Cabellos-aparicio, A. Time and Frequency Domain Analysis of Molecular Absorption in Short-range Terahertz Communications. IEEE Antennas Wirel. Propag. Lett. 2015, 14, 350–353. [Google Scholar] [CrossRef]
- Balamurugan, G.; Kennedy, J.; Banerjee, G.; Jaussi, J.E.; Mansuri, M.; O’Mahony, F.; Casper, B.; Mooney, R. A scalable 5–15 Gbps, 14–75 mW lowpower I/O transceiver in 65 nm CMOS. IEEE J. Solid-State Circuits 2008, 43, 1010–1019. [Google Scholar] [CrossRef]
- Ouyang, J.; Xie, J.; Poremba, M.; Xie, Y. Evaluation of using inductive/capacitive-coupling vertical interconnects in 3D network-on-chip. In Proceedings of the International Conference on Computer-Aided Design, San Jose, CA, USA, 7–11 November 2010; pp. 477–482. [Google Scholar]
- State of the Market: Internet of Things 2017. Available online: https://www.verizon.com/about/sites/default/files/Verizon-2017-State-of-the-Market-IoT-Report.pdf (accessed on 1 February 2018).
- Hsu, Y.P.; Liu, Z.; Hella, M.M. An ultra low-power front-end IC for wearable health monitoring system. In Proceedings of the 38th Annual International Conference of the Engineering in Medicine and Biology Society (EMBC), Orlando, FL, USA, 16–20 August 2016; pp. 1906–1909. [Google Scholar]
- Abbosh, A.; Al-Rizzo, H.; Abushamleh, S.; Bihnam, A.; Khaleel, H.R. Flexible CPW-IFA antenna for wearable electronic devices. In Proceedings of the Antennas and Propagation Society International Symposium (APSURSI), Memphis, TN, USA, 6–11 July 2014; pp. 1720–1721. [Google Scholar]
- ABOUT ROADMA 2.0. Available online: http://www.mhlroadmap.org/roadmap-2-0 (accessed on 1 February 2018).
- Park, S.; Zhang, L.; Chakraborty, S. Design space exploration of drone infrastructure for large-scale delivery services. In Proceedings of the 35th International Conference on Computer-Aided Design, Austin, TX, USA, 7–10 November 2016; pp. 1–7. [Google Scholar]
- Redant, T.; Ayhan, T.; De Clercq, N.; Verhelst, M.; Reynaert, P.; Dehaene, W. 20.1 A 40nm CMOS receiver for 60GHz discrete-carrier indoor localization achieving mm-precision at 4m range. In Proceedings of the IEEE International Solid-State Circuits Conference Digest of Technical Papers (ISSCC), San Francisco, CA, USA, 9–13 February 2014; pp. 342–343. [Google Scholar]
- Merolla, P.A.; Arthur, J.V.; Alvarez-Icaza, R.; Cassidy, A.S.; Sawada, J.; Akopyan, F.; Jackson, B.L.; Imam, N.; Guo, C.; Nakamura, Y.; et al. A million spiking-neuron integrated circuit with a scalable communication network and interface. Science 2014, 345, 668–673. [Google Scholar] [CrossRef] [PubMed]
- Calimera, A.; Macii, E.; Poncino, M. The Human Brain Project and neuromorphic computing. Funct. Neurol. 2013, 28, 191–196. [Google Scholar] [PubMed]
- Cassidy, A.S.; Alvarez-Icaza, R.; Akopyan, F.; Sawada, J.; Arthur, J.V.; Merolla, P.A.; Datta, P.; Tallada, M.G.; Taba, B.; Andreopoulos, A.; et al. Real-Time Scalable Cortical Computing at 46 Giga-Synaptic OPS/Watt with. In Proceedings of the International Conference for High Performance Computing, Networking, Storage and Analysis, New Orleans, LA, USA, 16–21 November 2014; pp. 27–38. [Google Scholar]
- Ahmed, M.Y.; Vidapalapati, A. A Denial-of-Service Resilient Wireless NoC Architecture. In Proceedings of the Great Lakes Symposium on VLSI, Salt Lake City, UT, USA, 2012; pp. 259–262. [Google Scholar]
- Fernando, P.G.; Abellán, J.L. Secure communications in wireless network-on-chips. In Proceedings of the 2nd International Workshop on Advanced Interconnect Solutions and Technologies for Emerging Computing Systems, Stockholm, Sweden, 25 January 2017; pp. 27–32. [Google Scholar]
- Szortyka, V.; Shi, Q.; Raczkowski, K.; Parvais, B.; Kuijk, M.; Wambacq, P. 21.4 A 42mW 230fs-jitter sub-sampling 60 GHz PLL in 40 nm CMOS. In Proceedings of the IEEE International Solid-State Circuits Conference Digest of Technical Papers (ISSCC), San Francisco, CA, USA, 9–13 February 2014; pp. 366–367. [Google Scholar]



















| Dies Per Package | Cores Per Die | Die Dimension (X × Y) (mm) | Good Die Per Wafer | Yield (%) |
|---|---|---|---|---|
| 1 | 64 | 20 × 20 | 86 | 60.8 |
| 2 | 32 | 20 × 10 | 232 | 77.5 |
| 4 | 16 | 10 × 10 | 545 | 87.9 |
| 8 | 8 | 10 × 5 | 1186 | 93.7 |
| 16 | 4 | 5 × 5 | 2471 | 96.8 |
| References | This Paper | [67] 1 | [71] 1 |
|---|---|---|---|
| Technology node | 45-nm CMOS | 65-nm CMOS | 90-nm CMOS |
| Carrier Frequency | 60 GHz | 60 GHz | 60 GHz |
| Modulation | OOK | OOK | OOK |
| Maximum Data Rate | 16 Gb/s | 16 Gb/s | 10.7 Gb/s |
| Power Consumption | 3.9 mW | 19 mW | 31 mW |
| Supply Voltage | 1 V | 1 V | 0.8/1.8 V |
| RF output P1dB | −3 dBm | 1.5 dBm | 5.1 dBm |
| Bit-Energy Efficiency | 0.24 pJ/bit | 1.2 pJ/bit | 2.9 pJ/bit |
| Active-Foot Print | N/A | 0.077 | 0.15 |
| FoM | 2.055 | 1.19 | 1.12 |
| References | [68] | [69] 1 | [71] 1 |
|---|---|---|---|
| Technology | 45 nm | 65 nm | 90 nm |
| Conversion Gain | 16 dB | 12.9 dB | 16 dB |
| Carrier Frequency | 60 GHz | 60 GHz | 60 GHz |
| Required input Power | −12 dBm | −16 dBm | −8 dBm |
| Max Data Rate | 17 Gb/s | 18.7 Gb/s | 10.7 Gb/s |
| Power Consumption | 1.3 mW | 4.6 mW | 19.2 mW |
| Supply Voltage | 1 V | 1 V | 1.2 V |
| Responsivity | 3.15 V/mW | 6.1 V/mW | 5.89 V/mW |
| Bit-Energy Efficiency | 0.08 pJ/bit | 0.25 pJ/bit | 0.56 pJ/bit |
| Interconnect/Integration Technology | Advantage | Disadvantage | Energy/Bit (pJ/Bit) at 65 nm Tech | Physical Bandwidth Per Channel (Gbps) |
|---|---|---|---|---|
| 2D (I/O) | Matured technology and reliable communication. | Large latency and higher energy dissipation. | 5.0 [108] | 15 [108] |
| 2.5D | Reduced cost and improved yield. | Number of device integrated is limited by interposer size. Challenges of metallic interconnects persist. | ~0.2 pJ/bit/mm [21] | 1–3 [21] |
| 3D | Low latency and high bandwidth communication. | Higher heat dissipation density and less reliable TSV-based fabrication. | 0.125 [109] | 80 [109] |
| RF-I | Multi-band RF interconnect. | Requires physical waveguide design. | 1 pJ/bit [101] 1 | 4.0 [101] |
| Photonic | High bandwidth and low energy consumption. | Thermal variation on the chip potentially resulting in lack of tuning of electro-optic devices. Fabrication of Integrated laser sources for carrier generation in SOI processes. | 0.43 [13] | 10 [13] |
| Wireless (mm-wave) | CMOS compatible, single hop, energy efficient communication. | Limited physical bandwidth. Requiring architecture design to maximize bandwidth utilization. | 2.075 [67] | 16 [67] |
| Wireless (CNT—THz band) | High bandwidth and ultra-low energy consumption. | Fabrication and CMOS integration of CNT with desired properties is challenging. | 0.48 [31] | 10 [31] |
© 2018 by the authors. Licensee MDPI, Basel, Switzerland. This article is an open access article distributed under the terms and conditions of the Creative Commons Attribution (CC BY) license (http://creativecommons.org/licenses/by/4.0/).
Share and Cite
Ganguly, A.; Ahmed, M.M.; Singh Narde, R.; Vashist, A.; Shamim, M.S.; Mansoor, N.; Shinde, T.; Subramaniam, S.; Saxena, S.; Venkataraman, J.; et al. The Advances, Challenges and Future Possibilities of Millimeter-Wave Chip-to-Chip Interconnections for Multi-Chip Systems. J. Low Power Electron. Appl. 2018, 8, 5. https://doi.org/10.3390/jlpea8010005
Ganguly A, Ahmed MM, Singh Narde R, Vashist A, Shamim MS, Mansoor N, Shinde T, Subramaniam S, Saxena S, Venkataraman J, et al. The Advances, Challenges and Future Possibilities of Millimeter-Wave Chip-to-Chip Interconnections for Multi-Chip Systems. Journal of Low Power Electronics and Applications. 2018; 8(1):5. https://doi.org/10.3390/jlpea8010005
Chicago/Turabian StyleGanguly, Amlan, M. Meraj Ahmed, Rounak Singh Narde, Abhishek Vashist, Md Shahriar Shamim, Naseef Mansoor, Tanmay Shinde, Suryanarayanan Subramaniam, Sagar Saxena, Jayanti Venkataraman, and et al. 2018. "The Advances, Challenges and Future Possibilities of Millimeter-Wave Chip-to-Chip Interconnections for Multi-Chip Systems" Journal of Low Power Electronics and Applications 8, no. 1: 5. https://doi.org/10.3390/jlpea8010005
APA StyleGanguly, A., Ahmed, M. M., Singh Narde, R., Vashist, A., Shamim, M. S., Mansoor, N., Shinde, T., Subramaniam, S., Saxena, S., Venkataraman, J., & Indovina, M. (2018). The Advances, Challenges and Future Possibilities of Millimeter-Wave Chip-to-Chip Interconnections for Multi-Chip Systems. Journal of Low Power Electronics and Applications, 8(1), 5. https://doi.org/10.3390/jlpea8010005

