Research on Frequency Characteristic Fitting of LLC Switching-Mode Power Supply Under All Operating Conditions Based on FT-WOA-MLP
Abstract
1. Introduction
- Deployability: small parameter count and low inference latency (embedded/edge friendly).
- Data fit: stable, reproducible training on modest FRA datasets (144 × 81).
- Continuity: a smooth frequency-response “surface” over the operating domain, unlike per-point models.
- Complementarity: analytical baselines (FHA/refined average) give physical intuition; the MLP supplies high-fidelity, cross-condition fitting and instant querying.
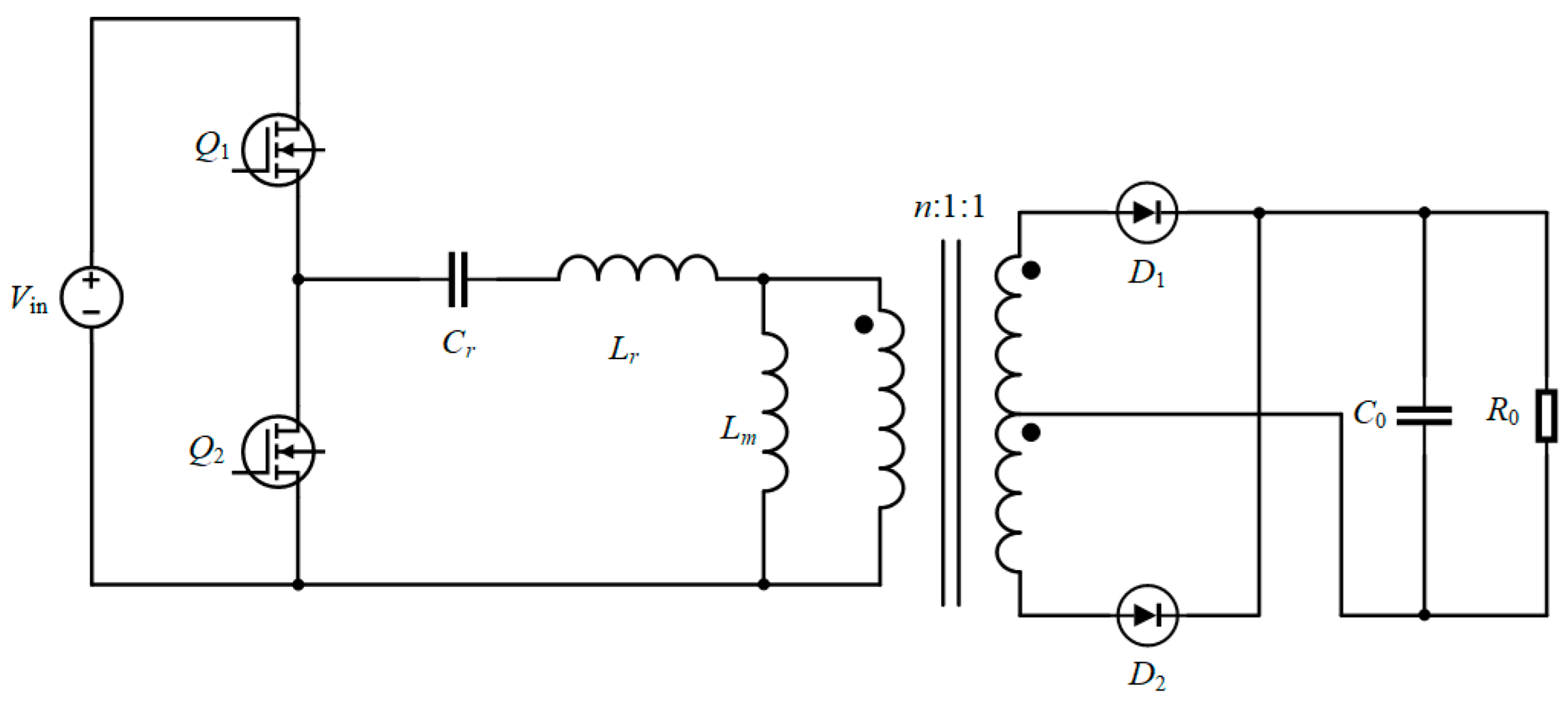
2. LLC SMPS and Its Frequency Characteristics
2.1. LLC SMPS
- Working mode 1: f > fr, under-resonance mode.
- Working mode 2: f = fr, complete resonance.
- Working mode 3: fm < f < fr, quasi-resonant mode.
2.2. Frequency Characteristics of Control Loop
- Amplitude-frequency characteristics: The amplitude ratio between the output AC response component and the input excitation signal T1 varies with frequency, usually expressed in decibels (dB). It reflects the system’s ability to amplify or attenuate signals of different frequencies. The magnitude is calculated using Formula (3):
- Phase-frequency characteristics: The phase difference between the output AC response component and the input excitation signal T1 varies with frequency, usually expressed in degrees (°) or radians (rad). It reflects the system’s ability to delay signals of different frequencies. The phase is calculated using Formula (4):
3. Establishment of Fitting Model
3.1. MLP Fitting Model
- Input layer: The number of neurons (Nin) in the input layer is set according to the number of input characteristics.
- Hidden layer: The hidden layer uses an adaptive structural optimization mechanism, and the initial number of neurons (h0) and the number of structural optimizations (k) in the hidden layer are set to achieve evolutionary iteration of the hidden layer. Each round of iteration includes dynamic adjustment of neuron quantity, depth expansion of the hidden layer, and topological reconstruction of connections between hidden layers. The nonlinear activation function ReLU is uniformly used for each hidden layer.
- Output layer: The output layer structure is determined according to the task requirements. The number of neurons (Nout) in the output layer is set according to the number of output characteristics, and the maximum number of iterations (epochs) and learning rate (η) are set.
3.2. WOA-MLP Fitting Model
- Fitness (objective): validation loss, given by Formula (8):with magnitude MAE and unwrapped phase RMSE.
- Position encoding: each whale encodes (continuous dims normalized; discrete dims via index mapping).
- WOA updates given by Formula (9):
- Decode/Train/Eval: decode , train the MLP with a fixed budget, and compute on the validation set as the fitness.
- Normalize each hyperparameter to [0, 1] (discrete dims via index lists).
- Sample N initial whales
- Decode and repair: map , round discrete dims, and clip to feasible bounds if needed.
- Evaluate fitness to set the initial best .
- Architecture: depth , width , ;
- Training: initial LR , weight decay , dropout , batch , early-stopping patience .
3.3. FT-WOA-MLP Fitting Model
- Construction of pre-trained model: Similar to the construction of the WOA-MLP model, normalize the input feature quantity and then input it into the MLP training model. With MAE as the target value, use the WOA to perform spiral optimization iteration on the learning probability of MLP. Set the training cycle (epochs_pt) according to the amount of data and conduct training under all operating conditions.
- Construction of FT model: Remove the original fitting output layer in WOA-MLP, add a new specific task layer, introduce regularization constraints to enhance the generalization capabilities of the new layer, and freeze all pre-trained layer parameters to retain feature extraction capabilities.
- Hierarchical optimization training: Adjust the model structure, replace the top layer, and configure the learning rate (lr). Set the training cycle (epochs_ft) according to the amount of data and conduct training under all operating conditions. Select an appropriate optimizer and set the momentum coefficient (mom).
- FT training: Progressively fine-tune the model, freeze the feature extraction layer, train only the newly added task layer until convergence, and unfreeze the terminal pre-trained layer.
4. Experimental Analysis
4.1. Experimental Conditions
4.2. Frequency Characteristic Data Acquisition
4.2.1. Data Acquisition
4.2.2. Outlier Processing
4.2.3. Dataset Division
4.3. Model Parameter Setting
4.3.1. MLP Parameter Setting
- Input layer: The number of neurons is determined by the number of input features. The input feature quantities include input voltage U, output current I, and injection frequency F. Let the number of neurons in the input layer Nin = 3.
- Hidden layer: Dynamically optimize the neurons in the hidden layer according to training errors and computing resources, and adaptively adjust the number of neurons or number of hidden layers. Assume that the initial number of neurons in the hidden layer h0 = 10 and the number of structural optimizations k = 5.
- Output layer: Determine the number of neurons and activation function according to the fitting target. The number of neurons is equal to the number of output features. The output feature quantity includes amplitude-frequency and phase-frequency. Let the number of neurons in the output layer Nout = 2; let the maximum number of training epochs = 500, and the learning rate η = 0.01; use ReLU as the activation function.
4.3.2. Horizontal Comparison Between MLP and WNN
4.3.3. WOA Parameter Setting
- Optimization objectives: Given that the amplitude-frequency and phase-frequency characteristics were fitted separately to establish a dual-objective optimization framework, set the output variable dimension dim = 1; select the MAE as the fitness function to ensure the fitting accuracy.
- Population and iteration configuration: To balance exploration and development capabilities, set population size = 20; to ensure full convergence of large datasets (>10 k samples), set the maximum number of iterations epochs = 400.
- Setting of dual iteration mechanism: The outer layer iteration completes the WOA global optimization process; the inner layer iteration fine-tunes the learning probability in MLP, with the number of FT iterations set as opt = 30.
4.3.4. Model FT Parameter Setting
- Learning rate configuration: Use the hierarchical learning rate mechanism, with the learning rate of top task layer set as lr_top ∈ [10−2, 10−4] and the learning rate of bottom feature extraction layer set as lr_bottom ∈ [10−2, 10−6]. Learning rate optimization was achieved through the Bayesian hyperparameter optimization framework [32].
- Optimizer configuration: Use the stochastic gradient descent (SGD) algorithm and introduce momentum coefficient, with the momentum coefficient at the initial stage set as mom_init = 0.8 and the momentum coefficient at the convergence stage set as mom_final = 0.95.
- Training cycle setting: To ensure full convergence of large datasets (>10 k samples), set the number of pre-trained model iterations epochs_pt = 400; to prevent overfitting, set the number of FT iterations epochs_ft = 200.
- Structural configuration: Unfreeze the last two pre-trained layers in the fine-tuning stage for end-to-end optimization.
4.4. Comparison of Amplitude-Frequency Characteristics
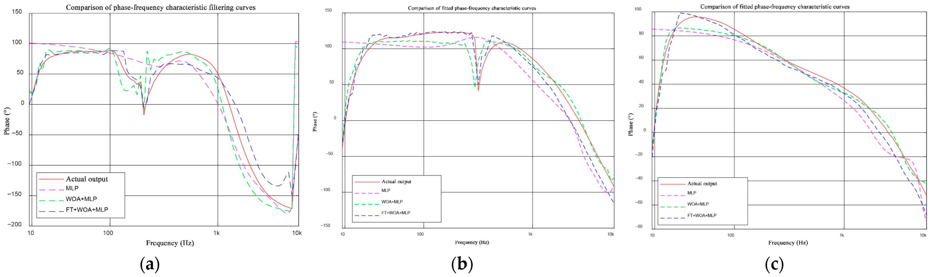
4.5. Comparison of Phase-Frequency Characteristics
4.6. Comparison with Analytical Models
- Magnitude (top): Around the bandwidth (), the measurement rolls off at −20 dB/dec. The improved averaged curve almost coincides with the measurement, whereas FHA remains too flat and underestimates the slope. At a few kHz, the measurement shows a mild shoulder caused by the ESR zero; the improved model reproduces this feature through , while FHA misses it and diverges at higher frequencies.
- Phase (bottom): Near the bandwidth, the improved model follows the measured bend; at higher frequencies, it also captures the additional lag caused by sampled-data/transport delay (). FHA lacks both mechanisms, hence the wrong bend location and decay trend.
4.7. Practical Application Case Study: Defect Identification and Quality Control
- Scenario A (healthy unit): If the measured response closely matches the predicted curves (similar to the agreement shown in Figure 10), the unit passes the quality check.
- Scenario B (defective unit): If a significant deviation is detected—for example, a measured phase margin reduced by 15° or the appearance of an unexpected resonance peak—the system flags the unit as defective. Such deviations may stem from a wrong capacitor value, a faulty solder joint, or incorrect transformer inductance. The unit can then be sent for detailed inspection and rework.
4.8. Closed-Loop Characteristics
5. Conclusions
Supplementary Materials
Author Contributions
Funding
Data Availability Statement
Conflicts of Interest
Appendix A
Analytical Small-Signal Derivation of an LLC Resonant Converter (FHA)
- Assumptions and notation (FHA framework)
- Half-bridge excitation with 50% duty; switches and rectifier are ideal.
- Only fundamental (first harmonic) components of voltages/currents are retained.
- The output capacitor Co is large so that the DC ripple is small; the load is Ro.
- Secondary rectifier and load are referred to the primary by an AC resistance chosen to preserve power.
- 2.
- Fundamental source and tank model
- 3.
- AC–DC linkage (power consistency)
- 4.
- Small-signal control-to-output path under frequency modulation (PFM)
- 5.
- Loop formation and sensitivity functions
References
- Kanale, A.; Agarwal, A.; Baliga, B.J.; Bhattacharya, S. Monolithic Reverse Blocking 1.2 kV 4H-SiC Power Transistor: A Novel, Single-Chip, Three-Terminal Device for Current Source Inverter Applications. IEEE Trans. Power Electron. 2022, 37, 10112–10116. [Google Scholar] [CrossRef]
- Kamarajugadda, N.; Fernandes, B.G.; Chatterjee, K. GaN-Based High Power Density Multifunctional Onboard Charger for Electric Vehicles Eliminating Auxiliary Power Module. IEEE Trans. Ind. Electron. 2025, 72, 7920–7931. [Google Scholar] [CrossRef]
- Hertel, J.C.; Overgaard, J.E.F.; Jorgensen, I.H.H.; Andersen, T.M.; Rodgaard, M.; Knott, A. Synchronous Rectifier for High-Frequency Switch-Mode Power Supplies Using Phase-Locked Loops. IEEE J. Emerg. Sel. Top. Power Electron. 2020, 8, 2227–2237. [Google Scholar] [CrossRef]
- Kurimoto, Y. A High Precision Power Supply for Fast Pulse Current with a Digital Control System. IEEE Trans. Appl. Supercond. 2016, 26, 1–4. [Google Scholar] [CrossRef]
- Funaki, H.; Noge, Y.; Shoyama, M.; Yonezawa, Y.; Miyazawa, A. Construction of HILS System for LLC Resonant Converter Using LPV Model. IEEE Trans. Ind. Appl. 2024, 60, 3297–3305. [Google Scholar] [CrossRef]
- Xu, Y.; You, W.; Zhang, Z.; Wu, H.; Jin, T. Hybrid Energy System for Urban Rail Power Supply Based on Multi-Level Multi-Port LCC Resonant Converters. IEEE Trans. Transp. Electrif. 2025, 11, 8987–8999. [Google Scholar] [CrossRef]
- Park, W.; Namgoong, G.; Choi, E.; Bien, F. An On-/Off-Time Sensing-Based Load-Adaptive Mode Control of Triple Mode Buck Converter for Implantable Medical Devices. IEEE Trans. Biomed. Circuits Syst. 2023, 17, 585–597. [Google Scholar] [CrossRef]
- Gao, Y.; Kang, B.; Chen, Y.; Zhao, Y.; Zhang, W.; Fan, Y. A Simple and All-Optical Microwave Doppler Frequency Shift and Phase Measurement System Based on Sagnac Loop and I/Q Detection. IEEE Trans. Instrum. Meas. 2021, 70, 1–9. [Google Scholar] [CrossRef]
- Yang, J.; Yan, T.; Sun, W. Polynomial Fitting and Interpolation Method in TDOA Estimation of Sensors Network. IEEE Sens. J. 2023, 23, 3837–3847. [Google Scholar] [CrossRef]
- Yutthagowith, P.; Baba, Y. An Effective Approximate Mathematical Expression for Non-Linear Resistance Characteristics of Metal Oxide Elements. IEEE Trans. Electromagn. Compat. 2025, 67, 988–995. [Google Scholar] [CrossRef]
- Ramos-Frutos, J.; Miguel-Andrés, I.; Oliva, D.; Pérez-Cisneros, M.; Alonso-Rasgado, T.; Bailey, C.G.; Francisco Del Valle-Mojica, J. Digital Image Processing Applied in the Deformation Analysis of Hip Prosthesis: Multivariate Regression Analysis. IEEE Access 2024, 12, 176938–176948. [Google Scholar] [CrossRef]
- Long, C.; Hu, Q.; Zhao, M.; Li, D.; Ouyang, Z.; Yan, D.-M. A Triple-Stage Robust Ellipse Fitting Algorithm Based on Outlier Removal. IEEE Trans. Instrum. Meas. 2023, 72, 1–14. [Google Scholar] [CrossRef]
- Wenting, M.; Mingyao, M. Shading Fault Detection Method for Household Photovoltaic Power Stations Based on Inherent Characteristics of Monthly String Current Data Mapping. CSEE J. Power Energy Syst. 2023, 9, 1370–1382. [Google Scholar]
- Ren, L.; Dong, J.; Wang, X.; Meng, Z.; Zhao, L.; Deen, M.J. A Data-Driven Auto-CNN-LSTM Prediction Model for Lithium-Ion Battery Remaining Useful Life. IEEE Trans. Ind. Inform. 2021, 17, 3478–3487. [Google Scholar] [CrossRef]
- Ibude, F.; Otebolaku, A.; Ameh, J.E.; Ikpehai, A. Multi-Timescale Energy Consumption Management in Smart Buildings Using Hybrid Deep Artificial Neural Networks. J. Low Power Electron. Appl. 2024, 14, 54. [Google Scholar] [CrossRef]
- Gan, Z.; He, D.; Wu, P.; Xiong, B.; Zeng, N.; Zou, F.; Guo, F.; Bao, Q.; Zhao, F. CCD Standard Curve Fitting for Microarray Detection Base on Multi-Layer Perceptron. IEEE Photon. J. 2024, 16, 1–11. [Google Scholar] [CrossRef]
- Li, W.; Wang, X.; Wang, L.; Jia, L.; Song, R.; Fu, Z.; Xu, W. An LSTM and ANN Fusion Dynamic Model of a Proton Exchange Membrane Fuel Cell. IEEE Trans. Ind. Inform. 2023, 19, 5743–5751. [Google Scholar] [CrossRef]
- Aguirre, F.L.; Gomez, N.M.; Pazos, S.M.; Palumbo, F.; Suñé, J.; Miranda, E. Minimization of the Line Resistance Impact on Memdiode-Based Simulations of Multilayer Perceptron Arrays Applied to Pattern Recognition. J. Low Power Electron. Appl. 2021, 11, 9. [Google Scholar] [CrossRef]
- Zhang, Y.; Li, S.; Yi, W.; Yang, Y.; Cao, K.; Luo, B. A Robust Model Predictive Current Closed-Loop Control with Parameter Estimation Strategy Based on Immune Chaotic Antipredator PSO for PMSM. IEEE Trans. Power Electron. 2025, 40, 1836–1848. [Google Scholar] [CrossRef]
- Memon, M.A.; Siddique, M.D.; Mekhilef, S.; Mubin, M. Asynchronous Particle Swarm Optimization-Genetic Algorithm (APSO-GA) Based Selective Harmonic Elimination in a Cascaded H-Bridge Multilevel Inverter. IEEE Trans. Ind. Electron. 2022, 69, 1477–1487. [Google Scholar] [CrossRef]
- Khurshaid, T.; Wadood, A.; Gholami Farkoush, S.; Yu, J.; Kim, C.-H.; Rhee, S.-B. An Improved Optimal Solution for the Directional Overcurrent Relays Coordination Using Hybridized Whale Optimization Algorithm in Complex Power Systems. IEEE Access 2019, 7, 90418–90435. [Google Scholar] [CrossRef]
- Ahmad, N.S. Modeling and Hybrid PSO-WOA-Based Intelligent PID and State-Feedback Control for Ball and Beam Systems. IEEE Access 2023, 11, 137866–137880. [Google Scholar] [CrossRef]
- Krishnamoorthy, S.K.; Das, N.; Gudimetla, P.; Emami, K. Enhanced Speed Control for BLDC Motors Using WOA-Integrated PID Controller Optimization. IEEE Access 2024, 12, 162465–162475. [Google Scholar] [CrossRef]
- Yabalar, M.H.; Ercelebi, E. Hybrid Optimization Based Harmonic Minimization in Three Phase Multilevel Inverter with Reduced Switch Topology. IEEE Access 2024, 12, 71010–71023. [Google Scholar] [CrossRef]
- Vrbancic, G.; Podgorelec, V. Transfer Learning with Adaptive Fine-Tuning. IEEE Access 2020, 8, 196197–196211. [Google Scholar] [CrossRef]
- Lv, H.; Zhang, L.; Wang, Y. Improving DNN Accuracy on MLC PIM via Non-Ideal PIM Device Fine-Tuning. IEEE Trans. Comput.-Aided Des. Integr. Circuits Syst. 2025, 44, 2277–2286. [Google Scholar] [CrossRef]
- Zhou, Y.; Zhang, Q.; Huang, T.; Cai, Z. Prior Knowledge-Augmented Meta-Learning for Fine-Grained Fault Diagnosis. IEEE Trans. Ind. Inform. 2024, 20, 8115–8124. [Google Scholar] [CrossRef]
- Liang, J.; Liang, Q.; Wu, Z.; Chen, H.; Zhang, S.; Jiang, F. A Novel Unsupervised Deep Transfer Learning Method with Isolation Forest for Machine Fault Diagnosis. IEEE Trans. Ind. Inform. 2024, 20, 235–246. [Google Scholar] [CrossRef]
- Jabin, M.A.; Fok, M.P. Prediction of 12 Photonic Crystal Fiber Optical Properties Using MLP in Deep Learning. IEEE Pho-Tonics Technol. Lett. 2022, 34, 391–394. [Google Scholar]
- Qin, H.; Peng, J.; Xie, S.; Mo, Y.; Xiu, Q.; Chen, W. Switching Characteristics Analysis and Power Loss Minimization of SiC BJT Based on Dual Power Supply RC Driving Circuit. Energy Rep. 2022, 8, 710–720. [Google Scholar] [CrossRef]
- Jiang, F.; Dong, L.; Dai, Q. Designing a Mixed Multilayer Wavelet Neural Network for Solving ERI Inversion Problem with Massive Amounts of Data: A Hybrid STGWO-GD Learning Approach. IEEE Trans. Cybern. 2022, 52, 925–936. [Google Scholar] [CrossRef] [PubMed]
- Sukhorukov, M.P.; Kremzukov, Y.A.; Yudintsev, A.G.; Rulevskiy, V.M. Solar-Hydrogen System of Additional Power Supply and Digital Control System for on-Board Power Supply System. Int. J. Hydrogen Energy 2024, 88, 344–357. [Google Scholar] [CrossRef]




















| Parameter | Value |
|---|---|
| Topology | Half-bridge LLC resonant converter 1 |
| Rated Power | 1500 W |
| Input Voltage | 380–710 V (nominal 530 V) |
| Output Voltage | 24 V |
| Output Current | 6–72 A (nominal 54 A) |
| Switching Frequency | 40–200 kHz |
| Resonant Capacitor Cr | 1.33 × 10−7 F (133 nF) |
| Resonant Inductor Lr | 2.975 × 10−5 H (29.75 µH) |
| Magnetizing Inductor Lm | 1.339 × 10−4 H (133.9 µH) |
| Ratio k = Lm/Lr | ≈4.5 |
| Transformer Turns Ratio | 10.93:1 |
| Output Capacitor Co | 3300 μF, ESR ≈ 8 mΩ |
| Power Switches | MOSFET, 900 V/40 A 1 |
| Rectifier | Diode, 100 V/60 A 1 |
| Item | Value |
|---|---|
| Operating points (Uin × Iout) | 144 |
| Frequency samples per operating point | 81 |
| Frequency span | 10 Hz–10 kHz |
| Total samples | 11,664 |
| Uin range | 380–710 V |
| Iout range | 6–72 A |
| Measurement method | FRA via injection transformer across Rinj (loop) |
| Category | Variable | Symbol | Definition | Normalization |
|---|---|---|---|---|
| Input | Input voltage | Uin | Operating-point DC bus voltage | Min–max [0, 1] |
| Input | Output current | Iout | Operating-point load current | Min–max [0, 1] |
| Input | Frequency | f | FRA injection frequency (sweep grid) | log10 f |
| Target | Loop magnitude | Mag(dB) | 20\log_{10} | — |
| Target | Loop phase | Phase(deg) | ∠T(jω) (unwrap then wrap) | Zero-mean/ unit-variance |
| Preproc. | Phase handling | — | Unwrap → wrap to [−180°, 180°] | — |
| Preproc. | Outlier handling | — | Mean-shift/threshold removal | — |
| Parameter Name | Parameter Value | Description |
|---|---|---|
| Nin | 3 | Number of neurons in the input layer (U, I, F) |
| Nout | 2 | Number of neurons in the output layer (amplitude- frequency, phase-frequency) |
| h0 | 10 | Initial number of neurons in the hidden layer |
| k | 5 | Number of structural optimizations |
| η | 0.01 | Learning rate |
| epochs | 500 | Maximum number of training |
| Model | MAE | MAPE | RMSE | R2 |
|---|---|---|---|---|
| MLP | 4.5010 | 0.5819 | 6.0986 | 0.78 |
| WNN | 4.9308 | 1.0121 | 7.7817 | 0.69 |
| Model | MAE | MAPE | RMSE | R2 |
|---|---|---|---|---|
| MLP | 11.6546 | 0.3773 | 25.8022 | 0.75 |
| WNN | 18.0336 | 0.6398 | 36.8963 | 0.66 |
| Parameter Name | Parameter Value | Description |
|---|---|---|
| dim | 1 | Output variable dimension |
| size | 20 | Population size |
| epochs | 400 | Maximum number of iterations |
| opt | 30 | Number of FT iterations |
| Parameter Name | Parameter Value | Description |
|---|---|---|
| epochs_pt | 400 | Number of pre-trained model iterations |
| epochs_ft | 200 | Number of FT iterations |
| lr_top | [10−2, 10−4] | Learning rate of top task layer |
| lr_bottom | [10−2, 10−6] | Learning rate of bottom feature extraction layer |
| mom_init | 0.8 | Momentum coefficient at the initial stage |
| mom_final | 0.95 | Momentum coefficient at the convergence stage |
| Model | MAE | MAPE | RMSE | R2 |
|---|---|---|---|---|
| MLP | 4.5010 | 0.5819 | 6.0986 | 0.78 |
| WOA-MLP | 3.2065 | 0.2506 | 8.2219 | 0.85 |
| FT-WOA-MLP | 2.0995 | 0.0974 | 4.0474 | 0.92 |
| Model | MAE | MAPE | RMSE | R2 |
|---|---|---|---|---|
| MLP | 11.6546 | 0.3773 | 25.8022 | 0.75 |
| WOA-MLP | 7.0901 | 0.1904 | 16.9005 | 0.86 |
| FT-WOA-MLP | 3.5020 | 0.0956 | 10.5192 | 0.94 |
Disclaimer/Publisher’s Note: The statements, opinions and data contained in all publications are solely those of the individual author(s) and contributor(s) and not of MDPI and/or the editor(s). MDPI and/or the editor(s) disclaim responsibility for any injury to people or property resulting from any ideas, methods, instructions or products referred to in the content. |
© 2025 by the authors. Licensee MDPI, Basel, Switzerland. This article is an open access article distributed under the terms and conditions of the Creative Commons Attribution (CC BY) license (https://creativecommons.org/licenses/by/4.0/).
Share and Cite
Guo, J.; Han, R.; Yang, Z.; An, G.; Li, R.; Zhang, L. Research on Frequency Characteristic Fitting of LLC Switching-Mode Power Supply Under All Operating Conditions Based on FT-WOA-MLP. J. Low Power Electron. Appl. 2025, 15, 57. https://doi.org/10.3390/jlpea15040057
Guo J, Han R, Yang Z, An G, Li R, Zhang L. Research on Frequency Characteristic Fitting of LLC Switching-Mode Power Supply Under All Operating Conditions Based on FT-WOA-MLP. Journal of Low Power Electronics and Applications. 2025; 15(4):57. https://doi.org/10.3390/jlpea15040057
Chicago/Turabian StyleGuo, Jiale, Rongsheng Han, Zibo Yang, Guoqing An, Rui Li, and Long Zhang. 2025. "Research on Frequency Characteristic Fitting of LLC Switching-Mode Power Supply Under All Operating Conditions Based on FT-WOA-MLP" Journal of Low Power Electronics and Applications 15, no. 4: 57. https://doi.org/10.3390/jlpea15040057
APA StyleGuo, J., Han, R., Yang, Z., An, G., Li, R., & Zhang, L. (2025). Research on Frequency Characteristic Fitting of LLC Switching-Mode Power Supply Under All Operating Conditions Based on FT-WOA-MLP. Journal of Low Power Electronics and Applications, 15(4), 57. https://doi.org/10.3390/jlpea15040057
