Comparative Modelling and Thermal Analysis of AlGaN/GaN Power Devices
Abstract
1. Introduction
2. Thermal Simulation
2.1. 2D Model of VDMOSFETs with Si and AlGaN
2.1.1. Model Geometry
2.1.2. Boundary Conditions
2.1.3. Material Properties
2.1.4. Semiconductor Physics Modeling
2.1.5. Heat Transfer Physics Modeling
2.1.6. Model Simulation and Results
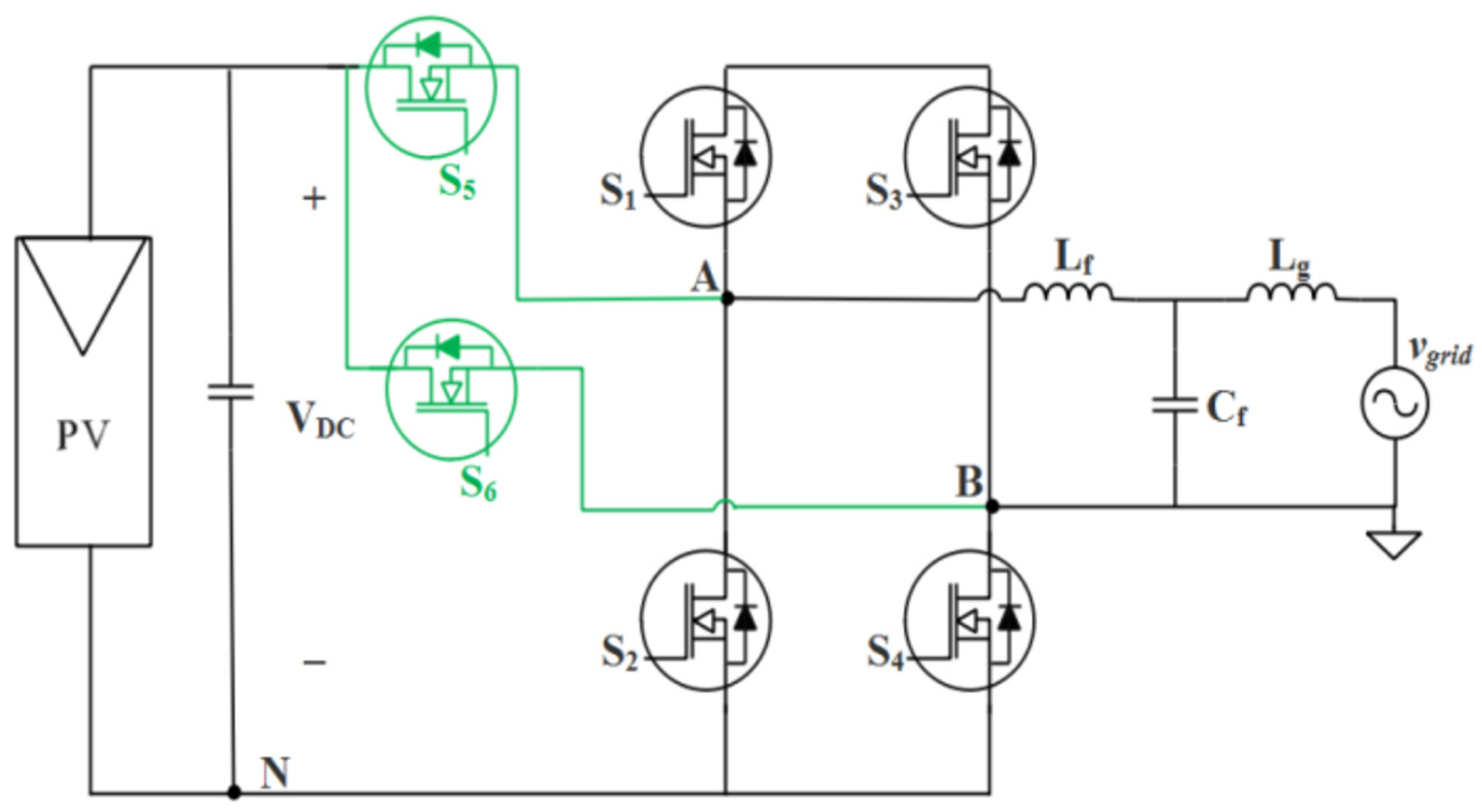
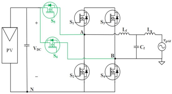
2.2. 3D Thermal Modeling of Multipack Switching Devices
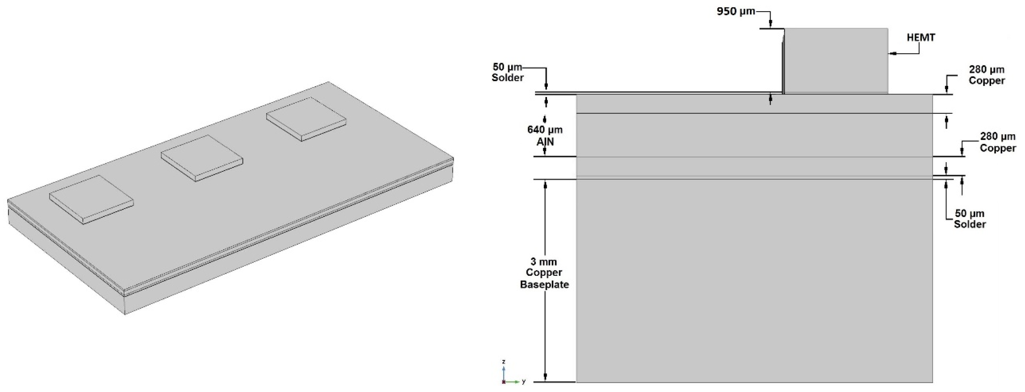
2.2.1. Model Geometry
2.2.2. Material Properties
2.2.3. Heat Transfer Physics Modelling
2.2.4. Model Simulation and Results
3. Conclusions
Author Contributions
Funding
Data Availability Statement
Conflicts of Interest
References
- Millán, J.; Godignon, P. Wide Band Gap power semiconductor devices. In 2013 Spanish Conference on Electron Devices; IEEE: Valladolid, Spain, 2013. [Google Scholar]
- Millan, J. A review of WBG power semiconductor devices. In Proceedings of the CAS 2012 (International Semiconductor Conference), Sinaia, Romania, 15–17 October 2012. [Google Scholar]
- Ozpineci, B.; Tolbert, L.M.; Islam, S.K.; Chinthavali, M. Comparision of wide band gap semiconductors for power electronics applications. In Proceedings of the 10th European Conference on Power Electronics and Applications, Toulouse, France, 2–4 September 2003. [Google Scholar]
- Kaminski, N. State of the Art and the Future of Wide Band-Gap Devices. In Proceedings of the 13th European Conference on Power Electronics and Applications, Barcelona, Spain, 8–10 September 2009. [Google Scholar]
- Jain, H.; Rajawat, S.; Agrawal, P. Comparision of wide band gap semiconductors for power electronics applications. In Proceedings of the 2008 International Conference on Recent Advances in Microwave Theory and Applications, Jaipur, India, 21–24 November 2008. [Google Scholar]
- Alexakis, P.; Alatise, O.; Hu, J.; Jahdi, S.; Ran, L.; Mawby, P. Improved Electrothermal Ruggedness in SiC MOSFETs Compared With Silicon IGBTs. IEEE Trans. Electron Devices 2014, 61, 2278–2286. [Google Scholar] [CrossRef]
- Casady, J.; Johnson, R. Status of silicon carbide (SiC) as a wide-bandgap semiconductor for high-temperature applications: A review. Solid-State Electron. 1996, 39, 1409–1422. [Google Scholar] [CrossRef]
- Tsao, J.Y.; Chowdhury, S.; Hollis, M.A.; Jena, D.; Johnson, N.M.; Jones, K.A.; Kaplar, R.J.; Rajan, S.; Van de Walle, C.G.; Bellotti, E.; et al. Ultrawide-Bandgap Semiconductors: Research Opportunities and Challenges. Adv. Electron. Mater. 2018, 4. [Google Scholar] [CrossRef]
- Kaplar, R.J.; Allerman, A.A.; Armstrong, A.M.; Crawford, M.H.; Dickerson, J.R.; Fischer, A.J.; Baca, A.G.; Douglas, E.A. Review—Ultra-Wide-Bandgap AlGaN Power Electronic Devices. ECS J. Solid State Sci. Technol. 2017, 6, Q3061–Q3066. [Google Scholar] [CrossRef]
- Tsao, J.Y.; Han, J.; Haitz, R.H.; Pattison, P.M. The Blue LED Nobel Prize: Historical context, current scientific understanding, human benefit. Ann. Phys. 2015, 527, A53–A61. [Google Scholar] [CrossRef]
- Baca, A.G.; Armstrong, A.M.; Allerman, A.A.; Douglas, E.A.; Sanchez, C.A.; King, M.P.; Coltrin, M.E.; Nordquist, C.D.; Fortune, T.R.; Kaplar, R.J. An AlN/Al0.85Ga0.15N high electron mobility transistor with a regrown ohmic contact. In Proceedings of the 2016 74th Annual Device Research Conference (DRC), Newark, DE, USA, 19–22 June 2016. [Google Scholar]
- Mitani, E.; Aojima, M.; Maekawa, A.; Sano, S. An 800-W AlGaN/GaN HEMT for S-band high-power application. In Proceedings of the International Conference on Compound Semiconductor Manufacturing Technology, CS MANTECH 2007, Austin, TX, USA, 14–17 May 2007. [Google Scholar]
- Wojtasiak, W.; Góralczyk, M.; Gryglewski, D.; Zając, M.; Kucharski, R.; Prystawko, P.; Piotrowska, A.; Ekielski, M.; Kamińska, E.; Taube, A.; et al. AlGaN/GaN High Electron Mobility Transistors on Semi-Insulating Ammono-GaN Substrates with Regrown Ohmic Contacts. Micromachines 2018, 9, 546. [Google Scholar] [CrossRef] [PubMed]
- Fletcher, A.A.; Nirmal, D.; Ajayan, J.; Arivazhagan, L. Analysis of AlGaN/GaN HEMT using discrete field plate technique for high power and high frequency applications. AEU-Int. J. Electron. Commun. 2019, 99, 325–330. [Google Scholar] [CrossRef]
- Bose, B. Evaluation of modern power semiconductor devices and future trends of converters. IEEE Trans. Ind. Appl. 1992, 28, 403–413. [Google Scholar] [CrossRef]
- Tokunaga, K. Development, Fabrication, and Characterization of a Vertical-Diffused MOS Process for Power RF Applications; Rochester: New York, NY, USA, 2008. [Google Scholar]
- Mataray, M. Modern Power Semiconductor Devices (A Review). Int. J. Comput. Sci. Inf. Technol. 2012, 3, 4571–4574. [Google Scholar]
- Baliga, B.J. Vertical-Diffused MOSFETs. In Silicon RF Power MOSFETs; World Scientific Publishing Co. Pte. Ltd.: Singapore, 2005; pp. 103–126. [Google Scholar]
- Sun, S.; Plummer, J. Modeling of the on-resistance of LDMOS, VDMOS, and VMOS power transistors. IEEE Trans. Electron Devices 1980, 27, 356–367. [Google Scholar] [CrossRef]
- Vaid, R.; Padha, N.; Kumar, A.; Gupta, R.; Parikh, C.D. Modeling power VDMOSFET transistors: Device physics and equivalent circuit model with parameter extraction. Indian J. Pure Appl. Phys. 2004, 42, 775–782. [Google Scholar]
- Khan, N.H.; Forouzesh, M.; Siwakoti, Y.P.; Li, L.; Kerekes, T.; Blaabjerg, F. Transformerless Inverter Topologies for Single-Phase Photovoltaic Systems: A Comparative Review. IEEE J. Emerg. Sel. Top. Power Electron. 2020, 8, 805–835. [Google Scholar] [CrossRef]
- Kakosimos, P.; Sarigiannidis, A.; Beniakar, M.; Kladas, A. Investigation of transformerless topologies for renewable energy applications eliminating leakage currents. In Proceedings of the MedPower 2014, Athens, Greece, 2–5 November 2014. [Google Scholar]
- Almasoudi, F.; Alatawi, K.; Manandhar, M.; Matin, M. Simulation and Performance Comparison of Si and SiC Based on a Proposed H6 Inverter for PV Grid-tied Applications. Int. J. Renew. Energy Res. 2018, 11, 916–928. [Google Scholar]
- Alatawi, K.; Almasoudi, F.; Manandhar, M.; Matin, M. Comparative Analysis of Si- and GaN-Based Single-Phase Transformer-Less PV Grid-Tied Inverter. Electronics 2018, 7, 34. [Google Scholar] [CrossRef]
- Saha, A.; Ahmad, S.; Mekhilef, S.; Jhuma, U.K.; Islam, H.; Chowdhury, Z.A.; Islam, M. Comparative Study of Different Transformer-less Inverter Topologies for Grid-tied Photovoltaic System. In Proceedings of the 2019 5th International Conference on Advances in Electrical Engineering (ICAEE), Dhaka, Bangladesh, 26–28 September 2019. [Google Scholar]
- Khan, S.A.; Guo, Y.; Zhu, J. A high efficiency transformerless PV grid-connected inverter with leakage current suppression. In Proceedings of the 2016 9th International Conference on Electrical and Computer Engineering (ICECE), Dhaka, Bangladesh, 20–22 December 2016. [Google Scholar]
- Xiao, H.; Xie, S. Leakage Current Analytical Model and Application in Single-Phase Transformerless Photovoltaic Grid-Connected Inverter. IEEE Trans. Electromagn. Compat. 2010, 52, 902–913. [Google Scholar] [CrossRef]
- Rizzoli, G.; Mengoni, M.; Zarri, L.; Tani, A.; Serra, G.; Casadei, D. Comparison of single-phase H4, H5, H6 inverters for transformerless photovoltaic applications. In Proceedings of the IECON 2016-42nd Annual Conference of the IEEE Industrial Electronics Society, Florence, Italy, 23–26 October 2016. [Google Scholar]
- Bagnall, K.R. Device-Level Thermal Analysis of GaN-Based Electronics; Massachusetts Institute of Technology: Cambridge, MA, USA, 2013. [Google Scholar]
- Dahmani, S.; Mengistu, E.S.; Kompa, G. Thermal Model Extraction of GaN HEMTs for Large-Signal Modeling. In Proceedings of the 2008 European Microwave Integrated Circuit Conference, Amsterdam, The Netherlands, 27–28 October 2008. [Google Scholar]
- Darwish, A.; Bayba, A.J.; Hung, H.A. Channel Temperature Analysis of GaN HEMTs with Nonlinear Thermal Conductivity. IEEE Trans. Electron Devices 2015, 62, 840–846. [Google Scholar] [CrossRef]
- Bertoluzza, F.; Delmonte, N.; Menozzi, R. Three-dimensional finite-element thermal simulation of GaN-based HEMTs. Microelectron. Reliab. 2009, 49, 468–473. [Google Scholar] [CrossRef]
- Manandhar, M.B.; Matin, M.A. Thermal modeling of wide bandgap materials for power MOSFETs. In Proceedings of the Wide Bandgap Power Devices and Applications, San Diego, CA, USA, 12–15 September 2016. [Google Scholar]
- Matin, M.A.; Manandhar, M. 3D analysis of thermal and electrical performance of wide bandgap VDMOSFETs. In Proceedings of the Wide Bandgap Power Devices and Applications II, San Diego, CA, USA, 7–8 August 2017. [Google Scholar]
- Raciti, A.; Cristaldi, D.; Greco, G.; Vinci, G.; Bazzano, G. Electrothermal PSpice Modeling and Simulation of Power Modules. IEEE Trans. Ind. Electron. 2015, 62, 6260–6271. [Google Scholar] [CrossRef]
- Ravikumar, S.; Chandra, P.S.; Harish, R.; Sivaji, T. Experimental and Transient Thermal Analysis of Heat Sink Fin for CPU processor for better performance. In Proceedings of the IOP Conference Series: Materials Science and Engineering, Busan, Korea, 25–27 August 2017. [Google Scholar]
- Zahn, B.A. Using design of experiment simulation responses to predict thermal performance limits of the heatsink small outline package (HSOP) considering both die bond and heatsink solder voiding. In Proceedings of the Fourteenth Annual IEEE Semiconductor Thermal Measurement and Management Symposium, San Diego, CA, USA, 10–12 March 1998. [Google Scholar]
- Pleca, A. Optimal Heatsink Design for a Solid-State Relay Using a 3D Modeling and Simulation Software. In Proceedings of the 2006 International Conference on Power System Technology, Chongqing, China, 22–26 October 2006. [Google Scholar]
- Tarvydas, P.; Noreika, A.; Staliulionis, Z. Analysis of Heat Sink Modelling Performance. Elektronika ir Elektrotechnika 2013, 19, 43–46. [Google Scholar] [CrossRef][Green Version]
- COMSOL Multiphysics. Semiconductor Module User’s Guide; COMSOL Multiphysics: Burlington, VT, USA, 2016. [Google Scholar]
- Dagli, S.; Mengle, K.A.; Kioupakis, E. Thermal conductivity of AlN, GaN, and AlxGa1−xN alloys as a function of composition, temperature, crystallographic direction, and isotope disorder from first principles. arXiv 2019, arXiv:1910.05440. [Google Scholar]
- Morgan, A.J.; Xu, Y.; Hopkins, D.C.; Husain, I.; Yu, W. Decomposition and electro-physical model creation of the CREE 1200V, 50A 3-Ph SiC module. In Proceedings of the 2016 IEEE Applied Power Electronics Conference and Exposition (APEC), Long Beach, CA, USA, 20–24 March 2016. [Google Scholar]
- Toshiba, TK35A65W5. 2017. Available online: https://toshiba.semicon-storage.com/ap-en/semiconductor/product/mosfets/400v-900v-mosfets/detail.TK35A65W5.html (accessed on 7 December 2017).
- Microelectronics, S.T. High Power Density Half-Bridge High Voltage Driver with Two 650 V Enhancement Mode GaN HEMT. 2021. Available online: https://www.st.com/content/st_com/en/products/power-management/gate-drivers/high-voltage-half-bridge-gate-drivers/mastergan1.html (accessed on 19 June 2021).
- Sawamura, T.; Igararshi, T. Difference between Various Sn/Ag/Cu Solder Compositions. 2005. Available online: www.almit.com/dloads/Agents/SAC%20Alloy%20Comparison.pdf (accessed on 19 July 2017).
















| Property | Name | Unit | Si | AlGaN |
|---|---|---|---|---|
| Relative Permittivity | εr | 1 | 11.7 | 9.7 |
| Thermal Conductivity | k | W/(m·K) | 131 | 50 |
| Density | ρ | kg/m3 | 2329 | 6070 |
| Heat Capacity at constant pressure | Cp | J/(kg·°C) | 700 | 490 |
| Electron Lifetime | τn | μs | 10 | 0.01 |
| Hole Lifetime | τp | μs | 10 | 0.01 |
| Band gap | Eg0 | V | 1.12 | 3.7 |
| Electron Affinity | χ0 | V | 4.05 | 4.1 |
| Effective Density of states, valence band | Nv | cm−3 | T3/2 × 2.0 × 1015 | T3/2 × 8 × 1015 |
| Effective Density of states, conduction band | Nc | cm−3 | T3/2 × 5.3 × 1015 | T3/2 × 2.3 × 1014 |
| Electron Mobility | μn | cm2/(V·s) | 1450 | 1000 |
| Hole Mobility | μp | cm2/(V·s) | 500 | 350 |
| Property | Symbol | Unit | Cu | SAC396 | AlN | Si | AlGaN | Al |
|---|---|---|---|---|---|---|---|---|
| Density | ρ | kg/m3 | 8960 | 7400 | 3260 | 2329 | 6070 | 2700 |
| Heat capacity at constant pressure | Cp | J/(kg·K) | 385 | 220 | 740 | 700 | 490 | 900 |
| Thermal conductivity | k | W/(m·K) | 400 | 61.1 | 160 | 131 | 50 | 238 |
Publisher’s Note: MDPI stays neutral with regard to jurisdictional claims in published maps and institutional affiliations. |
© 2021 by the authors. Licensee MDPI, Basel, Switzerland. This article is an open access article distributed under the terms and conditions of the Creative Commons Attribution (CC BY) license (https://creativecommons.org/licenses/by/4.0/).
Share and Cite
Manandhar, M.B.; Matin, M.A. Comparative Modelling and Thermal Analysis of AlGaN/GaN Power Devices. J. Low Power Electron. Appl. 2021, 11, 33. https://doi.org/10.3390/jlpea11030033
Manandhar MB, Matin MA. Comparative Modelling and Thermal Analysis of AlGaN/GaN Power Devices. Journal of Low Power Electronics and Applications. 2021; 11(3):33. https://doi.org/10.3390/jlpea11030033
Chicago/Turabian StyleManandhar, Mahesh B., and Mohammad A. Matin. 2021. "Comparative Modelling and Thermal Analysis of AlGaN/GaN Power Devices" Journal of Low Power Electronics and Applications 11, no. 3: 33. https://doi.org/10.3390/jlpea11030033
APA StyleManandhar, M. B., & Matin, M. A. (2021). Comparative Modelling and Thermal Analysis of AlGaN/GaN Power Devices. Journal of Low Power Electronics and Applications, 11(3), 33. https://doi.org/10.3390/jlpea11030033
