Enhancing the Efficiency of Solar Cells Based on TiO2 and ZnO Photoanodes Through Copper Oxide: A Comparative Study Using Vitis labrusca Extract and N3 Ruthenium Dye
Abstract
1. Introduction
2. Experimental
2.1. Materials and Methods
2.2. Preparation of Dyes
2.3. Preparation of Cathode
2.4. Preparation of Photoanode
2.5. Fabrication of DSSCs Devices
3. Results and Discussion
3.1. Atomic Force Microscopy
3.2. Field-Emission Scanning Electron Microscopy
3.3. X-Ray Diffraction
3.4. X-Ray Fluorescence (XRF)
3.5. UV-Vis and FTIR Spectroscopy of Natural Dye
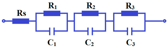
3.6. Electrochemical Characterization
| Dye | Anode | JSC (mA/cm2) | VOC (V) | FF | η (%) | Ref. |
|---|---|---|---|---|---|---|
| Annona atemoya | TiO2 | 0.06 | 0.50 | 0.62 | 0.19 | [70] |
| Lantana repens | TiO2 | 0.45 | 0.69 | 0.34 | 0.12 | [71] |
| Gerbera | TiO2 | 1.22 | 0.59 | 0.53 | 1.54 | [72] |
| Leucanthemum | TiO2 | 0.42 | 0.54 | 0.27 | 0.88 | [73] |
| Alpinia purpurata | TiO2 | 0.49 | 0.53 | 0.40 | 0.65 | [74] |
| Chrysanthemum | TiO2 | 0.85 | 0.58 | 0.44 | 1.35 | [75] |
| Malus domestica | TiO2 | 0.62 | 0.52 | 0.49 | 0.95 | [76] |
| Beta vulgaris | TiO2 | 1.13 | 0.04 | 0.77 | 1.63 | [77] |
| Beta vulgaris | TiO2-CuO (10%) | 1.17 | 0.06 | 0.77 | 2.69 | [77] |
| Beta vulgaris | TiO2-CuO (20%) | 1.18 | 0.07 | 0.77 | 3.43 | [77] |
| Beta vulgaris | TiO2-CuO (30%) | 0.38 | 0.01 | 0.52 | 0.50 | [77] |
| N3 | ZnO-CuO (1%) | 1.67 | 0.96 | 0.71 | 1.15 | [15] |
| N3 | ZnO-CuO (3%) | 1.80 | 1.09 | 0.69 | 1.34 | [15] |
| N3 | ZnO-CuO (5%) | 1.60 | 0.99 | 0.69 | 1.09 | [15] |
| Vitis labrusca | TiO2 | 1.23 | 0.39 | 0.37 | 1.12 | [This work] |
| Vitis labrusca | ZnO | 0.59 | 0.50 | 0.47 | 0.87 | [This work] |
| N3 | TiO2 | 5.19 | 0.53 | 0.35 | 6.02 | [This work] |
| N3 | ZnO | 2.49 | 0.60 | 0.47 | 4.39 | [This work] |
| Vitis labrusca | TiO2-CuO (5%) | 3.30 | 0.40 | 0.41 | 3.38 | [This work] |
| Vitis labrusca | ZnO-CuO (5%) | 2.65 | 0.38 | 0.34 | 2.14 | [This work] |
| N3 | TiO2-CuO (5%) | 5.97 | 0.58 | 0.35 | 7.57 | [This work] |
| N3 | ZnO-CuO (5%) | 5.03 | 0.52 | 0.35 | 5.72 | [This work] |
| Vitis labrusca | TiO2-CuO (10%) | 4.36 | 0.48 | 0.35 | 4.58 | [This work] |
| Vitis labrusca | ZnO-CuO (10%) | 3.79 | 0.37 | 0.43 | 3.77 | [This work] |
| N3 | TiO2-CuO (10%) | 6.15 | 0.59 | 0.35 | 7.94 | [This work] |
| N3 | ZnO-CuO (10%) | 5.34 | 0.54 | 0.35 | 6.31 | [This work] |
| Vitis labrusca | TiO2-CuO (20%) | 5.96 | 0.47 | 0.41 | 7.18 | [This work] |
| Vitis labrusca | ZnO-CuO (20%) | 5.12 | 0.41 | 0.44 | 5.77 | [This work] |
| N3 | TiO2-CuO (20%) | 5.81 | 0.60 | 0.52 | 11.34 | [This work] |
| N3 | ZnO-CuO (20%) | 5.79 | 0.60 | 0.44 | 9.55 | [This work] |
| Vitis labrusca | TiO2-CuO (30%) | 5.09 | 0.43 | 0.41 | 5.61 | [This work] |
| Vitis labrusca | ZnO-CuO (30%) | 5.05 | 0.42 | 0.41 | 5.43 | [This work] |
| N3 | TiO2-CuO (30%) | 7.35 | 0.51 | 0.39 | 9.14 | [This work] |
| N3 | ZnO-CuO (30%) | 6.13 | 0.56 | 0.38 | 8.15 | [This work] |
| Vitis labrusca | TiO2-CuO (50%) | 3.64 | 0.57 | 0.41 | 5.22 | [This work] |
| Vitis labrusca | ZnO-CuO (50%) | 4.42 | 0.40 | 0.42 | 4.64 | [This work] |
| N3 | TiO2-CuO (50%) | 4.89 | 0.60 | 0.48 | 8.80 | [This work] |
| N3 | ZnO-CuO (50%) | 5.77 | 0.57 | 0.36 | 7.40 | [This work] |
| Dyes/Semiconductor | RS (Ω) | R1 (Ω) | R2 (Ω) | R3 (Ω) | C1 (µF) | C2 (µF) | C3 (µF) |
|---|---|---|---|---|---|---|---|
| V.L.: TiO2 | 29.62 ± 0.51 | 160.8 ± 3.06 | 39.51 ± 12.72 | 1.532 ± 7.82 | 11.43 ± 5.92 | 12.75 ± 5.93 | 60.61 ± 7.49 |
| V.L.: ZnO | 28.01 ± 0.52 | 200.7 ± 2.22 | 34.22 ± 13.40 | 2.159 ± 9.53 | 14.92 ± 4.65 | 21.28 ± 5.98 | 76.17 ± 9.01 |
| N3: TiO2 | 28.88 ± 0.14 | 41.82 ± 4.71 | 26.48 ± 7.28 | 1.199 ± 8.62 | 66.48 ± 7.16 | 41.85 ± 3.68 | 83.09 ± 8.78 |
| N3: ZnO | 19.93 ± 0.58 | 100.9 ± 0.67 | 25.42 ± 5.62 | 1.531 ± 5.77 | 35.12 ± 0.99 | 36.26 ± 3.42 | 100.7 ± 6.16 |
| V.L.: TiO2-CuO (5%) | 20.21 ± 0.61 | 139.9 ± 0.71 | 37.16 ± 10.12 | 2.486 ± 7.93 | 33.89 ± 0.94 | 42.37 ± 4.69 | 90.48 ± 7.63 |
| V.L.: ZnO-CuO (5%) | 41.07 ± 0.26 | 125.1 ± 3.98 | 43.52 ± 11.75 | 1.468 ± 5.25 | 49.70 ± 7.09 | 45.83 ± 5.93 | 116.2 ± 8.32 |
| N3: TiO2-CuO (5%) | 27.45 ± 0.37 | 28.63 ± 10.45 | 18.88 ± 15.91 | 1.741 ± 9.12 | 32.68 ± 17.11 | 17.37 ± 7.99 | 127.6 ± 7.76 |
| N3: ZnO-CuO (5%) | 27.82 ± 0.32 | 49.69 ± 6.88 | 24.24 ± 14.25 | 2.237 ± 6.42 | 36.65 ± 11.49 | 26.09 ± 7.34 | 98.36 ± 68 |
| V.L.: TiO2-CuO (10%) | 19.87 ± 0.54 | 98.51 ± 0.63 | 32.47 ± 12.08 | 1.259 ± 7.64 | 35.92 ± 0.93 | 53.74 ± 8.47 | 120.9 ± 92 |
| V.L.: ZnO-CuO (10%) | 19.76 ± 0.18 | 97.53 ± 5.80 | 34.15 ± 16.52 | 1.459 ± 9.08 | 58.21 ± 8.60 | 73.18 ± 9.80 | 134.4 ± 7.27 |
| N3: TiO2-CuO (10%) | 29.73 ± 0.35 | 26.27 ± 8.14 | 22.73 ± 9.49 | 1.492 ± 8.28 | 71.66 ± 14.49 | 24.23 ± 4.20 | 50.47 ± 9.74 |
| N3: ZnO-CuO (10%) | 26.83 ± 0.28 | 10.66 ± 10.81 | 49.79 ± 2.18 | 2.221 ± 7.82 | 273.7 ± 19.59 | 15.19 ± 1.00 | 32.23 ± 8.62 |
| V.L.: TiO2-CuO (20%) | 27.28 ± 0.37 | 28.77 ± 11.09 | 24.69 ± 13.02 | 1.239 ± 5.81 | 48.31 ± 18.42 | 19.30 ± 6.51 | 62.59 ± 9.23 |
| V.L.: ZnO-CuO (20%) | 28.85 ± 0.15 | 49.82 ± 3.64 | 21.78 ± 8.22 | 1.977 ± 7.99 | 56.03 ± 5.61 | 50.43 ± 4.25 | 77.12 ± 11.68 |
| N3: TiO2-CuO (20%) | 83.32 ± 0.10 | 16.57 ± 1.45 | 3.263 ± 7.22 | 1.372 ± 8.56 | 121.6 ± 3.31 | 78.74 ± 7.26 | 80.39 ± 47.63 |
| N3: ZnO-CuO (20%) | 27.83 ± 0.38 | 23.75 ± 0.78 | 7.527 ± 10.25 | 1.157 ± 9.64 | 44.46 ± 1.86 | 82.72 ± 6.93 | 50.47 ± 34 |
| V.L.: TiO2-CuO (30%) | 19.90 ± 0.51 | 74.18 ± 0.61 | 8.928 ± 812.45 | 1.745 ± 8.22 | 36.06 ± 0.99 | 80.41 ± 7.35 | 93.74 ± 41 |
| V.L.: ZnO-CuO (30%) | 29.21 ± 0.18 | 75.55 ± 1.41 | 9.645 ± 11.25 | 1.368 ± 7.41 | 40.75 ± 2.73 | 84.36 ± 4.88 | 73.27 ± 94 |
| N3: TiO2-CuO (30%) | 19.33 ± 0.30 | 28.39 ± 2.32 | 3.771 ± 17.55 | 1.996 ± 6.42 | 55.65 ± 4.57 | 99.90 ± 7.25 | 62.36 ± 48 |
| N3: ZnO-CuO (30%) | 62.32 ± 0.14 | 12.91 ± 16.67 | 30.78 ± 7.03 | 1.729 ± 8.39 | 198.1 ± 27.60 | 27.49 ± 3.27 | 86.47 ± 34 |
| V.L.: TiO2-CuO (50%) | 38.19 ± 0.16 | 27.73 ± 10.31 | 65.89 ± 4.23 | 2.396 ± 8.26 | 183.1 ± 16.38 | 27.71 ± 1.93 | 70.20 ± 7.15 |
| V.L.: ZnO-CuO (50%) | 46.83 ± 0.49 | 95.52 ± 0.74 | 35.77 ± 8.65 | 1.286 ± 5.46 | 28.81 ± 1.36 | 19.84 ± 2.75 | 53.74 ± 7.37 |
| N3: TiO2-CuO (50%) | 22.39 ± 0.35 | 15.34 ± 15.71 | 24.14 ± 10.02 | 1.825 ± 9.35 | 67.21 ± 25.68 | 14.92 ± 5.04 | 79.26 ± 9.02 |
| N3: ZnO-CuO (50%) | 29.09 ± 0.15 | 19.42 ± 7.09 | 30.78 ± 4.09 | 1.958 ± 10.58 | 123.7 ± 11.26 | 26.59 ± 1.70 | 60.15 ± 5.91 |
4. Conclusions
Author Contributions
Funding
Institutional Review Board Statement
Informed Consent Statement
Data Availability Statement
Acknowledgments
Conflicts of Interest
References
- Strielkowski, W.; Civín, L.; Tarkhanova, E.; Tvaronavičienė, M.; Petrenko, Y. Renewable energy in the sustainable development of electrical power sector: A review. Energies 2021, 14, 8240. [Google Scholar] [CrossRef]
- He, W.; King, M.; Luo, X.; Dooner, M.; Li, D.; Wang, J. Technologies and economics of electric energy storages in power systems: Review and perspective. Adv. Appl. Energy 2021, 4, 100060. [Google Scholar] [CrossRef]
- O’regan, B.; Grätzel, M. A low-cost, high-efficiency solar cell based on dye-sensitized colloidal TiO2 films. Nature 1991, 353, 737–740. [Google Scholar] [CrossRef]
- Devadiga, D.; Selvakumar, M.; Shetty, P.; Santosh, M.S. Recent progress in dye sensitized solar cell materials and photo-supercapacitors: A review. J. Power Sources 2021, 493, 229698. [Google Scholar] [CrossRef]
- Janjua, M.R.S.A.; Khan, M.U.; Khalid, M.; Ullah, N.; Kalgaonkar, R.; Alnoaimi, K.; Jamil, S. Theoretical and conceptual framework to design efficient dye-sensitized solar cells (DSSCs): Molecular engineering by DFT method. J. Clust. Sci. 2021, 32, 243–253. [Google Scholar] [CrossRef]
- Agrawal, A.; Siddiqui, S.A.; Soni, A.; Sharma, G.D. Advancements, frontiers and analysis of metal oxide semiconductor, dye, electrolyte and counter electrode of dye sensitized solar cell. Sol. Energy 2022, 233, 378–407. [Google Scholar] [CrossRef]
- Raguram, T.; Rajni, K.S. Synthesis and characterisation of Cu-Doped TiO2 nanoparticles for DSSC and photocatalytic applications. Int. J. Hydrog. Energy 2022, 47, 4674–4689. [Google Scholar] [CrossRef]
- Francis, O.I.; Ikenna, A. Review of dye-sensitized solar cell (DSSCs) development. Nat. Sci. 2021, 13, 496–509. [Google Scholar] [CrossRef]
- Omar, A.; Ali, M.S.; Abd Rahim, N. Electron transport properties analysis of titanium dioxide dye-sensitized solar cells (TiO2-DSSCs) based natural dyes using electrochemical impedance spectroscopy concept: A review. Sol. Energy 2020, 207, 1088–1121. [Google Scholar] [CrossRef]
- Ebenezer Anitha, A.; Dotter, M. A review on liquid electrolyte stability issues for commercialization of dye-sensitized solar cells (DSSC). Energies 2023, 16, 5129. [Google Scholar] [CrossRef]
- He, S.; Shang, L.; Gao, Y.; Shi, Y.; Tan, F.; Chen, X.; Yue, G. Holistically modulating charge recombination via trisiloxane surface treatment for efficient dye-sensitized solar cells. J. Alloys Compd. 2022, 896, 162864. [Google Scholar] [CrossRef]
- Ikpesu, J.E.; Iyuke, S.E.; Daramola, M.; Okewale, A.O. Synthesis of improved dye-sensitized solar cell for renewable energy power generation. Sol. Energy 2020, 206, 918–934. [Google Scholar] [CrossRef]
- Qureshi, A.A.; Javed, S.; Javed, H.M.A.; Akram, A.; Mustafa, M.S.; Ali, U.; Nisar, M.Z. Facile formation of SnO2–TiO2 based photoanode and Fe3O4@ rGO based counter electrode for efficient dye-sensitized solar cells. Mater. Sci. Semicond. Process. 2021, 123, 105545. [Google Scholar] [CrossRef]
- Wategaonkar, S.B.; Parale, V.G.; Pawar, R.P.; Mali, S.S.; Hong, C.K.; Powar, R.R.; Mane, R.K. Structural, morphological, and optical studies of hydrothermally synthesized Nb-added TiO2 for DSSC application. Ceram. Int. 2021, 47, 25580–25592. [Google Scholar] [CrossRef]
- Esgin, H.; Caglar, Y.; Caglar, M. Photovoltaic performance and physical characterization of Cu doped ZnO nanopowders as photoanode for DSSC. J. Alloys Compd. 2022, 890, 161848. [Google Scholar] [CrossRef]
- Kanjana, N.; Maiaugree, W.; Poolcharuansin, P.; Laokul, P. Synthesis and characterization of Fe-doped TiO2 hollow spheres for dye-sensitized solar cell applications. Mater. Sci. Eng. B 2021, 271, 115311. [Google Scholar] [CrossRef]
- Das, A.; Wary, R.R.; Nair, R.G. Cu modified ZnO nanoflakes: An efficient visible light-driven photocatalyst and a promising photoanode for dye sensitized solar cell (DSSC). Solid State Sci. 2020, 104, 106290. [Google Scholar] [CrossRef]
- Singh, S.; Srivastava, P.; Bahadur, L. Hydrothermal synthesized Nd-doped TiO2 with Anatase and Brookite phases as highly improved photoanode for dye-sensitized solar cell. Sol. Energy 2020, 208, 173–181. [Google Scholar] [CrossRef]
- Khojasteh, F.; Mersagh, M.R.; Hashemipour, H. The influences of Ni, Ag-doped TiO2 and SnO2, Ag-doped SnO2/TiO2 nanocomposites on recombination reduction in dye synthesized solar cells. J. Alloys Compd. 2022, 890, 161709. [Google Scholar] [CrossRef]
- Sekaran, B.; Misra, R. β-Pyrrole functionalized porphyrins: Synthesis, electronic properties, and applications in sensing and DSSC. Coord. Chem. Rev. 2022, 453, 214312. [Google Scholar] [CrossRef]
- Mehmood, B.; Khan, M.I.; Iqbal, M.; Mahmood, A.; Al-Masry, W. Structural and optical properties of Ti and Cu co-doped ZnO thin films for photovoltaic applications of dye sensitized solar cells. Int. J. Energy Res. 2021, 45, 2445–2459. [Google Scholar] [CrossRef]
- Singha, B.; Ray, K. Density functional theory insights on photocatalytic ability of CuO/TiO2 and CuO/ZnO. Mater. Today Proc. 2023, 72, 451–458. [Google Scholar] [CrossRef]
- Al-Aaraji, N.A.H.; Hashim, A.; Abduljalil, H.M.; Hadi, A. Tailoring the design, structure and spectroscopic characteristics of SiC/CuO doped transparent polymer for photonics and quantum nanoelectronics fields. Opt. Quantum Electron. 2023, 55, 743. [Google Scholar] [CrossRef]
- Prakash, P.; Janarthanan, B. Review on the progress of light harvesting natural pigments as DSSC sensitizers with high potency. Inorg. Chem. Commun. 2023, 152, 110638. [Google Scholar] [CrossRef]
- Mahmoudi, M.; Alizadeh, A.; Roudgar-Amoli, M.; Shariatinia, Z. Rational modification of TiO2 photoelectrodes with spinel ZnFe2O4 and Ag-doped ZnFe2O4 nanostructures highly enhanced the efficiencies of dye sensitized solar cells. Spectrochim. Acta Part A Mol. Biomol. Spectrosc. 2023, 289, 122214. [Google Scholar] [CrossRef] [PubMed]
- Kouhestanian, E.; Mozaffari, S.A.; Ranjbar, M.; Amoli, H.S. Enhancing the electron transfer process of TiO2-based DSSC using DC magnetron sputtered ZnO as an efficient alternative for blocking layer. Org. Electron. 2020, 86, 105915. [Google Scholar] [CrossRef]
- Bykkam, S.; Prasad, D.N.; Maurya, M.R.; Sadasivuni, K.K.; Cabibihan, J.J. Comparison study of metal oxides (CeO2, CuO, SnO2, CdO, ZnO and TiO2) decked few layered graphene nanocomposites for dye-sensitized solar cells. Sustainability 2021, 13, 7685. [Google Scholar] [CrossRef]
- Habibi, M.H.; Karimi, B.; Zendehdel, M.; Habibi, M. Fabrication, characterization of two nano-composite CuO–ZnO working electrodes for dye-sensitized solar cell. Spectrochim. Acta Part A Mol. Biomol. Spectrosc. 2013, 116, 374–380. [Google Scholar] [CrossRef]
- Younas, M.; Baroud, T.N.; Gondal, M.A.; Dastageer, M.A.; Giannelis, E.P. Highly efficient, cost-effective counter electrodes for dye-sensitized solar cells (DSSCs) augmented by highly mesoporous carbons. J. Power Sources 2020, 468, 228359. [Google Scholar] [CrossRef]
- Najm, A.S.; Alwash, S.A.; Sulaiman, N.H.; Chowdhury, M.S.; Techato, K. N719 dye as a sensitizer for dye-sensitized solar cells (DSSCs): A review of its functions and certain rudimentary principles. Environ. Prog. Sustain. Energy 2023, 42, e13955. [Google Scholar] [CrossRef]
- Daoud, A.; Cheknane, A.; Meftah, A.; Nunzi, J.M.; Shalabi, M.; Hilal, H.S. Spatial separation strategies to control charge recombination and dye regeneration in p-type dye sensitized solar cells. Sol. Energy 2022, 236, 107–152. [Google Scholar] [CrossRef]
- Chen, H.; Cole, J.M.; Stenning, G.B.; Yanguas-Gil, A.; Elam, J.W.; Stan, L.; Gong, Y. Imaging Dye Aggregation in MK-2, N3, N749, and SQ-2 dye TiO2 Interfaces that Represent Dye-Sensitized Solar Cell Working Electrodes. ACS Appl. Energy Mater. 2020, 3, 3230–3241. [Google Scholar] [CrossRef]
- Kutlu, N. Investigation of electrical values of low-efficiency dye-sensitized solar cells (DSSCs). Energy 2020, 199, 117222. [Google Scholar] [CrossRef]
- Ahmad, S.H.A.; Al-Ahmed, A.; Hakeem, A.S.; Alshahrani, T.; Mahmood, Q.; Mehmood, U.; Yago, A.J. Enhancing the performance of dye-sensitized solar cell using nano-sized erbium oxide on titanium oxide photoanode by impregnation route. J. Photochem. Photobiol. 2021, 7, 100047. [Google Scholar] [CrossRef]
- Khalifa, A.; Shafie, S.; Hasan, W.Z.W.; Lim, H.N.; Rusop, M.; Pandey, S.S.; Samaila, B. Comprehensive performance analysis of dye-sensitized solar cells using single layer TiO2 photoanode deposited using screen printing technique. Optik 2020, 223, 165595. [Google Scholar] [CrossRef]
- Masud; Kim, H.K. Redox shuttle-based electrolytes for dye-sensitized solar cells: Comprehensive guidance, recent progress, and future perspective. ACS Omega 2023, 8, 6139–6163. [Google Scholar] [CrossRef] [PubMed]
- Dar, M.A.; Govindarajan, D.; Dar, G.N. Facile synthesis of SnS nanostructures with different morphologies for supercapacitor and dye-sensitized solar cell applications. J. Mater. Sci. Mater. Electron. 2021, 32, 20394–20409. [Google Scholar] [CrossRef]
- Kathirvel, S.; Pedaballi, S.; Su, C.; Chen, B.R.; Li, W.R. Morphological control of TiO2 nanocrystals by solvothermal synthesis for dye-sensitized solar cell applications. Appl. Surf. Sci. 2020, 519, 146082. [Google Scholar] [CrossRef]
- Ramakrishnan, V.M.; Muthukumarasamy, N.; Balraju, P.; Pitchaiya, S.; Velauthapillai, D.; Pugazhendhi, A. Transformation of TiO2 nanoparticles to nanotubes by simple solvothermal route and its performance as dye-sensitized solar cell (DSSC) photoanode. Int. J. Hydrog. Energy 2020, 45, 15441–15452. [Google Scholar] [CrossRef]
- Arka, G.N.; Prasad, S.B.; Singh, S. Comprehensive study on dye sensitized solar cell in subsystem level to excel performance potential: A review. Sol. Energy 2021, 226, 192–213. [Google Scholar] [CrossRef]
- Ünlü, B.; Özacar, M. Effect of Cu and Mn amounts doped to TiO2 on the performance of DSSCs. Sol. Energy 2020, 196, 448–456. [Google Scholar] [CrossRef]
- Korir, B.K.; Kibet, J.K.; Ngari, S.M. Computational simulation of a highly efficient hole transport-free dye-sensitized solar cell based on titanium oxide (TiO2) and zinc oxysulfide (ZnOS) electron transport layers. J. Electron. Mater. 2021, 50, 7259–7274. [Google Scholar] [CrossRef]
- Zatirostami, A. Fabrication of dye-sensitized solar cells based on the composite TiO2 nanoparticles/ZnO nanorods: Investigating the role of photoanode porosity. Mater. Today Commun. 2021, 26, 102033. [Google Scholar] [CrossRef]
- Habibi Jetani, G.; Rahmani, M.B. TiO2/GO nanocomposites: Synthesis, characterization, and DSSC application. Eur. Phys. J. Plus 2020, 135, 720. [Google Scholar] [CrossRef]
- Aksoy, S.; Polat, O.; Gorgun, K.; Caglar, Y.; Caglar, M. Li doped ZnO based DSSC: Characterization and preparation of nanopowders and electrical performance of its DSSC. Phys. E Low-Dimens. Syst. Nanostructures 2020, 121, 114127. [Google Scholar] [CrossRef]
- Erande, K.B.; Hawaldar, P.Y.; Suryawanshi, S.R.; Babar, B.M.; Mohite, A.A.; Shelke, H.D.; Pawar, U.T. Extraction of natural dye (specifically anthocyanin) from pomegranate fruit source and their subsequent use in DSSC. Mater. Today Proc. 2021, 43, 2716–2720. [Google Scholar] [CrossRef]
- Amir-Al Zumahi, S.M.; Arobi, N.; Rahman, M.M.; Hossain, M.K.; Rozy, M.A.J.; Bashar, M.S.; Ahmed, F. Understanding the optical behaviours and the power conversion efficiency of novel organic dye and nanostructured TiO2 based integrated DSSCs. Sol. Energy 2021, 225, 129–147. [Google Scholar] [CrossRef]
- Kannan, S.; Subiramaniyam, N.P.; Lavanisadevi, S.U. Controllable synthesis of ZnO nanorods at different temperatures for enhancement of dye-sensitized solar cell performance. Mater. Lett. 2020, 274, 127994. [Google Scholar] [CrossRef]
- Raguram, T.; Rajni, K.S. Characterization of TiO2 photoanodes and natural dyes (Allamanda blanchetti and Allamanda cathartica) extract as sensitizers for dye-sensitized solar cell applications. J. Sol-Gel Sci. Technol. 2020, 93, 202–213. [Google Scholar] [CrossRef]
- Keshari, A.K.; Choudhary, P.; Shukla, V.K. Precursor induced evolution in single anatase phase synthesis of TiO2 nanoparticles for water treatment and dye-sensitized solar cell. Phys. B Condens. Matter 2022, 631, 413716. [Google Scholar] [CrossRef]
- Wategaonkar, S.B.; Pawar, R.P.; Parale, V.G.; Nade, D.P.; Sargar, B.M.; Mane, R.K. Synthesis of rutile TiO2 nanostructures by single step hydrothermal route and its characterization. Mater. Today Proc. 2020, 23, 444–451. [Google Scholar] [CrossRef]
- Bashir, M.B.A.; Rajpar, A.H.; Salih, E.Y.; Ahmed, E.M. Preparation and photovoltaic evaluation of CuO@ Zn (Al) O-mixed metal oxides for dye sensitized solar cell. Nanomaterials 2023, 13, 802. [Google Scholar] [CrossRef]
- Jung, K.; Lim, T.; Martinez-Morales, A.A. CuO shell as a protective layer to improve the stability of ZnO nanorods-based photoelectrode in DSSCs. Appl. Surf. Sci. 2020, 507, 144510. [Google Scholar] [CrossRef]
- Hendi, A.A.; Alanazi, M.M.; Alharbi, W.; Ali, T.; Awad, M.A.; Ortashi, K.M.; Alsheddi, T.H. Dye-sensitized solar cells constructed using titanium oxide nanoparticles and green dyes as photosensitizers. J. King Saud Univ. Sci. 2023, 35, 102555. [Google Scholar] [CrossRef]
- Jaramillo-Fierro, X.; González, S.; Medina, F. La-doped ZnTiO3/TiO2 nanocomposite supported on ecuadorian diatomaceous earth as a highly efficient photocatalyst driven by solar light. Molecules 2021, 26, 6232. [Google Scholar] [CrossRef]
- Mahboob, S.; Nivetha, R.; Gopinath, K.; Balalakshmi, C.; Al-Ghanim, K.A.; Al-Misned, F.; Govindarajan, M. Facile synthesis of gold and platinum doped titanium oxide nanoparticles for antibacterial and photocatalytic activity: A photodynamic approach. Photodiagnosis Photodyn. Ther. 2021, 33, 102148. [Google Scholar] [CrossRef]
- Girisun, T.S.; Priyadarshani, N.; Panda, S.K.; Subramanian, B. Pulsed laser deposited CuNb2O6 polymorph photocathode-An alternate to NiO p-DSSCs. Mater. Sci. Semicond. Process. 2021, 121, 105404. [Google Scholar] [CrossRef]
- Rajabi, M.; Albadi, J.; Momeni, A. Click synthesis of 1, 4-disubstituted-1, 2, 3-triazoles catalyzed by melamine-supported CuO nanoparticles as an efficient recyclable catalyst in water. Res. Chem. Intermed. 2020, 46, 3879–3889. [Google Scholar] [CrossRef]
- Baykuş, G.; Akgün, M.P.; Unluturk, S. Effects of ultraviolet-light emitting diodes (UV-LEDs) on microbial inactivation and quality attributes of mixed beverage made from blend of carrot, carob, ginger, grape and lemon juice. Innov. Food Sci. Emerg. Technol. 2021, 67, 102572. [Google Scholar] [CrossRef]
- Yadav, S.C.; Sharma, A.; Devan, R.S.; Shirage, P.M. Role of different counter electrodes on performance of TiO2 based dye-sensitized solar cell (DSSC) fabricated with dye extracted from Hibiscus Sabdariffa as sensitizer. Opt. Mater. 2022, 124, 112066. [Google Scholar] [CrossRef]
- Enaru, B.; Drețcanu, G.; Pop, T.D.; Stǎnilǎ, A.; Diaconeasa, Z. Anthocyanins: Factors affecting their stability and degradation. Antioxidants 2021, 10, 1967. [Google Scholar] [CrossRef] [PubMed]
- Amogne, N.Y.; Ayele, D.W.; Tsigie, Y.A. Recent advances in anthocyanin dyes extracted from plants for dye sensitized solar cell. Mater. Renew. Sustain. Energy 2020, 9, 23. [Google Scholar] [CrossRef]
- Teja, A.S.; Srivastava, A.; Satrughna, J.A.K.; Tiwari, M.K.; Kanwade, A.; Yadav, S.C.; Shirage, P.M. Optimal processing methodology for futuristic natural dye-sensitized solar cells and novel applications. Dye. Pigment. 2023, 210, 110997. [Google Scholar] [CrossRef]
- Sinha, D.; De, D.; Ayaz, A. Photo sensitizing and electrochemical performance analysis of mixed natural dye and nanostructured ZnO based DSSC. Sādhanā 2020, 45, 175. [Google Scholar] [CrossRef]
- Periyasamy, K.; Sakthivel, P.; Vennila, P.; Anbarasan, P.M.; Venkatesh, G.; Mary, Y.S. Novel D-π-A phenothiazine and dibenzofuran organic dyes with simple structures for efficient dye-sensitized solar cells. J. Photochem. Photobiol. A Chem. 2021, 413, 113269. [Google Scholar] [CrossRef]
- Abdellah, I.M.; El-Shafei, A. Influence of carbonyl group on photocurrent density of novel fluorene based D-π-A photosensitizers: Synthesis, photophysical and photovoltaic studies. J. Photochem. Photobiol. A Chem. 2020, 387, 112133. [Google Scholar] [CrossRef]
- Abusaif, M.S.; Fathy, M.; Abu-Saied, M.A.; Elhenawy, A.A.; Kashyout, A.B.; Selim, M.R.; Ammar, Y.A. New carbazole-based organic dyes with different acceptors for dye-sensitized solar cells: Synthesis, characterization, dssc fabrications and density functional theory studies. J. Mol. Struct. 2021, 1225, 129297. [Google Scholar] [CrossRef]
- Prakash, P.; Balasundaram, J.; Al-Enizi, A.M.; Ubaidullah, M.; Pandit, B. Effect of photovoltaic performance of plant-based cocktail DSSCs and adsorption of nano TiO2 onto the solvent-influenced dye sensitizers. Opt. Mater. 2022, 133, 113031. [Google Scholar] [CrossRef]
- Bonomo, M.; Zarate, A.S.; Fagiolari, L.; Damin, A.; Galliano, S.; Gerbaldi, C.; Barolo, C. Unreported resistance in charge transport limits the photoconversion efficiency of aqueous dye-sensitised solar cells: An electrochemical impedance spectroscopy study. Mater. Today Sustain. 2023, 21, 100271. [Google Scholar] [CrossRef]
- da Conceição, L.R.B.; da Cunha, H.O.; Leite, A.M.B.; Rodrigues, J.A.F.C.R.; Babu, R.S.; de Barros, A.L.F. Influence of various solvents in extraction of natural pigments from Annona atemoya and Physalis peruviana as photosensitizers for dye-sensitized solar cells. Optik 2024, 300, 171635. [Google Scholar] [CrossRef]
- Ferreira, B.C.; Babu, R.S.; da Conceição, L.R.B.; da Cunha, H.O.; Sampaio, D.M.; Samyn, L.M.; de Barros, A.L.F. Performance evaluation of DSSCs using naturally extracted dyes from petals of Lantana repens and Solidago canadensis flowers as light-harvesting units. Ionics 2022, 28, 5233–5242. [Google Scholar] [CrossRef]
- Dos Santos, F.M.M.; Leite, A.M.B.; Da Conceição, L.R.B.; Sasikumar, Y.; Atchudan, R.; Pinto, M.F.; De Barros, A.L.F. Effect of bandgap energies by various color petals of Gerbera jamesonii flower dyes as a photosensitizer on enhancing the efficiency of dye-sensitized solar cells. J. Mater. Sci. Mater. Electron. 2022, 33, 20338–20352. [Google Scholar] [CrossRef]
- Ferreira, F.C.; Babu, R.S.; de Barros, A.L.F.; Raja, S.; da Conceição, L.R.B.; Mattoso, L.H.C. Photoelectric performance evaluation of DSSCs using the dye extracted from different color petals of Leucanthemum vulgare flowers as novel sensitizers. Spectrochim. Acta Part A Mol. Biomol. Spectrosc. 2020, 233, 118198. [Google Scholar] [CrossRef] [PubMed]
- da Conceição, L.R.B.; da Cunha, H.O.; Leite, A.M.B.; Suresh Babu, R.; Raja, S.; Ribeiro, C.; de Barros, A.L.F. Evaluation of solar conversion efficiency in dye-sensitized solar cells using natural dyes extracted from alpinia purpurata and alstroemeria flower petals as novel photosensitizers. Colorants 2023, 2, 618–631. [Google Scholar] [CrossRef]
- Leite, A.M.B.; da Cunha, H.O.; Rodrigues, J.A.F.C.R.; Babu, R.S.; de Barros, A.L.F. Construction and characterization of organic photovoltaic cells sensitized by Chrysanthemum based natural dye. Spectrochim. Acta Part A Mol. Biomol. Spectrosc. 2023, 284, 121780. [Google Scholar] [CrossRef]
- Leite, A.M.B.; da Cunha, H.O.; Babu, R.S.; Vinodh, R.; de Barros, A.L.F. Enhanced photovoltaic efficiency in dye-sensitized solar cells with natural co-sensitizers from Annona squamosa, Malus domestica and Musa fruits. Opt. Mater. 2024, 157, 116124. [Google Scholar] [CrossRef]
- Ashok, A.; Beula, R.J.; Magesh, R.; Unnikrishnan, G.; Paul, P.M.; Bennett, H.C.; Abiram, A. Bandgap engineering of CuO/TiO2 nanocomposites and their synergistic effect on the performance of dye-sensitized solar cells. Opt. Mater. 2024, 148, 114896. [Google Scholar] [CrossRef]












Disclaimer/Publisher’s Note: The statements, opinions and data contained in all publications are solely those of the individual author(s) and contributor(s) and not of MDPI and/or the editor(s). MDPI and/or the editor(s) disclaim responsibility for any injury to people or property resulting from any ideas, methods, instructions or products referred to in the content. |
© 2024 by the authors. Licensee MDPI, Basel, Switzerland. This article is an open access article distributed under the terms and conditions of the Creative Commons Attribution (CC BY) license (https://creativecommons.org/licenses/by/4.0/).
Share and Cite
da Cunha, H.O.; Leite, A.M.B.; Babu, R.S.; Gama Filho, H.S.; dos Santos, R.S.; dos Anjos, M.J.; de Barros, A.L.F. Enhancing the Efficiency of Solar Cells Based on TiO2 and ZnO Photoanodes Through Copper Oxide: A Comparative Study Using Vitis labrusca Extract and N3 Ruthenium Dye. Colorants 2024, 3, 329-349. https://doi.org/10.3390/colorants3040023
da Cunha HO, Leite AMB, Babu RS, Gama Filho HS, dos Santos RS, dos Anjos MJ, de Barros ALF. Enhancing the Efficiency of Solar Cells Based on TiO2 and ZnO Photoanodes Through Copper Oxide: A Comparative Study Using Vitis labrusca Extract and N3 Ruthenium Dye. Colorants. 2024; 3(4):329-349. https://doi.org/10.3390/colorants3040023
Chicago/Turabian Styleda Cunha, Higor Oliveira, Arcano Matheus Bragança Leite, Rajendran Suresh Babu, Hamilton Santos Gama Filho, Ramon Silva dos Santos, Marcelino José dos Anjos, and Ana Lucia Ferreira de Barros. 2024. "Enhancing the Efficiency of Solar Cells Based on TiO2 and ZnO Photoanodes Through Copper Oxide: A Comparative Study Using Vitis labrusca Extract and N3 Ruthenium Dye" Colorants 3, no. 4: 329-349. https://doi.org/10.3390/colorants3040023
APA Styleda Cunha, H. O., Leite, A. M. B., Babu, R. S., Gama Filho, H. S., dos Santos, R. S., dos Anjos, M. J., & de Barros, A. L. F. (2024). Enhancing the Efficiency of Solar Cells Based on TiO2 and ZnO Photoanodes Through Copper Oxide: A Comparative Study Using Vitis labrusca Extract and N3 Ruthenium Dye. Colorants, 3(4), 329-349. https://doi.org/10.3390/colorants3040023

