Atomization Performance of Spray Nozzles and Their Influence on Fine Particle Collection in the Wet Electrostatic Precipitator
Abstract
1. Introduction
2. Experimental Principles and Device
2.1. Experimental Principles
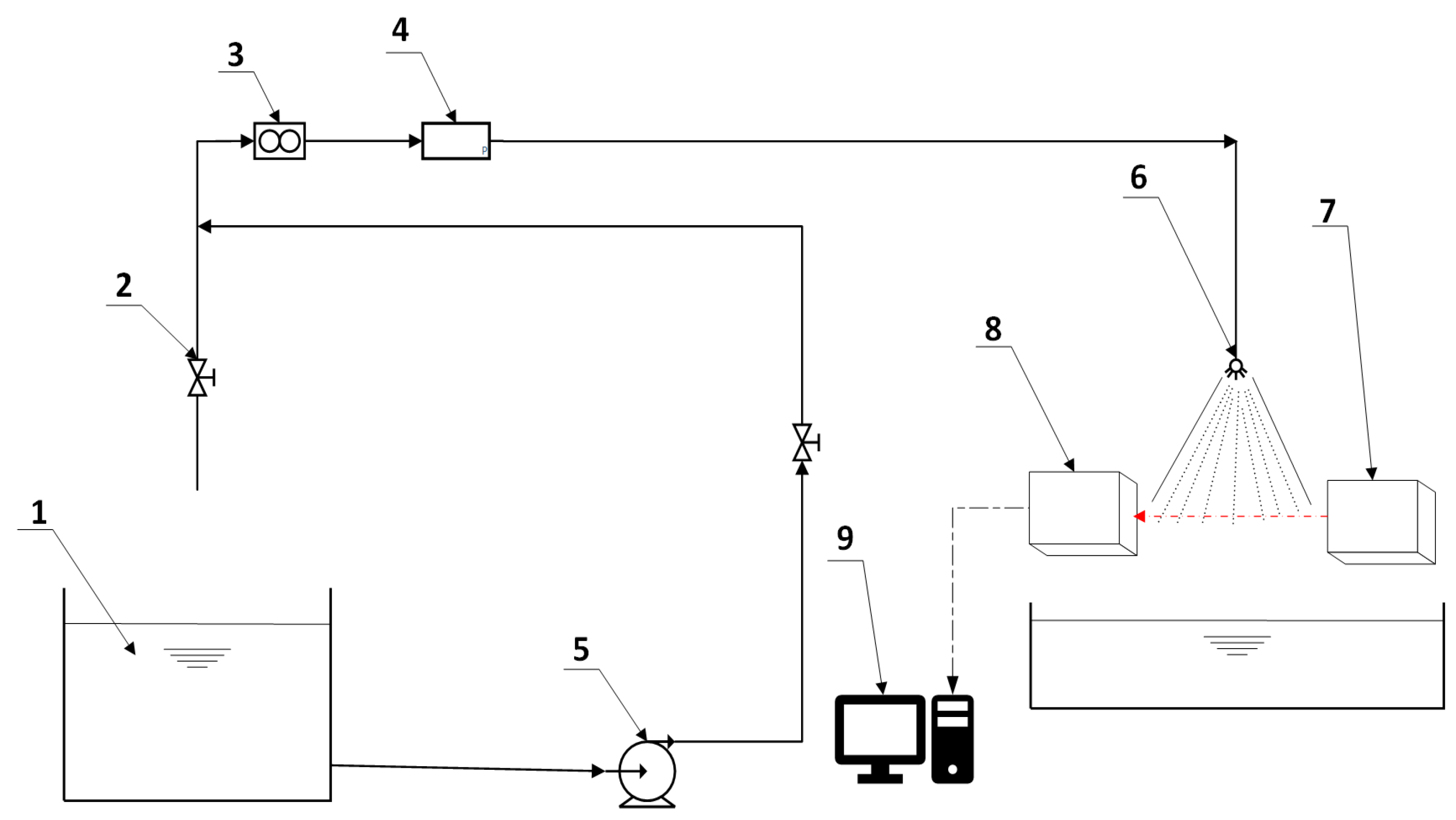
2.2. Experimental Setup
3. Results and Discussion
3.1. Influence of Atomization Pressure on Nozzle Atomization Performance
3.1.1. Effect of Atomization Pressure on Spray Volume
3.1.2. Effect of Atomization Pressure on Droplet Diameter
3.1.3. Effect of Atomization Pressure on Atomization Angle
3.2. Effect of Nozzle Type on Nozzle Atomization Performance
3.2.1. Effect of Nozzle Type on Droplet Diameter Distribution
3.2.2. Effect of Nozzle Type on Droplet Spatial Distribution
3.3. Effect of Chemical Agglomeration Liquid on Nozzle Atomization Performance
3.3.1. Effect of Chemical Agglomeration Liquid on Atomization of Hollow Cone Nozzle
3.3.2. Effect of Chemical Agglomeration Liquid on Atomization of Solid Cone Nozzle
3.3.3. Effect of Chemical Agglomeration Liquid on Atomization of Rotating Core Nozzle
3.4. Effect of Atomization Performance on Dust Agglomeration and Dust Removal Efficiency
3.4.1. Effect of Atomization Performance on Fine Particulate Dust Agglomeration
3.4.2. Effect of Atomization Performance on WESP Efficiency
4. Conclusions
- At a water mist pressure of 0.3–0.5 MPa, the nozzle’s spray volume approaches 0.6 m3/h as pressure increases, accompanied by a notable decrease in D50 and an increase in atomization angle. Above 0.5 MPa, changes in spray volume and D50 slow, and the atomization angle for some nozzles decreases by 2–5°. Considering atomization performance and fluid transportation energy consumption, 0.5 MPa is the optimal spray pressure. At this pressure, the 1/4 fan and 1/4 hollow cone nozzles show a multi-peaked, broad droplet diameter distribution, while the 1/8 solid cone and 1/8 rotating core nozzles produce a narrower, symmetrical distribution with a smaller D50, uniform spray flux, and stable atomization.
- When using a chemical agglomeration liquid as the spray medium, the droplet D50 tends to increase. At an atomization pressure of 0.5 MPa, the 1/8 hollow cone nozzle displays a multi-peak droplet diameter distribution that reflects suboptimal atomization performance. In contrast, the 1/8 solid cone nozzle has a D50 of 83.44 μm, and the 1/8 rotating core nozzle has a D50 of 111.19 μm, both achieving a consistent and narrow size distribution that indicates superior atomization performance.
- After passing through the WESP with enhanced atomization performance, the D50 of blast furnace dust increases, with a reduction in the mass fraction of fine particles below 2.5 μm and an increase in the fraction of particles above 10 μm, including some coarse particles exceeding 100 μm in diameter. This improvement significantly enhances the WESP’s capability to capture fine particulate dust. Using water as the atomizing medium, the dust removal efficiency of the 1/8 rotating core and 1/4 hollow cone nozzles exceeds 83%. When chemical agglomeration liquid is applied, the dust removal efficiency increases to 96.53% by using the 1/8 solid cone nozzle and 96.73% by using the 1/8 rotating core nozzle.
Author Contributions
Funding
Institutional Review Board Statement
Informed Consent Statement
Data Availability Statement
Acknowledgments
Conflicts of Interest
Nomenclature
| d | Particle diameter |
| D50 | Diameter when the cumulative distribution of dust is 50% |
References
- Cui, Y.; Li, L.; Lei, Y.; Wu, S.; Wang, Z. The decoupling effect of CO2 emissions and economic growth in the Chinese iron and steel industry and its influencing factors. Resour. Policy 2024, 97, 105269. [Google Scholar] [CrossRef]
- Zhu, Q.; Liu, C.; Li, X.; Zhou, D. The total factor carbon emission productivity in Chinese industrial Sectors: An analysis based on the global Malmquist-Luenberger index. Sustain. Energy Technol. Assess. 2023, 56, 103094. [Google Scholar]
- Tan, Q.; Liu, F.; Li, J. An Integrated Analysis on the Synergistic Reduction of Carbon and Pollution Emissions from the Chinese Iron and Steel Industry. Engineering 2024, 40, 111–121. [Google Scholar] [CrossRef]
- Perpiñán, J.; Peña, B.; Bailera, M.; Eveloy, V.; Kannan, P.; Raj, A.; Lisbona, P.; Romeo, L.M. Integration of carbon capture technologies in blast furnace based steel making: A comprehensive and systematic review. Fuel 2023, 336, 127074. [Google Scholar] [CrossRef]
- Ren, T.; Liu, L.; Jing, Y.; Dou, M.; Wang, J.; Chen, X.; Wang, Z.; Gao, P.; Hu, G.; May, E.F. Exploring enhanced CO2 separation from blast furnace gas: A multicolumn vacuum swing adsorption approach with process design and experimental assessment. Sep. Purif. Technol. 2025, 354, 129300. [Google Scholar] [CrossRef]
- Yu, J.; Xu, R.; Zhang, J.; Zheng, A. A review on reduction technology of air pollutant in current Chinese iron and steel industry. J. Clean. Prod. 2023, 414, 137659. [Google Scholar] [CrossRef]
- Guan, H.; Liu, Q.; Pan, W.-P. An assessment of inorganic components in condensable particulate matter as a function of surface aggregation, spatial suspension state and particle size. J. Hazard. Mater. 2024, 472, 134537. [Google Scholar] [CrossRef]
- Wang, X.; Chang, J.; Xu, C.; Zhang, J.; Wang, P.; Ma, C. Collection and charging characteristics of particles in an electrostatic precipitator with a wet membrane collecting electrode. J. Electrost. 2016, 83, 28–34. [Google Scholar] [CrossRef]
- Afshari, A.; Ekberg, L.; Forejt, L.; Mo, J.; Rahimi, S.; Siegel, J.; Chen, W.; Wargocki, P.; Zurami, S.; Zhang, J. Electrostatic Precipitators as an Indoor Air Cleaner—A Literature Review. Sustainability 2020, 12, 8774. [Google Scholar] [CrossRef]
- Teng, C.; Li, J. Performance of reduction on particle emission by combining the charged water drop atomization and electric field in wet electrostatic precipitator. Process Saf. Environ. Prot. 2021, 155, 543–554. [Google Scholar] [CrossRef]
- Wang, J.; Liu, W.; Zhang, F.; Huang, W.; Xu, H.; Ding, Y.; Qu, Z.; Yan, N. Spraying coupled with turbulence mechanisms enhanced the removal of fine particles in wet flue gas. Powder Technol. 2023, 426, 118634. [Google Scholar] [CrossRef]
- Guo, H.; Wang, H.; Chen, S.; Wu, Z. Water film area and dust removal efficiency of string grilles: A theoretical analysis. Int. J. Coal Sci. Technol. 2021, 8, 1015–1024. [Google Scholar] [CrossRef]
- Khani Aminjan, K.; Ghodrat, M.; Escobedo-Diaz, J.P.; Heidari, M.; Chitt, M.; Hajivand, M. Study on inlet pressure and Reynolds number in pressure-swirl atomizer with spiral path. Int. Commun. Heat Mass Transf. 2022, 137, 106231. [Google Scholar] [CrossRef]
- Krištof, O.; Bulejko, P.; Svěrák, T. Experimental Study on Spray Breakup in Turbulent Atomization Using a Spiral Nozzle. Processes 2019, 7, 911. [Google Scholar] [CrossRef]
- Gao, G.; Wang, C.; Kou, Z. Experimental Studies on the Spraying Pattern of a Swirl Nozzle for Coal Dust Control. Appl. Sci. 2018, 8, 1770. [Google Scholar] [CrossRef]
- Li, S.; Chen, C.; Wang, Y.; Kang, F.; Li, W. Study on the Atomization Characteristics of Flat Fan Nozzles for Pesticide Application at Low Pressures. Agriculture 2021, 11, 309. [Google Scholar] [CrossRef]
- Yu, H.; Jin, Y.-C.; Cheng, W.; Yang, X.; Peng, X.; Xie, Y. Multiscale simulation of atomization process and droplet particles diffusion of pressure-swirl nozzle. Powder Technol. 2021, 379, 127–143. [Google Scholar] [CrossRef]
- Xie, Z.; Zhao, Z.; Li, D.; Li, F.; Zhang, C.; Huang, C.; Xiao, Y. Experimental study on the atomization characteristics and dust removal efficiency of a fan-shaped nozzle for purifying working environment. Sci. Total Environ. 2023, 894, 164994. [Google Scholar] [CrossRef]
- Wang, H.; Wu, J.; Du, Y.; Wang, D. Investigation on the atomization characteristics of a solid-cone spray for dust reduction at low and medium pressures. Adv. Powder Technol. 2019, 30, 903–910. [Google Scholar] [CrossRef]
- Zhou, G.; Wang, J.; Song, R.; Yang, W.; Xu, C. Experimental research on atomization process and dust reduction performance of swirl pressure nozzle. Environ. Sci. Pollut. Res. 2022, 29, 88540–88556. [Google Scholar] [CrossRef]
- Nie, W.; Li, J.; Peng, H.; Xu, C.; Zhang, S.; Cha, X.; Yi, S.; Mwabaima, F.I. Study of spray atomization law and dust suppression effect of a wet dust catcher on a hydraulic support. Energy 2024, 305, 132296. [Google Scholar] [CrossRef]
- Badami, M.M.; Tohidi, R.; Aldekheel, M.; Farahani, V.J.; Verma, V.; Sioutas, C. Design, optimization, and evaluation of a wet electrostatic precipitator (ESP) for aerosol collection. Atmos. Environ. 2023, 308, 119858. [Google Scholar] [CrossRef] [PubMed]
- Guo, H.Y.; Su, X.B.; Li, A.S. Experimental Study on the Relationship between Nozzle Spray Pressure and Atomization Particle Size. J. China Coal Soc. 2010, 35, 1308–1313. [Google Scholar]
- Griesang, F.; Spadoni, A.B.D.; Urah Ferreira, P.H.; da Costa Ferreira, M. Effect of working pressure and spacing of nozzles on the quality of spraying distribution. Crop Prot. 2022, 151, 105818. [Google Scholar] [CrossRef]
- Morad, M.R.; Nasiri, M.; Amini, G. Axis-switching and breakup of rectangular liquid jets. Int. J. Multiph. Flow 2020, 126, 103242. [Google Scholar] [CrossRef]
- Hsiang, L.P.; Faeth, G.M. Near-limit drop deformation and secondary breakup. Int. J. Multiph. Flow 1992, 18, 635–652. [Google Scholar] [CrossRef]
- Arkhipov, V.A.; Vasenin, I.M.; Trofimov, V.F. Stability of colliding drops of ideal liquid. J. Appl. Mech. Tech. Phys. 1983, 24, 371–373. [Google Scholar] [CrossRef]
- Li, W.; Sun, Z.; Li, N.; Qi, Z.; Weng, S.; Peng, S.; Liu, T.; Wang, Z. Effect of the Weber number on the coalescence of relatively moving droplets in an electric field: A molecular dynamics study. J. Mol. Liq. 2023, 388, 122783. [Google Scholar] [CrossRef]
- Liu, D.; Wang, P.; Sun, Y.; Zhang, H.; Xu, S. Co-abatement of carbon and air pollutants emissions in Chinese iron and steel industry under carbon neutrality scenarios. Renew. Sustain. Energy Rev. 2024, 191, 114140. [Google Scholar] [CrossRef]
- Li, Z.; Zheng, S.; Zhao, C.; Liu, M.; Zhang, Z.; Xu, W.; Luo, D.; Shah, B.R. Stability, microstructural and rheological properties of Pickering emulsion stabilized by xanthan gum/lysozyme nanoparticles coupled with xanthan gum. Int. J. Biol. Macromol. 2020, 165, 2387–2394. [Google Scholar] [CrossRef]
- Yermagambetova, A.; Tazhibayeva, S.; Takhistov, P.; Tyussyupova, B.; Tapia-Hernández, J.A.; Musabekov, K. Microbial Polysaccharides as Functional Components of Packaging and Drug Delivery Applications. Polymers 2024, 16, 2854. [Google Scholar] [CrossRef] [PubMed]
- Xiao, P.; Chen, Z.; Zhao, B.; Huang, X.; Liu, X.; Chen, L.; Li, B. Wetting and aggregation mechanisms of coal molecules via XTG and SDBS based on molecular simulation. J. Mol. Liq. 2024, 408, 125357. [Google Scholar] [CrossRef]
- Liu, H.; Yang, F.; Tan, H.; Zhao, F.; Zhang, M.; Ruan, R.; Zhang, J.; Zhang, Z.; Qu, W. Industrial application and numerical simulation on discrete dynamics of fine particulate matters: Condensational growth, deposition and agglomeration. Chem. Eng. J. 2024, 488, 150999. [Google Scholar] [CrossRef]

















Disclaimer/Publisher’s Note: The statements, opinions and data contained in all publications are solely those of the individual author(s) and contributor(s) and not of MDPI and/or the editor(s). MDPI and/or the editor(s) disclaim responsibility for any injury to people or property resulting from any ideas, methods, instructions or products referred to in the content. |
© 2024 by the authors. Licensee MDPI, Basel, Switzerland. This article is an open access article distributed under the terms and conditions of the Creative Commons Attribution (CC BY) license (https://creativecommons.org/licenses/by/4.0/).
Share and Cite
Li, H.; Xiao, L.; Wang, S.; Ren, G. Atomization Performance of Spray Nozzles and Their Influence on Fine Particle Collection in the Wet Electrostatic Precipitator. Coatings 2024, 14, 1599. https://doi.org/10.3390/coatings14121599
Li H, Xiao L, Wang S, Ren G. Atomization Performance of Spray Nozzles and Their Influence on Fine Particle Collection in the Wet Electrostatic Precipitator. Coatings. 2024; 14(12):1599. https://doi.org/10.3390/coatings14121599
Chicago/Turabian StyleLi, Hengtian, Lichun Xiao, Shuting Wang, and Gaijuan Ren. 2024. "Atomization Performance of Spray Nozzles and Their Influence on Fine Particle Collection in the Wet Electrostatic Precipitator" Coatings 14, no. 12: 1599. https://doi.org/10.3390/coatings14121599
APA StyleLi, H., Xiao, L., Wang, S., & Ren, G. (2024). Atomization Performance of Spray Nozzles and Their Influence on Fine Particle Collection in the Wet Electrostatic Precipitator. Coatings, 14(12), 1599. https://doi.org/10.3390/coatings14121599

