Using an Interlayer to Toughen Flexible Colorless Polyimide-Based Cover Windows
Abstract
:1. Introduction
2. Fracture Model, Materials, and Methods
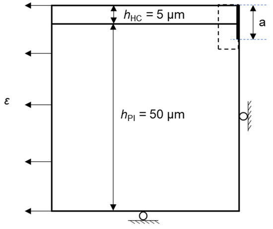
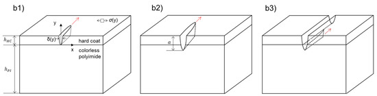
2.1. Fracture Model
2.2. Finite Element Analysis
2.3. Materials
2.4. Cover Window Fabrication
2.5. Nanoindentation
2.6. Tensile Test
2.7. Fracture Test
3. Results and Discussion
3.1. Embrittlement of Colorless PI Film
3.2. Materials Characterization
3.3. Fracture Analysis
3.3.1. Bilayer Cover Window
3.3.2. Trilayer Cover Window
4. Conclusions
Supplementary Materials
Author Contributions
Funding
Institutional Review Board Statement
Informed Consent Statement
Data Availability Statement
Acknowledgments
Conflicts of Interest
References
- Shi, S.; Li, Z.; Dong, L.; Du, S.; Tsai, P.M.; Wang, W.; Cui, Y.; Chu, S.C.; Wang, D. 18.3: Invited Paper: Research on 7.56-inch Foldable AMOLED and Relevant Foldable Technologies. In SID Symposium Digest of Technical Papers; Wiley Online Library: New York, NY, USA, 2019; pp. 184–186. [Google Scholar]
- Han, H.J.; Cho, W.J.; Lee, S.J.; Park, H.M.; Hwang, I. P-109: Stress-Free Folding Hinge for Foldable OLED Display Device. In SID Symposium Digest of Technical Papers; Wiley Online Library: New York, NY, USA, 2021. [Google Scholar]
- Bu, L.; Carbajal, L.; Chang, M.; Chen, J.; Johnson, J.C.; Kourtakis, K.; Lamontia, M.; Li, A.; Liao, K.; Liu, S. 53-1: Invited Paper: Advanced Materials for Flexible Displays. In SID Symposium Digest of Technical Papers; Wiley Online Library: New York, NY, USA, 2019; pp. 727–730. [Google Scholar]
- Choi, G.M.; Jin, J.; Shin, D.; Kim, Y.H.; Ko, J.H.; Im, H.G.; Jang, J.; Jang, D.; Bae, B.S. Flexible hard coating: Glass-like wear resistant, yet plastic-like compliant, transparent protective coating for foldable displays. Adv. Mater. 2017, 29, 1700205. [Google Scholar] [CrossRef] [PubMed]
- Ni, H.-j.; Liu, J.-g.; Wang, Z.-h.; Yang, S.-y. A review on colorless and optically transparent polyimide films: Chemistry, process and engineering applications. J. Ind. Eng. Chem. 2015, 28, 16–27. [Google Scholar] [CrossRef]
- Hasegawa, M.; Fujii, M.; Wada, Y. Approaches to improve the film ductility of colorless cycloaliphatic polyimides. Polym. Adv. Technol. 2018, 29, 921–933. [Google Scholar] [CrossRef]
- Li, H.; Ma, Y.; Huang, Y. Material innovation and mechanics design for substrates and encapsulation of flexible electronics: A review. Mater. Horiz. 2021, 8, 383–400. [Google Scholar] [CrossRef] [PubMed]
- Lee, Y.; Lee, H.; Im, H.-G.; Jo, W.; Choi, G.-M.; Kim, T.-S.; Jang, J.; Bae, B.-S. Transparent and flexible hybrid cover window film: Hard coating/substrate all-in-one composite film for reliable foldable display. Compos. Part B Eng. 2022, 247, 110336. [Google Scholar] [CrossRef]
- Park, J.-H.; Kim, C.-H.; Lee, J.-H.; Kim, H.-K. Transparent and flexible sioc films on colorless polyimide substrate for flexible cover window. Micromachines 2021, 12, 233. [Google Scholar] [CrossRef]
- Bae, B.-S.; Choi, G.-M.; Ko, J.-H. 53-3: Invited Paper: Out-Foldable Smartphone Will Be Real?: Challenges for Developing Glass-like Cover Plastic Films. In SID Symposium Digest of Technical Papers; Wiley Online Library: New York, NY, USA, 2019; pp. 735–737. [Google Scholar]
- Leterrier, Y. Durability of nanosized oxygen-barrier coatings on polymers. Prog. Mater. Sci. 2003, 48, 1–55. [Google Scholar] [CrossRef]
- Matsuda, Y.; King, S.W.; Bielefeld, J.; Xu, J.; Dauskardt, R.H. Fracture properties of hydrogenated amorphous silicon carbide thin films. Acta Mater. 2012, 60, 682–691. [Google Scholar] [CrossRef]
- Cordero, N.; Yoon, J.; Suo, Z. Channel cracks in a hermetic coating consisting of organic and inorganic layers. Appl. Phys. Lett. 2007, 90, 111910. [Google Scholar] [CrossRef]
- Long, R.; Dunn, M.L. Channel cracks in atomic-layer and molecular-layer deposited multilayer thin film coatings. J. Appl. Phys. 2014, 115, 233514. [Google Scholar] [CrossRef]
- Luo, H.; Wang, B.; Kim, K.; Graham, S.; Pierron, O.N.; Zhu, T. Kinetics of environmentally assisted cracking in SiNx barrier films. Appl. Phys. Lett. 2019, 115, 051901. [Google Scholar] [CrossRef]
- Praud, F.; Schmitt, T.; Zabeida, O.; Maïza, S.; Martinu, L.; Lévesque, M. Phase field fracture models to predict crack initiation and propagation in anti-reflective coatings. Thin Solid Film. 2021, 736, 138920. [Google Scholar] [CrossRef]
- Hutchinson, J.W.; Suo, Z. Mixed-Mode Cracking in Layered Materials. Adv. Appl. Mech. 1992, 29, 63–191. [Google Scholar]
- Anderson, T.L. Fracture Mechanics: Fundamentals and Applications; CRC Press: Boca Raton, FL, USA, 2017. [Google Scholar]
- Barber, J.R. Elasticity; Springer: Dordrecht, The Netherlands, 2002. [Google Scholar]
- Suo, Z.; Shih, C.F.; Varias, A.G. A Theory for Cleavage Cracking in the Presence of Plastic-Flow. Acta Metall. Mater. 1993, 41, 1551–1557. [Google Scholar] [CrossRef]
- He, M.Y.; Evans, A.G.; Hutchinson, J.W. Crack deflection at an interface between dissimilar elastic materials: Role of residual stresses. Int. J. Solids Struct. 1994, 31, 3443–3455. [Google Scholar] [CrossRef]
- Beom, H.; Jang, H.; Zhuo, X. Debonding of the interface between a thin film and an orthotropic substrate. Eng. Fract. Mech. 2014, 124, 217–233. [Google Scholar] [CrossRef]
- Broberg, K. On stable crack growth. J. Mech. Phys. Solids 1975, 23, 215–237. [Google Scholar] [CrossRef]
- Dundurs, J.; Bogy, D.B. Edge-Bonded Dissimilar Orthogonal Elastic Wedges under Normal and Shear Loading. J. Appl. Mech. 1969, 36, 650–652. [Google Scholar] [CrossRef]
- Matsuda, Y.; Samadi-Dooki, A.; Cen, Y.; Vasquez, G.; Bu, L. High-Temperature Dynamic Mechanical Properties Characterization of Polymer Coatings via Nanoindentation. J. Eng. Mater. Technol. 2022, 144, 021011. [Google Scholar] [CrossRef]
- Oliver, W.C.; Pharr, G.M. Measurement of hardness and elastic modulus by instrumented indentation: Advances in understanding and refinements to methodology. J. Mater. Res. 2004, 19, 3–20. [Google Scholar] [CrossRef]
- Pan, B.; Qian, K.; Xie, H.; Asundi, A. Two-dimensional digital image correlation for in-plane displacement and strain measurement: A review. Meas. Sci. Technol. 2009, 20, 062001. [Google Scholar] [CrossRef]
- Kim, K.; Luo, H.; Singh, A.K.; Zhu, T.; Graham, S.; Pierron, O.N. Environmentally assisted cracking in silicon nitride barrier films on poly (ethylene terephthalate) substrates. ACS Appl. Mater. Interfaces 2016, 8, 27169–27178. [Google Scholar] [CrossRef]
- Leterrier, Y.; Mottet, A.; Bouquet, N.; Gilliéron, D.; Dumont, P.; Pinyol, A.; Lalande, L.; Waller, J.; Månson, J.-A. Mechanical integrity of thin inorganic coatings on polymer substrates under quasi-static, thermal and fatigue loadings. Thin Solid Film. 2010, 519, 1729–1737. [Google Scholar] [CrossRef]
- Leterrier, Y.; Medico, L.; Demarco, F.; Manson, J.A.E.; Betz, U.; Escola, M.F.; Olsson, M.K.; Atamny, F. Mechanical integrity of transparent conductive oxide films for flexible polymer-based displays. Thin Solid Film. 2004, 460, 156–166. [Google Scholar] [CrossRef]
- Ferrer-Balas, D.; Maspoch, M.L.; Martinez, A.; Ching, E.; Li, R.; Mai, Y.-W. Fracture behaviour of polypropylene films at different temperatures: Assessment of the EWF parameters. Polymer 2001, 42, 2665–2674. [Google Scholar] [CrossRef]
- Maspoch, M.L.; Hénault, V.; Ferrer-Balas, D.; Velasco, J.; Santana, O. Essential work of fracture on PET films: Influence of the thickness and the orientation. Polym. Test. 2000, 19, 559–568. [Google Scholar] [CrossRef]
- Wiederhorn, S.M.; Diness, A.M.; Heuer, A.H. Fracture of Glass in Vacuum. J. Am. Ceram. Soc. 1974, 57, 336–341. [Google Scholar] [CrossRef]
- Yanagisawa, Y.; Nan, Y.; Okuro, K.; Aida, T. Mechanically robust, readily repairable polymers via tailored noncovalent cross-linking. Science 2018, 359, 72–76. [Google Scholar] [CrossRef] [PubMed]
- Chen, Y.; Kushner, A.M.; Williams, G.A.; Guan, Z. Multiphase design of autonomic self-healing thermoplastic elastomers. Nat. Chem. 2012, 4, 467–472. [Google Scholar] [CrossRef] [PubMed]
- Huang, Z.; Chen, X.; O’Neill, S.J.; Wu, G.; Whitaker, D.J.; Li, J.; McCune, J.A.; Scherman, O.A. Highly compressible glass-like supramolecular polymer networks. Nat. Mater. 2022, 21, 103–109. [Google Scholar] [CrossRef] [PubMed]
- Isaacson, S.G.; Matsuda, Y.; Lionti, K.; Frot, T.; Volksen, W.; Dauskardt, R.H.; Dubois, G. Using Unentangled Oligomers To Toughen Materials. ACS Appl. Mater. Interfaces 2018, 10, 27549–27554. [Google Scholar] [CrossRef] [PubMed]
- Isaacson, S.G.; Lionti, K.; Volksen, W.; Magbitang, T.P.; Matsuda, Y.; Dauskardt, R.H.; Dubois, G. Fundamental limits of material toughening in molecularly confined polymers. Nat. Mater. 2016, 15, 294–298. [Google Scholar] [CrossRef] [PubMed]
- Matsuda, Y.; Ryu, I.; King, S.W.; Bielefeld, J.; Dauskardt, R.H. Toughening Thin-Film Structures with Ceramic-Like Amorphous Silicon Carbide Films. Small 2014, 10, 253–257. [Google Scholar] [CrossRef] [PubMed]
- Maidenberg, D.; Volksen, W.; Miller, R.; Dauskardt, R. Toughening of nanoporous glasses using porogen residuals. Nat. Mater. 2004, 3, 464–469. [Google Scholar] [CrossRef]
- Ritchie, R.O. The conflicts between strength and toughness. Nat. Mater. 2011, 10, 817–822. [Google Scholar] [CrossRef]
- Cotterell, B.; Sim, M.; Amrutharaj, G.; Teoh, S. The crack growth resistance of polyimide film. J. Mater. Sci. 1996, 31, 291–295. [Google Scholar] [CrossRef]











| Crack Length, μm | Interlayer Thickness, μm | Modulus, GPa | α between HC and Colorless PI | ||
|---|---|---|---|---|---|
| Interlayer | HC | Colorless PI | |||
| 5 5.5 6 6.5 | 0.5 1 5 | 0.46 4.6 * 10 | 3 | 10 | −0.549 |
| 4.75 | 8.25 | −0.282 | |||
| 5.8 * | 4.8 * | 0.063 * | |||
| 6.5 | 6.5 | −0.014 | |||
| 8.25 | 4.75 | 0.256 | |||
| 10 | 3 | 0.528 | |||
| Material | Modulus, E [GPa] | Poisson’s Ratio | Fracture Energy, Gc [J/m2] |
|---|---|---|---|
| Colorless polyimide | 4.8 ± 0.1 | 0.34 | 430 * |
| Hard coat | 5.6 ± 0.2 | 0.3 * | 100 ± 57 |
| Interlayer | 4.6 ± 0.07 | 0.35 * | >810 * |
Disclaimer/Publisher’s Note: The statements, opinions and data contained in all publications are solely those of the individual author(s) and contributor(s) and not of MDPI and/or the editor(s). MDPI and/or the editor(s) disclaim responsibility for any injury to people or property resulting from any ideas, methods, instructions or products referred to in the content. |
© 2023 by the authors. Licensee MDPI, Basel, Switzerland. This article is an open access article distributed under the terms and conditions of the Creative Commons Attribution (CC BY) license (https://creativecommons.org/licenses/by/4.0/).
Share and Cite
Matsuda, Y.; Cen, Y.; Bu, L.; Zhang, J.; Kourtakis, K.; Huang, T.; Song, Y.; Yahyazadehfar, M.; Caputo, D.; Podhiny, J.; et al. Using an Interlayer to Toughen Flexible Colorless Polyimide-Based Cover Windows. Coatings 2023, 13, 1597. https://doi.org/10.3390/coatings13091597
Matsuda Y, Cen Y, Bu L, Zhang J, Kourtakis K, Huang T, Song Y, Yahyazadehfar M, Caputo D, Podhiny J, et al. Using an Interlayer to Toughen Flexible Colorless Polyimide-Based Cover Windows. Coatings. 2023; 13(9):1597. https://doi.org/10.3390/coatings13091597
Chicago/Turabian StyleMatsuda, Yusuke, Yinjie Cen, Luke Bu, Jieqian Zhang, Kostantinos Kourtakis, Tao Huang, Yixuan Song, Mobin Yahyazadehfar, Derek Caputo, John Podhiny, and et al. 2023. "Using an Interlayer to Toughen Flexible Colorless Polyimide-Based Cover Windows" Coatings 13, no. 9: 1597. https://doi.org/10.3390/coatings13091597
APA StyleMatsuda, Y., Cen, Y., Bu, L., Zhang, J., Kourtakis, K., Huang, T., Song, Y., Yahyazadehfar, M., Caputo, D., Podhiny, J., Carbajal, L., & Samadi-Dooki, A. (2023). Using an Interlayer to Toughen Flexible Colorless Polyimide-Based Cover Windows. Coatings, 13(9), 1597. https://doi.org/10.3390/coatings13091597

