Tribological Performance and Scuffing Resistance of Cast-Iron Cylinder Liners and Al-Si Alloy Cylinder Liners
Abstract
:1. Introduction
2. Materials and Experimental Section
3. Results and Discussion
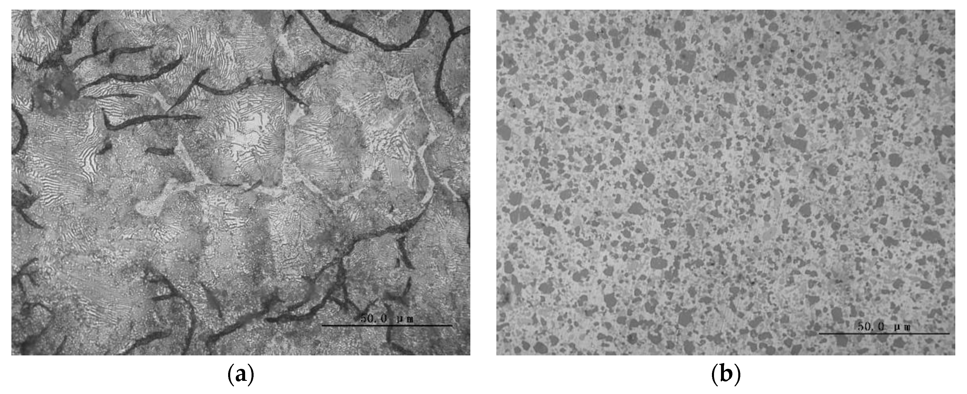
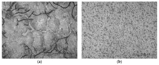
3.1. Tribological Performance and Worn Surface
3.2. Scuffing Resistance and Surface Morphologies
3.3. Wear Mechanism
4. Conclusions
- (1)
- The cast-iron cylinder liner had higher hardness, less weight loss, and better wear resistance. Although the cast-iron cylinder liner had a longer scuffing time (20 times that of the Al-Si alloy cylinder liner) and better scuffing resistance, it had a higher friction force during the stable wear stage and a higher friction coefficient, resulting in poor friction performance.
- (2)
- The Al-Si alloy cylinder liner had low hardness and significant wear, and its wear resistance was not as good as that of the cast-iron cylinder liner. The honing roads on the worn surface disappeared, and pits left by the detachment of silicon particles could be seen. The scuffing resistance of the Al-Si alloy cylinder liner was weaker than that of the cast-iron cylinder liner, but its friction force and coefficient of friction were low (94% of that of the cast-iron cylinder liner), and it had excellent friction performance.
- (3)
- The wear mechanism of the cast-iron cylinder liner was slight adhesive wear. The wear mechanism of the Al-Si alloy cylinder liner was a mixture of adhesive wear and abrasive wear.
- (4)
- In a future context, cast-iron cylinder liners are suitable for traditional fuel engines and turbocharged engines with high load, high power, and high stability. Al-Si alloy cylinder liners are suitable for engines that are lightweight, efficient, and energy-saving and operate at high speeds. From the perspective of future applications, cast-iron cylinder liners are suitable for trucks, while aluminum cylinder liners are suitable for small cars.
Author Contributions
Funding
Institutional Review Board Statement
Informed Consent Statement
Data Availability Statement
Conflicts of Interest
References
- Rao, X.; Sheng, C.; Guo, Z.; Zhang, X.; Yin, H.; Xu, C.; Yuan, C. Anti-friction and self-repairing abilities of ultrafine serpentine, attapulgite and kaolin in oil for the cylinder liner-piston ring tribo-systems. Lubr. Sci. 2022, 34, 210–223. [Google Scholar] [CrossRef]
- Gussmagg, J.; Pusterhofer, M.; Summer, F.; Grün, F. Experimental visualization of the wear and scuffing evolution of a flake graphite cast iron cylinder liner. Wear 2023, 526–527, 204948. [Google Scholar] [CrossRef]
- Zha, W.; Cai, R.; Zhang, J.Z.; Nie, X.Y. Plasma-Texturing Surface Treatment of Grey Cast Iron for Friction Reduction. Defect Diffus. Forum 2020, 400, 82–90. [Google Scholar] [CrossRef]
- Slattery, B.E.; Edrisy, A.; Perry, T. Investigation of wear induced surface and subsurface deformation in a linerless Al-Si engine. Wear 2010, 269, 298–309. [Google Scholar] [CrossRef]
- Liu, E.; Wang, F.; Du, S.; Zeng, Z.; Du, H.; Bai, Y. Effect of Cr2O3 on the microstructure and tribological performance of sprayed Fe-based coating on cylinder liner. Proc. Inst. Mech. Eng. Part J J. Eng. Tribol. 2020, 234, 435–447. [Google Scholar] [CrossRef]
- Li, C.-D.; Chen, X.; Du, F.-M.; Shen, Y.; Xu, J.-J. The influence of protruding silicon particle shape on the friction performance of Al-Si alloy. Surf. Topogr. Metrol. Prop. 2020, 8, 025022. [Google Scholar] [CrossRef]
- Miladinović, S.; Stojanović, B.; Gajević, S.; Vencl, A. Hypereutectic Aluminum Alloys and Composites: A Review. Silicon 2023, 15, 2507–2527. [Google Scholar] [CrossRef]
- Kang, N.; ELMansori, M. A new insight on induced-tribological behaviour of hypereutectic Al-Si alloys manufactured by selective laser melting. Tribol. Int. 2020, 149, 105751. [Google Scholar] [CrossRef]
- Hekimolu, A.P.; Ayata, G. Effect of Strontium and Strontium-Magnesium Additions on the Microstructure and Mechanical Properties of Hypereutectic Al-17Si Alloy. Pamukkale Univ. J. Eng. Sci. 2019, 25, 49–55. [Google Scholar] [CrossRef]
- Walker, J.C.; Kamps, T.J.; Lam, J.W.; Mitchell-Smith, J.; Clare, A.T. Tribological behaviour of an electrochemical jet machined textured Al-Si automo-tivecylinder liner material. Wear 2017, 376, 1611–1621. [Google Scholar] [CrossRef]
- Lou, M.; Alpas, A.T. Lubricated friction behaviour of thermal spray steel coated cylinder bores studied using a long-stroke re-ciprocating tribometer. Ind. Lubr. Tribol. 2021, 73, 796–801. [Google Scholar] [CrossRef]
- Mishra, P.; Penchaliah, R. Synergistic effect of surface texturing and coating on the friction between piston ring and cylinder liner contact. Proc. Inst. Mech. Eng. Part J J. Eng. Tribol. 2021, 235, 1298–1311. [Google Scholar] [CrossRef]
- Baby, A.K.; Priyaranjan, M.; Deepak Lawrence, K.; Rajendrakumar, P.K. Tribological behaviour of hypereutectic Al-Si automotive cylinder liner material under dry sliding wear condition in severe wear regime. Proc. Inst. Mech. Eng. Part J J. Eng. Tribol. 2021, 235, 1450–1462. [Google Scholar] [CrossRef]
- Kim, H.T. Microstructure and Mechanical Properties of the Al-RE Alloy with Ca Addition. J. Nanosci. Nano-Technol. 2020, 20, 535–539. [Google Scholar] [CrossRef]
- Walker, J.; Cinti, S.; Kamps, T.; Mitchell-Smith, J.; Clare, A. Influence of contact area on the sliding friction and wear behaviour of an electrochemical jet textured Al-Si alloy. Wear 2019, 426–427, 1336–1344. [Google Scholar] [CrossRef]
- Baby, A.K.; Rajendrakumar, P.K. Influence of honing angle on tribological behaviour of cylinder liner–piston ring pair: Experimental investigation. Tribol. Int. 2021, 167, 107355. [Google Scholar] [CrossRef]
- Kaleli, H. New Universal Tribometer as Pin or Ball-on-Disc and Reciprocating Pin-on-Plate Types. Tribol. Ind. 2016, 38, 235–240. [Google Scholar]
- Yusubov, F.F. Frictional Heat Simulation of Brake Composites in a Pin-on-Disc Tribotesting. Nano Hybrids Compos. 2021, 32, 63–71. [Google Scholar] [CrossRef]
- Milojević, S.; Stojanović, B. Determination of tribological properties of aluminum cylinder by application of Taguchi method and ANN-based model. J. Braz. Soc. Mech. Sci. Eng. 2018, 40, 517. [Google Scholar] [CrossRef]
- Milojević, S.; Savić, S.; Marić, D.; Stopka, O.; Krstić, B.; Stojanović, B. Correlation between Emission and Combustion Characteristics with the Compression Ratio and Fuel Injection Timing in Tribologically Optimized Diesel Engine. Tehnicki. Vjesn. 2022, 29, 1210–1219. [Google Scholar] [CrossRef]
- Bian, X.; Han, X.; Luo, J.; Li, C.; Hao, M. Author response for “Effect of composite surface treatments on wear performance of Al-Si alloy cylinder liner”. Ind. Lubr. Tribol. 2023, 75, 858–865. [Google Scholar] [CrossRef]
- Walker, J.C.; Kamps, T.J.; Wood, R.J. The influence of start–stop transient velocity on the friction and wear behaviour of a hyper-eutectic Al–Si automotive alloy. Wear 2013, 306, 209–218. [Google Scholar] [CrossRef]













| Element | Al | Si | Fe | Cu | Mg | Zn |
|---|---|---|---|---|---|---|
| Content/% | 71 | 21 | 0.9 | 5 | 0.6 | 1.0 |
Disclaimer/Publisher’s Note: The statements, opinions and data contained in all publications are solely those of the individual author(s) and contributor(s) and not of MDPI and/or the editor(s). MDPI and/or the editor(s) disclaim responsibility for any injury to people or property resulting from any ideas, methods, instructions or products referred to in the content. |
© 2023 by the authors. Licensee MDPI, Basel, Switzerland. This article is an open access article distributed under the terms and conditions of the Creative Commons Attribution (CC BY) license (https://creativecommons.org/licenses/by/4.0/).
Share and Cite
Li, C.; Chen, X.; Liu, H.; Dong, L.; Jian, H.; Wang, J.; Du, F. Tribological Performance and Scuffing Resistance of Cast-Iron Cylinder Liners and Al-Si Alloy Cylinder Liners. Coatings 2023, 13, 1951. https://doi.org/10.3390/coatings13111951
Li C, Chen X, Liu H, Dong L, Jian H, Wang J, Du F. Tribological Performance and Scuffing Resistance of Cast-Iron Cylinder Liners and Al-Si Alloy Cylinder Liners. Coatings. 2023; 13(11):1951. https://doi.org/10.3390/coatings13111951
Chicago/Turabian StyleLi, Chengdi, Xiao Chen, Hao Liu, Lianjie Dong, Huihua Jian, Jingsi Wang, and Fengming Du. 2023. "Tribological Performance and Scuffing Resistance of Cast-Iron Cylinder Liners and Al-Si Alloy Cylinder Liners" Coatings 13, no. 11: 1951. https://doi.org/10.3390/coatings13111951
APA StyleLi, C., Chen, X., Liu, H., Dong, L., Jian, H., Wang, J., & Du, F. (2023). Tribological Performance and Scuffing Resistance of Cast-Iron Cylinder Liners and Al-Si Alloy Cylinder Liners. Coatings, 13(11), 1951. https://doi.org/10.3390/coatings13111951

