Next Article in Journal
Improved Performance of Ceramic Solar Absorber Particles Coated with Black Oxide Pigment Deposited by Resonant Acoustic Mixing and Reaction Sintering
Next Article in Special Issue
Evaluation of Biocompatibility of 316 L Stainless Steels Coated with TiN, TiCN, and Ti-DLC Films
Previous Article in Journal
Study on Microstructure and Properties of Nickel-Based Self-Lubricating Coating by Laser Cladding
Previous Article in Special Issue
Preparation of Ti-Al-Si Gradient Coating Based on Silicon Concentration Gradient and Added-Ce
 
 
Font Type:
Arial Georgia Verdana
Font Size:
Aa Aa Aa
Line Spacing:
Column Width:
Background:
Article

Design of Ti-Zr-Ta Alloys with Low Elastic Modulus Reinforced by Spinodal Decomposition

1
School of Materials Science and Engineering, Xiangtan University, Xiangtan 411105, China
2
Key Laboratory of Materials Design and Preparation Technology of Hunan Province, Xiangtan University, Xiangtan 411105, China
*
Authors to whom correspondence should be addressed.
Coatings 2022, 12(6), 756; https://doi.org/10.3390/coatings12060756
Submission received: 7 May 2022 / Revised: 24 May 2022 / Accepted: 30 May 2022 / Published: 31 May 2022
(This article belongs to the Special Issue Advances of Ceramic and Alloy Coatings)

Abstract

:
On the basis of the ternary phase diagram of Ti-Zr-Ta alloys and the d-electron orbital theory, the alloys with the nominal compositions of Ti-40Zr-20Ta (TZT1), Ti-35Zr-20Ta (TZT2) and Ti-30Zr-20Ta (TZT3) (in atom composition) were designed. The alloys were solution-treated (STed) at 1173 K for 3 h, and then aged (Aed) at 973 K for 6 h. The microstructure and mechanical properties of the three alloys were characterized. The results show that the three alloys comprised β-equiaxed grains after solution treatment at 1173 K for 3 h, and the β phases separated into β12 phases by the spinodal decomposition in the alloys after being aged at 973 K for 6 h. The spinodal decomposition significantly promoted the yield strength of the alloys. For the TZT1 alloy, the yield strength increased from 1191 MPa (in the STed state) to 1580 MPa (in the Aed state), increasing by about 34%. The elastic moduli of the TZT1, TZT2 and TZT3 alloys after solution treatment at 1173 K were 75.0 GPa, 78.2 GPa and 85.8 GPa, respectively. After being aged at 973 K for 6 h, the elastic moduli of the three alloys increased to 81 GPa, 90 GPa and 92 GPa, respectively. Therefore, the spinodal decomposition can significantly promote the strength of the Ti-Zr-Ta alloys without a large increase in their elastic modulus.

1. Introduction

Titanium and its alloys are considered some of the most promising biomedical metal materials due their low density, high specific strength, low elastic modulus, good corrosion resistance, etc. [1,2,3]. Traditional titanium alloys, such as Ti-6Al-4V, normally contain Al and V elements, which have been proven to be biotoxic after implantation in the human body, and thus there is a risk of harm to human health [4,5]. On the other hand, as a human bone implant material, it should have a high strength and a low elastic modulus. Compared with other metal materials, titanium and its alloys have a relatively low elastic modulus, but the value is still much higher than that of human bones, which may cause the “stress shielding effect” when they are implanted into the human body, eventually leading to the failure of implants [6], Therefore, in recent years, a series of metastable β-titanium alloys have been developed for biomedical use by adding non-toxic beta-phase-stabilizing elements (such as Nb, Zr, Ta, Mo, Sn, etc.) to titanium [7,8]. These alloys not only have good biocompatibility, but also have an extremely low elastic modulus compared to conventional titanium alloys. For example, it has been reported that the elastic modulus of the Ti-Nb-Ta-Zr (TNTZ) alloy is about 50–55 GPa [9], and the Ti–24Nb–4Zr–8Sn alloy developed by Yang et al. has a lower elastic modulus, which reaches about 40 GPa [10].
It is well-documented that the decrease in the elastic modulus of titanium alloys can be realized through the design of alloy composition and the regulation of microstructure. However, the decrease in the elastic modulus of an alloy usually leads to a reduction in its strength. Addressing the dilemma is a challenge in the material field.
A spinodal decomposition refers to a uniform phase transition, in which a solid solution decomposes into different phases with the same structure due to its instability [11,12]. The phase transition does not require nucleation, but rapidly forms two phases with the same crystal structure, which can increase the strength greatly without a significant increase in the elastic modulus of the alloys. Recently, Liu et al. calculated the isothermal cross section at 1173 K and 973 K of the phase diagram of a Ti-Zr-Ta ternary alloy system using the CALPHAD method, finding that the alloy system has a wide-ranging solid-solution gap at the two temperatures [13]. It allowed us to design β-titanium alloys with spinodal decomposition.
In light of it, in the present work, the Ti-Zr-Ta alloys with a low elastic modulus reinforced by spinodal decomposition were designed based on the isothermal cross section at 973 K of the phase diagram of a Ti-Zr-Ta ternary alloy system and d-orbital theory. The designed alloys were solution-treated (STed) at 1173 K, and then aged (Aed) at 973 K. The microstructure and mechanical properties of the alloys after solution and aging treatment were characterized.

2. Experimental Methods

2.1. Design of Ti-Zr-Ta Alloys with Spinodal Decomposition

Figure 1 is the isothermal cross section at 973 K of the phase diagram of the ternary Ti-Zr-Ta alloy, showing that there is a large solid-solution gap in the Ti-Zr-Ta alloy at 973 K. It implies that spinodal decomposition may occur in the alloys with compositions falling into the area of the solid-solution gap from the point view of dynamics. So, the alloys in present work were designed to have compositions within the region of the solid-solution gap.
With regard to the modulus of the alloys, it has been reported that the d-orbital theory can be used to predict the elastic modulus of Ti-based alloys [14], in which two parameters, Bo and Md, are defined, where Bo (the bond order) is a measure of the covalent bond strength between Ti and the alloying element, and Md (the metal d-orbital energy level) correlates with the electronegativity and the metallic radius of elements. The average values of B o ¯ and M d ¯ are defined by taking the compositional averages of the parameters of Bo and Md, respectively. Generally, an alloy with a low B o ¯ and/or a high M d ¯ may exhibit a low elastic modulus. So, the compositions of the designed alloys should give a low B o ¯ and/or a high M d ¯ . Considering that Ta has a high melting point and high cost, we minimized Ta content when choosing the alloy composition. So, for the present work, we designed Ti-Zr-Ta alloys with compositions of Ti-40Zr-20Ta, Ti-35Zr-20Ta and Ti-30Zr-20Ta (in atom percent), which are represented by TZT1, TZT2 and TZT3, respectively. The values of B o ¯ and M d ¯ for the TNT1, TNT2 and TNT3 alloys were calculated, and the results are listed in Table 1.

2.2. Preparation of Ti-Zr-Ta Alloys

Titanium alloy ingots with the nominal compositions of Ti-40Zr-20Ta, Ti-35Zr-20Ta and Ti-30Zr-20Ta (in atom percent) were prepared by using a vacuum arc melting furnace. The purity of raw materials was above 99.9%. To obtain alloys with a uniform composition, the ingots were flipped and remelted more than 5 times. Then, the ingots used in subsequent experiments were obtained by suction-casting with a geometric size of 70 mm × 12 mm × 2 mm. The as-cast alloys were sealed in a vacuum quartz tube and placed into a muffle furnace for solution treatment (ST) at 1173 K for 3 h, and then quenched in an ice-cold saline solution. The ingots, after solution treatment, were sealed in a vacuum quartz tube again and placed in a muffle furnace for aging treatment at 973 K for 6 h, and then cooled with furnace cooling to room temperature.

2.3. Microstructure and Mechanical Properties’ Characterization

The microstructure of the STed alloys was characterized using the optical microscopy, and the phase constitutions of the alloys after STed and STed + Aed were identified using X-ray diffraction (XRD) operated at 50 kV and 100 mA with Cu Kα radiation (λ = 1.5406 nm). The samples for the optical microscopic observations and XRD were cut from the ingots into small pieces of 2 mm × 2 mm × 1 mm. The samples were mounted and ground using a series of SiC sandpapers from 400 to 1200, and then polished with diamond suspension from 5 to 0.5 μm using ethyl alcohol as a lubricant. Transmission electron microscopic (TEM) observation was conducted on a JEM-2100 (JEOL Ltd., Tokyo, Japan) with an operating voltage of 160 KV, and TEM samples were prepared using Ar + ion milling.
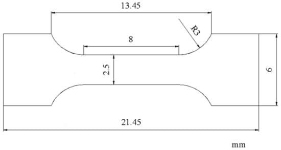
Elastic moduli of the STed alloys and STed+Aed alloys were determined by Triobindenter TI 900 (Hysitron, Minneapolis, MN, USA) using monotonic load tests at a depth of up to 7000 nm using a Berkovich tip with a measured radius of 5000 nm. Tensile tests were carried out on an Instron 5569 (Instron, Norwood, MA, USA) universal testing machine, using the tensile samples with a gauge section of 1 mm × 2.5 mm × 8 mm, and the geometry of the samples is schematically shown in Figure 2.

3. Results and Discussion

3.1. Microstructure

Figure 3 shows the optical images of the STed samples of TZT1, TZT2 and TZT3 alloys. The microstructure of the three alloys after solution treatment comprised equiaxed grains with the average grain size of 100 um. The results of XRD analysis reveal that only β phases existed in the STed samples, as shown in Figure 4, while, after being aged at 973 K for 6 h, each diffraction peak of β phases on the XRD pattern split into two peaks, corresponding to β1 and β2 (see Figure 4), implying that the β phase separated into β1 and β2 during the aging treatment. To further confirm it, TEM observations were conducted on the STed+Aed samples. Figure 5 shows the TEM bright-field images of the STed+Aed samples, showing that the self-organized, tweed-like microstructure with a modulated contrast along [100] and [010] directions was formed in the alloys. The result further indicates that the spinodal decomposition occurred in the STed samples during the aging treatment at 973 K for 6 h. The alternating dark and bright regions in the modulated contrast microstructure, which could be described as sinusoidal composition modulations with a fixed wavelength [11,12], were within the order of ~10 nm in width; thus, the modulation wavelength in the alloys was ~10 nm.

3.2. Mechanical Properties

The mechanical properties of the alloys after being solution-treated and aged were evaluated by tensile tests at room temperature. Figure 6 illustrates the yield strengths (σ0.2) of the STed and STed+Aed samples obtained from their stress–strain curves. It can be seen that the yield strengths of TZT1, TZT2 and TZT3 alloys after solution treatment were about 1191 MPa, 1150 MPa and 1075 MPa, respectively, while after being aged at 973 K for 6 h, the yield strengths of the three alloys were 1580 MPa, 1320 MPa and 1180 MPa, respectively. So, the aging treatment led to the significant increase in the yield strength of the three alloys. For TZT1, TZT2 and TZT3 alloys aged at 973 K for 6 h, the yield strength increased by about 34%, 15% and 10%, respectively, in comparison with the solution-treated alloys. Therefore, the modulated microstructure induced by spinodal decomposition had a strong strengthening effect, which may be responsible for the great increase in the yield strength of the three alloys.
Moreover, the elastic moduli of the alloys after solid-solution treatment and being aged were measured by the nanoindentation method, and the results are illustrated in Figure 7. For comparison, the elastic modulus of pure Ti is also illustrated in Figure 7. It can be seen that the elastic moduli of the three alloys after solid-solution treatment were 75.0 GPa, 78.2 GPa and 85.8 GPa, respectively, which are much lower than that of pure titanium (about 113 GPa). Generally, alloys with a low value of B o ¯ and/or a high value of M d ¯ may exhibit a low elastic modulus, according to the d-orbital theory [15,16,17,18]. From Table 1, one can see that the values of B o ¯ for the three alloys were identical, but their values of M d ¯ were in the order of TZT1 > TZT2 > TZT3. Therefore, the STed TZT1 alloy exhibited the lowest elastic modulus value due to having the highest M d ¯ .
After being aged at 973 K for 6 h, the elastic moduli of the alloys were 81 GPa, 90 GPa and 92 GPa, as shown in Figure 7, increasing by about 8%, 15% and 7% in comparison with the corresponding STed alloys, respectively. As a result, spinodal decomposition largely increased the strength of the alloys without a significant increase in their elastic modulus.

4. Conclusions

The Ti-Zr-Ta alloys with the compositions of Ti-40Zr-20Ta, Ti-35Zr-20Ta and Ti-30Zr-20Ta (in atom percent) were designed based on the Ti-Zr-Ta phase diagram and d-orbital theory. The microstructure and mechanical properties of the three alloys were characterized. The main conclusions are as follows:
(1)
The microstructure of the designed alloys consisted of β-equiaxed grains after solution treatment at 1173 K for 3 h. After being aged at 973 K for 6 h, spinodal decomposition occurred, forming the self-organized, tweed-like microstructure with a modulated contrast along [100] and [010] directions in the three alloys.
(2)
The yield strength of the STed alloys of TZT1, TZT2 and TZT3 were 1191 MPa, 1150 MPa and 1075 MPa, respectively, after being aged at 973 K for 6 h. The yield strengths of the three alloys were increased to 1580 MPa, 1320 MPa and 1180 MPa, respectively. The spinodal strengthening may be responsible for the increase in the strength of the alloys.
(3)
The elastic moduli of the three alloys after solid-solution treatment were 75.0 GPa, 78.2 GPa and 85.8 GPa, respectively, which was much lower than that of pure titanium (about 113 GPa). The TZT1 alloy exhibited the lowest elastic modulus due to its high value of M d ¯ .
(4)
After being aged at 973 K for 6 h, the elastic moduli of the three alloys slightly increased. Spinodal decomposition can significantly promote the strength of the Ti-Zr-Ta alloys without a large increase in their elastic modulus.

Author Contributions

Conceptualization, R.W. and S.L.; methodology, R.W. and Q.Y.; Data curation, Q.Y. and Y.D.; Writing—original draft preparation, R.W.; Writing—review and editing, S.L. and J.L.; Supervision, S.L. and J.L. All authors have read and agreed to the published version of the manuscript.

Funding

This research was financially supported by the National Natural Science Foundation of China (Grant No. 11872053 and No. 51971190) and the Project of Hunan Provincial Education Department (Grant No. 21C0069).

Institutional Review Board Statement

Not applicable.

Informed Consent Statement

Not applicable.

Data Availability Statement

Not applicable.

Conflicts of Interest

The authors declare no conflict of interest.

References

  1. Guo, L.; Naghavi, S.A.; Wang, Z.; Varma, S.N.; Han, Z.; Yao, Z.; Wang, L.; Wang, L.; Liu, C. On the design evolution of hip implants: A review. Mater. Des. 2022, 216, 110552. [Google Scholar] [CrossRef]
  2. Besinis, A.; Hadi, S.D.; Le, H.; Tredwin, C.; Handy, R. Antibacterial activity and biofilm inhibition by surface modified titanium alloy medical implants following application of silver, titanium dioxide and hydroxyapatite nanocoatings. Nanotoxicology 2017, 11, 327–338. [Google Scholar] [CrossRef] [PubMed] [Green Version]
  3. Zhang, L.C.; Chen, L.Y. A review on biomedical titanium alloys: Recent progress and prospect. Adv. Eng. Mater. 2019, 21, 1801215. [Google Scholar] [CrossRef] [Green Version]
  4. Kyzioł, K.; Kaczmarek, Ł.; Brzezinka, G.; Kyzioł, A. Structure, characterization and cytotoxicity study on plasma surface modified Ti–6Al–4V and γ-TiAl alloys. Chem. Eng. J. 2014, 240, 516–526. [Google Scholar] [CrossRef]
  5. Wang, X.; Li, Y.; Xiong, J.; Hodgson, P.D. Porous TiNbZr alloy scaffolds for biomedical applications. Acta Biomater. 2009, 5, 3616–3624. [Google Scholar] [CrossRef] [PubMed]
  6. Geetha, M.; Singh, A.K.; Asokamani, R.; Gogia, A.K. Ti based biomaterials, the ultimate choice for orthopaedic implants—A review. Prog. Mater. Sci. 2009, 54, 397–425. [Google Scholar] [CrossRef]
  7. Welsch, G.; Boyer, R.; Collings, E. Materials Properties Handbook: Titanium Alloys; ASM International: Almere, The Netherlands, 1993. [Google Scholar]
  8. Abigail, M.N. The Design and Development of a Novel Beta Ti Alloys with Low Elastic Modulus for Biomedical Application. Master’s Thesis, University of Johannesburg, Johannesburg, South Africa, 2020. [Google Scholar]
  9. Hagihara, K.; Nakano, T.; Maki, H.; Umakoshi, Y.; Niinomi, M. Isotropic plasticity of β-type Ti-29Nb-13Ta-4.6 Zr alloy single crystals for the development of single crystalline β-Ti implants. Sci. Rep. 2016, 6, 29779. [Google Scholar] [CrossRef] [PubMed] [Green Version]
  10. Yang, Y.; Castany, P.; Cornen, M.; Prima, F.; Li, S.; Hao, Y.; Gloriant, T. Characterization of the martensitic transformation in the superelastic Ti–24Nb–4Zr–8Sn alloy by in situ synchrotron X-ray diffraction and dynamic mechanical analysis. Acta Mater. 2015, 88, 25–33. [Google Scholar] [CrossRef]
  11. Langer, J.S. Theory of spinodal decomposition in alloys. Ann. Phys. 1971, 65, 53–86. [Google Scholar] [CrossRef]
  12. Tang, Y.; Goto, W.; Hirosawa, S.; Horita, Z.; Lee, S.; Matsuda, K.; Terada, D. Concurrent strengthening of ultrafine-grained age-hardenable Al-Mg alloy by means of high-pressure torsion and spinodal decomposition. Acta Mater. 2017, 131, 57–64. [Google Scholar] [CrossRef]
  13. Wang, J.L. Study on phase diagram, thermodynamics of phase equilibrium and alloy design of titanium alloy. Doctoral Dissertation, Central South University, Changsha, China, 2015. (Unpublished). [Google Scholar]
  14. Zhang, D.; Lin, J.; Jiang, W.; Ma, M.; Peng, Z. Shape memory and superelastic behavior of Ti–7.5 Nb–4Mo–1Sn alloy. Mater. Des. 2011, 32, 4614–4617. [Google Scholar] [CrossRef]
  15. Abdel-Hady, M.; Hinoshita, K.; Morinaga, M. General approach to phase stability and elastic properties of β-type Ti-alloys using electronic parameters. Scr. Mater. 2006, 55, 477–480. [Google Scholar] [CrossRef]
  16. Sung, H.H.; Sang, W.P.; Chan, H.P.; Jong, T.Y.; Ki, B.K. Relationship between phase stability and mechanical properties on near/metastable β-type Ti–Cr-(Mn) cast alloys. J. Alloys Compd. 2020, 821, 153516. [Google Scholar]
  17. Bolzoni, L.; Alqattan, M.; Yang, F.; Peters, L. Design of β-eutectoid bearing ti alloys with antibacterial functionality. Mater. Lett. 2020, 278, 128445. [Google Scholar] [CrossRef]
  18. Shao, L.F.; Du, Y.H.; Dai, K.; Wu, H.; Wang, Q.G.; Liu, J.; Tang, Y.J.; Wang, L.Q. β-Ti alloys for orthopedic and dental applications: A review of progress on improvement of properties through surface modification. Coatings 2021, 11, 1446. [Google Scholar] [CrossRef]
Figure 1. Isothermal cross section at 973K of the phase diagram of the ternary Ti-Zr-Ta alloy [13].
Figure 1. Isothermal cross section at 973K of the phase diagram of the ternary Ti-Zr-Ta alloy [13].
Coatings 12 00756 g001
Figure 2. Geometric sketch of the tensile samples.
Figure 2. Geometric sketch of the tensile samples.
Coatings 12 00756 g002
Figure 3. The optical images of the STed samples of (a) TZT1, (b) TZT2 and (c) TZT3 alloys.
Figure 3. The optical images of the STed samples of (a) TZT1, (b) TZT2 and (c) TZT3 alloys.
Coatings 12 00756 g003
Figure 4. XRD patterns of the three alloys after solution treatment at 1173 K for 3 h and age treatment at 973 K for 6 h: (a) TZT1, (b) TZT2 and (c) TZT3.
Figure 4. XRD patterns of the three alloys after solution treatment at 1173 K for 3 h and age treatment at 973 K for 6 h: (a) TZT1, (b) TZT2 and (c) TZT3.
Coatings 12 00756 g004
Figure 5. TEM bright-field images of the three alloys after being aged at 973 K for 6 h: (a) TZT1, (b) TZT2 and (c) TZT3.
Figure 5. TEM bright-field images of the three alloys after being aged at 973 K for 6 h: (a) TZT1, (b) TZT2 and (c) TZT3.
Coatings 12 00756 g005
Figure 6. The yield strength of the TZT1 and TZT2 and TZT3 alloys after solution treatment at 1173 K for 3 h and age treatment at 973 K for 6 h.
Figure 6. The yield strength of the TZT1 and TZT2 and TZT3 alloys after solution treatment at 1173 K for 3 h and age treatment at 973 K for 6 h.
Coatings 12 00756 g006
Figure 7. The elastic moduli of the CP-Ti and the TZT1 and TZT2 and TZT3 alloys after solution treatment at 1173 K for 3 h and being aged at 973 K for 6 h.
Figure 7. The elastic moduli of the CP-Ti and the TZT1 and TZT2 and TZT3 alloys after solution treatment at 1173 K for 3 h and being aged at 973 K for 6 h.
Coatings 12 00756 g007
Table 1. The calculated values of B o ¯ and M d ¯ for TZT1, TZT2 and TZT3 alloys.
Table 1. The calculated values of B o ¯ and M d ¯ for TZT1, TZT2 and TZT3 alloys.
AlloysBoMd
TZT12.97922.6586
TZT22.96442.6342
TZT32.94962.6099
Publisher’s Note: MDPI stays neutral with regard to jurisdictional claims in published maps and institutional affiliations.

Share and Cite

MDPI and ACS Style

Wu, R.; Yi, Q.; Lei, S.; Dai, Y.; Lin, J. Design of Ti-Zr-Ta Alloys with Low Elastic Modulus Reinforced by Spinodal Decomposition. Coatings 2022, 12, 756. https://doi.org/10.3390/coatings12060756

AMA Style

Wu R, Yi Q, Lei S, Dai Y, Lin J. Design of Ti-Zr-Ta Alloys with Low Elastic Modulus Reinforced by Spinodal Decomposition. Coatings. 2022; 12(6):756. https://doi.org/10.3390/coatings12060756

Chicago/Turabian Style

Wu, Rong, Qionghua Yi, Shan Lei, Yilong Dai, and Jianguo Lin. 2022. "Design of Ti-Zr-Ta Alloys with Low Elastic Modulus Reinforced by Spinodal Decomposition" Coatings 12, no. 6: 756. https://doi.org/10.3390/coatings12060756

APA Style

Wu, R., Yi, Q., Lei, S., Dai, Y., & Lin, J. (2022). Design of Ti-Zr-Ta Alloys with Low Elastic Modulus Reinforced by Spinodal Decomposition. Coatings, 12(6), 756. https://doi.org/10.3390/coatings12060756

Note that from the first issue of 2016, this journal uses article numbers instead of page numbers. See further details here.

Article Metrics

Back to TopTop