Basic Bio-Tribological Performance of Insulating Si3N4-Based Ceramic as Human Body Replacement Joints
Abstract
:1. Introduction
2. Experimental
2.1. Test Rig and Materials
2.2. Procedure
3. Results and Discussion
4. Conclusions
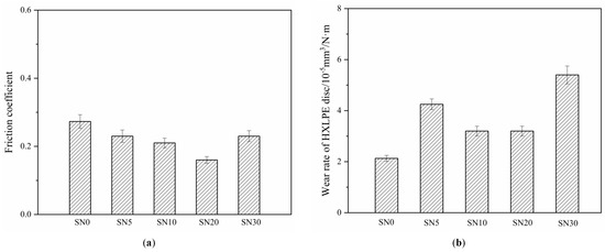
- The optimal friction pair is Si3N4-20%hBN/UHMWPE. In such a setting, excellent bio-tribological performance was obtained. Too much or too little hBN content will lead to the wear of the UHMWPE disc.
- Tribochemical behaviors contributed greatly to good bio-tribological properties. In SBF lubricate, due to interfacial failure between hBN and Si3N4, some tribochemical products were formed in the wear pits. The products could play a continuous and stable lubrication role.
Author Contributions
Funding
Institutional Review Board Statement
Informed Consent Statement
Data Availability Statement
Conflicts of Interest
References
- Gergo Merkely, M.D.; Jakob Ackermann, M.D.; Christian Lattermann, M.D. Articular cartilage defects: Incidence, diagnosis, and natural history. Oper. Tech. Sports Med. 2018, 26, 156–161. [Google Scholar] [CrossRef]
- Learmonth, I.D.; Young, C.; Rorabeck, C. The operation of the century: Total hip replacement. Lancet 2007, 370, 1508. [Google Scholar] [CrossRef]
- Malchau, H.; Herberts, P.; Eisler, T.; Garellick, G.; Soderman, P. The Swedish total hip replacement register. J. Bone Jt. Surg. Am. 2002, 84, 2–20. [Google Scholar] [CrossRef]
- Ingham, E.; Fisher, J. Biological reactions to wear debris in total joint replacement. Proc. Inst. Mech. Eng. 2000, 214, 21–37. [Google Scholar] [CrossRef] [PubMed]
- Ingham, E.; Fisher, J. The role of macrophages in osteolysis of total joint replacement. Biomaterials 2005, 26, 1271–1286. [Google Scholar] [CrossRef] [PubMed]
- Si, Q.Z.; An, X.L.; An, Y.F. Medical ultra-high molecular weight polyethylene modification and tribological characteristics. Chin. J. Tissue Eng. Res. 2013, 17, 496–500. [Google Scholar]
- Gerber, T.; Traykova, T.; Henkel, K.O. Development and in vivo test of sol-gel derived bone grafting materials. Sol-Gel Sci. Technol. 2003, 26, 1173–1178. [Google Scholar] [CrossRef]
- Zhang, X.; Meng, S.; Huang, Y.; Xu, M.; He, Y.; Lin, H.; Han, J.; Chai, Y.; Wei, Y.; Deng, X. Electrospun gelatin/beta-TCP composite nanofibers enhance osteogenic differentiation of BMSCs and in vivo bone formation by activating Ca(2+)-sensing receptor signaling. Stem Cells Int. 2015, 2015, 507154. [Google Scholar] [CrossRef] [PubMed] [Green Version]
- Gwo-Chin, L.; Raymond, H.K. Incidence of modern alumina ceramic and alumina matrix composite femoral head failures in nearly 6 million hip implants. Arthroplasty 2017, 32, 546–551. [Google Scholar]
- Soon, G.; Belinda, P.M.; Lai, K.W.; Akbar, S.A. Review of zirconia-based bioceramic: Surface modification and cellular response. Ceram. Int. 2016, 42, 12543–12555. [Google Scholar] [CrossRef]
- Carrasquero, E.; Bellosi, A.; Staia, M.H. Characterization and wear behavior of modified silicon nitride. Int. J. Refract. Met. Hard. Mater. 2005, 23, 391–397. [Google Scholar] [CrossRef]
- Pettersson, M.; Tkachenko, S.; Schmidt, S.; Berlind, T.; Jacobson, S.; Hultman, L.; Engqvist, H.; Persson, C. Mechanical and tribological behavior of silicon nitride and silicon carbon nitride coatings for total joint replacements. J. Mech. Behav. Bomed. Mater. 2013, 25, 41–47. [Google Scholar] [CrossRef] [PubMed] [Green Version]
- Bal, B.S.; Khandkar, A.; Lakshminarayanan, R.; Clarke, L.; Hoffman, A.A.; Rahaman, M.N. Fabrication and testing of silicon nitride bearings in total hip arthroplasty: Winner of the 2007 “HAP” PAUL Award. J. Arthroplast. 2009, 24, 110–116. [Google Scholar] [CrossRef]
- Saito, T.; Imada, Y.; Honda, F. Chemical influence on wear of Si3N4 and hBN in water. Wear 1999, 236, 153–158. [Google Scholar] [CrossRef]
- Wang, R.G.; Pan, W.; Jiang, M.N.; Chen, J.; Luo, Y.M. Investigation of the physical and mechanical properties of hot-pressed machinable Si3N4/h-BN composites and FGM. Mater. Sci. Eng. 2002, B90, 261–268. [Google Scholar]
- Kusunose, T. Innovative Processing and Synthesis: Ceramic, Glass and Composite; American Ceramic Society: Westerville, OH, USA, 1997; pp. 443–454. [Google Scholar]
- Skopp, A.; Woydt, M.; Habig, K.H. Unlubricated sliding friction and wear of various Si3N4 pairs between 22 °C and 1000 °C. Tribol. Int. 1990, 23, 189–199. [Google Scholar] [CrossRef]
- Carrapichano, J.M.; Gomes, J.R.; Sliva, R.F. Tribological behaviour of Si3N4-BN ceramic materials for dry sliding applications. Wear 2002, 253, 1070–1076. [Google Scholar] [CrossRef] [Green Version]
- Chen, W.; Gao, Y.M.; Chen, C. Tribological characteristics of Si3N4-hBN ceramic materials sliding against stainless steel without lubrication. Wear 2010, 269, 241–248. [Google Scholar] [CrossRef]
- Chen, W.; Wang, K.; Liu, X. Investigation of the friction and wear characteristics of Si3N4-hBN ceramic composites under marine atmospheric environment. Int. J. Refract. Met. Hard Mater. 2019, 81, 345–357. [Google Scholar] [CrossRef]
- Chen, W.; Shi, H.X.; Xin, H.; He, N.R.; Yang, W.L.; Gao, H.Z. Friction and wear properties of Si3N4-hBN ceramic composites using different synthetic lubricants. Ceram. Int. 2018, 44, 16799–16808. [Google Scholar] [CrossRef]
- Xin, H.; Shi, H.X.; Chen, W. Tribological investigation of Si3N4-hBN on HXLPE bearing couple: Effects of sliding velocity and contact load. Ceram. Int. 2019, 45, 6296–6302. [Google Scholar] [CrossRef]
- Chen, W.; Gao, Y.M.; Wang, Y.; Li, H.Q. Tribological behavior of Si3N4-hBN ceramic materials without lubrication under different test modes. Tribol. Trans. 2010, 53, 787–798. [Google Scholar] [CrossRef]
- Grupp, T.M.; Meisel, H.J.; Cotton, J.A.; Schwiesau, J.; Fritz, B.; Blömer, W.; Jansson, V. Alternative bearing materials for intervertebral disc arthroplasty. Biomaterrials 2010, 31, 523–531. [Google Scholar] [CrossRef] [PubMed]
- Kokubo, T.; Takadama, H. How useful is SBF in predicting in vivo bone bioactivity. Biomaterials 2006, 27, 2907–2915. [Google Scholar] [CrossRef]
- Xin, H. Evaluation of Poly-Ether-Ether-Ketone (PEEK) for Cervical Disc Replacement Devices; University of Birmingham: Birmingham, UK, 2014; pp. 1–206. [Google Scholar]
- Xin, H.; Shepherd, D.E.T.; Dearn, K.D. A tribological assessment of a PEEK based self-mating total cervical disc replacement. Wear 2013, 303, 473–479. [Google Scholar] [CrossRef] [Green Version]
- Chen, W.; Gao, Y.M.; Ju, F.L.; Wang, Y. Tribochemical behavior of Si3N4-hBN ceramic materials with water lubrication. Tribol. Lett. 2010, 37, 229–238. [Google Scholar] [CrossRef]
- Samanta, A.; Rane, R.; Kundu, B.; Chanda, D.K.; Ghosh, J.; Bysakh, S.; Jhala, G.; Joseph, A.; Mukherjee, S.; Das, M.; et al. Bio-tribological response of duplex surface engeered SS316L for hip-implant application. Appl. Surf. Sci. 2020, 507, 145009. [Google Scholar] [CrossRef]
- Liu, D.G.; Yang, T.T.; Ma, H.R.; Liang, Y. The microstructure, bio-tribological properties, and biocompatibility of titanium surfaces with graded zirconium incorporation in amorphous carbon bioceramic composite films. Surf. Coat. Technol. 2020, 385, 125391. [Google Scholar] [CrossRef]
- Sahasrabudhe, H.; Bandyopadhyay, A. In situ reactive multi-material Ti6Al4V-calcium phosphate-nitride coatings for bio-tribological applications. J. Mech. Behav. Biomed. Mater. 2018, 85, 1–11. [Google Scholar] [CrossRef]
- Nečasa, D.; Vrbkaa, M.; Urbana, F.; Gallob, J.; Křupkaa, I.; Hartla, M. In situ observation of lubricant film formation in THR considering real conformity: The effect of diameter, clearance and material. J. Mech. Behav. Biomed. Mater. 2017, 69, 66–74. [Google Scholar] [CrossRef]
- Myant, C.; Fowell, M.; Cann, P. The effect of transient motion on lsoviscours-EHL films in compliant, point, contacts. Tribol. Int. 2014, 72, 98–107. [Google Scholar] [CrossRef] [Green Version]
- Nečasa, D.; Vrbkaa, M.; Křupkaa, I.; Hartla, M. The effect of kinematic conditions and synovial fluid composition on the frictional behavior of materials for artificial joints. Materials 2018, 11, 767. [Google Scholar] [CrossRef] [PubMed] [Green Version]










| Constituents & pH | Na+ (mmol/L) | K+ (mmol/L) | Mg2+ (mmol/L) | Ca2+ (mmol/L) | Protein (g/L) | pH |
|---|---|---|---|---|---|---|
| Blood plasma [26] | 142.0 | 5.0 | 1.5 | 2.5 | 64–83 | 7.2–7.4 |
| SBF | 142.0 | 5.0 | 1.5 | 2.5 | 0 | 7.4 |
Publisher’s Note: MDPI stays neutral with regard to jurisdictional claims in published maps and institutional affiliations. |
© 2021 by the authors. Licensee MDPI, Basel, Switzerland. This article is an open access article distributed under the terms and conditions of the Creative Commons Attribution (CC BY) license (https://creativecommons.org/licenses/by/4.0/).
Share and Cite
Li, H.; Chen, W.; Shi, H.; Zhang, C.; Liu, X.; Zhong, L. Basic Bio-Tribological Performance of Insulating Si3N4-Based Ceramic as Human Body Replacement Joints. Coatings 2021, 11, 938. https://doi.org/10.3390/coatings11080938
Li H, Chen W, Shi H, Zhang C, Liu X, Zhong L. Basic Bio-Tribological Performance of Insulating Si3N4-Based Ceramic as Human Body Replacement Joints. Coatings. 2021; 11(8):938. https://doi.org/10.3390/coatings11080938
Chicago/Turabian StyleLi, Huaqiang, Wei Chen, Hongxing Shi, Chen Zhang, Xingwei Liu, and Lisheng Zhong. 2021. "Basic Bio-Tribological Performance of Insulating Si3N4-Based Ceramic as Human Body Replacement Joints" Coatings 11, no. 8: 938. https://doi.org/10.3390/coatings11080938
APA StyleLi, H., Chen, W., Shi, H., Zhang, C., Liu, X., & Zhong, L. (2021). Basic Bio-Tribological Performance of Insulating Si3N4-Based Ceramic as Human Body Replacement Joints. Coatings, 11(8), 938. https://doi.org/10.3390/coatings11080938
