Electrospun PAN/MAPbI3 Composite Fibers for Flexible and Broadband Photodetectors
Abstract
:1. Introduction
2. Materials and Methods
2.1. Synthesis of PAN/MAPbI3 Composite Fibers
2.2. Characterization of PAN/MAPbI3 Composite Fibers
2.3. Fabrication of PAN/MAPbI3 Composite Fiber Photodetectors
2.4. Photoresponse Measurements
3. Results and Discussion
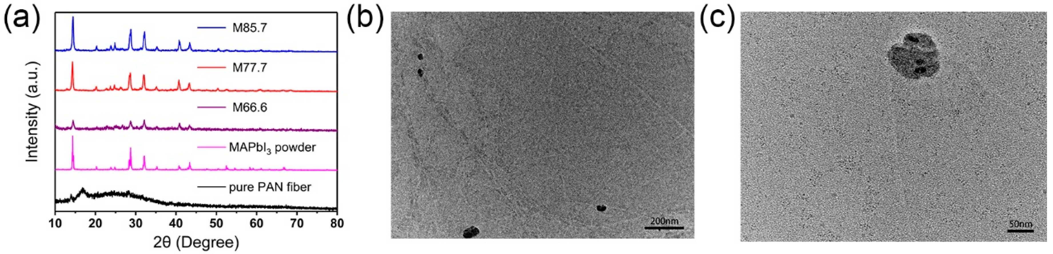
3.1. Microstructures of the Composite Fibers
3.2. Optical Property of the Composite Fibers
3.3. Photovoltaic Performance of the Composite Fibers
3.4. Thermal Stability of the Composite Fibers
3.5. Motion Detections of the Flexible Photodetectors
4. Conclusions
Supplementary Materials
Author Contributions
Funding
Conflicts of Interest
References
- Kojima, A.; Teshima, K.; Shirai, Y.; Miyasaka, T. Organometal Halide Perovskites as Visible-Light Sensitizers for Photovoltaic Cells. J. Am. Chem. Soc. 2009, 131, 6050–6051. [Google Scholar] [CrossRef]
- Dong, Q.; Fang, Y.; Shao, Y.; Mulligan, P.; Qiu, J.; Cao, L.; Huang, J. Electron-hole diffusion lengths > 175 μm in solution-grown CH3NH3PbI3 single crystals. Science 2015, 347, 967–970. [Google Scholar] [CrossRef] [PubMed]
- Liu, Y.; Yang, Z.; Cui, D.; Ren, X.; Sun, J.; Liu, X.; Zhang, J.; Wei, Q.; Fan, H.; Yu, F.; et al. Two-Inch-Sized Perovskite CH3NH3PbX3 (X = Cl, Br, I) Crystals: Growth and Characterization. Adv. Mater. 2015, 27, 5176–5183. [Google Scholar] [CrossRef] [PubMed]
- Dang, Y.; Liu, Y.; Sun, Y.; Yuan, D.; Liu, X.; Lu, W.; Liu, G.; Xia, H.; Tao, X. Bulk Crystal Growth of Hybrid Perovskite Material CH3NH3PbI3. CrystEngComm 2015, 17, 665–670. [Google Scholar] [CrossRef]
- Gao, L.; Zeng, K.; Guo, J.; Ge, C.; Du, J.; Zhao, Y.; Chen, C.; Deng, H.; He, Y.; Song, H.; et al. Passivated Single-Crystalline CH3NH3PbI3 Nanowire Photodetector with High Detectivity and Polarization Sensitivity. Nano Lett. 2016, 16, 7446–7454. [Google Scholar] [CrossRef]
- Hu, X.; Zhang, X.; Liang, L.; Bao, J.; Li, S.; Yang, W.; Xie, Y. High-Performance Flexible Broadband Photodetector Based on Organolead Halide Perovskite. Adv. Funct. Mater. 2014, 24, 7373–7380. [Google Scholar] [CrossRef]
- Fu, X.; Jiao, S.; Dong, N.; Lian, G.; Zhao, T.; Lv, S.; Wang, Q.; Cui, D. A CH3NH3PbI3 film for a room-temperature NO2 gas sensor with quick response and high selectivity. RSC Adv. 2018, 8, 390–395. [Google Scholar] [CrossRef]
- Tong, S.; Wu, H.; Zhang, C.; Li, S.; Wang, C.; Shen, J.; Xiao, S.; He, J.; Yang, J.; Sun, J.; et al. Large-Area and High-Performance CH3NH3PbI3 Perovskite Photodetectors Fabricated via Doctor Blading in Ambient Condition. Org. Electron. 2017, 49, 347–354. [Google Scholar] [CrossRef]
- Hu, W.; Huang, W.; Yang, S.; Wang, X.; Jiang, Z.; Zhu, X.; Zhou, H.; Liu, H.; Zhang, Q.; Zhuang, X.; et al. High-Performance Flexible Photodetectors based on High-Quality Perovskite Thin Films by a Vapor-Solution Method. Adv. Mater. 2017, 29, 1703256. [Google Scholar] [CrossRef] [PubMed]
- Chen, S.; Teng, C.; Zhang, M.; Li, Y.; Xie, D.; Shi, G. A Flexible UV-Vis-NIR Photodetector based on a Perovskite/Conjugated-Polymer Composite. Adv. Mater. 2016, 28, 5969–5974. [Google Scholar] [CrossRef]
- Hu, H.; Yan, K.; Peng, M.; Yu, X.; Chen, S.; Chen, B.; Dong, B.; Gao, X.; Zou, D. Fiber-shaped perovskite solar cells with 5.3% efficiency. J. Mater. Chem. A 2016, 4, 3901–3906. [Google Scholar] [CrossRef]
- Im, J.H.; Luo, J.; Franckevicius, M.; Pellet, N.; Gao, P.; Moehl, T.; Zakeeruddin, S.M.; Nazeeruddin, M.K.; Gratzel, M.; Park, N.G. Nanowire perovskite solar cell. Nano Lett. 2015, 15, 2120–2126. [Google Scholar] [CrossRef] [PubMed]
- Horváth, E.; Spina, M.; Szekrényes, Z.; Kamarás, K.; Gaal, R.; Gachet, D.; Forró, L. Nanowires of Methylammonium Lead Iodide (CH3NH3PbI3) Prepared by Low Temperature Solution-Mediated Crystallization. Nano Lett. 2014, 14, 6761–6766. [Google Scholar] [CrossRef] [PubMed]
- Zhu, H.; Fu, Y.; Meng, F.; Wu, X.; Gong, Z.; Ding, Q.; Gustafsson, M.V.; Trinh, M.T.; Jin, S.; Zhu, X.Y. Lead halide perovskite nanowire lasers with low lasing thresholds and high quality factors. Nat. Mater. 2015, 14, 636. [Google Scholar] [CrossRef] [PubMed]
- Hu, Q.; Wu, H.; Sun, J.; Yan, D.; Gao, Y.; Yang, J. Large-area perovskite nanowire arrays fabricated by large-scale roll-to-roll micro-gravure printing and doctor blading. Nanoscale 2016, 8, 5350–5357. [Google Scholar] [CrossRef] [PubMed]
- Deng, H.; Dong, D.; Qiao, K.; Bu, L.; Li, B.; Yang, D.; Wang, H.-E.; Cheng, Y.; Zhao, Z.; Tang, J.; et al. Growth, patterning and alignment of organolead iodide perovskite nanowires for optoelectronic devices. Nanoscale 2015, 7, 4163–4170. [Google Scholar] [CrossRef] [PubMed]
- Zhu, C.; Tang, Y.; Chen, F.; Manohari, A.G.; Zhu, Y.; Shi, Z.; Xu, C. Fabrication of self-assembly polycrystalline perovskite microwires and photodetectors. J. Cryst. Growth 2016, 454, 121–127. [Google Scholar] [CrossRef]
- Chao, L.M.; Tai, T.Y.; Chen, Y.Y.; Lin, P.Y.; Fu, Y.S. Fabrication of CH3NH3PbI3/PVP Composite Fibers via Electrospinning and Deposition. Materials 2015, 8, 5467–5478. [Google Scholar] [CrossRef] [PubMed]
- Spina, M.; Bonvin, E.; Sienkiewicz, A.; Náfrádi, B.; Forró, L.; Horváth, E. Controlled growth of CH3NH3PbI3 nanowires in arrays of open nanofluidic channels. Sci. Rep. 2016, 6, 19834. [Google Scholar] [CrossRef] [PubMed]
- Leguy, A.M.A.; Hu, Y.; Campoy-Quiles, M.; Alonso, M.I.; Weber, O.J.; Azarhoosh, P.; van Schilfgaarde, M.; Weller, M.T.; Bein, T.; Nelson, J.; et al. Reversible Hydration of CH3NH3PbI3 in Films, Single Crystals, and Solar Cells. Chem. Mater. 2015, 27, 3397–3407. [Google Scholar] [CrossRef]
- Smith, I.C.; Hoke, E.T.; Solis-Ibarra, D.; McGehee, M.D.; Karunadasa, H.I. A Layered Hybrid Perovskite Solar-Cell Absorber with Enhanced Moisture Stability. Angew. Chem. Int. Ed. 2014, 53, 11232–11235. [Google Scholar] [CrossRef] [PubMed]
- Aristidou, N.; Eames, C.; Islam, M.S.; Haque, S.A. Insights into the increased degradation rate of CH3NH3PbI3 solar cells in combined water and O2 environments. J. Mater. Chem. A 2017, 5, 25469–25475. [Google Scholar] [CrossRef]
- Hildebrandt, N.C.; Soldat, J.; Marschall, R. Layered Perovskite Nanofibers via Electrospinning for Overall Water Splitting. Small 2015, 11, 2051–2057. [Google Scholar] [CrossRef] [PubMed]
- Murphy, J.P.; Ross, B.M.; Andriolo, J.M.; Skinner, J.L. Hybrid Organic-Inorganic Perovskite Composite Fibers Produced via Melt Electrospinning. J. Vac. Sci. Technol. B 2016, 34, 06KM01. [Google Scholar] [CrossRef]
- Zeng, X.L.; Koblischka, M.R.; Karwoth, T.; Hauet, T.; Hartmann, U. Preparation of Granular Bi-2212 Nanowires by Electrospinning. Supercond. Sci. Technol. 2017, 30, 035014. [Google Scholar] [CrossRef]
- Lu, J.; Zhang, L.; Peng, C.; Rao, L.; Wan, M. Preparation and Characterization of CH3NH3PbI3 Perovskite Deposited onto Polyacrylonitrile (PAN) Nanofiber Substrates. Chem. Lett. 2016, 45, 312–314. [Google Scholar] [CrossRef]
- Chen, D.; Zhu, Y. Electrospun Perovskite Nanofibers. Nanoscale Res. Lett. 2017, 12, 114. [Google Scholar] [CrossRef]
- Baikie, T.; Fang, Y.; Kadro, J.M.; Schreyer, M.; Wei, F.; Mhaisalkar, S.G.; Graetzel, M.; White, T.J. Synthesis and crystal chemistry of the hybrid perovskite (CH3NH3)PbI3 for solid-state sensitised solar cell applications. J. Mater. Chem. A 2013, 1, 5628–5641. [Google Scholar] [CrossRef]
- Wang, X.; Song, W.; Liu, B.; Chen, G.; Chen, D.; Zhou, C.; Shen, G. High-Performance Organic-Inorganic Hybrid Photodetectors Based on P3HT: CdSe Nanowire Heterojunctions on Rigid and Flexible Substrates. Adv. Funct. Mater. 2013, 23, 1202–1209. [Google Scholar] [CrossRef]










© 2019 by the authors. Licensee MDPI, Basel, Switzerland. This article is an open access article distributed under the terms and conditions of the Creative Commons Attribution (CC BY) license (http://creativecommons.org/licenses/by/4.0/).
Share and Cite
Li, G.; Jiang, Z.; Wang, W.; Chu, Z.; Zhang, Y.; Wang, C. Electrospun PAN/MAPbI3 Composite Fibers for Flexible and Broadband Photodetectors. Nanomaterials 2019, 9, 50. https://doi.org/10.3390/nano9010050
Li G, Jiang Z, Wang W, Chu Z, Zhang Y, Wang C. Electrospun PAN/MAPbI3 Composite Fibers for Flexible and Broadband Photodetectors. Nanomaterials. 2019; 9(1):50. https://doi.org/10.3390/nano9010050
Chicago/Turabian StyleLi, Gaolin, Zhenhua Jiang, Weilin Wang, Zengyong Chu, Ye Zhang, and Chunhua Wang. 2019. "Electrospun PAN/MAPbI3 Composite Fibers for Flexible and Broadband Photodetectors" Nanomaterials 9, no. 1: 50. https://doi.org/10.3390/nano9010050
APA StyleLi, G., Jiang, Z., Wang, W., Chu, Z., Zhang, Y., & Wang, C. (2019). Electrospun PAN/MAPbI3 Composite Fibers for Flexible and Broadband Photodetectors. Nanomaterials, 9(1), 50. https://doi.org/10.3390/nano9010050

