Nanocomposites with p- and n-Type Conductivity Controlled by Type and Content of Nanotubes in Thermosets for Thermoelectric Applications
Abstract
1. Introduction
2. Materials and Methods
2.1. Materials Used in Composites
2.2. Synthesis of Undoped and Nitrogen Doped MWCNTs
2.3. Preparation of Buckypapers
2.4. Vacuum Infusion of Buckypapers with Epoxy for Sample Preparation
2.5. Characterization
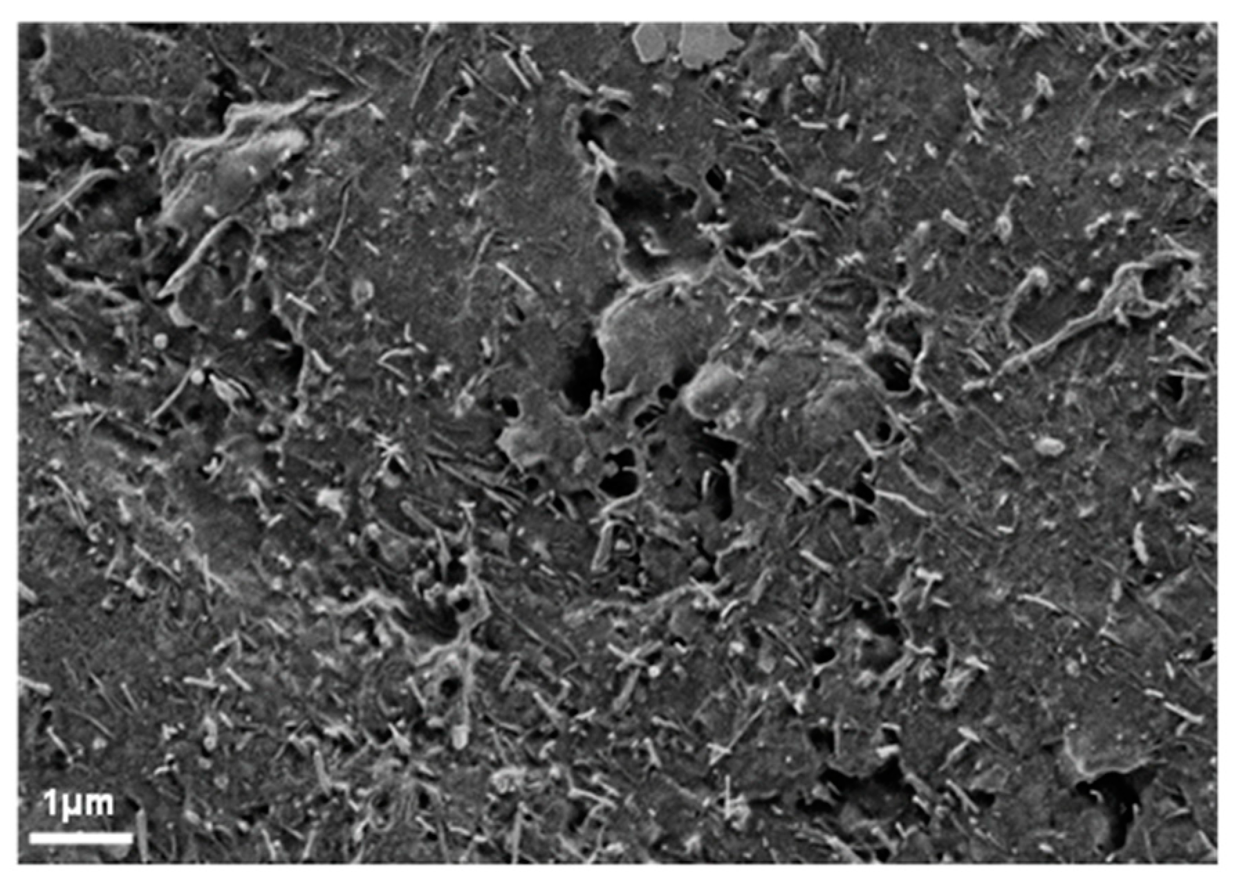
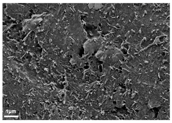
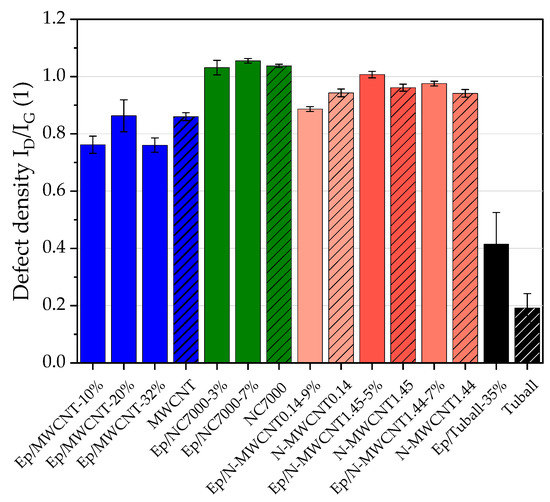
3. Results and Discussion
3.1. Seebeck Coefficient
3.2. Discussion of the Dependence of the Seebeck Coefficients on CNT Content
3.3. Electrical Conductivity of Buckypapers and Composites
3.4. Power Factor of Buckypapers and Composites
4. Summary and Conclusions
Author Contributions
Funding
Acknowledgments
Conflicts of Interest
Appendix A

References
- Zheng, X.F.; Liu, C.X.; Yan, Y.Y.; Wang, Q. A review of thermoelectric research—Recent developments and potentials for sustainable and renewable energy applications. Renew. Sustain. Energy Rev. 2014, 32, 486–503. [Google Scholar] [CrossRef]
- Snyder, G.J.; Toberer, E.S. Complex thermoelectric materials. Nat. Mater. 2008, 7, 105–114. [Google Scholar] [CrossRef] [PubMed]
- Gayner, C.; Kamal, K.K. Recent advances in thermoelectric materials. Prog. Mater. Sci. 2016, 83, 330–382. [Google Scholar] [CrossRef]
- Jianyong, O. Recent Advances of Intrinsically Conductive Polymers. Acta Phys. Chim. Sin. 2018, 34, 1211–1220. [Google Scholar]
- McGrail, B.T.; Sehirlioglu, A.; Pentzer, E. Polymer composites for thermoelectric applications. Angew. Chem. Int. Ed. 2014, 54, 1710–1723. [Google Scholar] [CrossRef] [PubMed]
- Kim, D.; Kim, Y.; Choi, K.; Grunlan, J.C.; Yu, C. Improved thermoelectric behaviour of nanotube-filled polymer composites with poly(3,4-ethylenedioxythiophene) poly(sterenesulfonate). ASC Nano 2010, 4, 513–523. [Google Scholar] [CrossRef]
- Sun, Y.; Terakite, D.; Tseng, A.C.; Naguib, H.E. Study on the thermoelectric properties of PVDF/MWCNT and PVDF/GNP composite foam. Smart Mater. Struct. 2015, 24, 085034. [Google Scholar] [CrossRef]
- Luo, J.; Krause, B.; Pötschke, P. Polymer carbon nanotube composites for thermoelectric applications. AIP Conf. Proc. 2017, 1914, 030001. [Google Scholar]
- Luo, J.; Cerretti, G.; Krause, B.; Zhang, L.; Otto, T.; Jenschke, W.; Ullrich, M.; Tremel, W.; Voit, B.; Pötschke, P. Polypropylene-based melt mixed composites with singlewalled carbon nanotubes for thermoelectric applications: Switching from p-type to n-type by the addition of polyethylene glycol. Polymer 2017, 108, 513–520. [Google Scholar] [CrossRef]
- Pötschke, P.; Krause, B.; Luo, J. Melt mixed composites of polypropylene with single walled carbon nanotubes for thermoelectric applications: Switching from p- to n-type behavior by additive addition. AIP Conf. Proc. 2019, 2055, 090004. [Google Scholar]
- Luo, J.; Krause, B.; Pötschke, P. Melt-mixed thermoplastic composites containing carbon nanotubes for thermoelectric applications. AIMS Mater. Sci. 2016, 3, 1054–1062. [Google Scholar] [CrossRef]
- Krause, B.; Barbier, C.; Levente, J.; Klaus, M.; Pötschke, P. Screening of different carbon nanotubes in melt-mixed polymer composites with different polymer matrices for their thermoelectrical properties. J. Compos. Sci. 2019, 3, 106. [Google Scholar] [CrossRef]
- Krause, B.; Konidakis, I.; Arjmand, M.; Sundararaj, U.; Fuge, R.; Liebscher, M.; Hampel, S.; Klaus, M.; Serpetzoglou, E.; Stratakis, E.; et al. Nitrogen-doped carbon nanotube/polypropylene composites with negative Seebeck coefficient. J. Compos. Sci. 2020, 4, 14. [Google Scholar] [CrossRef]
- Krause, B.; Bezugly, V.; Khavrus, V.; Ye, L.; Cuniberti, G.; Pötschke, P. Boron doping of SWCNTs as way to enhance thermoelectric properties of melt mixed polypropylene/SWCNT composites. Energies 2020, 13, 394. [Google Scholar] [CrossRef]
- Tzounis, L.; Gärtner, T.; Liebscher, M.; Pötschke, P.; Stamm, M.; Voit, B.; Heinrich, G. Influence of a cyclic butylene terephthalate oligomer on the processability and thermoelectric properties of polycarbonate/MWCNT nanocomposites. Polymer 2014, 55, 5381–5388. [Google Scholar] [CrossRef]
- Tzounis, L.; Liebscher, M.; Mäder, E.; Pötschke, P.; Stamm, M.; Logothetidis, S. Thermal energy harvesting for large-scale applications using MWCNT-grafted glass fibers and polycarbonate-MWCNT nanocomposites. AIP Conf. Proc. 2015, 1646, 138–148. [Google Scholar]
- Liebscher, M.; Gärtner, T.; Tzounis, L.; Mičušík, M.; Pötschke, P.; Stamm, M.; Heinrich, G.; Voit, B. Influence of the MWCNT surface functionalization on the thermoelectric properties of melt-mixed polycarbonate composites. Compos. Sci. Technol. 2014, 101, 133–138. [Google Scholar] [CrossRef]
- Gnanaseelan, M.; Chen, Y.; Luo, J.; Krause, B.; Pionteck, J.; Pötschke, P.; Qi, H. Cellulose-carbon nanotube composite aerogels as novel thermoelectric materials. Compos. Sci. Technol. 2018, 163, 133–140. [Google Scholar] [CrossRef]
- Paleo, A.J.; Vieira, E.M.F.; Wan, K.; Bondarchuk, O.; Cerqueira, M.F.; Goncalves, L.M.; Bilotti, E.; Alpuim, P.; Rocha, A.M. Negative thermoelectric power of melt mixed vapor grown carbon nanofiber polypropylene composites. Carbon 2019, 150, 408–416. [Google Scholar] [CrossRef]
- Laird, E.A.; Kuemmeth, F.; Steele, G.A.; Grove-Rasmussen, K.; Nygård, J.; Flensberg, K.; Kouwenhoven, L.P. Quantum transport in carbon nanotubes. Rev. Mod. Phys. 2015, 87, 703–764. [Google Scholar] [CrossRef]
- Cho, C.; Culebras, M.; Wallace, K.L.; Song, Y.; Holder, K.; Hsu, J.; Yu, C.; Grunlan, J.C. Stable n-type thermoelectric multilayer thin films with high power factor from carbonaceous nanofillers. Nano Energy 2016, 28, 426–432. [Google Scholar] [CrossRef]
- Ghorbanzadeh Ahangari, M.; Fereidoon, A.; Jahanshahi, M.; Ganji, M.D. Electronic and mechanical properties of single-walled carbon nanotubes interacting with epoxy: A DFT study. Physica E 2013, 48, 148–156. [Google Scholar] [CrossRef]
- Fermi, E. Zur Quantelung des einatomigen idealen Gases. Z. Phys. 1926, 36, 902–912. [Google Scholar] [CrossRef]
- Torres, L.E.F.; Roche, S.; Charlier, J.C. Introduction to Graphene-Based Nanomaterials: From Electronic Structure to Quantum Transport; Cambridge University Press: Cambridge, UK, 2014; pp. 52–53. [Google Scholar]
- Yang, M.; Koutsos, V.; Zaiser, M. Interactions between polymers and carbon nanotubes: A molecular dynamics study. J. Phys. Chem. B 2005, 109, 10009–10014. [Google Scholar] [CrossRef]
- Plunkett, A.; Kröning, K.; Fiedler, B. Highly optimized nitrogen-doped MWCNTs through in-depth parametric study using design of experiments. Nanomaterials 2019, 9, 643. [Google Scholar] [CrossRef]
- Jenschke, W.; Ullrich, M.; Krause, B.; Pötschke, P. Messanlage zur Untersuchung des Seebeck effekts in polymermaterialien. Tech. Mess. 2019. [Google Scholar] [CrossRef]
- Nonoguchi, Y.; Ohashi, K.; Kanazawa, R.; Ashiba, K.; Hata, K.; Nakagawa, T.; Adachi, C.; Tanase, T.; Kawai, T. Systematic conversion of single walled carbon nanotubes into n-type thermoelectric materials by molecular dopants. Sci. Rep. 2013, 3, 1–7. [Google Scholar] [CrossRef]
- Piao, M.; Na, J.; Choi, J.; Kim, J.; Kennedy, G.P.; Kim, G.; Roth, S.; Dettlaff-Weglikowska, U. Increasing the thermoelectric power generated by composite film using chemically functionalized single-walled carbon nanotubes. Carbon 2013, 64, 430–437. [Google Scholar] [CrossRef]
- Kunadian, I.; Andrews, R.; Pinar Mengüc, M.; Qian, D. Thermoelectric power generation using doped MWCNTs. Carbon 2009, 47, 589–601. [Google Scholar] [CrossRef]
- Fuge, R.; Liebscher, M.; Schröfl, C.; Oswald, S.; Leonhardt, A.; Mechtcherine, V. Fragmentation characteristics of undoped and nitrogen-doped multiwalled carbon nanotubes in aqueous dispersion in dependence on the ultrasonication parameters. Diam. Relat. Mater. 2016, 66, 126–134. [Google Scholar] [CrossRef]










| Sample Name | CNT Type | CNT Content (wt. %) | Nitrogen Content of CNTs (wt. %) |
|---|---|---|---|
| Ep/MWCNT-10% | Lab-made MWCNT | 10.30 | |
| Ep/MWCNT-20% | Lab-made MWCNT | 19.80 | |
| Ep/MWCNT-32% | Lab-made MWCNT | 31.60 | |
| MWCNT | Lab-made MWCNT | 100.00 | |
| Ep/NC7000-3% | MWCNT NC7000 | 3.43 | |
| Ep/NC7000-7% | MWCNT NC7000 | 7.48 | |
| NC7000 | MWCNT NC7000 | 100.00 | |
| Ep/N-MWCNT0.14-9% | Lab-made N-MWCNT0.14 | 9.35 | 0.14 |
| N-MWCNT0.14 | Lab-made N-MWCNT0.14 | 100.00 | 0.14 |
| Ep/N-MWCNT1.45-5% | Lab-made N-MWCNT1.45 | 5.04 | 1.45 |
| N-MWCNT1.45 | Lab-made N-MWCNT1.45 | 100.00 | 1.45 |
| Ep/N-MWCNT1.44-7% | Lab-made N-MWCNT1.44 | 7.29 | 1.44 |
| N-MWCNT1.44 | Lab-made N-MWCNT1.44 | 100.00 | 1.44 |
| Ep/Tuball-1% | SWCNT Tuball | 1.00 | |
| Ep/Tuball-35% | SWCNT Tuball | 34.50 | |
| Tuball | SWCNT Tuball | 100.00 |
| Sample Name | Electrical Conductivity σ (S/m) | Seebeck Coefficient S (µV/K) | Power Factor PF (µW/(mK2)) |
|---|---|---|---|
| Ep/MWCNT-10% | 60 | −9.5 ± 0.1 | 0.007 |
| Ep/MWCNT-20% | 126 | 0.0 ± 0.1 | 1.35 × 10−9 |
| Ep/MWCNT-32% | 27 | 3.1 ± 0.0 | 2.62 × 10−4 |
| MWCNT-100% | 93 | 11.8 ± 0.1 | 0.013 |
| Ep/NC7000-3% | 15 | 3.3 ± 0.3 | 1.66 × 10−4 |
| Ep/NC7000-7% | 11 | 3.6 ± 0.4 | 1.47 × 10−4 |
| NC7000 [11] | 3125 | 8.0 ± 0.0 | 0.202 |
| Ep/N-MWCNT0.14-9% | 141 | −17.4 ± 0.1 | 0.043 |
| N-MWCNT0.14 | 100 | −18.4 ± 0.1 | 0.034 |
| Ep/N-MWCNT1.45-5% | 2 | −14.8 ± 0.1 | 5.20 × 10−4 |
| N-MWCNT1.45 | 411 | −12.9 ± 0.1 | 0.068 |
| Ep/N-MWCNT1.44-7% | 38 | −11.4 ± 0.0 | 0.005 |
| N-MWCNT1.44 | 215 | −11.7 ± 0.0 | 0.029 |
| Ep/Tuball-1% | 2 | −25.5 ± 0.2 | 0.002 |
| Ep/Tuball-35% | 103 | −16.0 ± 2.1 | 0.264 |
| Tuball [12] | 42,227 | 37.4 ± 0.9 | 59.18 |
© 2020 by the authors. Licensee MDPI, Basel, Switzerland. This article is an open access article distributed under the terms and conditions of the Creative Commons Attribution (CC BY) license (http://creativecommons.org/licenses/by/4.0/).
Share and Cite
Kröning, K.; Krause, B.; Pötschke, P.; Fiedler, B. Nanocomposites with p- and n-Type Conductivity Controlled by Type and Content of Nanotubes in Thermosets for Thermoelectric Applications. Nanomaterials 2020, 10, 1144. https://doi.org/10.3390/nano10061144
Kröning K, Krause B, Pötschke P, Fiedler B. Nanocomposites with p- and n-Type Conductivity Controlled by Type and Content of Nanotubes in Thermosets for Thermoelectric Applications. Nanomaterials. 2020; 10(6):1144. https://doi.org/10.3390/nano10061144
Chicago/Turabian StyleKröning, Katharina, Beate Krause, Petra Pötschke, and Bodo Fiedler. 2020. "Nanocomposites with p- and n-Type Conductivity Controlled by Type and Content of Nanotubes in Thermosets for Thermoelectric Applications" Nanomaterials 10, no. 6: 1144. https://doi.org/10.3390/nano10061144
APA StyleKröning, K., Krause, B., Pötschke, P., & Fiedler, B. (2020). Nanocomposites with p- and n-Type Conductivity Controlled by Type and Content of Nanotubes in Thermosets for Thermoelectric Applications. Nanomaterials, 10(6), 1144. https://doi.org/10.3390/nano10061144

