New Efficient Adsorbent Materials for the Removal of Cd(II) from Aqueous Solutions
Abstract
1. Introduction
2. Materials and Methods
2.1. Instrumentation
2.2. Materials Synthesis
2.3. Adsorption Studies
2.4. Computational Studies
3. Results and Discussion
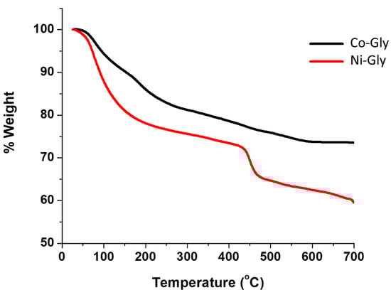
3.1. Materials Characterization
3.2. The pH Influence upon the Adsorption Studies
3.3. Kinetics of Adsorption
3.4. Equilibrium of Adsorption
3.5. Computational Semiempirical Studies
4. Conclusions
Supplementary Materials
Author Contributions
Funding
Acknowledgments
Conflicts of Interest
References
- Shafique, U.; Anwar, J.; Anzano, J.M.; Salman, M. Hazardous Metals: Sources, Toxicity, and Control; Nova Science Publisher Inc.: New York, NY, USA, 2011; pp. 157–186. [Google Scholar]
 - Ciesielczyk, F.; Bartczak, P.; Jesionowski, T. Removal of cadmium(II) and lead(II) ions from model aqueous solutions using sol–gel-derived inorganic oxide adsorbent. Adsorption 2016, 22, 445–458. [Google Scholar] [CrossRef]
 - Fu, F.L.; Wang, Q. Removal of heavy metal ions from wastewaters: A review. J. Environ. Manag. 2011, 92, 407–418. [Google Scholar] [CrossRef] [PubMed]
 - Giliopoulos, D.; Zamboulis, A.; Giannakoudakis, D.; Bikiaris, D.; Triantafyllidis, K. Polymer/Metal Organic Framework (MOF) Nanocomposites for Biomedical Applications. Molecules 2020, 25, 185. [Google Scholar] [CrossRef] [PubMed]
 - Wang, X.; Chen, Y.; Zheng, Y.; Zhang, Z. Study of Adsorption and Desorption Performances of Zr-Based Metal–Organic Frameworks Using Paper Spray Mass Spectrometry. Materials 2017, 10, 769. [Google Scholar] [CrossRef] [PubMed]
 - Zhuang, P.; Zhang, P.; Li, K.; Kumari, B.; Li, D.; Mei, X. Silver Nanoclusters Encapsulated into Metal–Organic Frameworks for Rapid Removal of Heavy Metal Ions from Water. Molecules 2019, 24, 2442. [Google Scholar] [CrossRef]
 - Chowdhury, T.; Zhang, L.; Zhang, J.; Aggarwal, S. Removal of Arsenic (III) from Aqueous Solution Using Metal Organic Framework-Graphene Oxide Nanocomposite. Nanomaterials 2018, 8, 1062. [Google Scholar] [CrossRef]
 - Wang, H.; Zhang, X.; Wang, Y.; Quan, G.; Han, X.; Yan, J. Facile synthesis of magnetic nitrogen-doped porous carbon from bimetallic metal–organic frameworks for efficient norfloxacin removal. Nanomaterials 2018, 8, 664. [Google Scholar] [CrossRef]
 - Luo, Z.; Fan, S.; Liu, J.; Liu, W.; Shen, X.; Wu, C.; Huang, Y.; Huang, G.; Huang, H.; Zheng, M. A 3D stable metal–organic framework for highly efficient adsorption and removal of drug contaminants from water. Polymers 2018, 10, 209. [Google Scholar] [CrossRef]
 - Wei, F.; Chen, D.; Liang, Z.; Zhao, S. Comparison study on the adsorption capacity of Rhodamine B, Congo Red, and Orange II on Fe-MOFs. Nanomaterials 2018, 8, 248. [Google Scholar] [CrossRef]
 - Hutton, M. Sources of cadmium in the environment. Ecotoxicol. Environ. Saf. 1983, 7, 9–24. [Google Scholar] [CrossRef]
 - Anda, A.; Illésand, B.; Soós, G. Effect of cadmium pollution of atmospheric origin on field-grown maize in two consecutive years with diverse weather conditions. Acta Biol. Hung. 2013, 64, 476–489. [Google Scholar] [CrossRef] [PubMed]
 - Mopoung, R.; Kengkhetkit, N. Lead and Cadmium Removal Efficiency from Aqueous Solution by NaOH Treated Pineapple Waste. Int. J. Appl. Chem. 2016, 12, 23–35. [Google Scholar]
 - Mondal, M.K.; Mishra, G.; Kumar, P. Adsorption of cadmium (II) and chromium (VI) from aqueous solution by waste marigold flowers. J. Sustain. Dev. Energy Water Environ. Syst. 2015, 3, 405–415. [Google Scholar] [CrossRef]
 - Canet, L.; Ilpide, M.; Seta, P. Efficient facilitated transport of lead, cadmium, zinc and silver across a flat sheet-supported liquid membrane mediated by a lasalocid A. Sep. Sci. Technol. 2002, 37, 1851–1860. [Google Scholar] [CrossRef]
 - Cheraghi, E.; Ameri, E.; Moheb, A. Adsorption of cadmium ions from aqueous solutions using sesame as a low-cost biosorbent: Kinetics and equilibrium studies. J. Environ. Sci. Technol. 2015, 12, 2579–2592. [Google Scholar] [CrossRef]
 - Kumar, P.S.; Ramakrishnan, K.; Kirupha, S.D.; Sivanesan, S. Thermodynamic and kinetic studies of cadmium adsorption from aqueous solution onto rice husk. Braz. J. Chem. Eng. 2010, 27, 347–355. [Google Scholar] [CrossRef]
 - Cutillas-Barreiro, L.; Ansias-Manso, L.; Fernández-Calviño, D.; Arias-Estévez, M.; Nóvoa-Muñoz, J.C.; Fernández-Sanjurjo, M.J.; Álvarez-Rodríguez, E.; Núñez-Delgado, A. Pine bark as bio-adsorbent for Cd, Cu, Ni, Pb and Zn: Batch-type and stirred flow chamber experiments. J. Environ. Manag. 2014, 144, 258–264. [Google Scholar] [CrossRef]
 - Santhosh, C.; Kollu, P.; Felix, S.; Velmurugan, V.; Jeong, S.K.; Grace, A.N. CoFe2O4 and NiFe2O4@graphene adsorbents for heavy metal ions-kinetic and thermodynamic analysis. RSC Adv. 2015, 5, 28965–28972. [Google Scholar] [CrossRef]
 - Wysokowski, M.; Klapiszewski, Ł.; Moszyński, D.; Bartczak, P.; Szatkowski, T.; Majchrzak, I.; Siwińska-Stefańska, K.; Bazhenov, V.V.; Jesionowski, T. Modification of chitin with kraft lignin and development of new biosorbents for removal of cadmium(II) and nickel(II) ions. Mar. Drugs 2014, 12, 2245–2268. [Google Scholar] [CrossRef]
 - Li, J.; Wang, X.; Zhao, G.; Chen, C.; Chai, Z.; Alsaedi, A.; Hayat, T.; Wang, X. Metal-organic framework-based materials: Superior adsorbents for the capture of toxic and radioactive metal ions. Chem. Soc. Rev. 2018, 47, 2322–2356. [Google Scholar] [CrossRef]
 - Manousi, N.; Giannakoudakis, D.A.; Rosenberg, E.; Zachariadis, G.A. Extraction of Metal Ions with Metal–Organic Frameworks. Molecules 2019, 24, 4605. [Google Scholar] [CrossRef] [PubMed]
 - Rocío-Bautista, P.; Pacheco-Fernández, I.; Pasán, J.; Pino, V. Are Metal-Organic Frameworks able to provide a new generation of solid-phase microextraction coatings?—A review. Anal. Chim. Acta 2016, 939, 26–41. [Google Scholar] [CrossRef] [PubMed]
 - Liu, C.; Wang, P.; Liu, X.; Yi, X.; Liu, D.; Zhou, Z. Ultrafast removal of Cd(II) by green cyclodextrin metal-organic framework based nanoporous carbon: Adsorption mechanism and application. Chem. Asian J. 2019, 14, 261–268. [Google Scholar] [CrossRef] [PubMed]
 - Moradi, S.E.; Dadfarnia, S.; Emami, S.; Shabani, A.M.H. Sulfonated metal organic framework loaded on iron oxide nanoparticles as a new sorbent for the magnetic solid phase extraction of cadmium from environmental water samples. Anal. Methods 2016, 8, 6337–6346. [Google Scholar] [CrossRef]
 - Batten, S.R.; Champness, N.R.; Chen, X.M.; Garcia-Martinez, J.; Kitagawa, S.; Öhrström, L.; O’Keeffe, M.; Suh, P.M.; Reedijk, J. Therminology of metal-organic frameworks and coordination polymers (IUPAC Recommendations 2013). Pure Appl. Chem. 2013, 85, 1715–1724. [Google Scholar] [CrossRef]
 - Maranescu, B.; Lupa, L.; Visa, A. Heavy metal removal from waste waters by phosphonate metal organic frameworks. Pure Appl. Chem. 2018, 90, 35–47. [Google Scholar] [CrossRef]
 - Maranescu, B.; Lupa, L.; Visa, A. Synthesis, characterizations and Pb(II) sorption properties of cobalt phosphonate materials. Pure Appl. Chem. 2016, 88, 979–992. [Google Scholar] [CrossRef]
 - Mateescu, A.; Gabriel, C.; Raptis, R.G.; Baran, P.; Salifoglou, A. pH–Specific synthesis, spectroscopic, and structural characterization of an assembly of species between Co(II) and N,N-bis(phosphonomethyl)glycine. Gaining insight into metal-ion phosphonate interactions in aqueous Co(II)–organophosphonate systems. Inorg. Chim. Acta 2007, 360, 638–648. [Google Scholar] [CrossRef]
 - Macrae, C.F.; Sovago, I.; Cottrell, S.J.; Galek, P.T.A.; McCabe, P.; Pidcock, E.; Platings, M.; Shields, G.P.; Stevens, J.S.; Towler, M.; et al. Mercury 4.0: From visualization to analysis, design and prediction. J. Appl. Cryst. 2020, 53, 226–235. [Google Scholar] [CrossRef]
 - Hyperchem 7.52 Release for Windows; HyperCube, Inc.: Gainesville, FL, USA, 2002.
 - Appel, C.; Ma, L. Concentration, pH, and Surface Charge Effects on Cadmium and Lead Sorption in Three Tropical Soils. J. Environ. Qual. 2002, 31, 581–589. [Google Scholar] [CrossRef]
 - He, Z.; Ren, B.; Hursthouse, A.; Wang, Z. Efficient removal of Cd(II) using SiO2-Mg(OH)2 nanocomposites derived from sepiolite. Int. J. Environ. Res. Public Health 2020, 17, 2223. [Google Scholar] [CrossRef] [PubMed]
 - Naeem, M.A.; Imran, M.; Amjad, M.; Abbas, G.; Tahir, M.; Murtaza, B.; Zakir, A.; Shahid, M.; Bulgariu, L.; Ahmad, I. Batch and column scale removal of cadmium from water using raw and acid activated wheat straw biochar. Water 2019, 11, 1438. [Google Scholar] [CrossRef]
 - Klapiszewski, Ł.; Siwinska-Stefanska, K.; Kołodynska, D. Development of lignin based multifunctional hybrid materials for Cu(II) and Cd(II) removal from the aqueous system. Chem. Eng. J. 2017, 330, 518–530. [Google Scholar] [CrossRef]
 - Kuchekar, S.R.; Patil, M.P.; Aher, H.R.; Gaikwad, V.B.; Han, S.H. Adsorptive removal of cadmium (II) ion from industrial wastewater by natural adsorbent. J. Mater. Environ. Sci. 2019, 10, 1117–1122. [Google Scholar]
 - Mahmoud, M.A.; El-Halwany, M.M. Adsorption of cadmium onto orange peels: Isotherms, kinetics, and thermodynamics. J. Chromatogr. Sep. Tech. 2014, 5, 1–6. [Google Scholar] [CrossRef]
 - Essomba, J.S.; Ndi Nsami, J.; Belibi Belibi, P.D.; Tagne, G.M.; Ketcha Mbadcam, J. Adsorption of cadmium(II) ions from aqueous solution onto kaolinite and metakaolinite. Pure Appl. Chem. Sci. 2014, 2, 11–30. [Google Scholar] [CrossRef][Green Version]
 - Li, Z.; Katsumi, T.; Imaizumi, S.; Tang, X.; Inui, T. Cd(II) adsorption on various adsorbents obtained from charred biomaterials. J. Hazard. Mater. 2010, 183, 410–420. [Google Scholar] [CrossRef]
 - Asci, Y.; Nurbas, M.; Acikel, Y.S. Sorption of Cd(II) onto kaolin as a soil component and desorption of Cd(II) from kaolin using rhamnolipid biosurfactant. J. Hazard. Mater. 2007, 139, 50–56. [Google Scholar] [CrossRef]
 - Oh, S.; Kwak, M.Y.; Shin, W.S. Competitive sorption of lead and cadmium onto sediments. Chem. Eng. J. 2009, 152, 376–388. [Google Scholar] [CrossRef]
 - Boparai, H.K.; Joseph, M.; O’Carroll, D.M. Kinetics and thermodynamics of cadmium ion removal by adsorption onto nano zerovalent iron particles. J. Hazard. Mater. 2011, 186, 458–465. [Google Scholar] [CrossRef]
 - Leyva-Ramos, R.; Bernal-Jacome, L.A.; Acosta-Rodriguez, I. Adsorption of cadmium(II) from aqueous solution on natural and oxidized corncob. Sep. Purif. Technol. 2005, 45, 41–49. [Google Scholar] [CrossRef]
 - Demadis, K.D.; Famelis, N.; Cabeza, A.; Aranda, M.A.; Colodrero, R.M.; Infantes-Molina, A. 2D corrugated magnesium carboxyphosphonate materials: Topotactic transformations and interlayer “decoration” with ammonia. Inorg. Chem. 2012, 51, 7889–7896. [Google Scholar] [CrossRef] [PubMed]
 - Hamad, S.; Balestra, S.R.G.; Bueno-Pérez, R.; Calero, S.; Ruiz-Salvador, A.R. Atomic charges for modeling metal-organic frameworks: Why and How. J. Solid State Chem. 2015, 223, 144–151. [Google Scholar] [CrossRef]
 - Zhu, H.; Yuan, J.; Tan, X.; Zhang, W.; Fang, M.; Wang, X. Efficient removal of Pb2+ by Tb-MOFs: Identifying the adsorption mechanism through experimental and theoretical investigations. Environ. Sci. Nano 2019, 6, 261–272. [Google Scholar] [CrossRef]
 - Maranescu, B.; Visa, A.; Mracec, M.; Ilia, G.; Maranescu, V.; Simon, Z.; Mracec, M. Lamellar Co2+ vinylphosphonate metal organic framework. PM3 semi-empirical analysis of structural properties. Rev. Roum. Chim. 2011, 56, 473–482. [Google Scholar]
 - Burdett, J.K.; Coddens, B.A.; Kulkarni, G.V. Band gap stability of solids. Inorg. Chem. 1988, 27, 3259–3261. [Google Scholar] [CrossRef]
 - Daniel, C.R.A.; Rodrigues, N.M.; da Costa, N.B., Jr.; Freire, R.O. Are Quantum Chemistry Semiempirical Methods Effective to Predict Solid State Structure and Adsorption in Metal Organic Frameworks? J. Phys. Chem. C 2015, 119, 23398–23406. [Google Scholar] [CrossRef]
 










| Adsorbent | Specific Surface Area, m2/g | Pore Volume, cm3/g | 
|---|---|---|
| Co–Gly | 32 | 0.25 | 
| Ni–Gly | 45 | 0.85 | 
| Adsorbent | qexp | Lagergren Model | Ho and McKay Model | ||||
|---|---|---|---|---|---|---|---|
| qe (mg/g)  | k1 (1/min)  | R2 | qe (mg/g)  | k2 (g/mg·min)  | R2 | ||
| Co–Gly | 13.2 | 8.39 | 0.0302 | 0.8146 | 16.36 | 2.5 × 10-3 | 0.9968 | 
| Ni–Gly | 15.2 | 10.76 | 0.0357 | 0.9848 | 18.14 | 1.11 × 10-3 | 0.9968 | 
| Adsorbent | Langmuir Model | Freundlich Model | ||||||
|---|---|---|---|---|---|---|---|---|
| qmax (mg/g) | KL | R2 | KF | 1/n | R2 | |||
| Co–Gly | 51.5 | 0.0739 | 0.9994 | 4.47 | 0.5143 | 0.9391 | ||
| Ni–Gly | 58.1 | 0.0818 | 0.9968 | 5.54 | 0.4972 | 0.9406 | ||
| Adsorbent | Redlich-Peterson Model | |||||||
| qmax (mg/g) | KRP | n | R2 | |||||
| Co–Gly | 0.485 | 4.47 | 1.02 | 0.9312 | ||||
| Ni–Gly | 0.503 | 5.54 | 0.952 | 0.9419 | ||||
| Adsorbent | qm, mg/g | pH | References | 
|---|---|---|---|
| Orange Peels | 4.9 | 5 | [37] | 
| Kaolinite | 7.407 | 8 | [38] | 
| Metakaolinite | 9.174 | 8 | [39] | 
| Cyclodextrin metal-organic framework based nanoporous carbon | 140.85 | 7 | [24] | 
| Sulfonated metal organic framework loaded on iron oxide nanoparticles | 163.9 | 3 | [25] | 
| Grass char | 115.8 | 6.8 | [39] | 
| Kaolin | 1.46 | 6.8 | [40] | 
| Sediments | 10.01 | 5.5 | [41] | 
| Zerovalent iron particles | 714.3 | - | [42] | 
| Natural cheese | 5.12 | 6 | [43] | 
| Co–Gly | 51.5 | 5 | Present paper | 
| Ni–Gly | 58.1 | 5 | 
| Ni–Gly | ||||||||
|---|---|---|---|---|---|---|---|---|
| Atom | ID | Charge | Bond | Distance | Bond Angle | Degree | Torsion Angle | Degree | 
| Carbon | C15 | −0.723 | Ni56-O29 | 1.815 | O29-Ni56-O36 | 94.636 | C46-P25-O29-Ni56 | 9.656 | 
| Carbon | C18 | −0.697 | Ni56-O36 | 1.792 | Ni56-O36-P26 | 138.283 | P25-O29-Ni56-O36 | −92.872 | 
| Carbon | C43 | −0.599 | O36-P26 | 1.853 | O36-P26-C43 | 93.346 | O29-Ni56-O36-P26 | 130.169 | 
| Carbon | C46 | −0.807 | P26-C43 | 1.986 | P26-C43-N30 | 124.21 | Ni56-O36-P26-O32 | 41.057 | 
| Carbon | C74 | −0.763 | C43-N30 | 1.493 | C43-N30-C46 | 116.868 | O36-P26-O32-Ni27 | 1.422 | 
| Hydrogen | H34 | 0.2853 | N30-C46 | 1.502 | N30-C46-P25 | 130.108 | P26-O32-Ni27-O4 | −94.052 | 
| Hydrogen | H35 | 0.2188 | C46-P25 | 1.935 | C46-P25-O29 | 113.781 | P26-O32-Ni27-O8 | 170.186 | 
| Hydrogen | H54 | 0.2133 | P25-O37 | 1.467 | P25-O29-Ni56 | 95.464 | P26-O32-Ni27-O33 | −2.211 | 
| Hydrogen | H55 | 0.2568 | P25-O38 | 1.700 | O4-Ni27-O8 | 97.744 | P26-O32-Ni27-O65 | 69.181 | 
| Nitrogen | N5 | 0.6925 | P26-O41 | 1.766 | O8-Ni27-O53 | 89.307 | O32-Ni27-O4-P1 | −150.244 | 
| Nitrogen | N30 | 0.7692 | P26-O32 | 1.786 | O53-Ni27-O65 | 85.753 | O32-Ni27-O8-P2 | 28.512 | 
| Nickel | Ni27 | −0.555 | O32-Ni27 | 1.842 | O65-Ni27-O33 | 71.3 | Ni27-O8-P2-C15 | 53.962 | 
| Nickel | Ni56 | −0.594 | Ni27-O4 | 1.869 | O33-Ni27-O32 | 93.215 | O4-Ni27-O8-P2 | −62.239 | 
| Oxygen | O4 | −0.567 | O4-P1 | 1.705 | O32-Ni27-O4 | 90.604 | O32-Ni27-O65-P57 | 70.339 | 
| Oxygen | O7 | −0.835 | P1-O9 | 1.492 | O4-Ni27-O53 | 91.125 | ||
| Oxygen | O8 | −0.433 | P1-O10 | 1.634 | O4-Ni27-O65 | 162.982 | ||
| Oxygen | O9 | −0.886 | P1-C18 | 1.912 | O4-Ni27-O33 | 91.804 | ||
| Oxygen | O10 | −0.670 | C18-N5 | 1.499 | O8-Ni27-O65 | 100.934 | ||
| Oxygen | O13 | −0.700 | N5-C15 | 1.494 | O8-Ni27-O33 | 171.094 | ||
| Oxygen | O29 | −0.476 | C15-P2 | 1.898 | O8-Ni27-O32 | 91.428 | ||
| Oxygen | O32 | −0.323 | P2-O7 | 1.456 | O53-Ni27-O33 | 85.817 | ||
| Oxygen | O33 | 0.2309 | P2-O13 | 1.634 | O53-Ni27-O32 | 178.044 | ||
| Oxygen | O36 | −0.415 | P2-O8 | 1.743 | O65-Ni27-O32 | 92.328 | ||
| Oxygen | O37 | −0.873 | Ni27-O8 | 1.836 | ||||
| Oxygen | O38 | −0.699 | Ni27-O53 | 1.925 | ||||
| Oxygen | O41 | −0.650 | O53-H54 | 0.959 | ||||
| Oxygen | O53 | −0.085 | O53-H55 | 0.986 | ||||
| Oxygen | O60 | −0.852 | Ni27-O33 | 1.947 | ||||
| Oxygen | O65 | −0.604 | O33-H34 | 1.012 | ||||
| Oxygen | O66 | −0.692 | O33-H35 | 0.979 | ||||
| Phosphorus | P1 | 2.0639 | Ni27-O65 | 1.853 | ||||
| Phosphorus | P2 | 2.0923 | O65-P57 | 1.733 | ||||
| Phosphorus | P25 | 2.1319 | P57-O60 | 1.450 | ||||
| Phosphorus | P26 | 1.1473 | P57-O66 | 1.683 | ||||
| Phosphorus | P57 | 2.0932 | P57-C74 | 1.848 | ||||
| Co–Gly | ||||||||
|---|---|---|---|---|---|---|---|---|
| Atom | ID | Charge | Bond | Distance | Bond Angle | Degree | Torsion Angle | Degree | 
| Carbon | C15 | −0.7165 | Co56-O29 | 1.874 | O29-Co56-O36 | 103.345 | C46-P25-O29-Co56 | −57.484 | 
| Carbon | C18 | −0.6848 | Co56-O36 | 2.025 | Co56-O36-P26 | 136.025 | P25-O29-Co56-O36 | −10.336 | 
| Carbon | C43 | −0.731 | O36-P26 | 1.560 | O36-P26-C43 | 104.476 | O29-Co56-O36-P26 | 78.858 | 
| Carbon | C46 | −0.7151 | P26-C43 | 1.892 | P26-C43-N30 | 121.608 | Co56-O36-P26-O32 | 36.937 | 
| Carbon | C74 | −0.7589 | C43-N30 | 1.494 | C43-N30-C46 | 114.412 | O36-P26-O32-Co27 | −16.624 | 
| Hydrogen | H34 | 0.209 | N30-C46 | 1.503 | N30-C46-P25 | 127.21 | P26-O32-Co27-O4 | −104.721 | 
| Hydrogen | H35 | 0.2187 | C46-P25 | 1.956 | C46-P25-O29 | 102.822 | P26-O32-Co27-O8 | 159.331 | 
| Hydrogen | H54 | 0.2528 | P25-O37 | 1.463 | P25-O29-Co56 | 139.07 | P26-O32-Co27-O33 | −18.618 | 
| Hydrogen | H55 | 0.2879 | P25-O38 | 1.707 | O4-Co27-O8 | 96.057 | P26-O32-Co27-O65 | 75.019 | 
| Nitrogen | N5 | 0.7035 | P26-O41 | 1.641 | O8-Co27-O53 | 83.833 | O32-Co27-O4-P1 | −138.862 | 
| Nitrogen | N30 | 0.7478 | P26-O32 | 1.659 | O53-Co27-O65 | 88.608 | O32-Co27-O8-P2 | 17.287 | 
| Cobalt | Co27 | 0.075 | O32-Co27 | 1.918 | O65-Co27-O33 | 93.076 | Co27-O8-P2-C15 | 46.317 | 
| Cobalt | Co56 | −0.0996 | Co27-O4 | 1.917 | O33-Co27-O32 | 97.175 | O4-Co27-O8-P2 | −69.782 | 
| Oxygen | O4 | −0.7808 | O4-P1 | 1.675 | O32-Co27-O4 | 86.851 | O32-Co27-O65-P57 | −105.659 | 
| Oxygen | O7 | −0.8435 | P1-O9 | 1.504 | O4-Co27-O53 | 90.374 | ||
| Oxygen | O8 | −0.7288 | P1-O10 | 1.642 | O4-Co27-O65 | 178.93 | ||
| Oxygen | O9 | −0.8995 | P1-C18 | 1.913 | O4-Co27-O33 | 86.533 | ||
| Oxygen | O10 | −0.6691 | C18-N5 | 1.501 | O8-Co27-O65 | 84.167 | ||
| Oxygen | O13 | −0.6707 | N5-C15 | 1.493 | O8-Co27-O33 | 170.364 | ||
| Oxygen | O29 | −0.7278 | C15-P2 | 1.921 | O8-Co27-O32 | 92.241 | ||
| Oxygen | O32 | −0.7066 | P2-O7 | 1.461 | O53-Co27-O33 | 86.876 | ||
| Oxygen | O33 | −0.0615 | P2-O13 | 1.68 | O53-Co27-O32 | 174.936 | ||
| Oxygen | O36 | −0.7897 | P2-O8 | 1.669 | O65-Co27-O32 | 94.188 | ||
| Oxygen | O37 | −0.8422 | Co27-O8 | 1.888 | ||||
| Oxygen | O38 | −0.6909 | Co27-O53 | 1.972 | ||||
| Oxygen | O41 | −0.6614 | O53-H54 | 0.965 | ||||
| Oxygen | O53 | −0.2364 | O53-H55 | 0.995 | ||||
| Oxygen | O60 | −0.8173 | Co27-O33 | 2.000 | ||||
| Oxygen | O65 | −0.7366 | O33-H34 | 0.978 | ||||
| Oxygen | O66 | −0.5273 | O33-H35 | 0.973 | ||||
| Phosphorus | P1 | 2.0692 | Co27-O65 | 1.936 | ||||
| Phosphorus | P2 | 2.0995 | O65-P57 | 1.632 | ||||
| Phosphorus | P25 | 2.0392 | P57-O60 | 1.451 | ||||
| Phosphorus | P26 | 1.9959 | P57-O66 | 1.823 | ||||
| Phosphorus | P57 | 2.0514 | P57-C74 | 1.853 | ||||
| CNs/Electronic Properties | ∆Hform (kcal/mol)  | Free Energy (kcal/mol)  | Zero-pt Vib Energy (kcal/mol) | νmin (cm−1)  | νmax (cm−1)  | HOMO (eV)  | LUMO (eV)  | LUMO—HOMO (eV)  | 
|---|---|---|---|---|---|---|---|---|
| Co–Gly | −1990.3819 | −284904 | 342.5893 | 16.06 | 3959.68 | −4.7667 | 3.2892 | 8.0559 | 
| Ni–Gly | −1828.6042 | −296474 | 345.3689 | 9.67 | 3963.54 | −4.6634 | 2.7312 | 7.3946 | 
© 2020 by the authors. Licensee MDPI, Basel, Switzerland. This article is an open access article distributed under the terms and conditions of the Creative Commons Attribution (CC BY) license (http://creativecommons.org/licenses/by/4.0/).
Share and Cite
Visa, A.; Maranescu, B.; Lupa, L.; Crisan, L.; Borota, A. New Efficient Adsorbent Materials for the Removal of Cd(II) from Aqueous Solutions. Nanomaterials 2020, 10, 899. https://doi.org/10.3390/nano10050899
Visa A, Maranescu B, Lupa L, Crisan L, Borota A. New Efficient Adsorbent Materials for the Removal of Cd(II) from Aqueous Solutions. Nanomaterials. 2020; 10(5):899. https://doi.org/10.3390/nano10050899
Chicago/Turabian StyleVisa, Aurelia, Bianca Maranescu, Lavinia Lupa, Luminita Crisan, and Ana Borota. 2020. "New Efficient Adsorbent Materials for the Removal of Cd(II) from Aqueous Solutions" Nanomaterials 10, no. 5: 899. https://doi.org/10.3390/nano10050899
APA StyleVisa, A., Maranescu, B., Lupa, L., Crisan, L., & Borota, A. (2020). New Efficient Adsorbent Materials for the Removal of Cd(II) from Aqueous Solutions. Nanomaterials, 10(5), 899. https://doi.org/10.3390/nano10050899
        
