Antibacterial Activity and Cell Viability of Biomimetic Magnesian Calcite Coatings on Biodegradable Mg
Abstract
1. Introduction
2. Materials and Methods
2.1. Material
2.2. Coating
2.3. Structure Characterization
2.4. Cell Culture Experiments: In Vitro Cytotoxicity Tests
2.5. Cell Morphology
2.6. Antibacterial Tests
2.6.1. Planktonic Bacteria Model
2.6.2. Bacterial Biofilm Model
3. Results and Discussion
3.1. Coating Morphology
3.2. Surface Formation Mechanism
3.3. Raman Spectroscopy
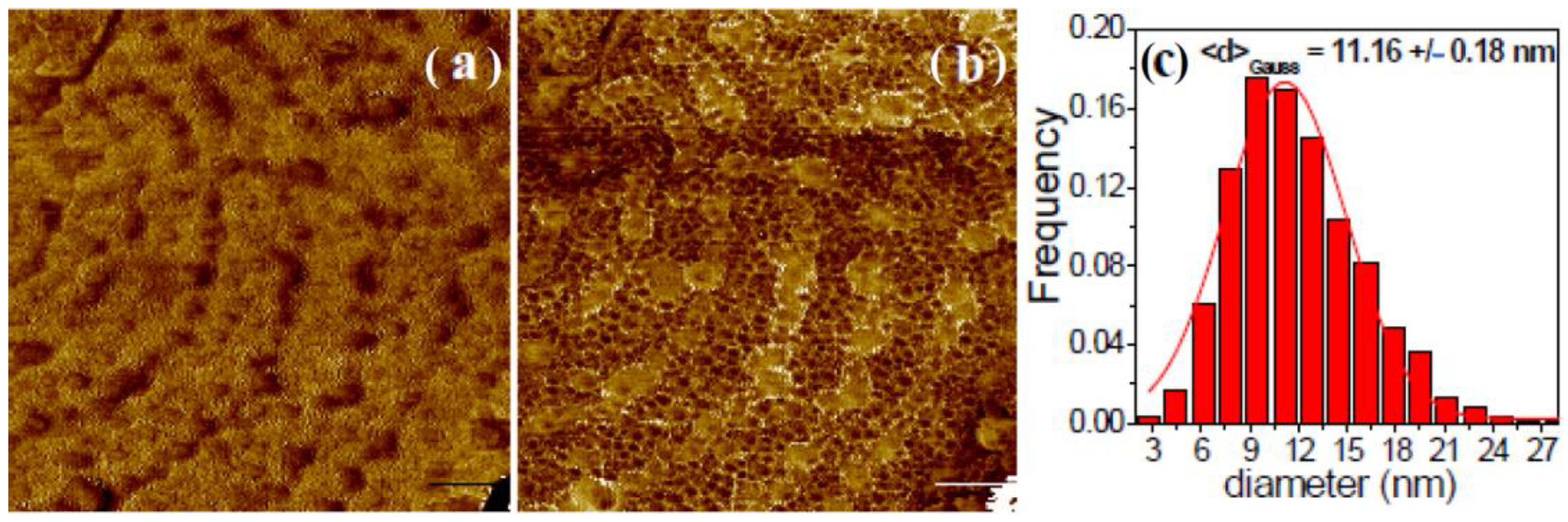
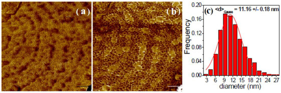
3.4. Morphological Evolution (SEM, AFM)
3.5. Cell Viability
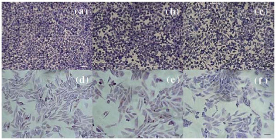
3.6. Cell Morphology
3.7. Antimicrobial Effect
3.7.1. Planktonic Growth
3.7.2. Anti-Adherent Potential of 3D Scaffolds
4. Conclusions
Author Contributions
Funding
Data Availability Statement
Acknowledgments
Conflicts of Interest
References
- Amini, A.R.; Laurencin, C.T.; Nukavarapu, S.P. Bone tissue engineering: Recent advances and challenges. Crit. Rev. Biomed. Eng. 2012, 40, 363–408. [Google Scholar] [CrossRef] [PubMed]
- Herber, V.; Okutan, B.; Antonoglou, G.; Sommer, N.G.; Payer, M. Bioresorbable magnesium-based alloys as novel biomaterials in oral bone regeneration: General review and clinical perspectives. J. Clin. Med. 2021, 10, 1842. [Google Scholar] [CrossRef]
- Song, G. Control of biodegradation of biocompatable magnesium alloys. Corros. Sci. 2007, 49, 1696–1701. [Google Scholar] [CrossRef]
- Prakasam, M.; Locs, J.; Salma-Ancane, K.; Loca, D.; Largeteau, A.; Berzina-Cimdina, L. Biodegradable materials and metallic implants—A review. J. Funct. Biomater. 2017, 8, 44. [Google Scholar] [CrossRef] [PubMed]
- Hornberger, H.; Virtanen, S.; Boccaccini, A.R. Biomedical coatings on magnesium alloys—A review. Acta Biomater. 2012, 8, 2442–2455. [Google Scholar] [CrossRef] [PubMed]
- Fattah-alhosseini, A.; Chaharmahali, R.; Rajabi, A.; Babaei, K.; Kaseem, M. Performance of PEO/polymer coatings on the biodegradability, antibacterial effect and biocompatibility of Mg-based materials. J. Funct. Biomater. 2022, 13, 267. [Google Scholar] [CrossRef]
- Ghanbari, A.; Bordbar-Khiabani, A.; Warchomicka, F.; Sommitsch, C.; Yarmand, B.; Zamanian, A. PEO/Polymer hybrid coatings on magnesium alloy to improve biodegradation and biocompatibility properties. Surf. Interfaces 2022, 36, 102495. [Google Scholar] [CrossRef]
- Wang, Y.; Yu, D.; Ma, K.; Dai, C.; Wang, D.; Wang, J. Self-healing performance and corrosion resistance of a bilayer calcium carbonate coating on microarc-oxidized magnesium alloy. Corros. Sci. 2022, 212, 110927. [Google Scholar] [CrossRef]
- Wang, Y.; Liu, B.; Zhao, X.; Zhang, X.; Miao, Y.; Yang, N.; Yang, B.; Zhang, L.; Kuang, W.; Li, J.; et al. Turning a native or corroded Mg alloy surface into an anti-corrosion coating in excited CO2. Nat. Commun. 2018, 9, 4058. [Google Scholar] [CrossRef]
- Cao, X.; Ren, Q.; Yang, Y.; Hou, X.; Yan, Y.; Hu, J.; Deng, H.; Yu, D.; Lan, W.; Pan, F. A new environmentally-friendly route to in situ form a high-corrosion-resistant nesquehonite film on pure magnesium. RSC Adv. 2020, 10, 35480–35489. [Google Scholar] [CrossRef]
- Xie, J.; Zhang, J.; Liu, S.; Li, Z.; Zhang, L.; Wu, R.; Hou, L.; Zhang, M. Hydrothermal synthesis of protective coating on Mg alloy for degradable implant applications. Coatings 2019, 9, 160. [Google Scholar] [CrossRef]
- Jiang, P.; Hou, R.; Zhu, S.; Guan, S. A robust calcium carbonate (CaCO3) coating on biomedical MgZnCa alloy for promising corrosion protection. Corros. Sci. 2022, 198, 110124. [Google Scholar] [CrossRef]
- Popa, M.; Stefan, L.M.; Prelipcean, A.M.; Drob, S.I.; Anastasescu, M.; Calderon Moreno, J.M. Inhibition of Mg corrosion in physiological fluids by carbonate coating. Corros. Sci. 2022, 209, 110775. [Google Scholar] [CrossRef]
- Zhu, J.; Jia, C. Electrochemical studies on ammonium magnesium carbonate tetrahydrate/calcium carbonate composite coating on AZ91D magnesium alloy. Mater. Chem. Phys 2022, 292, 126787. [Google Scholar] [CrossRef]
- Jiang, P.; Zheng, Z.; Hou, R.; Mei, D.; Zhu, S.; Wang, L.; Guan, S. Tunable corrosion protection of calcium carbonate (CaCO3) coating on biomedical Mg2Zn0.2Ca alloy. Mater. Des. 2022, 222, 111073. [Google Scholar] [CrossRef]
- Lei, M.; Liu, Z.; Wang, F.; Hu, S. Development of calcium carbonate-based coatings by the carbonation of gamma-C2S (γ-C2S). Materials 2022, 15, 5088. [Google Scholar] [CrossRef]
- Wang, Y.; You, Z.; Ma, K.; Dai, C.; Wang, D.; Wang, J. Corrosion resistance of a superhydrophobic calcium carbonate coating on magnesium alloy by ultrasonic cavitation-assisted chemical conversion. Corros. Sci. 2023, 211, 110841. [Google Scholar] [CrossRef]
- Zhao, P.; Tian, Y.; You, J.; Hu, X.; Liu, Y. Recent advances of calcium carbonate nanoparticles for biomedical applications. Bioengineering 2022, 9, 691. [Google Scholar] [CrossRef]
- Dotta, T.C.; Hayann, L.; de Padua Andrade Almeida, L.; Nogueira, L.F.B.; Arnez, M.M.; Castelo, R.; Cassiano, A.F.B.; Faria, G.; Martelli-Tosi, M.; Bottini, M.; et al. Strontium carbonate and strontium-substituted calcium carbonate nanoparticles form protective deposits on dentin surface and enhance human dental pulp stem cells mineralization. J. Funct. Biomater. 2022, 13, 250. [Google Scholar] [CrossRef]
- Qi, C.; Lin, J.; Fu, L.-H.; Huang, P. Calcium-based biomaterials for diagnosis, treatment, and theranostics. Chem. Soc. Rev. 2018, 47, 357–403. [Google Scholar] [CrossRef]
- Volodkin, D.V.; Larionova, N.I.; Sukhorukov, G.B. Protein encapsulation via porous CaCO3 microparticles templating. Biomacromolecules 2004, 5, 1962–1972. [Google Scholar] [CrossRef]
- Helmlinger, G.; Yuan, F.; Dellian, M.; Jain, R.K. Interstitial pH and pO2 gradients in solid tumors in vivo: High-resolution measurements reveal a lack of correlation. Nat. Med. 1997, 3, 177–182. [Google Scholar] [CrossRef] [PubMed]
- Polo-Corrales, L.; Latorre-Esteves, M.; Ramirez-Vick, J.E. Scaffold design for bone regeneration. J. Nanosci. Nanotechnol. 2014, 14, 15–56. [Google Scholar] [CrossRef] [PubMed]
- Rider, P.; Kačarević, Ž.P.; Elad, A.; Rothamel, D.; Sauer, G.; Bornert, F.; Windisch, P.; Hangyási, D.; Molnar, B.; Hesse, B.; et al. Biodegradation of a magnesium alloy fixation screw used in a guided bone regeneration model in beagle dogs. Materials 2022, 15, 4111. [Google Scholar] [CrossRef] [PubMed]
- Stahl, A.; Yang, Y.P. Regenerative approaches for the treatment of large bone defects. Tissue Eng. Part B Rev. 2021, 27, 539–547. [Google Scholar] [CrossRef]
- Muthukrishnan, G.; Masters, E.A.; Daiss, J.L.; Schwarz, E.M. Mechanisms of immune evasion and bone tissue colonization that make Staphylococcus aureus the primary pathogen in osteomyelitis. Curr. Osteoporos. Rep. 2019, 17, 395–404. [Google Scholar] [CrossRef]
- Liu, Y.; Chen, Y.; Huang, X.; Wu, G. Biomimetic synthesis of calcium carbonate with different morphologies and polymorphs in the presence of bovine serum albumin and soluble starch. Mater. Sci. Eng. C 2017, 79, 457–464. [Google Scholar] [CrossRef]
- Cartwright, J.H.E.; Checa, A.G.; Gale, J.D.; Gebauer, D.; Sainz-Díaz, C.I. Calcium carbonate polymorphism and its role in biomineralization: How many amorphous calcium carbonates are there? Angew. Chem. Int. Ed. 2012, 51, 11960–11970. [Google Scholar] [CrossRef]
- Dey, A.; de With, G.; Sommerdijk, N.A.J.M. In situ techniques in biomimetic mineralization studies of calcium carbonate. Chem. Soc. Rev. 2010, 39, 397–409. [Google Scholar] [CrossRef]
- Niu, Y.Q.; Liu, J.H.; Aymonier, C.; Fermani, S.; Kralj, D.; Falini, G.; Zhou, C.H. Calcium carbonate: Controlled synthesis, surface functionalization, and nanostructured materials. Chem. Soc. Rev. 2022, 51, 7883. [Google Scholar] [CrossRef]
- Bayarjargal, L.; Fruhner, C.J.; Schrodt, N.; Winkler, B. CaCO3 phase diagram studied with Raman spectroscopy at pressures up to 50 GPa and high temperatures and DFT modeling. Phys. Earth Planet. Int. 2018, 281, 31–45. [Google Scholar] [CrossRef]
- Ševčík, R.; Mácová, P. Localized quantification of anhydrous calcium carbonate polymorphs using micro-Raman spectroscopy. Vib. Spectrosc. 2018, 95, 1–6. [Google Scholar] [CrossRef]
- Kontoyannis, C.G.; Vagenas, N.V. Calcium carbonate phase analysis using XRD and FT-Raman spectroscopy. Analyst 2000, 125, 251–255. [Google Scholar] [CrossRef]
- Lutz, H.D.; Eckers, W.; Haeuseler, H. OH stretching frequencies of solid hydroxides and of free OH− ions. J. Mol. Struct. 1982, 80, 221–224. [Google Scholar] [CrossRef]
- Dufresne, W.J.B.; Rufledt, C.J.; Marshall, C.P. Raman spectroscopy of the eight natural carbonate minerals of calcite structure. J. Raman Spectrosc. 2018, 49, 1999–2007. [Google Scholar] [CrossRef]
- Popa, M.; Anastasescu, M.; Gifu, I.C.; Calderon Moreno, J.M. Hydrophobic Carbonate Coatings on Pure Biodegradable Mg by Immersion in Carbonated Water: Formation Mechanism. Appl. Sci. 2022, 12, 11674. [Google Scholar] [CrossRef]
- Jeon, T.; Na, Y.-E.; Jang, D.; Kim, I.W. Stabilized amorphous calcium carbonate as a precursor of microcoating on calcite. Materials 2020, 13, 3762. [Google Scholar] [CrossRef]
- Belguith, H.; Kthiri, F.; Chati, A.; Abu Sofah, A.; Ben Hamida, J.; Ladoulsi, A. Inhibitory effect of aqueous garlic extract (Allium sativum) on some isolated Salmonella serovars. Adv. J. Microbiol. Res. 2015, 4, 328–338. [Google Scholar]
- Ma, R.; Lai, Y.X.; Li, L.; Tan, H.L.; Wang, J.L.; Li, Y.; Qin, L. Bacterial inhibition potential of 3D rapid-prototyped magnesium-based porous composite scaffolds–an in vitro efficacy study. Sci. Rep. 2015, 5, 13775. [Google Scholar] [CrossRef]
















| Disclaimer/Publisher’s Note: The statements, opinions and data contained in all publications are solely those of the individual author(s) and contributor(s) and not of MDPI and/or the editor(s). MDPI and/or the editor(s) disclaim responsibility for any injury to people or property resulting from any ideas, methods, instructions or products referred to in the content. | 
© 2023 by the authors. Licensee MDPI, Basel, Switzerland. This article is an open access article distributed under the terms and conditions of the Creative Commons Attribution (CC BY) license (https://creativecommons.org/licenses/by/4.0/).
Share and Cite
Popa, M.; Anastasescu, M.; Stefan, L.M.; Prelipcean, A.-M.; Calderon Moreno, J. Antibacterial Activity and Cell Viability of Biomimetic Magnesian Calcite Coatings on Biodegradable Mg. J. Funct. Biomater. 2023, 14, 98. https://doi.org/10.3390/jfb14020098
Popa M, Anastasescu M, Stefan LM, Prelipcean A-M, Calderon Moreno J. Antibacterial Activity and Cell Viability of Biomimetic Magnesian Calcite Coatings on Biodegradable Mg. Journal of Functional Biomaterials. 2023; 14(2):98. https://doi.org/10.3390/jfb14020098
Chicago/Turabian StylePopa, Monica, Mihai Anastasescu, Laura M. Stefan, Ana-Maria Prelipcean, and Jose Calderon Moreno. 2023. "Antibacterial Activity and Cell Viability of Biomimetic Magnesian Calcite Coatings on Biodegradable Mg" Journal of Functional Biomaterials 14, no. 2: 98. https://doi.org/10.3390/jfb14020098
APA StylePopa, M., Anastasescu, M., Stefan, L. M., Prelipcean, A.-M., & Calderon Moreno, J. (2023). Antibacterial Activity and Cell Viability of Biomimetic Magnesian Calcite Coatings on Biodegradable Mg. Journal of Functional Biomaterials, 14(2), 98. https://doi.org/10.3390/jfb14020098
 
        



