Robust Stabilization of a Microgrid with Communication Delay and Uncertainties
Abstract
1. Introduction
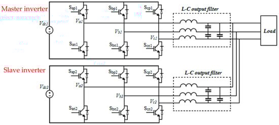
2. The Dynamic Model of the Microgrid
3. The Closed Loop Model with Uncertainty and Time Delay
4. Robust Stability Controller Design
5. Results
6. Conclusions
Author Contributions
Funding
Informed Consent Statement
Acknowledgments
Conflicts of Interest
References
- Prodanovic, M.; Green, T.C.; Mansir, H. A survey of control methods for three-phase inverters in parallel connection. In Proceedings of the 2000 Eighth International Conference on Power Electronics and Variable Speed Drives, London, UK, 18–19 September 2000; pp. 472–477. [Google Scholar] [CrossRef]
- Alfergani, A.; Alfaitori, K.A.; Khalil, A.; Buaossa, N. Control strategies in AC microgrid: A brief review. In Proceedings of the 2018 9th International Renewable Energy Congress (IREC), Hammamet, Tunisia, 20–22 March 2018; pp. 1–6. [Google Scholar]
- Kaviri, S.M.; Pahlevani, M.; Jain, P.; Bakhshai, A. A review of AC microgrid control methods. In Proceedings of the 2017 IEEE 8th International Symposium on Power Electronics for Distributed Generation Systems (PEDG), Florianopolis, Brazil, 17–20 April 2017; pp. 1–8. [Google Scholar] [CrossRef]
- Alfergani, A.; Khalil, A.; Rajab, Z. Networked control of AC microgrid. Sustain. Cities Soc. 2018, 37, 371–387. [Google Scholar] [CrossRef]
- Rajab, Z.; Sassi, Y.; Taher, A.; Khalil, A.; Mohamed, F. A practical seasonal performance evaluation of small wind turbine in urban environment. Wind. Eng. 2019, 43, 344–358. [Google Scholar] [CrossRef]
- Margoum, E.; Krami, N. Design and control strategy of micro-wind turbine based PMSM in AC MicroGrid. In Proceedings of the 2016 17th International Conference on Sciences and Techniques of Automatic Control and Computer Engineering (STA), Sousse, Tunisia, 19–21 December 2016; pp. 575–581. [Google Scholar]
- Khalil, A.; Ateea, K. Modelling and control of photovoltaic-based microgrid. Int. J. Renew. Energy Res. 2015, 5, 826–835. [Google Scholar]
- Khalil, A.; Alfaitori, K.A.; Elbarsha, A. Stability analysis of parallel-inverters in microgrid. In Proceedings of the 2014 20th International Conference on Automation and Computing, Bedfordshire, UK, 12–13 September 2014; pp. 110–115. [Google Scholar]
- Alfergani, A.; Khalil, A. Modeling and control of master-slave microgrid with communication delay. In Proceedings of the 2017 8th International Renewable Energy Congress (IREC), Amman, Jordan, 21–23 March 2017; pp. 1–6. [Google Scholar]
- Khalil, A.; Alfaitori, K.A.; Asheibi, A. Modeling and control of PV/Wind Microgrid. In Proceedings of the 2016 7th International Renewable Energy Congress (IREC), Hammamet, Tunisia, 22–24 March 2016; pp. 1–6. [Google Scholar]
- Lai, J.; Lu, X.; Wang, F.; Dehghanian, P.; Tang, R. Broadcast gossip algorithms for distributed peer-to-peer control in ac microgrids. IEEE Trans. Ind. Appl. 2019, 55, 2241–2251. [Google Scholar] [CrossRef]
- Dou, C.; Yue, D.; Zhang, Z.; Ma, K. MAS-based distributed cooperative control for DC microgrid through switching topology communication network with time-varying delays. IEEE Syst. J. 2017, 13, 615–624. [Google Scholar] [CrossRef]
- Lai, J.; Lu, X.; Yu, X.; Monti, A.; Zhou, H. Distributed voltage regulation for cyber-physical microgrids with coupling delays and slow switching topologies. IEEE Trans. Syst. Man Cybern. Syst. 2019, 50, 100–110. [Google Scholar] [CrossRef]
- Zhang, Z.; Dou, C.; Yue, D.; Zhang, B.; Zhang, T. Photovoltaic voltage regulation through distributed power compensation considering communication delay. Adv. Theory Simul. 2020, 3, 1900148. [Google Scholar] [CrossRef]
- Xu, S.; Sun, H.; Zhang, Z.; Guo, Q.; Zhao, B.; Bi, J.; Zhang, B. MAS-Based Decentralized Coordinated Control Strategy in a Micro-Grid with Multiple Microsources. Energies 2020, 13, 2141. [Google Scholar] [CrossRef]
- Yan, H.; Zhou, X.; Zhang, H.; Yang, F.; Wu, Z.-G. A novel sliding mode estimation for microgrid control with communication time delays. IEEE Trans. Smart Grid 2017, 10, 1509–1520. [Google Scholar] [CrossRef]
- Shrivastava, S.; Subudhi, B.; Das, S. Communication Delay Analysis of Consensus-based Secondary Control of Islanded Microgrid. In Proceedings of the 2018 15th IEEE India Council International Conference (INDICON), Coimbatore, India, 16–18 December 2018; pp. 1–6. [Google Scholar]
- Lai, J.; Lu, X.; Yu, X.; Yao, W.; Wen, J.; Cheng, S. Distributed multi-DER cooperative control for master-slave-organized microgrid networks with limited communication bandwidth. IEEE Trans. Ind. Inform. 2018, 15, 3443–3456. [Google Scholar] [CrossRef]
- Zhang, B.; Zhang, Z.; Liu, L.; Luo, W.; Wu, D.; Dou, C. A Novel Consensus-based Secondary Control Strategy for Isolated Microgrid Facing with Communication Interruption. In Proceedings of the 2018 5th IEEE International Conference on Cloud Computing and Intelligence Systems (CCIS), Nanjing, China, 23–25 November 2018; pp. 1023–1027. [Google Scholar]
- Xie, Y.; Lin, Z. Distributed event-triggered secondary voltage control for microgrids with time delay. IEEE Trans. Syst. Man Cybern. Syst. 2019, 49, 1582–1591. [Google Scholar] [CrossRef]
- Zhijie, L.; Deng, C.; Wen, C.; Guo, F.; Lin, P.; Jiang, W. Distributed Event-Triggered Control for Frequency Restoration and Active Power Allocation in Microgrids with Varying Communication Time Delays. IEEE Trans. Ind. Electron. 2020, 68, 8367–8378. [Google Scholar]
- Shi, M.; Chen, X.; Zhou, J.; Chen, Y.; Wen, J. Frequency Restoration and Oscillation Damping of Distributed VSGs in Microgrid with Low Bandwidth Communication. IEEE Trans. Smart Grid 2020, 12, 1011–1021. [Google Scholar] [CrossRef]
- Cady, S.T.; Zholbaryssov, M.; Domínguez-García, A.D.; Hadjicostis, C.N. A distributed frequency regulation architecture for islanded inertialess ac microgrids. IEEE Trans. Control. Syst. Technol. 2017, 25, 1961–1977. [Google Scholar] [CrossRef]
- Simpson-Porco, J.W.; Shafiee, Q.; Dörfler, F.; Vasquez, J.C.; Guerrero, J.M.; Bullo, F. Secondary frequency and voltage control of islanded microgrids via distributed averaging. IEEE Trans. Ind. Electron. 2015, 62, 7025–7038. [Google Scholar] [CrossRef]
- Li, Z.; Zang, C.; Zeng, P.; Yu, H.; Li, S.; Bian, J. Control of a Grid-Forming Inverter Based on Sliding-Mode and Mixed H2/H∞ Control. IEEE Trans. Ind. Electron. 2016, 64, 3862–3872. [Google Scholar] [CrossRef]
- Dou, C.; Yue, D.; Guerrero, J.M.; Xie, X.; Hu, S. Multiagent system-based distributed coordinated control for radial DC microgrid considering transmission time delays. IEEE Trans. Smart Grid 2016, 8, 2370–2381. [Google Scholar] [CrossRef]
- Bevrani, H.; Feizi, M.R.; Ataee, S. Robust Frequency Control in an Islanded Microgrid: H∞ and µ-Synthesis Approaches. IEEE Trans. Smart Grid 2015, 7, 706–717. [Google Scholar] [CrossRef]
- Dou, C.; Yue, D.; Zhang, Z.; Guerrero, J.M. Hierarchical delay-dependent distributed coordinated control for DC ring-bus microgrids. IEEE Access 2017, 5, 10130–10140. [Google Scholar] [CrossRef]
- Kerdphol, T.; Rahman, F.S.; Watanabe, M.; Mitani, Y. Robust virtual inertia control of a low inertia microgrid considering frequency measurement effects. IEEE Access 2019, 7, 57550–57560. [Google Scholar] [CrossRef]
- Ali, H.; Magdy, G.; Li, B.; Shabib, G.; Elbaset, A.A.; Xu, D.; Mitani, Y. A new frequency control strategy in an islanded microgrid using virtual inertia control-based coefficient diagram method. IEEE Access 2019, 7, 16979–16990. [Google Scholar] [CrossRef]
- Raeispour, M.; Atrianfar, H.; Baghaee, H.R.; Gharehpetian, G.B. Resilient H∞ Consensus-based Control of Autonomous AC Microgrids with Uncertain Time-Delayed Communications. IEEE Trans. Smart Grid 2020, 11, 3871–3884. [Google Scholar] [CrossRef]
- Mahmoud, M.S.; Alyazidi, N.M. Quantized H∞ Estimator Over Communication Networks for Distributed Generation Units. IEEE Trans. Syst. Man, Cybern. Syst. 2017, 50, 1134–1146. [Google Scholar] [CrossRef]
- Wang, T.; Gao, H.; Qiu, J. A combined adaptive neural network and nonlinear model predictive control for multirate networked industrial process control. IEEE Trans. Neural Netw. Learn. Syst. 2015, 27, 416–425. [Google Scholar] [CrossRef] [PubMed]
- Dinh, T.Q.; Ahn, K.K.; Marco, J. A novel robust predictive control system over imperfect networks. IEEE Trans. Ind. Electron. 2016, 64, 1751–1761. [Google Scholar] [CrossRef]
- Wu, B.-F.; Lin, C.-H. Adaptive Neural Predictive Control for Permanent Magnet Synchronous Motor Systems with Long Delay Time. IEEE Access 2019, 7, 108061–108069. [Google Scholar] [CrossRef]
- Tian, Y.-P.; Chun, S.; Chen, G.; Zong, S.; Huang, Y.; Wang, B. Delay Compensation-Based Time Synchronization Under Random Delays: Algorithm and Experiment. IEEE Trans. Control. Syst. Technol. 2021, 29, 80–95. [Google Scholar] [CrossRef]
- Chen, J.; Chen, B.; Zeng, Z. Synchronization in Multiple Neural Networks with Delay via Impulsive Control with Event-Triggered Strategy and Disconnected Switching Topology. IEEE Trans. Ind. Electron. 2021, 68, 2491–2500. [Google Scholar] [CrossRef]
- Qin, J.; Li, F.; Mou, S.; Kang, Y. Multi-timer based event synchronization control for sensor networks and its application. IEEE Trans. Ind. Electron. 2016, 63, 7765–7775. [Google Scholar] [CrossRef]
- Li, N.; Sun, H.; Li, Z.; Zhang, Q. Adaptive semi-periodically intermittent and lag synchronization control of neural networks with mixed delays. IEEE Access 2017, 6, 4742–4749. [Google Scholar] [CrossRef]
- Liu, R.; Cao, X.; Liu, M. Finite-time synchronization control of spacecraft formation with network-induced communication delay. IEEE Access 2017, 5, 27242–27253. [Google Scholar] [CrossRef]
- Zhang, C.; Wang, X.; Unar, S.; Wang, S. Aperiodically intermittent control for synchronization on the delayed bipartite networks with non-delay and delay couplings. IEEE Access 2018, 6, 50939–50949. [Google Scholar] [CrossRef]
- Walker, G. Evaluating MPPT converter topologies using a MATLAB PV model. J. Electr. Electron. Eng. 2001, 21, 49–56. [Google Scholar]
- Heier, S. Grid Integration of Wind Energy: Onshore and Offshore Conversion Systems, 3rd ed.; Wiley: New York, NY, USA, 2014. [Google Scholar]
- Krause, P.C.; Wasynczuk, O.; Sudhoff, S.D.; Pekarek, S. Analysis of Electric Machinery and Drive Systems; Wiley-IEEE Press: New York, NY, USA, 2002. [Google Scholar]
- Wu, M.; He, Y.; She, J.-H. Stability analysis. In Robust Control of Time-Delay Systems; Springer: Berlin, Germany, 2010. [Google Scholar]
- Mirjalili, S.; Mirjalili, S.M.; Lewis, A. Grey wolf optimizer. Adv. Eng. Softw. 2014, 69, 46–61. [Google Scholar] [CrossRef]
- Alfergani, A.; Khalil, A.; Rajab, Z.; Zuheir, M.; Asheibi, A.; Khan, S.; Aboadla, E.H.E.; Azna, K.A.B.; Tohtayong, M. Control of master-slave microgrid based on CAN bus. In Proceedings of the 2017 IEEE Jordan Conference on Applied Electrical Engineering and Computing Technologies (AEECT), Aqaba, Jordan, 11–13 October 2017; pp. 1–6. [Google Scholar]











| The Paramter | Definition |
|---|---|
| id1 and id2 | The direct component of the current of the first and the second inverter |
| iq1 and iq2 | The quadrature component of the current of the first and the second inverter |
| C | The capacitor in the filter |
| L1 and L2 | The inductances of the filters |
| R | The load resistance |
| vd and vq | The direct component and quadrature component of the output voltage |
| Id1, Id2, Iq1, Iq2 Vd, and Vq | The filtered currents and voltages |
| ω | The radian frequency of the system |
| D | The duty ratio |
Disclaimer/Publisher’s Note: The statements, opinions and data contained in all publications are solely those of the individual author(s) and contributor(s) and not of MDPI and/or the editor(s). MDPI and/or the editor(s) disclaim responsibility for any injury to people or property resulting from any ideas, methods, instructions or products referred to in the content. |
© 2023 by the authors. Licensee MDPI, Basel, Switzerland. This article is an open access article distributed under the terms and conditions of the Creative Commons Attribution (CC BY) license (https://creativecommons.org/licenses/by/4.0/).
Share and Cite
Khalil, A.; Alfergani, A.; Shaltami, F.M.; Asheibi, A. Robust Stabilization of a Microgrid with Communication Delay and Uncertainties. Computation 2023, 11, 75. https://doi.org/10.3390/computation11040075
Khalil A, Alfergani A, Shaltami FM, Asheibi A. Robust Stabilization of a Microgrid with Communication Delay and Uncertainties. Computation. 2023; 11(4):75. https://doi.org/10.3390/computation11040075
Chicago/Turabian StyleKhalil, Ashraf, Asma Alfergani, Farhat M. Shaltami, and Ali Asheibi. 2023. "Robust Stabilization of a Microgrid with Communication Delay and Uncertainties" Computation 11, no. 4: 75. https://doi.org/10.3390/computation11040075
APA StyleKhalil, A., Alfergani, A., Shaltami, F. M., & Asheibi, A. (2023). Robust Stabilization of a Microgrid with Communication Delay and Uncertainties. Computation, 11(4), 75. https://doi.org/10.3390/computation11040075

