Design and Implementation of an Immersive Web-Based Digital Twin Steam Turbine System for Industrial Training
Abstract
1. Introduction
2. Related Work
3. Web-Based DT Steam Turbine System Design and Implementation
3.1. Five-Layer DT Steam Turbine System Architecture
3.2. High-Fidelity Equipment Modeling
3.3. Web-Based Immersive and Interactive 3D Model Display
3.4. Algorithm Design and Networked Implementation
3.5. Data-Driven Model Synchronization
4. Case Study in Industrial Training and Application
4.1. Steam Turbine Cognitive Learning
4.2. DEH System Simulation Learning
4.3. Condition Monitoring
5. Conclusions
5.1. Discussion
5.2. Limitations and Future Work
Author Contributions
Funding
Institutional Review Board Statement
Informed Consent Statement
Data Availability Statement
Conflicts of Interest
Abbreviations
| AI | Artificial Intelligence | AR | Augmented Reality |
| DEH | Digital Electro-Hydraulic | DT | Digital Twin |
| FBX | Flexible Body Exchange | GPU | Graphic Processing Unit |
| HTTP | Hyper Text Transfer Protocol | IoT | Internet of Things |
| OPC | Open Platform Communication | RT-LAB | Real-Time Laboratory |
| TCP | Transmission Control Protocol | UA | Unified Architecture |
| UPS | Uninterruptible Power Supply | VR | Virtual Reality |
| WebRTC | Web Real-Time Communication | WebGL | Web Graphics Library |
References
- Ma, S.; Ding, W.; Liu, Y.; Ren, S.; Yang, H. Digital twin and big data-driven sustainable smart manufacturing based on information management systems for energy-intensive industries. Appl. Energy 2022, 326, 119986. [Google Scholar] [CrossRef]
- Chen, J.; Zhang, Y.; Teng, S.; Chen, Y.; Zhang, H.; Wang, F.Y. ACP-Based Energy-Efficient Schemes for Sustainable Intelligent Transportation Systems. IEEE Trans. Intell. Veh. 2023, 8, 3224–3227. [Google Scholar] [CrossRef]
- Moradi, A.; Kavgic, M.; Costanzo, V.; Evola, G. Impact of typical and actual weather years on the energy simulation of buildings with different construction features and under different climates. Energy 2023, 270, 126875. [Google Scholar] [CrossRef]
- Fang, Z. Assessing the impact of renewable energy investment, green technology innovation, and industrialization on sustainable development: A case study of China. Renew. Energ. 2023, 205, 772–782. [Google Scholar] [CrossRef]
- Hassan, Q.; Algburi, S.; Sameen, A.Z.; Salman, H.M.; Jaszczur, M. A review of hybrid renewable energy systems: Solar and wind-powered solutions: Challenges, opportunities, and policy implications. Results Eng. 2023, 20, 101621. [Google Scholar] [CrossRef]
- Sun, J.; Wang, Y.; He, Y.; Cui, W.; Chao, Q.; Shan, B.; Wang, Z.; Yang, X. The energy security risk assessment of inefficient wind and solar resources under carbon neutrality in China. Appl. Energy 2024, 360, 122889. [Google Scholar] [CrossRef]
- Tanuma, T. Advances in Steam Turbines for Modern Power Plants; Woodhead Publishing: Sawston, UK, 2022. [Google Scholar]
- Zhang, H.; Zhang, X.; Yuan, J. Coal power in China: A multi-level perspective review. Wiley Interdiscip. Rev. Energy Environ. 2020, 9, e386. [Google Scholar] [CrossRef]
- Kordestani, M.; Chaibakhsh, A.; Saif, M. SMS-A security management system for steam turbines using a multisensor array. IEEE Syst. J. 2020, 14, 3813–3824. [Google Scholar] [CrossRef]
- Kumar, A.; Sinwar, D.; Kumar, N.; Saini, M. Performance optimization of generator in steam turbine power plants using computational intelligence techniques. J. Eng. Math. 2024, 145, 12. [Google Scholar] [CrossRef]
- Lugaresi, G.; Alba, V.V.; Matta, A. Lab-scale models of manufacturing systems for testing real-time simulation and production control technologies. J. Manuf. Syst. 2021, 58, 93–108. [Google Scholar] [CrossRef]
- de Paula Ferreira, W.; Armellini, F.; De Santa-Eulalia, L.A. Simulation in industry 4.0: A state-of-the-art review. Comput. Ind. Eng. 2020, 149, 106868. [Google Scholar] [CrossRef]
- Tang, A.; Shen, Y.; Xie, Y.; Liu, S. The Design of Cyber-Physical Simulation Platform for Steam Turbine. In Proceedings of the 2021 IEEE/IAS Industrial and Commercial Power System Asia, Chengdu, China, 18–21 July 2021; pp. 777–781. [Google Scholar]
- Zhou, J.; Huang, D.; Zhou, L. Modeling and thermal economy analysis of the coupled system of compressed steam energy storage and Rankine cycle in thermal power plant. Energy 2024, 291, 130309. [Google Scholar] [CrossRef]
- Tao, F.; Qi, Q. Make more digital twins. Nature 2019, 573, 490–491. [Google Scholar] [CrossRef]
- Zhang, J.; Cui, H.; Yang, A.L.; Gu, F.; Shi, C.; Zhang, W.; Niu, S. An intelligent digital twin system for paper manufacturing in the paper industry. Expert Syst. Appl. 2023, 230, 120614. [Google Scholar] [CrossRef]
- Tao, F.; Qi, Q.; Wang, L.; Nee, A. Digital twins and cyber-physical systems toward smart manufacturing and industry 4.0: Correlation and comparison. Engineering 2019, 5, 653–661. [Google Scholar] [CrossRef]
- Guo, Y.; Tang, Q.; Darkwa, J.; Wang, H.; Su, W.; Tang, D.; Mu, J. Multi-objective integrated optimization of geothermal heating system with energy storage using digital twin technology. Appl. Therm. Eng. 2024, 252, 123685. [Google Scholar] [CrossRef]
- Jin, Z.; Liu, J.; Xu, M.; Miao, H.; Song, Z. An enhanced digital twin-driven fault detection and isolation method based on sensor series imaging mechanism for gas turbine engine. Appl. Therm. Eng. 2024, 257, 124308. [Google Scholar] [CrossRef]
- Xiao, H.; Zhou, H.; Hu, W.; Liu, G.P. Design and implementation of an interactive networked condition monitoring strategy for plant-wide production equipment toward Industry 4.0. Expert Syst. Appl. 2024, 254, 124376. [Google Scholar] [CrossRef]
- Lei, Z.; Zhou, H.; Hu, W.; Liu, G.P.; Guan, S.; Feng, X. Toward a web-based digital twin thermal power plant. IEEE Trans. Ind. Inf. 2022, 18, 1716–1725. [Google Scholar] [CrossRef]
- Leng, B.; Gao, S.; Xia, T.; Pan, E.; Seidelmann, J.; Wang, H.; Xi, L. Digital twin monitoring and simulation integrated platform for reconfigurable manufacturing systems. Adv. Eng. Inf. 2023, 58, 102141. [Google Scholar] [CrossRef]
- Schroeder, G.N.; Steinmetz, C.; Rodrigues, R.N.; Henriques, R.V.B.; Rettberg, A.; Pereira, C.E. A methodology for digital twin modeling and deployment for industry 4.0. Proc. IEEE 2021, 109, 556–567. [Google Scholar] [CrossRef]
- Wei, Y.; Hu, T.; Yue, P.; Luo, W.; Ma, S. Study on the construction theory of digital twin mechanism model for mechatronics equipment. Int. J. Adv. Manuf. Technol. 2024, 131, 5383–5401. [Google Scholar] [CrossRef]
- Dai, J.; Tian, L.; Han, T.; Chang, H. Digital Twin for wear degradation of sliding bearing based on PFENN. Adv. Eng. Inf. 2024, 61, 102512. [Google Scholar] [CrossRef]
- Song, J.; Liu, S.; Ma, T.; Sun, Y.; Tao, F.; Bao, J. Resilient digital twin modeling: A transferable approach. Adv. Eng. Inf. 2023, 58, 102148. [Google Scholar] [CrossRef]
- Dang, H.V.; Tatipamula, M.; Nguyen, H.X. Cloud-based digital twinning for structural health monitoring using deep learning. IEEE Trans. Ind. Inf. 2022, 18, 3820–3830. [Google Scholar] [CrossRef]
- Hung, M.H.; Lin, Y.C.; Hsiao, H.C.; Chen, C.C.; Lai, K.C.; Hsieh, Y.M.; Tieng, H.; Tsai, T.H.; Huang, H.C.; Yang, H.C.; et al. A novel implementation framework of digital twins for intelligent manufacturing based on container technology and cloud manufacturing services. IEEE Trans. Autom. Sci. Eng. 2022, 19, 1614–1630. [Google Scholar] [CrossRef]
- Tao, F.; Xiao, B.; Qi, Q.; Cheng, J.; Ji, P. Digital twin modeling. J. Manuf. Syst. 2022, 64, 372–389. [Google Scholar] [CrossRef]
- Jia, W.; Wang, W.; Zhang, Z. From simple digital twin to complex digital twin Part I: A novel modeling method for multi-scale and multi-scenario digital twin. Adv. Eng. Inf. 2022, 53, 101706. [Google Scholar] [CrossRef]
- Loreto, S.; Romano, S.P. Real-Time Communication with WebRTC: Peer-to-Peer in the Browser; O’Reilly Media, Inc.: Sebastopol, CA, USA, 2014. [Google Scholar]











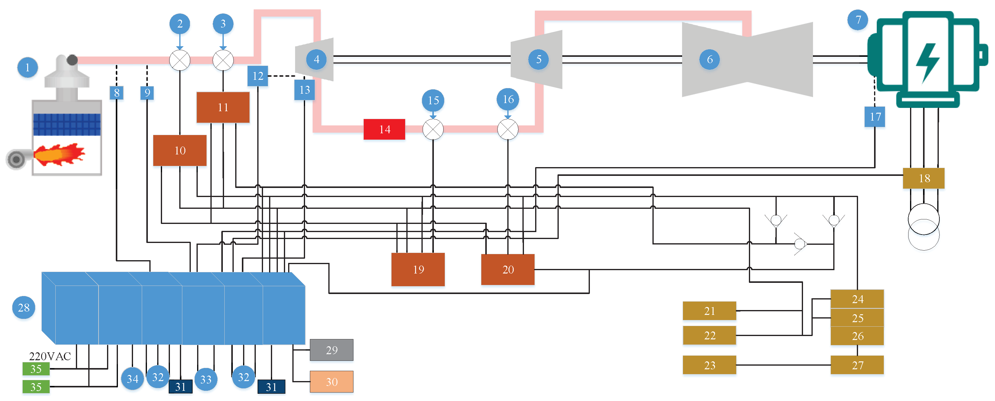
| Number | Description |
|---|---|
| 1 | boiler |
| 2 | high-pressure main valve |
| 3 | high-pressure septum valve |
| 4 | high-pressure cylinder |
| 5 | intermediate-pressure cylinder |
| 6 | low-pressure cylinder |
| 7 | electric generator |
| 8 | main steam temperature sensor |
| 9 | main steam pressure sensor |
| 10 | high-pressure main steam valve actuator |
| 11 | high-pressure septum valve actuator |
| 12 | speed sensor |
| 13 | pressure sensor |
| 14 | reheater |
| 15 | intermediate-pressure main valve |
| 16 | intermediate-pressure septum valve |
| 17 | power sensor |
| 18 | oil switch |
| 19 | intermediate-pressure main valve actuator |
| 20 | intermediate-pressure septum valve actuator |
| 21 | boiler feedwater pump |
| 22 | high-pressure fuel supply system |
| 23 | lubricating oil supply system |
| 24 | high-pressure emergency trip |
| 25 | redundant emergency trip |
| 26 | mechanical overspeed and manual trip |
| 27 | supply lubricating oil |
| 28 | control cabinet |
| 29 | operator station |
| 30 | engineer station |
| 31 | terminal |
| 32 | I/O |
| 33 | basic turbine control |
| 34 | automatic turbine control |
| 35 | UPS |
| Layer Name | Function | Details |
|---|---|---|
| Application Layer | User access | Accessible through a web browser on any web-enabled device. |
| Service Layer | Comprehensive services | Provides web services, streaming media services, and modeling services, achieving resource proxy and load balancing through the Nginx service. |
| Communication Layer | Communication service | Facilitates communication between the Service Layer and lower layers. |
| Edge Layer | Data service | Provides required data to upper layers and stores equipment data from the lower layer. |
| Model Layer | Physical equipment and DT models | Offers physical equipment, DT model simulation, and real-time operation. |
| Description | Value |
|---|---|
| Model Number | N1000-28/600/620 |
| Manufacturer | China DongFang Turbine Co., Ltd., Deyang, China |
| Rated Power | 1000 MW |
| Rated Speed | 3000 r/min |
| Fresh Pressure | 28 MPa |
| Exhaust Pressure | 0.0051 MPa |
| Fresh Temperature | 600 °C |
| Reheat Temperature | 620 °C |
| Governing System | DEH |
| ID | Name | Unit |
|---|---|---|
| 1 | turbine main steam temperature | °C |
| 2 | turbine exhaust pressure | MPa |
| 3 | turbine extraction pressure | MPa |
| 4 | steam pressure before extraction and admission valve | MPa |
| 5 | steam pressure before exhaust and admission valve | MPa |
| 6 | steam inlet capacity | t/h |
| 7 | steam extraction capacity | t/h |
| 8 | desuperheater exhaust flow | t/h |
| 9 | desuperheater cooling water flow | t/h |
| 10 | steam temperature in front of isolation door | °C |
| 11 | steam turbine extraction temperature | °C |
| 12 | steam turbine exhaust temperature | °C |
| 13 | turbine front bearing amplitude | m |
| 14 | turbine rear bearing amplitude | m |
| 15 | generator front bearing bush amplitude | m |
| 16 | generator rear bearing bush amplitude | m |
| 17 | turbine front bearing temperature | °C |
| 18 | turbine rear bearing temperature | °C |
| 19 | generator front bearing temperature | °C |
| 20 | generator rear bearing temperature | °C |
| 21 | thermal expansion | mm |
| 22 | rotor shaft displacement | m |
Disclaimer/Publisher’s Note: The statements, opinions and data contained in all publications are solely those of the individual author(s) and contributor(s) and not of MDPI and/or the editor(s). MDPI and/or the editor(s) disclaim responsibility for any injury to people or property resulting from any ideas, methods, instructions or products referred to in the content. |
© 2024 by the authors. Licensee MDPI, Basel, Switzerland. This article is an open access article distributed under the terms and conditions of the Creative Commons Attribution (CC BY) license (https://creativecommons.org/licenses/by/4.0/).
Share and Cite
Li, Z.; Xiao, H.; Wang, B.; Dong, X.; Shen, L.; Di, X.; Du, X. Design and Implementation of an Immersive Web-Based Digital Twin Steam Turbine System for Industrial Training. Information 2024, 15, 800. https://doi.org/10.3390/info15120800
Li Z, Xiao H, Wang B, Dong X, Shen L, Di X, Du X. Design and Implementation of an Immersive Web-Based Digital Twin Steam Turbine System for Industrial Training. Information. 2024; 15(12):800. https://doi.org/10.3390/info15120800
Chicago/Turabian StyleLi, Zhe, Hui Xiao, Bo Wang, Xuzhu Dong, Lianteng Shen, Xiaomeng Di, and Xiaodong Du. 2024. "Design and Implementation of an Immersive Web-Based Digital Twin Steam Turbine System for Industrial Training" Information 15, no. 12: 800. https://doi.org/10.3390/info15120800
APA StyleLi, Z., Xiao, H., Wang, B., Dong, X., Shen, L., Di, X., & Du, X. (2024). Design and Implementation of an Immersive Web-Based Digital Twin Steam Turbine System for Industrial Training. Information, 15(12), 800. https://doi.org/10.3390/info15120800

