Numerical Study of Discharge Coefficients for Side-Damaged Compartments
Abstract
1. Introduction
2. Computational Principles and Numerical Modeling
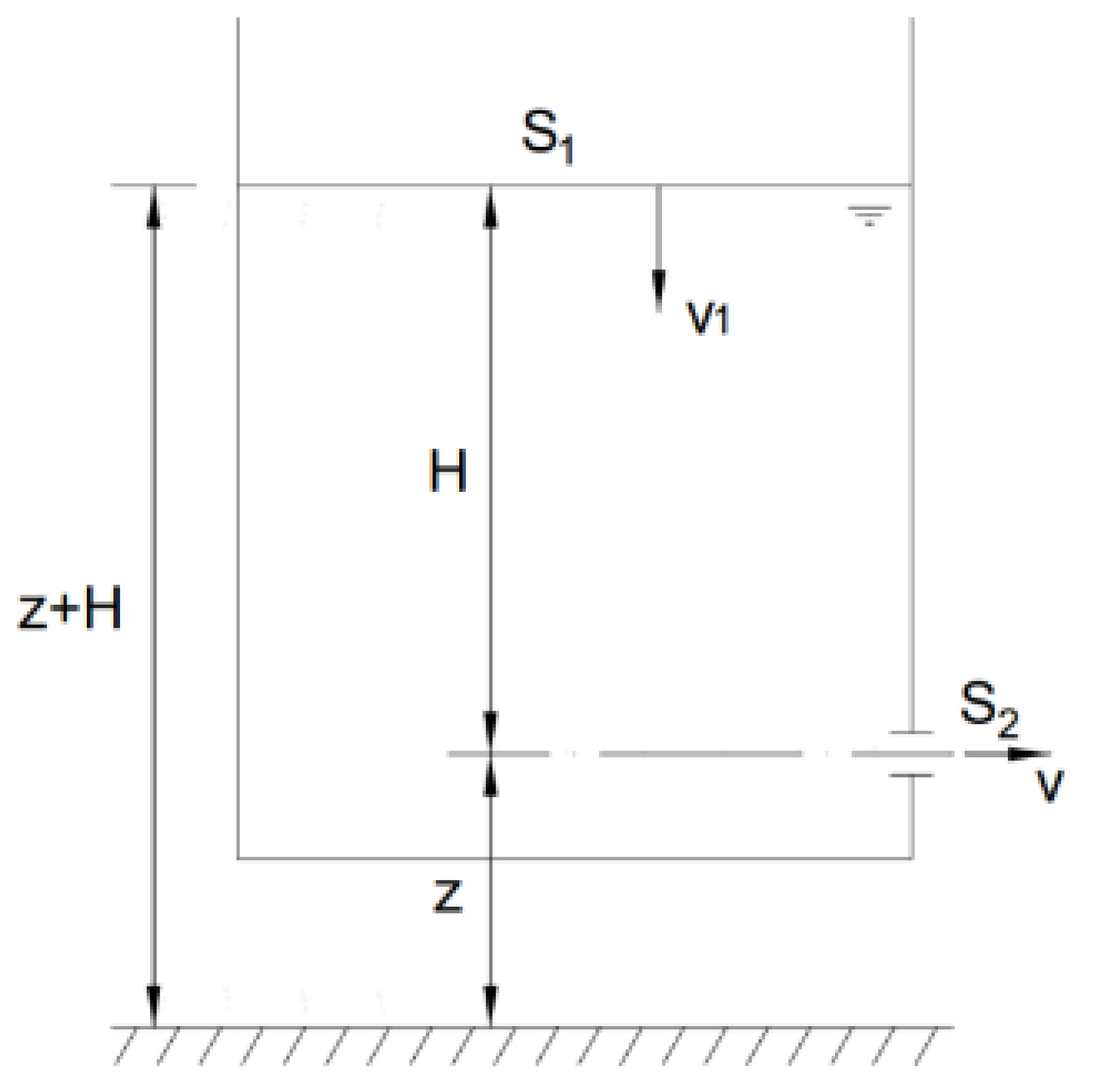
2.1. Principle of Discharge Coefficient Calculation
- (1)
- Averaging:
- (2)
- Integral method:
2.2. Control Equations
2.3. Turbulence Modeling
2.4. Free Level Treatment
3. Simplified Modeling and Design of Working Conditions
3.1. Basic Model
- The breakthrough surface is vertical or nearly vertical to the horizontal plane, in line with the typical characteristics of the ship-side shell plate arrangement.
- The breakthrough is completely located below the water line, enabling the seawater to pass through the entire breakthrough into the cabin.
- The size of the damaged opening should not be too small or too large because the unsuitable damaged opening size makes the study lose its practical significance.
- The damaged opening chamber must be open and spacious to avoid the impact of the jet stream on the bulkheads or other structures on the calculation.
3.2. Simplified Model
3.3. Design of Working Conditions
4. Numerical Simulation Points
Boundary Condition Settings and Post-Processing
5. Mesh Division and Irrelevance Test
6. Simulation
7. Analysis of Results and Summarization of Patterns
7.1. Influence of the Feature Size and Central Depth of Damaged Openings on Inlet Discharge Coefficients
7.2. Influence of Shape and Area of Damaged Openings on Inlet Discharge Coefficients
7.3. Fitting Empirical Equations for Discharge Coefficients
8. Conclusions
- The calculations determined the patterns of influence that the central depth, characteristic dimensions, and shapes of the damaged openings have on the discharge coefficient of water ingress through a ship’s side damaged by anti-ship weapons. Regarding the central depth of the damaged opening, within the water depth range of 1 m to 3 m, the influence of water depth on the discharge coefficient is minimal, with a maximum difference of only 0.003 (about 0.5%). But from the perspective of the damaged opening’s characteristic dimensions and shapes, the variations in discharge coefficients are more pronounced. Overall, the triangular-damaged opening has a higher coefficient than the circular-damaged opening, which in turn is higher than that of the square-damaged opening; the coefficient decreases as the size of the damaged opening increases.
- Based on the results of the numerical calculations, two sets of semi-empirical formulas for the discharge coefficient of ship-side damage are provided using the Π theorem and polynomial fitting method, respectively; the fitting effects are good. These formulas can serve as a reference for determining discharge coefficients in the time-domain simulation of ship-damaged opening scenarios using the quasi-static method and for the expedited evaluation of buoyancy stability.
Author Contributions
Funding
Institutional Review Board Statement
Informed Consent Statement
Data Availability Statement
Conflicts of Interest
References
- Xia, G.; Yang, D. Naval Hydrodynamics; Huazhong University of Science and Technology Press: Wuhan, China, 2018. [Google Scholar]
- Ruponen, P. Progressive Flooding of a Damaged Passenger Ship. Ph.D. Dissertation, Helsinki University of Technology, Department of Mechanical EnginBering, Helsinki, Finland, 2007. [Google Scholar]
- Ruponen, P. Adaptive time step in simulation of progressive flooding. Ocean. Eng. 2014, 78, 35–44. [Google Scholar] [CrossRef]
- Dracos, V.; Osman, T.; Maciej, P. Dynamic Stability Assessment of Damaged Passenger/Ro-Ro Ships and Proposal of Rational Survival Criteria. Mar. Technol. 1997, 34, 241–266. [Google Scholar]
- Ruponen, P. Model Tests for the Progressive Flooding of a Boxed-Shaped Barge; Helsinki University of Technology: Helsinki, Finland, 2006. [Google Scholar]
- Ruponen, P.; Sundell, T.; Larmela, M. Validation of a simulation method for progressive flooding. Int. Shipbuild. Prog. 2007, 54, 305–321. [Google Scholar]
- Ruponen, P.; Kurvinen, P.; Saisto, I.; Harras, J. Experimental and numerical study on progressive flooding in full-scale. Int. J. Marit. Eng. 2010, 152, A197–A208. [Google Scholar]
- Stening, M.; Jarvela, J.; Ruponen, P.; Jalonen, R. Determination of Discharge Coefficients for a Cross-flooding Duct. Ocean. Eng. 2011, 38, 570–578. [Google Scholar] [CrossRef]
- Li, Y.; Sobey, A.J.; Tan, M. Investigation into the effects of petalling on coefficient of discharge during compartment flooding. J. Fluids Struct. 2014, 45, 66–78. [Google Scholar] [CrossRef]
- Wang, X.; Li, A.; Sobey, A.J.; Tan, M. Investigation into the effects of two immiscible fluids on coefficient of discharge during Compartment Flooding. Ocean. Eng. 2016, 111, 254–266. [Google Scholar] [CrossRef]
- Li, A.; Jin, L.; Tian, A.; Han, Y. Simulation of Warship’s Crevasse Flow Coeffcient. Ship Sci. Technol. 2010, 4, 105–108. [Google Scholar]
- Li, Y. On the Flow Process of the Damaged Ship Based on the CFD Simulation; Harbin Engineering University: Harbin, China, 2016. [Google Scholar]
- Li, Y.; Duan, W.; Jin, Y.; Guan, C.; Wen, Y. Flooding Process of Damaged Ship Based on CFD. Shipbuild. China 2016, 6, 149–163. [Google Scholar]
- Zhang, S.; Gu, J.; Wu, J.; Chen, Z. CFD Simulation of Coefficient of Discharge. Ship Sci. Technol. 2019, 10, 59–62. [Google Scholar]
- Xue, W.; Gao, Z.; Xu, S. Numerical Study on Attitude and Resistance of a Side-Damaged Ship during Steady Flooding. J. Mar. Sci. Eng. 2022, 10, 1440. [Google Scholar] [CrossRef]
- Wei, K.; Gao, X.; Ma, P. Study of discharge coefficient of Square Water Hole Based on CFD. J. Nav. Univ. Eng. 2022, 2, 43–48. [Google Scholar]
- Wei, K.; Gao, X.; Ma, P. Analysis of Overflow Characteristics of Circular Water Hole of Submarine. Ship Sci. Technol. 2022, 7, 12–17. [Google Scholar]
- Hu, R.; Zhang, T.; Lu, Y.; Xu, C. Study on Discharge Coefficients of Drain Orifices in Closed Cavities. Appl. Math. Mech. 2023, 1, 61–69. [Google Scholar]
- Li, J.; Zhao, Z. Hydraulics; Hohai University Press: Nanjing, China, 2001. [Google Scholar]






















| Main Guns | Torpedoes | Anti-Ship Missiles | |||
|---|---|---|---|---|---|
| Ship Classification | Caliber (mm) | Type | Caliber (mm) | Type | Caliber (mm) |
| Arleigh Burke | 127 | MK48 | 533 | AGM-109 | 520 |
| Ticonderoga | 127 | Sailfish | 533 | Hsiung Feng III | 460 |
| Sejong Daewang | 127 | Varunastra | 533 | AGM-84 | 340 |
| Chilung | 127 | MK46 | 324 | Type 12 | 350 |
| Murasame | 76 | MU-90 | 324 | P-J10 | 670 |
| Type | Size (m) | Number in Different Depth of Damaged Opening Center | ||||
|---|---|---|---|---|---|---|
| 1.0 m | 1.5 m | 2.0 m | 2.5 m | 3.0 m | ||
| Circular | 0.1 | No. 1 | No. 11 | No. 21 | No. 31 | No. 41 |
| Circular | 0.2 | No. 2 | No. 12 | No. 22 | No. 32 | No. 42 |
| Circular | 0.3 | No. 3 | No. 13 | No. 23 | No. 33 | No. 43 |
| Circular | …… | …… | …… | …… | …… | …… |
| Circular | 1.0 | No. 10 | No. 20 | No. 30 | No. 40 | No. 50 |
| Square | 0.1 | No. 51 | No. 61 | No. 71 | No. 81 | No. 91 |
| Square | 0.2 | No. 52 | No. 62 | No. 72 | No. 82 | No. 92 |
| Square | 0.3 | No. 53 | No. 63 | No. 73 | No. 83 | No. 93 |
| Square | …… | …… | …… | …… | …… | …… |
| Square | 1.0 | No. 60 | No. 70 | No. 80 | No. 90 | No. 100 |
| Triangular | 0.1 | No. 101 | No. 111 | No. 121 | No. 131 | No. 141 |
| Triangular | 0.2 | No. 102 | No. 112 | No. 122 | No. 132 | No. 142 |
| Triangular | 0.3 | No. 103 | No. 113 | No. 123 | No. 133 | No. 143 |
| Triangular | …… | …… | …… | …… | …… | …… |
| Triangular | 1.0 | No. 110 | No. 120 | No. 130 | No. 140 | No. 150 |
| Feature Size (m) | 0.1 | 0.2 | 0.3 | 0.4 | 0.5 | 0.6 | 0.7 | 0.8 | 0.9 | 1 | |
|---|---|---|---|---|---|---|---|---|---|---|---|
| A = 5% | Absolute value of target surface size/mm | 5 | 10 | 15 | 20 | 25 | 30 | 35 | 40 | 45 | 50 |
| mesh count | 750k | 720k | 700k | 700k | 690k | 690k | 690k | 690k | 690k | 690k | |
| A = 1% | Absolute value of target surface size/mm | 1 | 2 | 3 | 4 | 5 | 6 | 7 | 8 | 9 | 1 |
| mesh count | 920k | 890k | 820k | 850k | 890k | 790k | 800k | 810k | 830k | 840k | |
| A = 0.5% | Absolute value of target surface size/mm | 0.5 | 1 | 1.5 | 2 | 2.5 | 3 | 3.5 | 4 | 4.5 | 5 |
| mesh count | 1150k | 1100k | 970k | 1050k | 1140k | 930k | 970k | 1000k | 1040k | 1090k | |
| A = 0.1% | Absolute value of target surface size/mm | 0.1 | 0.2 | 0.3 | 0.4 | 0.5 | 0.6 | 0.7 | 0.8 | 0.9 | 1 |
| mesh count | 3490k | 2900k | 3850k | 2510k | 2940k | 3310k | 2120k | 2310k | 2510k | 2730k | |
| A = 0.05% | Absolute value of target surface size/mm | 0.05 | 0.1 | 0.15 | 0.2 | 0.25 | 0.3 | 0.35 | 0.4 | 0.45 | 05 |
| mesh count | 8150k | 6010k | 8830k | 4990k | 6200k | 7140k | 3900k | 4280k | 4800k | 5280k | |
| Condition | Total Number of Divided Meshes | Percentage of Better Quality Meshes |
|---|---|---|
| 1 | 3,699,176 | 99.537% |
| 75 | 3,313,313 | 99.909% |
| 150 | 2,728,580 | 99.768% |
| No. | Characteristic Size of the Damaged Opening (m) | t = 0.02 s | t = 0.01 s | t = 0.005 s | |||
|---|---|---|---|---|---|---|---|
| Mass Flow (kg/s) | Cd | Mass Flow (kg/s) | Cd | Mass Flow (kg/s) | Cd | ||
| 1 | 0.1 | 12.0625 | 0.631 | 11.7499 | 0.614 | 11.7493 | 0.614 |
| 2 | 0.2 | 47.4681 | 0.621 | 47.4725 | 0.621 | 47.4775 | 0.621 |
| 3 | 0.3 | 106.887 | 0.621 | 107.049 | 0.622 | 107.038 | 0.622 |
| 4 | 0.4 | 190.75 | 0.623 | 190.705 | 0.623 | 190.726 | 0.623 |
| 5 | 0.5 | 298.143 | 0.624 | 298.068 | 0.623 | 298.043 | 0.623 |
| 6 | 0.6 | 429.153 | 0.623 | 428.857 | 0.623 | 428.832 | 0.623 |
| 7 | 0.7 | 581.992 | 0.621 | 581.018 | 0.620 | 581.016 | 0.620 |
| 8 | 0.8 | 757.61 | 0.619 | 757.265 | 0.619 | 757.531 | 0.619 |
| 9 | 0.9 | 956.957 | 0.618 | 956.298 | 0.617 | 956.265 | 0.617 |
| 10 | 1.0 | 1178.24 | 0.616 | 1176.44 | 0.615 | 1176.29 | 0.615 |
| Feature Size (m) | Central Depth = 1 m | Central Depth = 1.5 m | Central Depth = 2 m | Central Depth = 2.5 m | Central Depth = 3 m | |||||
|---|---|---|---|---|---|---|---|---|---|---|
| Mass Flow (kg/s) | Cd | Mass Flow (kg/s) | Cd | Mass Flow (kg/s) | Cd | Mass Flow (kg/s) | Cd | Mass Flow (kg/s) | Cd | |
| 0.1 | 21.0423 | 0.607 | 25.7237 | 0.606 | 29.6843 | 0.605 | 33.1695 | 0.605 | 36.3102 | 0.604 |
| 0.2 | 84.9736 | 0.612 | 104.002 | 0.612 | 120.019 | 0.612 | 134.113 | 0.611 | 146.833 | 0.611 |
| 0.3 | 191.866 | 0.615 | 234.961 | 0.615 | 271.194 | 0.614 | 303.076 | 0.614 | 331.845 | 0.614 |
| 0.4 | 340.639 | 0.614 | 417.515 | 0.614 | 482.060 | 0.614 | 538.815 | 0.614 | 590.004 | 0.614 |
| 0.5 | 531.413 | 0.613 | 652.102 | 0.614 | 753.108 | 0.614 | 841.911 | 0.614 | 921.874 | 0.614 |
| 0.6 | 762.600 | 0.611 | 937.116 | 0.613 | 1082.85 | 0.613 | 1210.43 | 0.613 | 1325.47 | 0.613 |
| 0.7 | 1029.91 | 0.606 | 1267.53 | 0.609 | 1465.09 | 0.61 | 1638.22 | 0.61 | 1793.45 | 0.609 |
| 0.8 | 1337.63 | 0.603 | 1649.34 | 0.607 | 1907.15 | 0.608 | 2132.20 | 0.607 | 2334.33 | 0.607 |
| 0.9 | 1681.33 | 0.598 | 2077.22 | 0.604 | 2402.71 | 0.605 | 2686.44 | 0.605 | 2940.79 | 0.604 |
| 1 | 2042.68 | 0.589 | 2549.51 | 0.6 | 2949.95 | 0.601 | 3298.05 | 0.601 | 3609.84 | 0.601 |
| Feature Size (m) | Central Depth = 1 m | Central Depth = 1.5 m | Central Depth = 2 m | Central Depth = 2.5 m | Central Depth = 3 m | |||||
|---|---|---|---|---|---|---|---|---|---|---|
| Mass Flow (kg/s) | Cd | Mass Flow (kg/s) | Cd | Mass Flow (kg/s) | Cd | Mass Flow (kg/s) | Cd | Mass Flow (kg/s) | Cd | |
| 0.1 | 27.0993 | 0.614 | 33.1543 | 0.613 | 38.2832 | 0.613 | 42.7587 | 0.612 | 46.8080 | 0.612 |
| 0.2 | 109.280 | 0.619 | 133.767 | 0.618 | 154.410 | 0.618 | 172.566 | 0.618 | 188.909 | 0.617 |
| 0.3 | 246.704 | 0.621 | 302.272 | 0.621 | 349.012 | 0.621 | 390.068 | 0.621 | 427.234 | 0.621 |
| 0.4 | 437.600 | 0.619 | 536.720 | 0.620 | 619.837 | 0.620 | 693.003 | 0.620 | 758.784 | 0.620 |
| 0.5 | 682.197 | 0.618 | 837.909 | 0.620 | 968.037 | 0.620 | 1082.39 | 0.620 | 1185.02 | 0.620 |
| 0.6 | 977.003 | 0.615 | 1202.27 | 0.617 | 1389.44 | 0.618 | 1553.49 | 0.618 | 1700.87 | 0.618 |
| 0.7 | 1316.88 | 0.609 | 1623.77 | 0.613 | 1877.54 | 0.614 | 2100.19 | 0.614 | 2299.20 | 0.613 |
| 0.8 | 1709.89 | 0.605 | 2113.09 | 0.610 | 2444.56 | 0.612 | 2733.25 | 0.616 | 2991.76 | 0.611 |
| 0.9 | 2142.21 | 0.599 | 2655.29 | 0.606 | 3073.29 | 0.607 | 3435.82 | 0.607 | 3760.66 | 0.607 |
| 1 | 2616.39 | 0.592 | 3253.41 | 0.601 | 3766.78 | 0.603 | 4211.06 | 0.603 | 4608.45 | 0.602 |
| Feature Size (m) | Central Depth = 1 m | Central Depth = 1.5 m | Central Depth = 2 m | Central Depth = 2.5 m | Central Depth = 3 m | |||||
|---|---|---|---|---|---|---|---|---|---|---|
| Mass Flow (kg/s) | Cd | Mass Flow (kg/s) | Cd | Mass Flow (kg/s) | Cd | Mass Flow (kg/s) | Cd | Mass Flow (kg/s) | Cd | |
| 0.1 | 11.7499 | 0.614 | 1176.44 | 0.614 | 16.5797 | 0.613 | 18.5307 | 0.613 | 20.2856 | 0.613 |
| 0.2 | 47.4725 | 0.621 | 14.3713 | 0.620 | 67.0424 | 0.620 | 74.9126 | 0.619 | 82.0587 | 0.619 |
| 0.3 | 107.049 | 0.622 | 58.0955 | 0.622 | 151.219 | 0.621 | 168.908 | 0.621 | 184.936 | 0.620 |
| 0.4 | 190.705 | 0.623 | 131.047 | 0.623 | 269.551 | 0.623 | 301.280 | 0.623 | 329.866 | 0.622 |
| 0.5 | 298.068 | 0.624 | 233.539 | 0.624 | 421.496 | 0.623 | 471.291 | 0.624 | 515.780 | 0.623 |
| 0.6 | 428.857 | 0.623 | 365.076 | 0.624 | 606.969 | 0.623 | 678.444 | 0.623 | 742.886 | 0.623 |
| 0.7 | 581.018 | 0.620 | 525.731 | 0.621 | 822.979 | 0.621 | 920.329 | 0.621 | 1007.48 | 0.621 |
| 0.8 | 757.265 | 0.619 | 712.717 | 0.620 | 1074.34 | 0.621 | 1201.32 | 0.621 | 1315.01 | 0.620 |
| 0.9 | 956.298 | 0.617 | 929.729 | 0.620 | 1358.08 | 0.620 | 1518.17 | 0.620 | 1661.83 | 0.619 |
| 1 | 1176.44 | 0.615 | 1175.69 | 0.618 | 1672.80 | 0.619 | 1870.24 | 0.619 | 2046.65 | 0.618 |
| Feature Size (m) | Central Depth = 1 m | Central Depth = 1.5 m | Central Depth = 2 m | Central Depth = 2.5 m | Central Depth = 3 m | |||||
|---|---|---|---|---|---|---|---|---|---|---|
| Cd | Δ | Cd | Δ | Cd | Δ | Cd | Δ | Cd | Δ | |
| 0.1 | 0.608 | 0.001 | 0.608 | 0.002 | 0.608 | 0.003 | 0.608 | 0.003 | 0.610 | 0.006 |
| 0.2 | 0.611 | −0.001 | 0.612 | 0.000 | 0.612 | 0.000 | 0.611 | 0.000 | 0.609 | −0.002 |
| 0.3 | 0.612 | −0.003 | 0.613 | −0.002 | 0.614 | 0.000 | 0.615 | 0.001 | 0.615 | 0.001 |
| 0.4 | 0.611 | −0.003 | 0.613 | −0.001 | 0.614 | 0.000 | 0.616 | 0.002 | 0.617 | 0.003 |
| 0.5 | 0.610 | −0.003 | 0.611 | −0.003 | 0.613 | −0.001 | 0.614 | 0.000 | 0.616 | 0.002 |
| 0.6 | 0.609 | −0.002 | 0.609 | −0.004 | 0.611 | −0.002 | 0.612 | −0.001 | 0.614 | 0.001 |
| 0.7 | 0.607 | 0.001 | 0.607 | −0.002 | 0.608 | −0.002 | 0.610 | 0.000 | 0.611 | 0.002 |
| 0.8 | 0.605 | 0.002 | 0.604 | −0.003 | 0.605 | −0.003 | 0.606 | −0.001 | 0.608 | 0.001 |
| 0.9 | 0.603 | 0.005 | 0.602 | −0.002 | 0.602 | −0.003 | 0.603 | −0.002 | 0.605 | 0.001 |
| 1 | 0.600 | 0.011 | 0.599 | −0.001 | 0.599 | −0.002 | 0.600 | −0.001 | 0.603 | 0.002 |
| Feature Size (m) | Central Depth = 1 m | Central Depth = 1.5 m | Central Depth = 2 m | Central Depth = 2.5 m | Central Depth = 3 m | |||||
|---|---|---|---|---|---|---|---|---|---|---|
| Cd | Δ | Cd | Δ | Cd | Δ | Cd | Δ | Cd | Δ | |
| 0.1 | 0.614 | 0.000 | 0.613 | 0.000 | 0.613 | 0.000 | 0.612 | 0.000 | 0.611 | −0.001 |
| 0.2 | 0.616 | −0.003 | 0.617 | −0.001 | 0.618 | 0.000 | 0.618 | 0.000 | 0.616 | −0.001 |
| 0.3 | 0.617 | −0.004 | 0.618 | −0.003 | 0.619 | −0.002 | 0.621 | 0.000 | 0.621 | 0.000 |
| 0.4 | 0.616 | −0.003 | 0.617 | −0.003 | 0.619 | −0.001 | 0.620 | 0.000 | 0.621 | 0.001 |
| 0.5 | 0.614 | −0.004 | 0.615 | −0.005 | 0.617 | −0.003 | 0.618 | −0.002 | 0.620 | 0.000 |
| 0.6 | 0.612 | −0.003 | 0.613 | −0.004 | 0.614 | −0.004 | 0.615 | −0.003 | 0.617 | −0.001 |
| 0.7 | 0.610 | 0.001 | 0.610 | −0.003 | 0.610 | −0.004 | 0.612 | −0.002 | 0.614 | 0.001 |
| 0.8 | 0.608 | 0.003 | 0.607 | −0.003 | 0.607 | −0.005 | 0.608 | −0.008 | 0.610 | −0.001 |
| 0.9 | 0.605 | 0.006 | 0.603 | −0.003 | 0.604 | −0.003 | 0.605 | −0.002 | 0.607 | 0.000 |
| 1 | 0.602 | 0.010 | 0.600 | −0.001 | 0.600 | −0.003 | 0.602 | −0.001 | 0.605 | 0.003 |
| Feature Size (m) | Central Depth = 1 m | Central Depth = 1.5 m | Central Depth = 2 m | Central Depth = 2.5 m | Central Depth = 3 m | |||||
|---|---|---|---|---|---|---|---|---|---|---|
| Cd | Δ | Cd | Δ | Cd | Δ | Cd | Δ | Cd | Δ | |
| 0.1 | 0.618 | 0.004 | 0.620 | 0.006 | 0.625 | 0.012 | 0.635 | 0.022 | 0.653 | 0.040 |
| 0.2 | 0.621 | 0.000 | 0.621 | 0.001 | 0.620 | 0.000 | 0.619 | 0.000 | 0.616 | −0.003 |
| 0.3 | 0.622 | 0.000 | 0.623 | 0.001 | 0.624 | 0.003 | 0.623 | 0.002 | 0.622 | 0.002 |
| 0.4 | 0.623 | 0.000 | 0.624 | 0.001 | 0.625 | 0.002 | 0.626 | 0.003 | 0.626 | 0.004 |
| 0.5 | 0.622 | −0.002 | 0.624 | 0.000 | 0.625 | 0.002 | 0.627 | 0.003 | 0.627 | 0.004 |
| 0.6 | 0.622 | −0.001 | 0.623 | −0.001 | 0.625 | 0.002 | 0.626 | 0.003 | 0.628 | 0.005 |
| 0.7 | 0.621 | 0.001 | 0.622 | 0.001 | 0.624 | 0.003 | 0.625 | 0.004 | 0.627 | 0.006 |
| 0.8 | 0.620 | 0.001 | 0.621 | 0.001 | 0.622 | 0.001 | 0.623 | 0.002 | 0.625 | 0.005 |
| 0.9 | 0.618 | 0.001 | 0.619 | −0.001 | 0.620 | 0.000 | 0.621 | 0.001 | 0.623 | 0.004 |
| 1 | 0.617 | 0.002 | 0.617 | −0.001 | 0.618 | −0.001 | 0.619 | 0.000 | 0.621 | 0.003 |
Disclaimer/Publisher’s Note: The statements, opinions and data contained in all publications are solely those of the individual author(s) and contributor(s) and not of MDPI and/or the editor(s). MDPI and/or the editor(s) disclaim responsibility for any injury to people or property resulting from any ideas, methods, instructions or products referred to in the content. |
© 2024 by the authors. Licensee MDPI, Basel, Switzerland. This article is an open access article distributed under the terms and conditions of the Creative Commons Attribution (CC BY) license (https://creativecommons.org/licenses/by/4.0/).
Share and Cite
Tian, S.; Peng, F.; Wang, Z.; Li, J. Numerical Study of Discharge Coefficients for Side-Damaged Compartments. J. Mar. Sci. Eng. 2024, 12, 1502. https://doi.org/10.3390/jmse12091502
Tian S, Peng F, Wang Z, Li J. Numerical Study of Discharge Coefficients for Side-Damaged Compartments. Journal of Marine Science and Engineering. 2024; 12(9):1502. https://doi.org/10.3390/jmse12091502
Chicago/Turabian StyleTian, Siwen, Fei Peng, Zhanzhi Wang, and Jingda Li. 2024. "Numerical Study of Discharge Coefficients for Side-Damaged Compartments" Journal of Marine Science and Engineering 12, no. 9: 1502. https://doi.org/10.3390/jmse12091502
APA StyleTian, S., Peng, F., Wang, Z., & Li, J. (2024). Numerical Study of Discharge Coefficients for Side-Damaged Compartments. Journal of Marine Science and Engineering, 12(9), 1502. https://doi.org/10.3390/jmse12091502

