Development of Hardware-in-the-Loop Simulation Test Bed to Verify and Validate Power Management System for LNG Carriers
Abstract
1. Introduction
2. Concepts and Methods
2.1. Vessel’s Power Management System
2.2. Hardware-in-the-Loop Simulation (HILS) for LNGC
3. LNGC HILS Modeling
3.1. Specification of PMS Physical Modeling
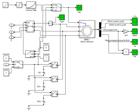
3.2. Physical Modeling of Power Generation
3.3. Physical Modeling of Power Consumsion
4. Design and Development of PMS HILS Test Bed
4.1. Design of PMS-HIL Simulator
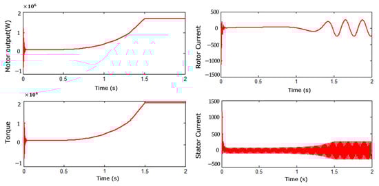
4.2. PMS-HIL Test Results
4.2.1. Load-Sharing Test
4.2.2. Load-Dependent Start Test
4.2.3. Blackout Prevention Test
4.2.4. Preferential Trip Test
- (1)
- The load power exceeds 100% for each time delay (Table 4).
- (2)
- The bus frequency is very low (frequency < 57.5 Hz for 5 s)
- (3)
- Any circuit breaker trip of the generator when two or three generators are online.
- (4)
- <Bow thruster pitch reduction> is activated when any generator fails in parallel running.
5. Conclusions
- (1)
- The proposed HILS platform employs genuine equipment data from the marine industry to create a realistic LNGC environment.
- (2)
- The system establishes bidirectional communication between the SCC and MSBD using OPC server/client technology via Ethernet communication.
- (3)
- The HILS system includes an Internet-based monitoring feature for convenient remote monitoring.
- (4)
- The main elements of the LNG vessel were simulated using MathWorks software to perform HILS.
- (5)
- The power generation model was composed of two turbo generators (TGs), a diesel generator (DG), and governor.
- (6)
- The power consumption model included bow thrusters, cargo pumps, ballast water pumps, and lumped loads, which are primarily utilized in the LNGC.
- (7)
- The system was validated and tested to perform load-sharing, load-dependent start, blackout, and preferential trip tests using the proposed HIL test bed.
- (8)
- The evaluation of the proposed system demonstrated its significant potential for the commissioning of the PMS.
Funding
Institutional Review Board Statement
Informed Consent Statement
Data Availability Statement
Acknowledgments
Conflicts of Interest
Abbreviations
| ABS | American Bureau of Shipping |
| AVR | automatic voltage regulator |
| SCC | simulation control console |
| C.TK | cargo tank |
| DNV | Det Norske Veritas |
| DP | dynamic positioning |
| ECR | engine control room |
| ECU | electronic control unit |
| FAT | factory acceptance test |
| EMS | energy management system |
| FDD | functional decomposition diagram |
| FPGA | field-programmable gate array |
| HHP | high holding power |
| HIL | hardware-in-the-loop |
| HMI | human–machine interface |
| HUT | hardware under test |
| HV | high-voltage |
| IMCA | International Marine Contractors Association |
| LNGC | liquefied natural gas carrier |
| LV | low-voltage |
| MCU | main control unit |
| MSBD | main switchboard |
| OPC | open platform communications |
| PCI | peripheral component interconnect |
| PLC | programmable logic controller |
| PMS | power management system |
| PQMP | program quantitative management plan |
| PXI | PCI eXtensions for Instrumentation |
| RAMS | Reliability, Availability, Maintainability, and Safety |
| RTDS | real-time digital simulator |
| SAT | software acceptance test |
| SCC | simulation control console |
| STBY | STandBy |
| SI | system integrator |
| SIL | software-in-the-loop |
| TD | technical description |
| VV | verification and validation |
References
- Sørensen, A.J. Marine Control Systems: Propulsion and Motion Control of Ships and Ocean Structures; Report UK-13-76; Department of Marine Technology, NTNU: Trondheim, Norway, 2013. [Google Scholar]
- International Marine Contractors Association. Dynamic Positioning Station Keeping Review - Incidents Reported for 2010. Reference: DPSI021, IMCA M 218. 2012. Available online: https://www.imca-int.com/product/station-keeping-incidents-reported-for-2010/ (accessed on 1 July 2024).
- Department of Homeland Security. Requirements for MODUs and Other Vessels Conducting Outer Continental Shelf Activities with Dynamic Positioning Systems; Proposed Rule, Federal Register; Department of Homeland Security: Washington, DC, USA, 2014; Volume 79.
- Offshore Standard DNV-OS-D203; Integrated Software Dependent Systems (ISDS). Det Norske Veritas (DNV): Oslo, Norway, 2012.
- American Bureau of Shipping (ABS). Integrated Software Quality Management (ISQM); American Bureau of Shipping (ABS): Spring, TX, USA, 2014. [Google Scholar]
- Sarhadi, P.; Yousefpour, S. State of the art: Hardware in the loop modeling and simulation with its applications in design, development and implementation of system and control software. Int. J. Dynam. Control 2015, 3, 470–479. [Google Scholar] [CrossRef]
- Olma, S.; Kohlstedt, A.; Traphöner, P.; Jäker, K.-P.; Trächtler, A. Observer-based nonlinear control strategies for Hardware-in-the-Loop simulations of multiaxial suspension test rigs. Mechatronics 2018, 50, 212–224. [Google Scholar] [CrossRef]
- Altosole, M.; Campora, U.; Martelli, M.; Figari, M. Performance Decay Analysis of a Marine Gas Turbine Propulsion System. J. Ship Res. 2014, 58, 117–129. [Google Scholar] [CrossRef]
- Mrzljak, V.; Poljak, I.; Prpić-Oršić, J. Exergy analysis of the main propulsion steam turbine from marine propulsion plant. Brodogradnja 2019, 70, 59–77. [Google Scholar] [CrossRef]
- Balin, A.; Demirel, H.; Alarçin, F. A hierarchical structure for ship diesel engine trouble-shooting problem using fuzzy AHP and fuzzy VIKOR hybrid method. Brodogradnja 2015, 66, 54–65. [Google Scholar]
- Parizad, A. Dynamic stability analysis for Damavand power plant considering PMS functions by DIgSILENT software. In Proceedings of the 13th International Conference on Environment and Electrical Engineering (EEEIC), Wroclaw, Poland, 1–3 November 2013; pp. 145–155. [Google Scholar]
- Tang, X.J.; Wang, T.; Zhi, C.; Huang, Y.M. The design of power management system for solar ship. In Proceedings of the International Conference on Transportation Information and Safety (ICTIS), Wuhan, China, 25–28 June 2015; pp. 548–553. [Google Scholar]
- Giannoutsos, S.V.; Manias, S.N. Energy management and D/G fuel consumption optimization in the power system of marine vessels through VFD-based process flow control. In Proceedings of the IEEE 15th International Conference on Environment and Electrical Engineering, Rome, Italy, 10–13 June 2015; pp. 842–850. [Google Scholar]
- Zhou, Y.; Lin, J.; Song, Y.; Cai, Y.; Liu, H. A power hardware-in-loop based testing bed for auxiliary active power control of wind power plants. Electr. Power Syst. Res. 2015, 124, 10–17. [Google Scholar] [CrossRef]
- Huang, H.; Pan, M.; Lu, Z. Hardware-in-the-loop simulation technology of wide-band radar targets based on scattering center model. Chin. J. Aeronaut. 2015, 28, 1476–1484. [Google Scholar] [CrossRef]
- Jing, W.; Yulun, S.; Wendong, L.; Ji, G.; Monti, A. Development of a Universal Platform for Hardware In-the-Loop Testing of Microgrids. IEEE Trans. Ind. Inform. 2014, 10, 2154–2165. [Google Scholar]
- Bouscayrol, A.; Lhomme, W.; Delarue, P.; LemaireSemail, B.; Aksas, S. Hardware-in-the-loop simulation of electric vehicle traction systems using Energetic Macroscopic Representation. In Proceedings of the IECON 2006—32nd Annual Conference on IEEE Industrial Electronics, Paris, France, 7–10 November 2006; pp. 5319–5324. [Google Scholar]
- Lauss, G.F.; Faruque, M.O.; Dufour, C.; Viehweider, A.; Langston, J. Characteristics and Design of Power Hardware-in-the Loop Simulations for Electrical Power Systems. IEEE Trans. Ind. Electron. 2016, 63, 406–417. [Google Scholar] [CrossRef]
- Ren, W.; Steurer, M.; Baldwin, T.L. Improve the stability and the accuracy of power hardware-in-the-loop simulation by selecting appropriate interface algorithms. IEEE Trans. Ind. Appl. 2008, 44, 1286–1294. [Google Scholar] [CrossRef]
- Li, H.; Steurer, M.; Shi, K.L.; Woodruff, S.; Zhang, D. Development of a unified design, test, and research platform for wind energy systems based on hardware-in-the-loop real-time simulation. IEEE Trans. Ind. Electron. 2006, 53, 1144–1151. [Google Scholar] [CrossRef]
- Naderi, E.; Asrari, A.H. Experimental Validation of a Remedial Action via Hardware-in-the-Loop System Against Cyberattacks Targeting a Lab-Scale PV/Wind Microgrid. IEEE Trans. Smart Grid 2023, 14, 4060–4071. [Google Scholar] [CrossRef]
- Seo, J.; Lee, S.; Jeon, D.; Park, J.; Park, J.-S.; Lee, K. Development of Cloud-Based HILS for Performance Verification of LNGC PMS. In Proceedings of the International Conference on Modeling, Simulation and Visualization Methods (MSV), Las Vegas, NV, USA, 26–29 July 2016; pp. 31–35. [Google Scholar]
- Lee, S.-J.; Kwak, S.-K.; Kim, S.-H.; Jeon, H.-J.; Jung, J.-H. Test platform development of vessel’s power management system using hardware-in-the-loop simulation technique. J. Electr. Eng. Technol. 2017, 12, 2298–2306. [Google Scholar]
- Racewicz, S.; Kutt, F.; Sienkiewicz, Ł. Power Hardware-In-the-Loop Approach for Autonomous Power Generation System Analysis. Energies 2022, 15, 1720. [Google Scholar] [CrossRef]
- Hwang, J.T.; Hong, S.Y.; Kwon, H.W.; Lee, K.; Song, J.H. Dual Fuel Generator Modelling and Simulation for Development of PMS HILS. J. Korea Inst. Inf. Commun. Eng. 2017, 21, 613–619. [Google Scholar]
- Lee, K. Software-In-the-Loop based Power Management System Modelling & Simulation for a Liquefied Natural Gas Carrier. J. Korea Inst. Inf. Commun. Eng. 2017, 21, 1218–1224. [Google Scholar]
- Georgescu, I.; Godjevac, M.; Visser, K. A New Perspective on the Complexity of On-board Primary Power Systems. J. Ship Prod. Des. 2019, 35, 19–30. [Google Scholar] [CrossRef]
- KTE Co., Ltd. Functional Design Specification of Power Management System, Building Specification of TMT145700CBM LNG Carrier; KTE Co., Ltd.: Chungnam, Republic of Korea, 2007; pp. 4–28. [Google Scholar]
- IEC 60092-101; Electrical Installations in Ships-Part101: Definition and General Requirements. International Electrotechnical Commission (IEC): Geneva, Switzerland, 2018.

















| Diesel Generator (DG) and Turbine Generator (TG) | |
|---|---|
| Power | 3.45 MW |
| Voltage | 6600 V |
| Frequency | 60 Hz |
| Power (kW) | Voltage (V) | Frequency (Hz) | |
|---|---|---|---|
| Bow Thruster (BT) | 1800 | 6600 | 60 |
| Cargo Pump (CP) | 530 | 6600 | 60 |
| Ballast Pump (BP) | 330 | 6600 | 60 |
| Lumped Load (LL) | 1000 | 440 | 60 |
| Simulation Model | Main Switchboard | |
|---|---|---|
| Voltage | 0~8000 V | 4~20 mA |
| Frequency | 55~65 Hz | 4~20 mA |
| Power | 0~4500 kW | 4~20 mA |
| Current | 0~380 A | 4~20 mA |
| Description | Capacity | Time Delay (s) | |
|---|---|---|---|
| PT1 | No. 1, 2 Air Conditioner Compressor | 230 kW × 2 | 5 |
| 440 V/220 V Galley Equipment | 150 kW | 5 | |
| Air Handling Unit | 52 kW × 2 | 5 | |
| Package Air Conditioner | 6.85 kW | 5 | |
| No. 1, 2 Package Air Conditioner For ECR | 9.0 kW | 5 | |
| Package Air Conditioner | 14.75 kW | 5 | |
| No. 1, 2 Ballast pump | 330 kW | 5 | |
| STBY Ballast pump | 330 kW | 5 | |
| Bow Thruster pitch reduction | 1800 kW | 5 | |
| PT2 | STBD Cargo pump for No. 1, 2, 3, 4 C/TK | 530 kW | 10 |
| PT3 | PORT Cargo pump for No. 1, 2, 3, 4 C/TK | 530 kW | 15 |
| No. 1, 2 H.H.P for AFT deck machinery | 129 kW | 15 |
Disclaimer/Publisher’s Note: The statements, opinions and data contained in all publications are solely those of the individual author(s) and contributor(s) and not of MDPI and/or the editor(s). MDPI and/or the editor(s) disclaim responsibility for any injury to people or property resulting from any ideas, methods, instructions or products referred to in the content. |
© 2024 by the author. Licensee MDPI, Basel, Switzerland. This article is an open access article distributed under the terms and conditions of the Creative Commons Attribution (CC BY) license (https://creativecommons.org/licenses/by/4.0/).
Share and Cite
Lee, K. Development of Hardware-in-the-Loop Simulation Test Bed to Verify and Validate Power Management System for LNG Carriers. J. Mar. Sci. Eng. 2024, 12, 1236. https://doi.org/10.3390/jmse12071236
Lee K. Development of Hardware-in-the-Loop Simulation Test Bed to Verify and Validate Power Management System for LNG Carriers. Journal of Marine Science and Engineering. 2024; 12(7):1236. https://doi.org/10.3390/jmse12071236
Chicago/Turabian StyleLee, Kwangkook. 2024. "Development of Hardware-in-the-Loop Simulation Test Bed to Verify and Validate Power Management System for LNG Carriers" Journal of Marine Science and Engineering 12, no. 7: 1236. https://doi.org/10.3390/jmse12071236
APA StyleLee, K. (2024). Development of Hardware-in-the-Loop Simulation Test Bed to Verify and Validate Power Management System for LNG Carriers. Journal of Marine Science and Engineering, 12(7), 1236. https://doi.org/10.3390/jmse12071236
