Suppression of Negative Sequence Current on HVDC Modular Multilevel Converters in Offshore Wind Power
Abstract
1. Introduction
2. Advantages of HVDC Technology
- (1)
- The harmonic level is low.
- (2)
- The stability of the system is enhanced.
- (3)
- There is no reactive power compensation and no commutation failure.
- (4)
- It has the ability to supply electricity to isolated islands.
- (5)
- It is suitable for constructing a multi-terminal system.
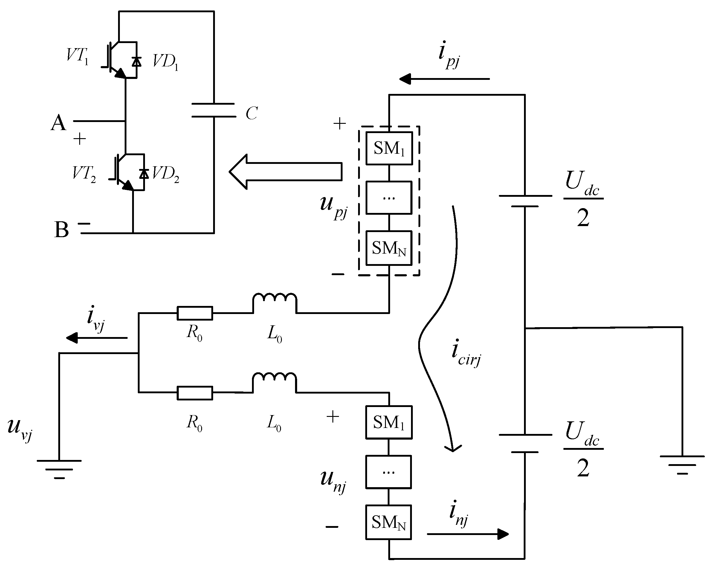
3. Analysis of Working Mechanism of MMC Bridge Arm Circuit
3.1. MMC Topology
3.2. Analysis of the Principle of MMC Circulation
4. MMC Circulation Suppression Strategy of Improved LADRC
4.1. Design of Circulating Current Suppressor Based on LADRC
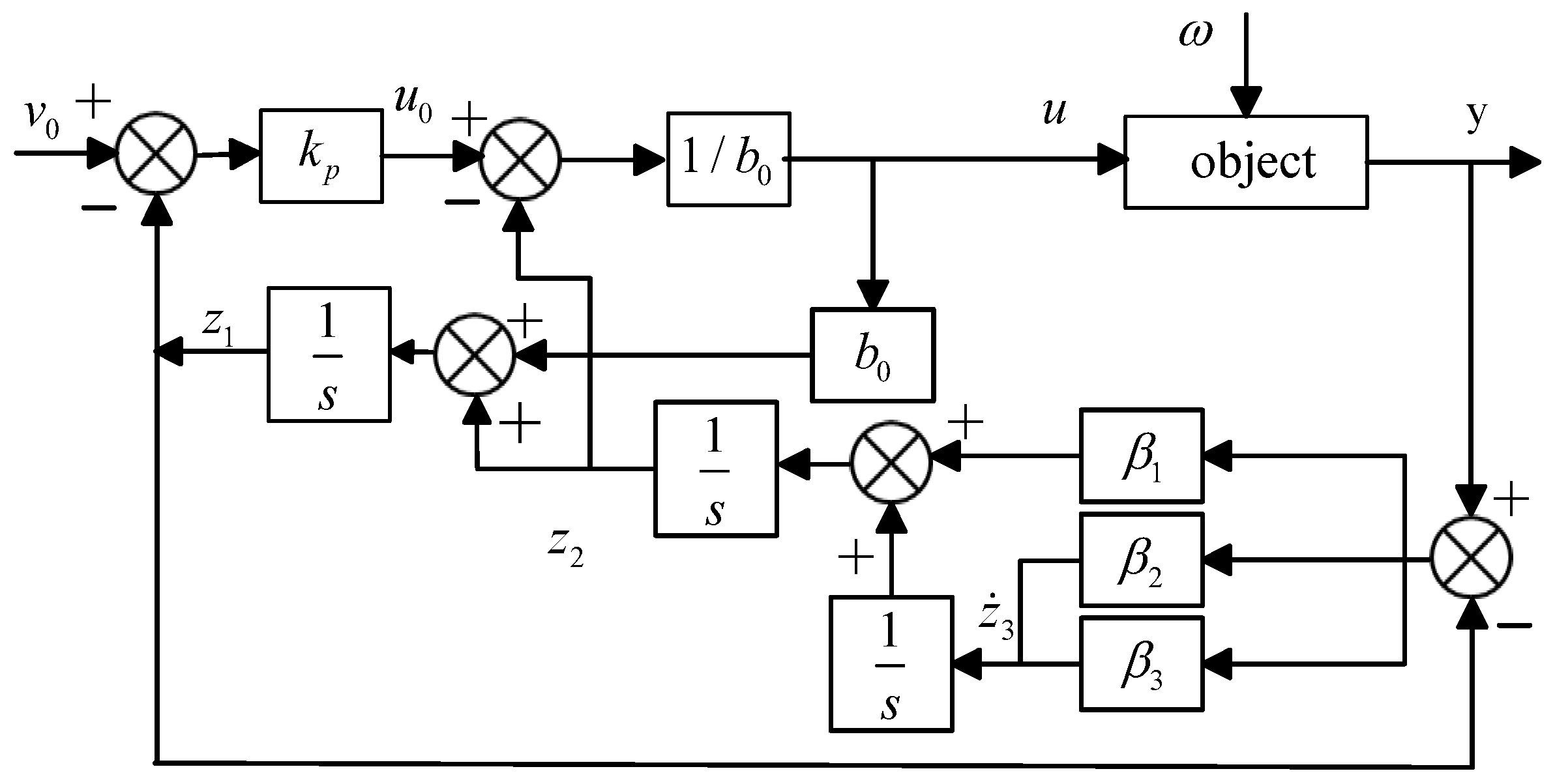
4.1.1. Traditional LADRC Controller Structure
4.1.2. Design of Circulating Current Suppressor Based on Traditional LADRC
4.1.3. MMC Control System Based on LADRC Circulating Current Suppressor
4.2. Design of Circulating Current Suppressor Based on AD−LADRC
4.2.1. Improving the Structural Design of LESO
4.2.2. Analysis of Suppressor Performance
- (1)
- Frequency Domain Characteristics of Changes
- (2)
- Frequency Domain Characteristic Curves of LADRC Before and After Improvement
5. Simulation Analysis
5.1. Steady-State Operating Condition
5.1.1. Circulation Suppression Effect
5.1.2. Arm Current and Sub-Module Capacitor Voltage
5.1.3. Bridge Arm Current THD
5.2. DC Voltage Transient
6. Conclusions
- (1)
- The improved circulating current suppressor can effectively improve the waveform distortion effect of the bridge arm current. In terms of stabilization time, the improved circulating current suppressor is 24.04% and 12.73% shorter than PI and LADRC, respectively. In terms of peak deviation, the improved circulation suppressor is reduced by 45.82% and 24.48% compared with PI and LADRC, respectively.
- (2)
- The second harmonic component is obviously suppressed, and the influence of the circulation can be improved after using the suppressor, so that the waveform is closer to the sine wave.
- (3)
- The fluctuation amplitude of the capacitor voltage and the rate of waveform distortion decreased obviously. The peak difference of the capacitor voltage of the sub-module with suppressor was 1.956 A and that of the sub-module without suppressor was 23.719 A.
- (4)
- When the circulating current suppressor is not used, the bridge arm current THD is 9.74%. When using a PI circulating current suppressor, the bridge arm current THD is 1.82%. When using a LADRC circulating current suppressor, the bridge arm current THD is 1.71%. When using an AD-LADRC circulating current suppressor, the bridge arm current THD is 1.63%. The THD is controlled within the range of 3% THD, and the improved controller is reduced by 10.44% and 4.68% compared with PI and LADRC, respectively.
- (5)
- The increased-order decoupling auto−disturbance rejection suppressor proposed in this paper has stronger rapidity, adaptability and robustness, which is helpful to improve the grid-connected ability of offshore wind farms and provide some theoretical and application support for the development and large-scale utilization of offshore wind power.
Author Contributions
Funding
Institutional Review Board Statement
Informed Consent Statement
Data Availability Statement
Conflicts of Interest
References
- Zeng, M.; Cai, Y.; Shen, K. Optimal configuration of new energy grid connected energy storage capacity from the perspective of dual carbon. Int. J. Energy Technol. Policy 2023, 18, 326–342. [Google Scholar] [CrossRef]
- Watson, C.S.; Somerfield, J.P.; Lemasson, J.A. The global impact of offshore wind farms on ecosystem services. Ocean Coast. Manag. 2024, 249, 107023. [Google Scholar] [CrossRef]
- Faraggiana, E.; Ghigo, A.; Sirigu, M.; Petracca, E.; Giorgi, G.; Mattiazzo, G.; Bracco, G. Optimal floating offshore wind farms for Mediterranean islands. Renew. Energy 2024, 221, 119785. [Google Scholar] [CrossRef]
- Han, S.; Rui, H.; Hugo, M. Power quality monitoring in electric grid integrating offshore wind energy: A review. Renew. Sustain. Energy Rev. 2024, 191, 114094. [Google Scholar]
- Joanna, S.; Mariusz, C.; Joanna, P. Reliability of Renewable Power Generation using the Example of Offshore Wind Farms. Folia Oeconomica Stetin. 2023, 23, 228–245. [Google Scholar]
- Samsó, R.; Crespin, J.; Olivares, G.A. Examining the Potential of Marine Renewable Energy: A Net Energy Perspective. Sustainability 2023, 15, 8050. [Google Scholar] [CrossRef]
- Olczak, P.; Surma, T. Energy Productivity Potential of Offshore Wind in Poland and Cooperation with Onshore Wind Farm. Appl. Sci. 2023, 13, 4258. [Google Scholar] [CrossRef]
- Milad, S.; Mateo, R.; Alejandro, H.; Rodrigo, A. A Review of Offshore Renewable Energy in South America: Current Status and Future Perspectives. Sustainability 2023, 15, 1740. [Google Scholar]
- Mohammad, B.; Turaj, A.; Deniz, S.V. Floating Offshore Wind Turbines: Current Status and Future Prospects. Energies 2022, 16, 2. [Google Scholar]
- David, G.; Jensen Paul, D. Chasing after the wind? Green economy strategies, path creation and transitions in the offshore wind industry. Reg. Stud. 2022, 56, 1671–1682. [Google Scholar]
- Zhong, P.; Rong, Y.; Tai, L. Optimization Design of Voltage Level of Flexible DC Transmission with Offshore Wind Power Based on Genetic Algorithm. J. Phys. Conf. Ser. 2023, 2527, 012066. [Google Scholar]
- Mujahid, E.; Pillai, A.C.; Longbin, T. Implications of wave–current interaction on the dynamic responses of a floating offshore wind turbine. Ocean Eng. 2024, 292, 116571. [Google Scholar]
- González, G.W.; Montoya, D.O.; Rodríguez, T.L.C. Optimal Integration of Flexible Alternating Current Transmission Systems in Electrical Distribution Grids Using a Mixed-Integer Convex Model. Algorithms 2023, 16, 420. [Google Scholar] [CrossRef]
- Peng, L.; Fu, Z.; Xiao, T. An Improved Dual Second-Order Generalized Integrator Phased-Locked Loop Strategy for an Inverter of Flexible High-Voltage Direct Current Transmission Systems under Nonideal Grid Conditions. Processes 2023, 11, 2634. [Google Scholar] [CrossRef]
- Jiaqi, W.; Zhichao, F.; Xin, L.; Daoyuan, M. A PLL-free control strategy for flexible DC transmission systems. Energy Rep. 2022, 8, 1413–1420. [Google Scholar]
- Zhu, S.; Liu, K.; Qin, L.; Qing, W.; Yuye, L. Analysis and suppression of DC oscillation caused by DC capacitors in VSC-based offshore island power supply system. IEEJ Trans. Electr. Electron. Eng. 2019, 14, 545–555. [Google Scholar] [CrossRef]
- Mengting, C.; Peiqiang, S.; Guipeng, C.; Fengyan, F.; Xinlin, Q. Multiple criteria analysis for electrifying off-grid island using renewable energy microgrid or submarine cable. Electr. Power Syst. Res. 2023, 224, 109728. [Google Scholar]
- Weili, Z.; Tianning, Z. Application of Flexible DC Transmission Technology in Power Grid under Large-scale Development of New Energy. IOP Conf. Ser. Earth Environ. Sci. 2020, 440, 032035. [Google Scholar]
- Chenhao, L.; Kuan, L.; Changhui, M.; Pengfei, Z.; Qi, T.; Yingtao, S.; Xin, W. Flexible control strategy for HVDC transmission system adapted to intermittent new energy delivery. Glob. Energy Interconnect. 2021, 4, 425–433. [Google Scholar]
- Xingyang, H.; Kun, C.; Ting, W.; Zengrui, H. Analysis of typical fault characteristics of modular multilevel converter for flexible HVDC transmission. J. Phys. Conf. Ser. 2022, 2369, 012067. [Google Scholar]
- Pan, R.; Yang, Y.; Yang, J.; Liu, D. Enhanced grid forming control for MMC-HVDC with DC power and voltage regulation. Electr. Power Syst. Res. 2024, 229, 110166. [Google Scholar] [CrossRef]
- Pan, R.; Liu, D.; Yang, Y.; Yang, J. Network based impedance analysis of grid forming based MMC-HVDC with wind farm integration. Electr. Power Syst. Res. 2024, 229, 110120. [Google Scholar] [CrossRef]
- Xiaolei, W.; Quan, Z.; Jianying, Z. Control Strategy of Circulating Current Suppression for Modular Multilevel Converter. J. Phys. Conf. Ser. 2023, 2564, 012005. [Google Scholar]
- Chun, W.; Wenxu, Y.; Wenyuan, W.; Hongyu, N.; Jie, C. The Suppression of Modular Multi-Level Converter Circulation Based on the PIR Virtual Impedance Strategy. World Electr. Veh. J. 2023, 14, 17. [Google Scholar]
- Manchala, R.N.; J, S.; Mandi, P.R. Circulating Current Suppression Control in Surrogate Network of MMC- HVDC System. Int. J. Recent Technol. Eng. 2020, 8, 29–34. [Google Scholar]
- Debdeep, S.; Tanmoy, B.; Saurav, D. A Reduced Switching Frequency Sorting Algorithm for Modular Multilevel Converter with Circulating Current Suppression Feature. IEEE Trans. Power Electron. 2019, 34, 10480–10491. [Google Scholar]
- Jinyu, W.; Jun, L.; Chengfu, W.; Chengfu, W.; Xiaoming, D. Circulating Current Suppression for MMC-HVDC under Unbalanced Grid Conditions. IEEE Trans. Ind. Appl. 2017, 53, 3250–3259. [Google Scholar]
- Mingguang, Z.; Yao, S.; Huzhong, S.; Richang, G. MMC-HVDC circulating current suppression method based on improved proportional resonance control. Energy Rep. 2020, 6, 863–871. [Google Scholar]
- Qingrui, T.; Zheng, X.; Minyuan, G.; Xiang, Z.; Jing, Z. Design of circulating current suppression controller for modular multilevel converter. Power Syst. Autom. 2010, 34, 57–61. [Google Scholar]
- Xiahui, Z.; Minxiao, H.; Jinggang, Y.; Xiangkun, M.; Zijian, Q. Analysis of the influence mechanism of DC side voltage fluctuation on the circulating current of MMC and its suppression method. Power Syst. Autom. 2021, 45, 122–131. [Google Scholar]
- Semih, I.; Mohammed, A.; Subhashish, B. An Optimized Circulating Current Control Method Based on PR and PI Controller for MMC Applications. IEEE Trans. Ind. Appl. 2021, 57, 5074–5085. [Google Scholar]
- Zhouzhou, L. MMC-HVDC control and circulation suppression strategy based on quasi-PR controller. J. Power Syst. Autom. 2016, 28, 70–75. [Google Scholar]
- Xianzheng, L.; Xingcheng, W.; Kai, Z. IMC based circulating current controller for MMC-HVDC. In Proceedings of the 2017 36th Chinese Control Conference (CCC), Dalian, China, 26–28 July 2017; pp. 617–622. [Google Scholar]
- Jingqing, H. Auto disturbance rejection controller and its application. Control. Decis. 1998, 13, 19–23. [Google Scholar]
- Fang, Z.; Guangyao, Z.; Yan, C. MMC Circulation suppression Strategy based on Linear Auto disturbance rejection Control. J. Electr. Power Syst. Its Autom. 2018, 30, 71–78. [Google Scholar]
- Yang, X.; Li, Z.; Zheng, Q.T.; Zheng, T. Virtual Impedance Sliding Mode Control-Based MMC Circulating Current Suppressing Strategy. IEEE Access 2019, 7, 26229–26240. [Google Scholar] [CrossRef]
- Farooq, A. Influence of Unified Power Flow Controller on Flexible Alternating Current Transmission System Devices in 500 kV Transmission Line. J. Electr. Electron. Eng. 2018, 6, 12–19. [Google Scholar] [CrossRef]
- Zhang, G.; Song, J.; Li, C.; Gu, X. A Circulating Current Suppression Strategy for MMC Based on the 2N+1 PWM Approach. World Electr. Veh. J. 2023, 14, 106. [Google Scholar] [CrossRef]
- Kun, W.; Kaipei, L.; Zhixuan, Z.; Wei, L.; Liang, Q. Capacitor voltage equalization strategy of modular multilevel converter based on fast sorting algorithm. Electr. Meas. Instrum. 2018, 55, 1–7. [Google Scholar]
- Xitang, T.; Hongmei, Z.; Qinyue, Z.; Jiangbin, C. Capacitor voltage fluctuation analysis and equalization control of MMC module. Power Electron. Technol. 2016, 50, 1–4. [Google Scholar]
















| Parameter Names | Numerical Values |
|---|---|
| Number of MMC Arm Sub-Modules | 18 |
| Sub-Module Capacitance Value/mF | 1.88 |
| Arm Inductance Value/mH | 5 |
| Initial Value of Sub-Module Capacitor Voltage/V | 1400 |
| Frequency/Hz | 50 |
| DC Side Voltage/kV | 25.2 |
| 350 | 1050 | 2000 |
Disclaimer/Publisher’s Note: The statements, opinions and data contained in all publications are solely those of the individual author(s) and contributor(s) and not of MDPI and/or the editor(s). MDPI and/or the editor(s) disclaim responsibility for any injury to people or property resulting from any ideas, methods, instructions or products referred to in the content. |
© 2024 by the authors. Licensee MDPI, Basel, Switzerland. This article is an open access article distributed under the terms and conditions of the Creative Commons Attribution (CC BY) license (https://creativecommons.org/licenses/by/4.0/).
Share and Cite
Xu, X.; Wang, D.; Zhou, X.; Tao, L. Suppression of Negative Sequence Current on HVDC Modular Multilevel Converters in Offshore Wind Power. J. Mar. Sci. Eng. 2024, 12, 383. https://doi.org/10.3390/jmse12030383
Xu X, Wang D, Zhou X, Tao L. Suppression of Negative Sequence Current on HVDC Modular Multilevel Converters in Offshore Wind Power. Journal of Marine Science and Engineering. 2024; 12(3):383. https://doi.org/10.3390/jmse12030383
Chicago/Turabian StyleXu, Xiaoning, Di Wang, Xuesong Zhou, and Long Tao. 2024. "Suppression of Negative Sequence Current on HVDC Modular Multilevel Converters in Offshore Wind Power" Journal of Marine Science and Engineering 12, no. 3: 383. https://doi.org/10.3390/jmse12030383
APA StyleXu, X., Wang, D., Zhou, X., & Tao, L. (2024). Suppression of Negative Sequence Current on HVDC Modular Multilevel Converters in Offshore Wind Power. Journal of Marine Science and Engineering, 12(3), 383. https://doi.org/10.3390/jmse12030383
