Design and Experimental Study of 50 kW Ocean Thermal Energy Conversion Test Platform Based on Organic Rankine Cycle
Abstract
1. Introduction
2. Materials and Methods
2.1. Platform Principle and Thermodynamic Calculation
2.2. Equipment Selection and Engineering Check
3. Results and Discussion
3.1. System Design Parameters
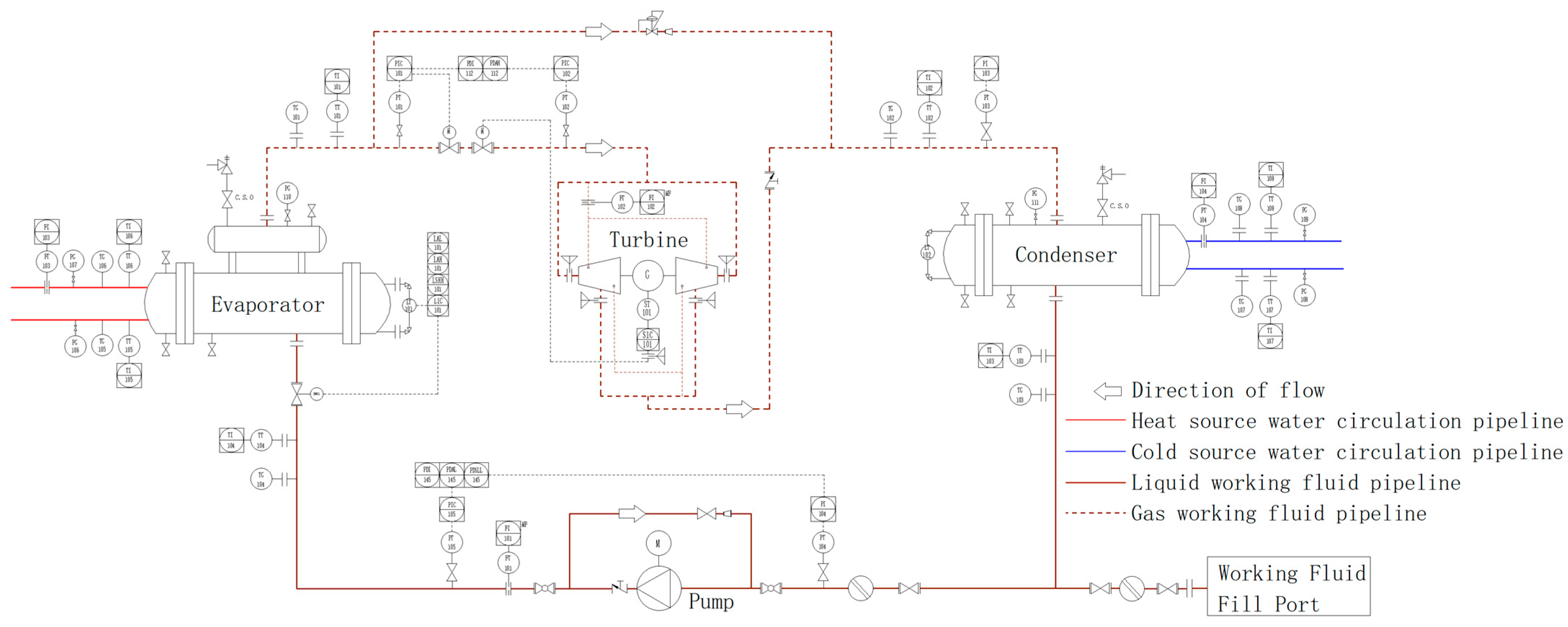
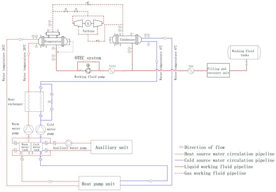
3.2. Overall Structure and Control System
3.3. On-Grid System
3.4. Data Acquisition System
3.5. Experimental Results
4. Conclusions
- (1)
- This study proposes a construction scheme for a land-based prototype simulation system for ocean thermal energy conversion with a heat and cold source control module, which includes an OTEC power generation system, a heat pump unit, and an auxiliary unit, and it is skid-mounted using a modular design to increase the compactness of the system. Equipped with a PLC slave control cabinet, it can monitor the slave pressure, flow, temperature, valve switch, and other analog signal data from the master control cabinet.
- (2)
- The working medium of the system adopts R134a, which has the characteristics of high safety and good thermal conductivity. After engineering calibration calculation, under the design conditions of a 28 °C heat source temperature and 4 °C cold source temperature, the thermal efficiency of the system is 2.63%, and the output power can be up to 50 kW, which meets the design requirements. The grid-connected inverter sends its power into the grid to achieve reasonable conversion and comprehensive utilization of energy.
- (3)
- The experimental analysis shows that the cold and heat source simulation system can stably simulate the seawater environment changes (heat source: 24~28 °C and cold source: 4~8 °C), the power generation system can achieve a smooth start-up and shutdown, there is a continuous power output in the stable operation phase, and the maximum grid-connected power reaches 47.4 kW. The actual thermal efficiency is 2.46%.
- (4)
- As a large ocean thermal energy testing platform in China, the design and experimental research of this experimental platform have achieved good results, which can provide the basis and data support for further research on ocean thermal energy, as well as the experimental simulation basis for further optimization, which is of great significance to the development of ocean thermal energy.
Author Contributions
Funding
Institutional Review Board Statement
Informed Consent Statement
Data Availability Statement
Acknowledgments
Conflicts of Interest
References
- Martínez, M.L.; Vázquez, G.; Pérez-Maqueo, O.; Silva, R.; Moreno-Casasola, P.; Mendoza-González, G.; López-Portillo, J.; MacGregor-Fors, I.; Heckel, G.; Hernández-Santana, J. A systemic view of potential environmental impacts of ocean energy production. Renew. Sustain. Energy Rev. 2021, 149, 111332. [Google Scholar] [CrossRef]
- Feng, C.; Ye, G.; Jiang, Q.; Zheng, Y.; Chen, G.; Wu, J.; Feng, X.; Si, Y.; Zeng, J.; Li, P. The contribution of ocean-based solutions to carbon reduction in China. Sci. Total Environ. 2021, 797, 149168. [Google Scholar] [CrossRef]
- Zereshkian, S.; Mansoury, D. A study on the feasibility of using solar radiation energy and ocean thermal energy conversion to supply electricity for offshore oil and gas fields in the Caspian Sea. Renew. Energy 2021, 163, 66–77. [Google Scholar] [CrossRef]
- Hernández-Fontes, J.V.; Martínez, M.L.; Wojtarowski, A.; González-Mendoza, J.L.; Landgrave, R.; Silva, R. Is ocean energy an alternative in developing regions? A case study in Michoacan, Mexico. J. Clean. Prod. 2020, 266, 121984. [Google Scholar] [CrossRef]
- Tsalis, T.A.; Malamateniou, K.E.; Koulouriotis, D.; Nikolaou, I.E. New challenges for corporate sustainability reporting: United Nations’ 2030 Agenda for sustainable development and the sustainable development goals. Corp. Soc. Responsib. Environ. Manag. 2020, 27, 1617–1629. [Google Scholar] [CrossRef]
- Hussain, A.; Arif, S.M.; Aslam, M. Emerging renewable and sustainable energy technologies: State of the art. Renew. Sustain. Energy Rev. 2017, 71, 12–28. [Google Scholar] [CrossRef]
- Ellabban, O.; Abu-Rub, H.; Blaabjerg, F. Renewable energy resources: Current status, future prospects and their enabling technology. Renew. Sustain. Energy Rev. 2014, 39, 748–764. [Google Scholar] [CrossRef]
- Khan, N.d.; Kalair, A.; Abas, N.; Haider, A. Review of ocean tidal, wave and thermal energy technologies. Renew. Sustain. Energy Rev. 2017, 72, 590–604. [Google Scholar] [CrossRef]
- Nihous, G.C. Mapping available Ocean Thermal Energy Conversion resources around the main Hawaiian Islands with state-of-the-art tools. J. Renew. Sustain. Energy 2010, 2, 043104. [Google Scholar] [CrossRef]
- Uehara, H.; Dilao, C.O.; Nakaoka, T. Conceptual design of ocean thermal energy conversion (OTEC) power plants in the Philippines. Sol Energy 1988, 41, 431–441. [Google Scholar] [CrossRef]
- Hashim, H.; Zubir, M.A.; Kamyab, H.; Zahran, M.F.I. Decarbonisation of the industrial sector through greenhouse gas mitigation, offset, and emission trading schemes. Chem. Eng. Trans. 2022, 97, 511–516. [Google Scholar]
- Faizal, M.; Ahmed, M.R. Experimental studies on a closed cycle demonstration OTEC plant working on small temperature difference. Renew. Energy 2013, 51, 234–240. [Google Scholar] [CrossRef]
- Yang, M.-H.; Yeh, R.-H. Analysis of optimization in an OTEC plant using organic Rankine cycle. Renew. Energy 2014, 68, 25–34. [Google Scholar] [CrossRef]
- Sun, F.; Ikegami, Y.; Jia, B.; Arima, H. Optimization design and exergy analysis of organic rankine cycle in ocean thermal energy conversion. Appl. Ocean Res. 2012, 35, 38–46. [Google Scholar] [CrossRef]
- Rau, G.H.; Baird, J.R. Negative-CO2-emissions ocean thermal energy conversion. Renew. Sustain. Energy Rev. 2018, 95, 265–272. [Google Scholar] [CrossRef]
- Esteban, M.; Leary, D. Current developments and future prospects of offshore wind and ocean energy. Appl. Energy 2012, 90, 128–136. [Google Scholar] [CrossRef]
- Faizal, M.; Rafiuddin Ahmed, M. On the ocean heat budget and ocean thermal energy conversion. Int. J. Energy Res. 2011, 35, 1119–1144. [Google Scholar] [CrossRef]
- Wu, Z.; Feng, H.; Chen, L.; Xie, Z.; Cai, C. Pumping power minimization of an evaporator in ocean thermal energy conversion system based on constructal theory. Energy 2019, 181, 974–984. [Google Scholar] [CrossRef]
- Langer, J.; Quist, J.; Blok, K. Recent progress in the economics of ocean thermal energy conversion: Critical review and research agenda. Renew. Sustain. Energy Rev. 2020, 130, 109960. [Google Scholar] [CrossRef]
- D’ARSONVAL, J.A. Utilization des Forces Naturelles, Avenir de l’electricite. Le Revenue Sci. 1881, 17, 370–372. [Google Scholar]
- Nihous, G.C. Ocean Thermal Energy Conversion (OTEC). In Wind, Water and Fire: The Other Renewable Energy Resources; World Scientific: Singapore, 2021; pp. 173–196. [Google Scholar]
- Aresti, L.; Christodoulides, P.; Michailides, C.; Onoufriou, T. Reviewing the energy, environment, and economy prospects of Ocean Thermal Energy Conversion (OTEC) systems. Sustain. Energy Technol. Assess. 2023, 60, 103459. [Google Scholar] [CrossRef]
- White, H.J. Mini-OTEC. Int. J. Ambient Energy 1980, 1, 75–88. [Google Scholar] [CrossRef]
- Mitsui, T.; Ito, F.; Seya, Y.; Nakamoto, Y. Outline of the 100 kw Otec Pilot Plant in the Republic of Naure. IEEE Trans. Power Appar. Syst. 1983, PAS-102, 3167–3171. [Google Scholar] [CrossRef]
- Lennard, D. Ocean thermal energy conversion—Past progress and future prospects. IEE Proc. A (Phys. Sci. Meas. Instrum. Manag. Educ. Rev.) 1987, 134, 381–391. [Google Scholar] [CrossRef]
- Kobayashi, H.; Jitsuhara, S.; Uehara, H. The Present Status and Features of OTEC and Recent Aspects of Thermal Energy Conversion Technologies; National Maritime Research Institute: Tokyo, Japan, 2020; Available online: https://newsroom.prkarma.com/assets/newsroom/documents/555.svrybz5k.pdf (accessed on 11 December 2023).
- Sinama, F. Étude de la Production D’électricité à Partir de L’énergie Thermique des mers à L’île de la Réunion: Modélisation et Optimisation du Procédé; Université de la Réunion: Saint Denis, France, 2011. [Google Scholar]
- Journoud, A.; Sinama, F.; Lucas, F. Experimental Ocean Thermal Energy Conversion (OTEC) project on the Reunion Island. In Proceedings of the 4th International Conference on Ocean Energy, Dublin, Ireland, 17–20 October 2012. [Google Scholar]
- Martins, M.; Sinama, F.; Lucas, F. Equivalent Gibbs systems for modelling an onshore OTEC experimental plant on Reunion Island. Int. J. Energy Res. 2013, 37, 1112–1121. [Google Scholar] [CrossRef]
- Kim, H.-J.; Kim, A.S. Ocean Thermal Energy Conversion (OTEC): Past, Present, and Progress; IntechOpen: London, UK, 2020. [Google Scholar]
- Chen, F.; Liu, L.; Peng, J.; Ge, Y.; Wu, H.; Liu, W. Theoretical and experimental research on the thermal performance of ocean thermal energy conversion system using the rankine cycle mode. Energy 2019, 183, 497–503. [Google Scholar] [CrossRef]
- Heydt, G.T. An assessment of ocean thermal energy conversion as an advanced electric generation methodology. Proc. IEEE 1993, 81, 409–418. [Google Scholar] [CrossRef]
- Kalina, A.I. Combined cycle and waste heat recovery power systems based on a novel thermodynamic energy cycle utilizing low-temperature heat for power generation. In Proceedings of the Turbo Expo: Power for Land, Sea, and Air, Phoenix, AZ, USA, 27–31 March 1983; p. V001T002A003. [Google Scholar]
- Zhang, X.; He, M.; Zhang, Y. A review of research on the Kalina cycle. Renew. Sustain. Energy Rev. 2012, 16, 5309–5318. [Google Scholar] [CrossRef]
- Panchal, C.; Bell, K. Simultaneous production of desalinated water and power using a hybrid-cycle OTEC plant. J. Sol. Energy Eng. 1987, 109, 156–160. [Google Scholar] [CrossRef]
- Uehara, H.; Miyara, A.; Ikegami, Y.; Nakaoka, T. Performance analysis of an OTEC plant and a desalination plant using an integrated hybrid cycle. J. Sol. Energy Eng. 1996, 118, 115–122. [Google Scholar] [CrossRef]
- Quoilin, S.; Van Den Broek, M.; Declaye, S.; Dewallef, P.; Lemort, V. Techno-economic survey of Organic Rankine Cycle (ORC) systems. Renew. Sustain. Energy Rev. 2013, 22, 168–186. [Google Scholar]
- Yang, M.-H.; Yeh, R.-H. Investigation of the potential of R717 blends as working fluids in the organic Rankine cycle (ORC) for ocean thermal energy conversion (OTEC). Energy 2022, 245, 123317. [Google Scholar] [CrossRef]
- Ma, Q.; Gao, Z.; Huang, J.; Mahian, O.; Feng, X.; Lu, H.; Wang, S.; Wang, C.; Tang, R.; Li, J. Thermodynamic analysis and turbine design of a 100 kW OTEC-ORC with binary non-azeotropic working fluid. Energy 2023, 263, 126097. [Google Scholar]
- Wahinuddin, M.A.; Mohd, N.A.R.N.; Nasir, M.N.M.; Othman, N.; Mat, S.; Thirugana, S.T. Otec performance evaluation using different working fluids and variations in operating orc conditions. J. Mek. 2023, 46, 14–26. [Google Scholar] [CrossRef]
- Anderson, J.H., Jr. Ocean thermal energy conversion (OTEC): Choosing a working fluid. In Proceedings of the ASME Power Conference, Albuquerque, NM, USA, 21–23 July 2009; pp. 645–653. [Google Scholar]
- Yoon, J.-I.; Son, C.-H.; Baek, S.-M.; Kim, H.-J.; Lee, H.-S. Efficiency comparison of subcritical OTEC power cycle using various working fluids. Heat Mass Transf. 2014, 50, 985–996. [Google Scholar]
- Hung, T.; Wang, S.; Kuo, C.; Pei, B.; Tsai, K. A study of organic working fluids on system efficiency of an ORC using low-grade energy sources. Energy 2010, 35, 1403–1411. [Google Scholar] [CrossRef]
- Vera, D.; Baccioli, A.; Jurado, F.; Desideri, U. Modeling and optimization of an ocean thermal energy conversion system for remote islands electrification. Renew. Energy 2020, 162, 1399–1414. [Google Scholar] [CrossRef]
- Xu, W.; Zhao, L.; Mao, S.S.; Deng, S. Towards novel low temperature thermodynamic cycle: A critical review originated from organic Rankine cycle. Appl. Energy 2020, 270, 115186. [Google Scholar]
- Yamada, N.; Hoshi, A.; Ikegami, Y. Performance simulation of solar-boosted ocean thermal energy conversion plant. Renew. Energy 2009, 34, 1752–1758. [Google Scholar] [CrossRef]
- Qyyum, M.A.; Khan, A.; Ali, S.; Khurram, M.S.; Mao, N.; Naquash, A.; Noon, A.A.; He, T.; Lee, M. Assessment of working fluids, thermal resources and cooling utilities for Organic Rankine Cycles: State-of-the-art comparison, challenges, commercial status, and future prospects. Energy Convers. Manag. 2022, 252, 115055. [Google Scholar]
- Hu, B.; Yan, H.; Wang, R. Modeling and simulation of a falling film evaporator for a water vapor heat pump system. Appl. Energy 2019, 255, 113851. [Google Scholar] [CrossRef]
- Kundu, P.K.; Cohen, I.M.; Dowling, D.R. Fluid Mechanics; Academic Press: Cambridge, MA, USA, 2015. [Google Scholar]
- Elger, D.F.; Williams, B.C.; Crowe, C.T. Engineering Fluid Mechanics; John Wiley & Sons: Hoboken, NJ, USA, 2022. [Google Scholar]
- Fiaschi, D.; Secchi, R.; Galoppi, G.; Tempesti, D.; Ferrara, G.; Ferrari, L.; Karellas, S. Piston expanders technology as a way to recover energy from the expansion of highly wet organic refrigerants. In Proceedings of the Energy Sustainability, San Diego, CA, USA, 28 June–2 July 2015; p. V002T018A007. [Google Scholar]
- Spadacini, C.; Xodo, L.; Quaia, M. Geothermal energy exploitation with Organic Rankine Cycle technologies. In Organic Rankine Cycle (ORC) Power Systems; Elsevier: Amsterdam, The Netherlands, 2017; pp. 473–525. [Google Scholar]
- GB/T 50050-2017; Design Specification for Industrial Circulating Cooling Water Treatment. Ministry of Housing and Urban-Rural Development: Beijing, China, 2017.












| Status Point | Temperature/T | Pressure/P | Density/ρ | Specific Enthalpy/h | Specific Entropy/s |
|---|---|---|---|---|---|
| °C | kPa | Kg/m3 | kJ/kg | kJ/(kg·K) | |
| 1 | 24 | 645.78 | 31.39 | 411.82 | 1.7166 |
| 2 | 24 | 632.23 | 30.59 | 412.18 | 1.7193 |
| 3′ | 8.48 | 393.96 | 19.34 | 402.48 | 1.7193 |
| 3 | 9.01 | 393.96 | 19.18 | 403.96 | 1.7246 |
| 4 | 9.01 | 390.61 | 19.00 | 404.05 | 1.7255 |
| 5 | 8 | 387.61 | 1267.90 | 210.84 | 1.0388 |
| 6 | 7.79 | 384.86 | 1268.60 | 210.55 | 1.0378 |
| 7 | 7.90 | 650.99 | 1269.40 | 210.75 | 1.0378 |
| 8 | 7.90 | 648.78 | 1269.40 | 210.75 | 1.0378 |
| Name | R134a System | |
|---|---|---|
| Initial Value | Check Value | |
| 1–2 Working fluid flow rate/(m/s) | 15 | 14.43 |
| 3–4 Working fluid flow rate/(m/s) | 15 | 13.25 |
| 5–6 Working fluid flow rate/(m/s) | 0.5 | 0.51 |
| 7–8 Working fluid flow rate/(m/s) | 1.5 | 1.25 |
| 1–2 pipe diameter/mm | 144.56 | 150 |
| 3–4 pipe diameter/mm | 185.12 | 200 |
| 5–6 pipe diameter/mm | 123.90 | 125 |
| 7–8 pipe diameter/mm | 87.59 | 100 |
| 1–2 pressure drop loss/MPa | 0 | 0.01355 |
| 3–4 pressure drop loss/MPa | 0 | 0.00335 |
| 5–6 pressure drop loss/MPa | 0 | 0.00275 |
| 7–8 pressure drop loss/MPa | 0 | 0.00221 |
| Diameter of warm seawater pipe/mm | 341.29 | 350 |
| Diameter of cold seawater pipe/mm | 333.95 | 350 |
| Warm seawater mass flow/(kg/s) | 182.87 | 191.49 |
| Cold seawater mass flow/(kg/s) | 175.09 | 183.93 |
| Working fluid mass flow/(kg/s) | 7.64 | 8 |
| Evaporator heat absorption/kW | 1536.1 | 1608.56 |
| Condenser heat dissipation/kW | 1470.78 | 1545.68 |
| Turbine output power/kW | 51.08 | 50.3 |
| System thermal efficiency/% | 3.22 | 2.63 |
| Name | Parameter | Value |
|---|---|---|
| Electricity supply | Input voltage (V) | 380 |
| Frequency (Hz) | 50 | |
| Water supply | Pressure (MPa) | 0.4~0.6 |
| Water quality | Meet GB/T50050 [53] | |
| Using of equipment | Working fluid | R134a |
| Anti-corrosion grade | THWF2 | |
| Environmental temperature (°C) | <40 | |
| Altitude (m) | <1000 |
| Name | Type | Parameter | Value |
|---|---|---|---|
| Pump | Shielded | Mass flow (m3/h) | 24.2 |
| Inlet pressure (MPa) | 0.3~0.5 | ||
| Outlet pressure (MPa) | 0.6~0.8 | ||
| Evaporator | Material side | Inlet/Evaporation temperature (°C) | 8/24 |
| Pressure (kPa) | 646 | ||
| Water side | Inlet/outlet temperature (°C) | 28/6 | |
| Heat exchange (kW) | 1610 | ||
| Turbine | Centripetal | Rated speed (rpm) | 12,500 |
| Rating power (kW) | 50 | ||
| Condenser | Material side | Inlet/condensing temperature (°C) | 9/8 |
| Pressure (kPa) | 388 | ||
| Water side | Inlet/outlet temperature (°C) | 4/6 | |
| Heat exchange (kW) | 1546 |
| Monitoring Instrument | Model Number | Range of Scales | Inaccuracies |
|---|---|---|---|
| Mass flowmeter | DMF-1-U50 | 0~33 t/h | ±0.2% |
| Temperature sensor | WZP2-83 | −50~200 °C | ±(0.15 + 0.002|t|) |
| Pressure sensor | SIEMENS 7MF0300 | −0.1~1.6 MPa | 0.075% |
| RPM sensor | CD-1 | 0~40,000 r | ±0.2% |
| Vibration sensors | SZ-6 | 0~2000 μm | ±5% |
Disclaimer/Publisher’s Note: The statements, opinions and data contained in all publications are solely those of the individual author(s) and contributor(s) and not of MDPI and/or the editor(s). MDPI and/or the editor(s) disclaim responsibility for any injury to people or property resulting from any ideas, methods, instructions or products referred to in the content. |
© 2024 by the authors. Licensee MDPI, Basel, Switzerland. This article is an open access article distributed under the terms and conditions of the Creative Commons Attribution (CC BY) license (https://creativecommons.org/licenses/by/4.0/).
Share and Cite
Lu, B.; Liu, Y.; Zhai, X.; Zhang, L.; Chen, Y. Design and Experimental Study of 50 kW Ocean Thermal Energy Conversion Test Platform Based on Organic Rankine Cycle. J. Mar. Sci. Eng. 2024, 12, 463. https://doi.org/10.3390/jmse12030463
Lu B, Liu Y, Zhai X, Zhang L, Chen Y. Design and Experimental Study of 50 kW Ocean Thermal Energy Conversion Test Platform Based on Organic Rankine Cycle. Journal of Marine Science and Engineering. 2024; 12(3):463. https://doi.org/10.3390/jmse12030463
Chicago/Turabian StyleLu, Beichen, Yanjun Liu, Xiaoyu Zhai, Li Zhang, and Yun Chen. 2024. "Design and Experimental Study of 50 kW Ocean Thermal Energy Conversion Test Platform Based on Organic Rankine Cycle" Journal of Marine Science and Engineering 12, no. 3: 463. https://doi.org/10.3390/jmse12030463
APA StyleLu, B., Liu, Y., Zhai, X., Zhang, L., & Chen, Y. (2024). Design and Experimental Study of 50 kW Ocean Thermal Energy Conversion Test Platform Based on Organic Rankine Cycle. Journal of Marine Science and Engineering, 12(3), 463. https://doi.org/10.3390/jmse12030463

