Next Article in Journal
Time Prediction in Ship Block Manufacturing Based on Transfer Learning
Previous Article in Journal
Effects on the Potential for Seepage Failure Under a Geotextile Mattress with Floating Plate
 
 
Font Type:
Arial Georgia Verdana
Font Size:
Aa Aa Aa
Line Spacing:
Column Width:
Background:
Article

A Decision Model for Ship Overtaking in Straight Waterway Channels

1
Merchant Marine College, Shanghai Maritime University, Shanghai 201306, China
2
Ningbo Dagang Pilotage Co., Ningbo 315812, China
*
Author to whom correspondence should be addressed.
J. Mar. Sci. Eng. 2024, 12(11), 1976; https://doi.org/10.3390/jmse12111976
Submission received: 10 September 2024 / Revised: 28 October 2024 / Accepted: 31 October 2024 / Published: 2 November 2024
(This article belongs to the Section Ocean Engineering)

Abstract

Overtaking situations are commonly encountered in maritime navigation, and the overtaking process involves various risk factors that significantly contribute to collision incidents. It is crucial to conduct research on the maneuvering behaviors and decision-making processes associated with ship overtaking. This paper proposes a method based on the analysis of ship maneuvering performance to investigate overtaking behaviors in navigational channels. A relative motion model is established for both the overtaking and the overtaken vessels, and the inter-vessel distance is calculated, taking into account the psychological perceptions of the ship’s driver. A decision-making model for ship overtaking is presented to provide a safety protocol for overtaking maneuvers. Applying this method to overtaking data from the South Channel shows that it effectively characterizes both the permissible overtaking space and the driver’s overtaking desire. Additionally, it enables the prediction of optimal overtaking timing and strategies based on short-term trajectory forecasts. Thus, this method not only offers a safe overtaking plan for vessels but also provides auxiliary information for decision making in intelligent ship navigation.

1. Introduction

The expansion of the global economy has fostered the thriving development of the maritime industry. With the diversification of cargo transportation and an increase in transport volume, the variety of ship types has been continuously enriched, and the differences in ship size and sailing speed have become increasingly pronounced. In customary shipping lanes and designated traffic separation schemes, the density of ship traffic has increased, leading to a higher frequency of overtaking maneuvers. To ensure the navigational safety of ships during overtaking and to prevent collision accidents caused by overtaking, the 1972 International Regulations for Preventing Collisions at Sea addresses this critical issue and discusses the provisions for overtaking [1]. It stipulates that the overtaking vessel has an obligation to give way to the overtaken vessel until it is safely clear. Therefore, analyzing the behavior and maneuvering schemes of the overtaking vessel during the overtaking process is of great significance.
As a common encounter situation, dangerous overtaking behavior is a significant cause of collision accidents. Maritime traffic management departments also lack effective management methods for dangerous overtaking behaviors of ships. From 2012 to 2016, a total of 964 collisions occurred in certain inland waterway sections of China, among which 129 collisions were caused by the overtaking of vessels. This indicates that overtaking is prone to induce navigation accidents. In the inland waters of the Nanjing section alone, there are at least 200 instances of vessel overtaking every day. During the overtaking process, ships mainly rely on the driver’s seamanship and subjective judgment, lacking a reasonable reference scheme for safe overtaking. With maritime traffic gradually evolving toward intelligent and unmanned operations, there is an urgent need for intelligent driving decision-making algorithms to assist in ship navigation.
Ship overtaking is one of the three major encounter situations at sea, a frequently encountered behavior during ship navigation, and a significant scenario leading to ship collisions. Collisions pose a substantial threat to maritime safety. Statistics indicate that approximately 80% of collision accidents are caused by human factors [2]. Such accidents not only endanger the personal safety of crew members on board but also result in substantial economic losses. The development of smart ships has to some extent reduced the impact of human factors on ship safety. As one of the key technologies in ship intelligence, smart collision avoidance is currently a hot research direction in the field of ship navigation safety. The study of ship overtaking behavior is inseparable from the study of ship collision avoidance.
In the 1980s, Tokyo University of Mercantile Marine in Japan was the first to apply expert systems to solve the problem of automatic ship collision avoidance [3], but expert systems could not adapt to the complex and variable maritime environment. With the rapid development and application of intelligent algorithms, Hasegawa used triangular and gradient membership functions as fuzzy variables to fuzzify collision avoidance parameters, applying fuzzy control algorithms to ship collision avoidance [4]. Shi utilized the weight matrix of neural networks as a collision avoidance knowledge base, learning and memorizing uncertain parameters in the collision avoidance system [5], thus addressing the issue of complex environmental information. In addition, the artificial potential field, which constructs gravitational and repulsive force fields to manipulate ship movement, can plan smooth and safe ship collision avoidance paths and is currently widely applied in the research of intelligent collision avoidance. However, this method has the issue of local optimal solutions [6]. Duan improved the artificial potential field method by setting a second target attractive potential field, overcoming the problem of local minimum points in the active obstacle avoidance of autonomous driving vehicles [7].
Ship collision avoidance encompasses various encounter situations in ship navigation. Most of the current research focuses on planning global or local collision avoidance paths. Ship maneuverability and motion control constitute the foundational theories for the study of ship collision avoidance decision support, automatic collision avoidance, and dynamic collision avoidance path planning [8]. In local path planning, the study focuses on the safety and optimum path of a ship in given static and dynamic environments [9]. The artificial potential field method is a common approach for global path planning, but it suffers from the problem of local minima [10,11]. An algorithm that integrates the Safe A* algorithm and the artificial potential field method has been proposed to synergistically conduct both global and local path planning [12,13]. Based on the high-precision ship motion model, a navigator’s acceptance and application are considered for local path planning [14]. Ship collision avoidance is achieved by imitating human control behavior to increasing the intelligence and adaptability of ships [15]. There is less research on overtaking decision making and schemes during ship overtaking. With the increasing number of ships and the impact of traffic separation schemes, the frequency of ship overtaking increases, and the probability of collision accidents during overtaking rises, especially in high-traffic-density straight waterways. The ship-to-ship effect during overtaking is one of the important causes of collision accidents. Recent research on ship overtaking has primarily focused on analyzing the ship-to-ship effects during the overtaking process, proposing safe overtaking distances through hydrodynamic analysis. Initially, researchers used slender body theory to study the ship-to-ship effect. Paulauskas [16] studied the impact of hydrodynamic interactions between ships on the maneuverability of two ships encountering and overtaking in shallow and narrow channels. Pawar focused on the laws of action in shallow and narrow waters for overtaking situations and passing by moored ships [17]. Vantorre used approximate time history functions to predict the actual values of interactive forces between ships during encounters, which is also applicable to moored vessels, but it cannot calculate the interactive forces for multiple types of ships during encounters [18]. Varyani and others conducted extensive research on the impact of ship-to-ship effects on the motion state of ships [19,20]; they proposed and improved the calculation formula for ship-to-ship interference forces, providing a theoretical basis for the calculation of ship-to-ship effects during overtaking. Jiang Fucai analyzed the safe lateral distance during ship overtaking, explored the safe distance between two ships during overtaking, and improved the safety of ship overtaking [21]. Tian Huibin identified factors and modeled behaviors for ship overtaking in traffic separation water areas, guiding the selection of overtaking timing in typical traffic separation water areas, but they did not consider the impact of the driver during overtaking [22]. During the navigation phase, the helmsman’s control decisions are also an important factor affecting the safety of overtaking. Therefore, studying the overtaking decision-making scheme that considers both objective navigational environments and subjective driving desires is key to ensuring safe ship overtaking.
In summary, although research on ship collision avoidance is a hot field, much of this research focuses on environmental modeling and cannot analyze the relative motion between ships or provide driving decisions. Therefore, there is a need to propose a ship overtaking decision-making model that can analyze ship maneuvering performance and consider the driving desires of the driver, analyze the overtaking conditions and timing, and make correct navigation decisions. This model will serve unmanned ship driving research in the era of smart navigation and promote the research process of ship intelligence.

2. Ship Overtaking Risk Identification and Analysis

2.1. Description of Ship Overtaking Risks

The 1972 International Regulations for Preventing Collisions at Sea stipulate “a vessel is considered to be overtaking when coming up with another vessel from a direction more than 22.5 degrees abaft the beam of the overtaken vessel’s stern, that is, when the overtaking vessel cannot see any lights of the overtaken vessel except its stern light, in the nighttime” [1]. During overtaking, the position of the overtaking vessel should be in any direction more than 22.5 degrees above the beam of the overtaken vessel’s stern, which is illustrated in Figure 1, and the speed of the overtaking vessel should be greater than that of the overtaken vessel.
In the process of ship navigation, once an overtaking situation is formed, the overtaking vessel always assumes the responsibility of the give-way vessel, even if the relative positions of the two vessels change during the overtaking process. Therefore, the overtaking vessel needs to bear more responsibility and maintain higher vigilance during the overtaking process.
The ship overtaking process discussed in this paper is divided into two phases: the longitudinal following phase and the lateral parallel phase. The local situation analysis of the ship overtaking is illustrated in Figure 2 with the initial heading of the overtaking ship i and the overtaken ship j before the overtaking as the vertical axis, and the direction perpendicular to the initial heading as the horizontal axis. It is known that the speeds of ships i and j before the overtaking are V 1 and V 2 , respectively, their lengths are l 1 and l 2 , their widths are B 1 and B 2 , their drafts are D 1 and D 2 , the longitudinal distance is S i j , and the lateral distance is S p (during the following phase, S p = 0 ). To ensure the safety of the overtaking process, during the longitudinal following phase, the longitudinal distance between ships i and j should be greater than or equal to the safe following distance between the two ships; during the lateral parallel phase, to avoid collisions, ships i and j should maintain a safe lateral distance to prevent significant ship-to-ship interaction forces.

2.2. Lateral Parallel Distance

During the process of two ships approaching and moving away from each other, the flow velocity and pressure in the water around the ships change due to the influence of the ships’ draft and sailing speed. This phenomenon, where ships exert lateral suction and turning moments on each other, affecting their sailing attitude and trajectory, is known as the ship-to-ship effect, and it is also referred to as the ship-suction phenomenon. The ship-to-ship effect between two ships is related to the distance between the ships, their relative positions, ship speeds, and ship dimensions. The ship-to-ship effect is more pronounced when there is a significant difference in the size of the two ships, a small lateral distance, and high ship speeds. Figure 3 illustrates the changes in the forces experienced by the bow, midship, and stern of the overtaking ship i and the overtaken ship j during the overtaking process.
In the context of ship overtaking, it is crucial to maintain an adequate lateral parallel distance to mitigate the ship-to-ship effects and ensure safe navigation. The lateral forces and torques can lead to deviations from the intended course if not properly managed, potentially leading to dangerous situations. Therefore, understanding and accounting for these effects are vital for the safe execution of overtaking maneuvers.
Varyani developed a general theoretical model that provides a theoretical analysis and calculation of the ship-to-ship effects during the overtaking process [4]. The model yields the lateral force and yawing moment, as well as the coefficients of the lateral force Y S and yawing moment N S , which are expressed as
Y S = 1 2 ρ V 1 V 2 B T 1 C Y S N S = 1 2 ρ V 1 V 2 B L 1 C N S
where ρ is the water density, V 1 , V 2 is the speed of the overtaking ship and the overtaken ship, B is the beam of the ship, L 1 is the length of the overtaking ship, and T 1 is the draft of the overtaking ship.
The coefficients for the lateral force C Y S and yawing moment C N S are given by
C Y S = 0.47 cos 0.86 π t e 0.05 t 2 ( 1 0.18 t ) H / T 1.5 2.25 2 S P L 1.25 L 1 L 2 2.5 [ 0.5 ( V 1 V 2 + 1 ) ] C N S = 0.15 cos 0.86 π t e 0.95 t 2 1 0.18 t 1 + A t H T 1.5 2.25 2 S P L 1.25 L 1 L 2 2.5 0.5 V 1 V 2 + 1
where S p is the lateral distance between the ships,   L = ( L 1 + L 2 ) / 2 is the average length of the ships, T = ( T 1 + T 2 ) / 2 is the average draft of the ships, and H is the depth of the waterway. The parameter t is used to describe the relative position of the overtaking ship i with respect to the overtaken ship j during the overtaking process.
The function A ( t ) is defined as
A t = 1 a e b ( t t 0 + ) 2  
For the analysis of the ship-to-ship effects during the overtaking process as the lateral and longitudinal distances change, the parameters for the overtaking ship are a = 0.30 ,   b = 0.01 ,   t 0 = 0.80 ,   = 0.50 ; for the overtaken ship, the parameters are a = 0.65 ,   b = 0.20 ,   t 0 = 0.50 ,   = 0.01 .
During maritime navigation, external environmental factors such as wind, wave, current, and visibility also influence ship maneuverability. The relevant research indicates that the impact of wind and current on ship behavior is correlated with the dimensions of the vessel, which constitutes a significant parameter in the force interactions between ships. This involves more nuanced studies in fluid dynamics, which can enhance the precision of computational outcomes. In the analysis and calculation of force interactions during overtaking situations, the influence of visibility is minimal due to the proximity of the vessels. This paper focuses primarily on grasping the static and dynamic parameters inherent to ship motion, assuming an ideal navigational environment.

2.3. Longitudinal Following Distance

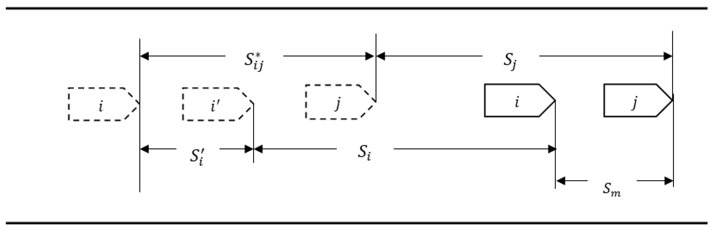
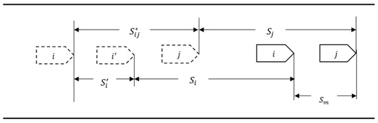
The concept of longitudinal following distance has its origins in the field of road traffic, where it is primarily used to analyze the safe distance between vehicles. Figure 4 illustrates a schematic of the following phase in a straight waterway overtaking scenario. Let the displacement of the leading vessel during an emergency stop be denoted as S j . The distance traveled by the following vessel during the reaction time is represented by S i , and the distance it travels while decelerating to a stop is S i . The minimum safe headway distance that should be maintained after both vessels have come to a stop is S m . The safety following distance during the pursuit phase, S i j , is the minimum distance that the following vessel should maintain to prevent a collision, assuming the leading vessel makes an emergency stop.
In the overtaking following phase, due to the significant differences in ship types and maneuvering performance, the calculation of the safe following distance requires an analysis of the ship’s maneuvering characteristics. The stopping distance, backing distance, and stationary distance during the ship’s navigation process need to be calculated and analyzed based on the ship’s characteristic parameters.
  • Stopping Distance
The distance a ship travels from the moment the engine stop command is issued until the ship ceases to move through the water at a certain speed is called the stopping distance, which is denoted as S t :
S t = 0.024 C · V 0
where C represents the time constant for the ship’s speed to halve (min), which varies with displacement, and V 0 is the ship’s speed at the time of stopping (m/s).
  • Backing Distance
The distance a ship travels from the moment the command is given to start backing, moving forward three times and then backing three times, until the ship ceases to move through the water is called the backing distance. This distance is also known as the emergency stopping distance or the minimum stopping distance, which is denoted as S d :
S d = 1 2 W k x g T p V 0 2
where S d is the backing distance (m); g is the acceleration due to gravity (9.8 m/s2); W is the ship’s displacement (t); k x is the virtual mass coefficient in the forward direction of the ship, which can be obtained experimentally (for Very Large Crude Carriers or fat-hulled ships, it can be taken as 1.07); T p is the propeller’s backing pull (t), which can be estimated using T p = 0.01 N p (where N p is the backing power); V 0 is the ship’s speed when backing (m/s).
  • Reaction Time
The time it takes for a ship to issue a command from the moment an incident is detected during the stopping process is called the reaction time, τ , which is generally taken as 60 to 90 s. The distance traveled by the ship during the reaction time is denoted as S r :
S r = V 0 τ
  • Stationary Distance
The minimum longitudinal distance between a ship that has taken stopping measures and has come to a stop and the ship in front is denoted as S m :
S m = L 2 + α L 1
where α is an adjustment coefficient, which is typically taken as (1/4~1).
Based on the ship’s maneuvering characteristics, knowing the longitudinal forward direction, with the following ship i following the leading ship j, if the leading ship j experiences a sudden failure and makes an emergency stop, the safe initial longitudinal distance that the following ship i should maintain (the minimum safe following distance) is denoted as S i j . The stopping distance of the leading ship is S j , and according to the ship’s maneuvering performance, the following ship’s travel distance during the reaction time is S i , and the braking distance of the following ship is S m .
S j = S d
S i = β 1 S d + β 2 S t
S i = S c
where β 1 , β 2 is the parameter for the driver to make an emergency stop and regular stop, β 1 + β 2 = 1 .
S i j + S j = S i + S i + S m
From that, we can derive
S i j = S i + S i + S m S j
The minimum safe following distance S i j can be expressed as
S i j = β 1 0.024 C i x ˙ i t + β 2 1 2 ( W i k x i ) g T p i x ˙ i 2 t 1 2 W j k x j g T p j x ˙ j 2 t + x ˙ i ( t 0 ) τ + L j + α L i
where x ˙ i t , x ˙ j t (m/s) are the speeds of the overtaking and overtaken ships, τ is the reaction time, which is the time from detecting an incident to issuing a command, typically taken as 60~90 s, indicating the aggressiveness of driver i. If the speeds of the two ships are the same, the term involving β 1 and β 2 simplifies to γ i x ˙ i t :
γ i = β 1 0.024 C i x ˙ i t + β 2 1 2 ( W i k x i ) g T p i 1 2 W j k x j g T p j
Safe following distances are paramount in preventing collisions. The longitudinal control model, which incorporates safe following distances, is designed to describe and control the longitudinal motion of vehicles. While numerous models for longitudinal vehicle motion control exist, the Pipes model suffers from blind following issues, and the GM model focuses solely on the interactive forces between vehicles, failing to initiate autonomous vehicle operation. Similar limitations are prevalent in other models. Building upon field theory, Ni has proposed the Longitudinal Control Model (LCM), which considers only acceleration and deceleration in the following direction, representing a specific response of the driver to the overall field U i in the longitudinal direction, and it is also applicable in ship maneuvering [23].
Ni captures the nexus and distinctions between traffic and physical systems, grounding the theory in widely accepted fundamental principles and directly describing vehicular traffic phenomena through phenomenology. As traffic systems encompass both living entities and non-living components, the theory is subject to the dual constraints of physical laws and societal norms, which are encapsulated in four main hypotheses [24]. On this foundation, Ni has streamlined field theory to consider only the virtual forces in the longitudinal direction, constructing a longitudinal control strategy for road vehicles. Similarly, in maritime traffic, the system also includes both living entities and non-living components. Considering only the virtual forces in the longitudinal direction within field theory as it pertains to the advance of a ship, this leads to four hypotheses for waterway traffic as follows:
Hypothesis 1.
The waterway is a physical field. That is, the driver–vehicle unit is subject to the virtual force of gravity  G i  and the resistance  R i  due to maritime traffic regulations, as shown in Figure 5. The virtual force of gravity  G i  is a subjectively perceived force, and its direction is consistent with the longitudinal forward direction of the ship.
G i = m i × g i
Here, m i represents the mass of the vessel, and g i is the gravitational acceleration perceived by the driver, which is a function of the driver’s aggressiveness, the maneuvering performance of the vessel, and the navigable environment of the waterway, i.e., g i = g i   ( Θ , Λ , Ξ ) .
Additionally, the vessel is subject to resistance R i caused by navigation rules, which is related to the difference between the driver’s perceived actual speed and the desired speed, and the direction of it is opposite to the longitudinal forward direction of the vessel. Thus, the longitudinal force acting on vessel i is
m i x ¨ i = G i R i
where x ¨ i is the acceleration of vessel i. Since the right side of the equation represents the net force available for vessel acceleration, it can be understood as the unmet maneuverability of the vessel’s driver. When the speed x ˙ i is lower than the desired speed v i , the resistance increases as the vehicle speed x ˙ i increases, eventually bringing the right side of the equation to zero, at which point the vessel maintains the desired speed x ˙ i = v i . Similarly, when the vessel’s speed is higher than the desired speed v i , the acceleration is negative, and the vessel decelerates until it reaches the desired speed v i .
Therefore, the unmet maneuverability of the driver can be expressed as
G i R i = m i g i [ 1 ( x ˙ i v i ) δ ]
where δ is a calibration parameter.
Hypothesis 2.
The reaction of the vessel’s driver to the surrounding environment is anisotropic. Unlike the interactive forces in classical mechanics, this hypothesis takes into account the driver’s attention, which is a human and subjective factor. It designates the area directly in front of the driver as the driver’s keen visual field, as shown in Figure 6.
In the diagram, α i [ π , π ] represents the driver’s field of view. The force F ˜ i j is the actual force exerted on the driver, which depends on the driver’s attention to F i j .
F ~ i j = F i j × λ ( α i )
Hypothesis 3.
Vessel drivers interact within a certain spatial distance. This hypothesis represents the drivers’ perception of the surrounding navigation environment and the preventive measures they take through a field, as shown in Figure 7, which is the collision danger perceived by the driver. The field perceived by the driver exerts a repulsive force  F i j  on the driver, and the closer the distance, the greater the repulsive force perceived by the driver.
In the diagram, the elliptical dashed area represents the base of the field generated by other vessels that the driver of vessel i perceives, with cross-sections in the horizontal and vertical directions, as shown by the curves above the x-axis and y-axis.
Hypothesis 4.
Ship drivers always strive to seek benefits and avoid harm. Considering the driver’s driving strategy, the field caused by the moving object, the waterway, and traffic control is represented by an overall field  U i .
By extracting the static characteristics of the ship such as length, width, and draft, as well as dynamic characteristics such as ship position, speed, and heading, and calculating the ship’s safe following distance and safe lateral distance based on the ship’s maneuvering performance parameters, a two-dimensional Gaussian distribution is used to construct the ship’s field. Considering the safe longitudinal and lateral distances for ships, parameters a and b are set:
a = L i + S i j
b = B i + S p
f x , y = 1 2 π σ x σ y e x p 1 2 ( x x 0 ) 2 a σ x 2 + ( y y 0 ) 2 b σ y 2
where l i is the length of the ship; S i j is the safe following distance for the ship; B i is the width of the ship; S p is the safe lateral distance; x 0 is the horizontal coordinate value of the ship’s position; y 0 is the vertical coordinate value of the ship’s position; σ x is the ship’s lateral spatial extension parameter; and σ y is the ship’s longitudinal spatial extension parameter. The relative potential field constructed based on the ideal following distance and safe lateral distance during ship overtaking exerts an increasing repulsive force on the overtaking ship.
The U i is viewed as a mountain range, where the altitude of the mountains represents the level of risk of harm, and the driver’s driving strategy is represented as traversing the current mountain range along valleys that are both energy saving and safe, as shown in Figure 8.
In maritime traffic, the factors to be considered and the environment faced are more complex than those in road traffic. For overtaking ships in straight waterways, the following process of ship overtaking can be described using field theory to analyze the driving environment faced by the driver, the maneuverability of the driver, and the longitudinal navigation congestion, establishing a longitudinal control strategy for channel ships.
Along the longitudinal forward direction, the field profile experienced by driver i, denoted as U i , y , mainly depends on the only j ship directly ahead. Therefore, the repulsive force F i j that ship i experiences longitudinally can be derived from U i , y , that is
F i j = 𝜕 U i , y 𝜕 y
From Hypothesis Four, the net force acting on ship i in the longitudinal direction is
m i x ¨ i = F i , x = G i R i F i j = m i g i R i + 𝜕 U i , y 𝜕 y
As illustrated in Figure 9, the safe following distance S i j is set as the baseline. When ship i intrudes upon this baseline, it experiences a repulsive force that is proportional to the exponential of the invasion distance:
F i j = f ( e S i j S i j )
Here, S i j S i j represents the invasion distance of ship i.
In summary, the longitudinal control strategy for driver i can be expressed as
m i x ¨ i = F i , x = G i R i F i j = m i g i [ 1 ( x ˙ i v i ) δ ] f ( e S i j S i j )
In the above equation, incorporating time t , considering the drivers reaction time τ , setting δ = 1 , adjusting the coefficient of F i j , and eliminating m i yields
x ¨ i ( t + τ i ) = g i [ 1 x ˙ i ( t ) v i e S i j ( t ) S i j ( t ) S i j ( t ) ]
Here, x ¨ i ( t + τ i ) is the response of the driver at time t , which is delayed by the reaction time τ i , g i is the maximum acceleration the driver wishes to achieve from a standstill, x ˙ i ( t ) is the actual speed of the ship, and v i is the driver’s ideal speed.
This model includes only parameters with practical significance; it has physical and practical meaning, and various safety rules can be incorporated into the model through the ideal headway S i j .
Furthermore, when overtaking, it is necessary to fully consider the port and starboard overtaking allowable spaces of the overtaken ship to avoid collision risks with other ships. A circular area is defined with the midpoint of the overtaken ship as the origin and 2 S i j 1 / 2 L j as the radius R , and the ship information within this area is filtered. At the same time, the circular area is divided into the port overtaking space and starboard overtaking space by the boundaries of the overtaken ship’s port and starboard sides.
Filtering ships within the port and starboard overtaking spaces and constructing a ship field, as shown in Figure 10, involves calculating the minimum distances d p and d s between the ship field of the overtaking ship and that of the overtaken ship, as shown in Figure 11. This process provides a theoretical basis for analyzing the conditions under which overtaking is permitted.

3. Ship Overtaking Decision Model

3.1. Analysis of Overtaking Conditions

  • Overtaking Desire Based on Ship Speed
According to the longitudinal control model for ship drivers, the speed of the ship and the longitudinal headway between ships change over time. The instantaneous maneuverability of the ship can be expressed as the ratio of the ship’s actual speed to its desired speed, which is denoted as M i ( t ) :
M i t = x ˙ i ( t ) v i
Thus, the unsatisfied maneuverability of the ship can be expressed as
p v t = 1 x ˙ i ( t ) v i
where p v ( t ) ( 0 ,   1 ) . When p v ( t ) = 1 , the intention to overtake is at its maximum.
  • Overtaking Permissible Space
When ships navigate in a straight waterway, they need to maintain a safe following distance from the ship ahead. Based on the concept of field theory, a ship will experience a repulsive force when it intrudes into the safe following distance. Therefore, the overtaking permissible space of a vessel refers to the range of space within which a vessel can maintain a safe distance from other vessels while overtaking. The decision of the ship driver is to navigate the ship in a “valley” that is safe and efficient.
Therefore, the longitudinal overtaking permissible space for the ship is
p G A t = 1 e S i j t S i j t S i j t
where p G A ( t ) ( 0 ,   1 ) . When p G A ( t ) = 1 , the longitudinal distance is infinitely far, and the longitudinal overtaking permissible space is at its maximum.
Using the AIS data acquisition time interval T (30 s), the dynamic overtaking space information for the port and starboard sides of the overtaken ship is obtained and the ship field is constructed. As mentioned in the previous section, the permissible space for overtaking on the port side is
p p t = d p ( t ) R
In the formula, R is the radius of the dynamic overtaking space, which changes over time. p p ( t ) ( 0 ,   1 ) , and when p p ( t ) = 1 , there are no ships in the port overtaking space, and the port overtaking permissible space is at its maximum.
The permissible space for overtaking on the starboard side is
p s t = d s ( t ) R
where p s ( t ) ( 0 ,   1 ) , and when p s ( t ) = 1 , there are no ships in the starboard overtaking space, and the starboard overtaking permissible space is at its maximum.
Analyzing the safe overtaking conditions for ships, the maximum value of the port and starboard overtaking permissible spaces is taken as the ship’s lateral overtaking permissible space p c ( t ) :
p c t = m a x ( p p t , p s t )
where p c ( t ) ( 0 ,   1 ) , and when p c ( t ) = 1 , there are no ships in the dynamic overtaking space.

3.2. Overtaking Decision Model

Based on the longitudinal control strategy of the ship, the acceleration x ¨ ( t + τ ) of the overtaking ship can be determined. Consequently, the velocity x ˙ i ( t + T ) of the overtaking ship and the displacement s i within the time interval T (30 s) are given by
x ˙ i t + T = x ˙ i t + x ¨ i t + τ i T
S i = x ˙ i t · T + 1 2 x ¨ i t + τ i T 2
The displacement s j of the overtaken ship and the ships within the dynamic overtaking space during the time interval T (30 s) is given by
S j = x ˙ j t · T
Thus, the actual longitudinal distance S i j ( t + T ) between the overtaking ship and the overtaken ship is
S i j t + T = S i j t + S i S j
When studying transportation systems, we focus on three types of systems: a physical system, a traffic system, and a social system, as shown in Figure 12. The physical system is composed of non-living objects, and the movement of these objects is governed by the laws of physics. In contrast, the social system includes living individuals, such as humans. Although individual human behaviors vary greatly, the overall behavior follows certain patterns (for example, seeking benefits and avoiding harm). Thus, physical science can be considered a “hard” science because it is objective, rigorous, and precise; whereas social science is a “soft” science because it is subjective, vague, and imprecise. Situated between the two is traffic science, which includes both living entities (such as drivers) and non-living objects (such as channels and vessels). Therefore, traffic science lies between “hard” and “soft” sciences. Therefore, when ships overtake, the decision system includes both “soft” science, which is the subjective intention of the driver, and “hard” science, which is the objective overtaking permissible space.
By integrating the “soft” and “hard” sciences in the analysis of the ship overtaking decision process, a probability model for the overtaking decision p ( t ) is constructed:
p t = p v t × p G A t × p c t
where p ( t ) ( 0 ,   1 ) , and when p ( t ) = 1 , the intention to overtake is at its maximum, the longitudinal overtaking permissible space is at its maximum, and there are no ships within the port and starboard overtaking permissible spaces.
By analyzing the trend of ship movement, the moment when p = p ( t ) m a x is taken as the optimal overtaking solution. At this time, undertaking the overtaking action ensures that the ship’s safety in overtaking is relatively the highest, and the overtaking risk is relatively the lowest.

4. Case Study

4.1. Data Presentation

Due to the significant variability in ship sizes, when overtaking occurs in a straight waterway, it is necessary to analyze both the static and dynamic information of the overtaken and the overtaking vessels. The current overtaking situation should be assessed based on the actual navigation status, and the changes in the overtaking situation should be predicted based on dynamic information such as ship speed. In this paper, a case study is selected from the South Channel, where the liquefied petroleum gas (LPG) carrier “ORIENTAL GLORY” overtakes the container ship “RUN FA BAO ZHOU”. The static and dynamic information of the vessels is presented in Table 1, in which C represents the ship speed halving time constant of the vessel.

4.2. Application

  • Ideal Following Distance
The ideal following distance S i j between the overtaking ship “ORIENTAL GLORY” and the overtaken ship “RUN FA BAO ZHOU” is calculated based on the vessels’ dimensions and power with a conservative bias reflected in the values of β 1 and β 2 . β 1 = 0.8 , β 2 = 0.2 for the calculation. Figure 13 illustrates the variation in the ideal following distance S i j with different values of β 1 .
The values of β 1 , β 2 represent the tendencies of a ship’s captain toward routine and emergency maneuvering stops, respectively. The value of γ represents the aggressiveness of the ship’s driver. As depicted in Figure 11, it is observed that as the aggressiveness of the ship’s captain increases, the ideal following distance S i j decreases, which aligns with the objective laws of maritime navigation and maneuvering.
  • Safe Lateral Distance
The calculation of the safe lateral distance involves incorporating information such as the ship’s dimensions and speed into the ship-to-ship interaction formula. By setting different ratios of S p / L (where S p is the lateral distance and L is the ship’s length), numerical simulation experiments can be conducted to observe the magnitude of the lateral force and yawing moment during overtaking. Figure 14 and Figure 15 illustrate the results of these simulations. These simulations are crucial for understanding the dynamics of ship interactions during overtaking and for determining the safe lateral distances that should be maintained to avoid dangerous situations. The lateral force and yawing moment are critical factors that influence the stability and safety of the ships involved in the overtaking process.
Based on the numerical simulation of the lateral force and yawing moment during ship overtaking, it can be observed that as the lateral distance between ships increases during the overtaking process, the lateral force and yawing moment between the ships decrease exponentially. Considering the width limitations of the waterway, when the lateral distance S p = 0.8 L , the lateral force and yawing moment between the ships are within a safe range. However, when the lateral distance during overtaking is less than 0.5 L , the lateral force and yawing moment can change significantly, even increasing exponentially.
  • Port and Starboard Overtaking Spaces
At the given moment, ships within the lateral overtaking spaces are filtered and their information is recorded. For the overtaken ship “Run Fa Bao Zhou”, there is one ship, “Jiang Xia Hong”, in the port overtaking space. The information of the ship at this moment is recorded as shown in Table 2. There are no ships in the starboard overtaking space; hence, the starboard overtaking permissible space is always greater than the port side.
  • Ship Field
Based on a two-dimensional Gaussian distribution to establish a ship field, considering the safe longitudinal and lateral distances of ships, the ships within the lateral overtaking space at that moment are filtered and their information is recorded. There is a ship named “Jiangxia Hong” in the port overtaking space of the overtaken ship “Runfa Baozhou”, and the information of the ship at this moment is recorded as shown in Table 2. There are no ships in the starboard overtaking space; thus, the starboard overtaking allowable space is always greater than the port side. According to Formulas (19) and (20), the safe longitudinal and lateral distance parameters ( a ,   b ) for the overtaken ship “Runfa Baozhou” and the ship “Jiangxia Hong” in the port overtaking space can be calculated as shown in Table 3.
  • Overtaking Ship’s Longitudinal Control Strategy
According to the longitudinal control strategy of the ship, the overtaking ship “ORIENTAL GLORY” has a speed of 8 knots with an ideal speed of 10 knots. The overtaken ship has a speed of 7.2 knots. The acceleration of “ORIENTAL GLORY” is given by
x ¨ 1 t + τ i = 8 1 x ˙ 1 ( t ) v 1 e 1 S 12 ( t ) S 12 ( t )
  • Ship Trajectory Prediction
The trajectory prediction for the ships is based on the longitudinal control strategy of the overtaking ship, as well as the position and speed of the overtaken ship and any ships within the port and starboard overtaking spaces. This prediction estimates the relative positions of the ships over the next period of time. As shown in Figure 16 and Figure 17, the trajectory prediction helps with visualizing the future paths of the ships and assessing the safety of the overtaking maneuver.
As time progresses, the predicted changes in the distance and speed between the overtaking ship and the lead ship indicate that at 56 min from the current moment, the two ships will be at their closest distance and the speed will be at its lowest within that time frame. At this point, the overtaking permissible space is at its minimum, but the desire to overtake based on the ship’s speed is at its maximum. If no overtaking action is taken, the ship will maintain a stable following behavior after a period of time.
  • Overtaking Decision Model
The overtaking decision model for ships is primarily based on the following three conditions:
(a)
Whether the ship’s longitudinal following distance meets the overtaking conditions;
(b)
The gap between the driver’s desired sailing speed and the actual sailing speed;
(c)
Whether the distance within the ship field of the overtaken ship’s port and starboard overtaking spaces meets the overtaking conditions.
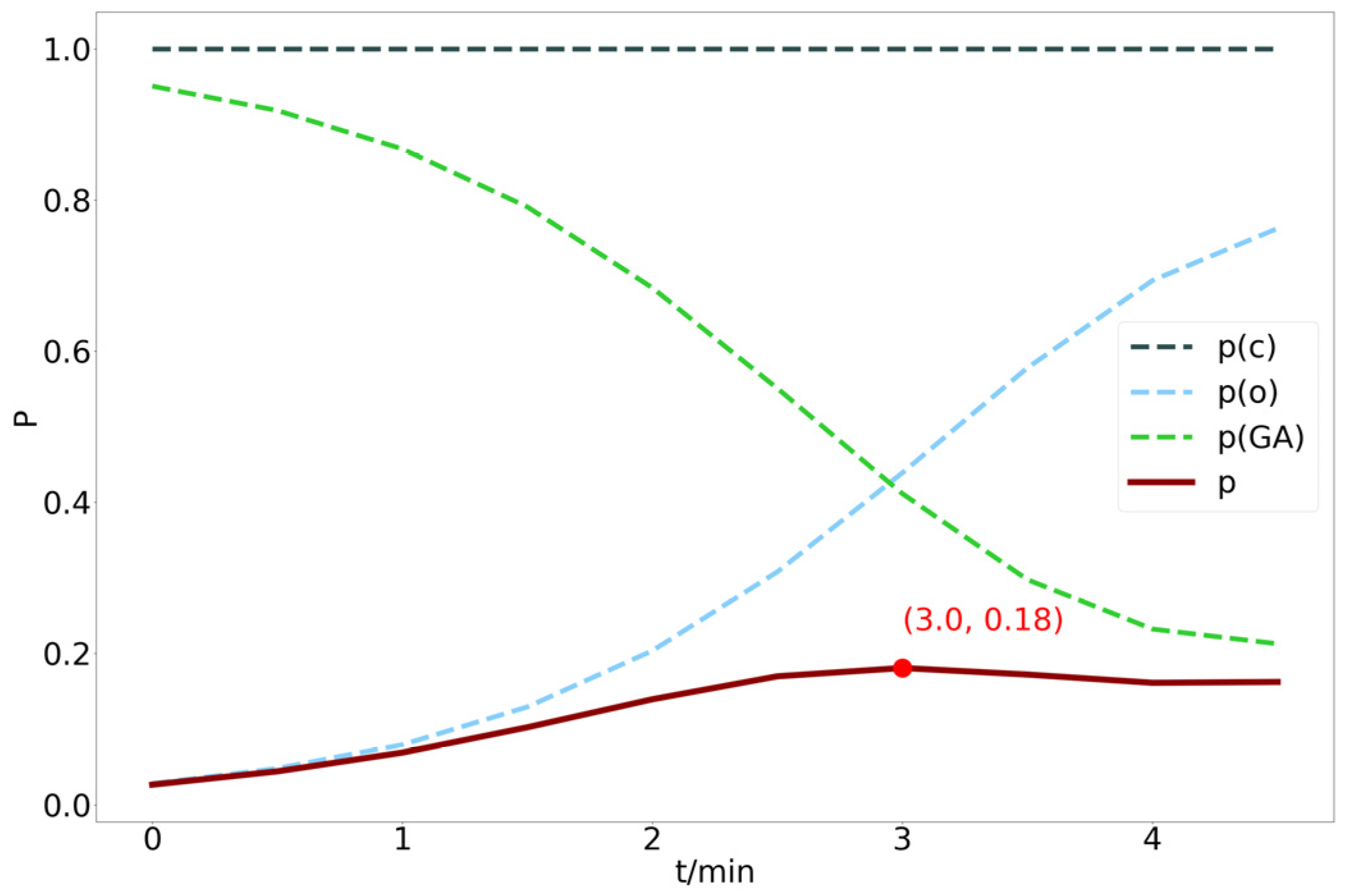
During the navigation process, the ship’s distance and speed are dynamically changing over time. Therefore, the ship’s longitudinal overtaking permissible space, lateral overtaking permissible space, and the unmet maneuverability of the driver are not constant over a period of time. Based on the ship’s longitudinal control strategy, the acceleration and speed change in the ship can be predicted at a certain moment, which allows for the prediction of the ship’s position change. At the same time, other ships are considered to be sailing at a constant speed and direction. As shown in Figure 18, based on the predicted results, the changes in the ship’s overtaking permissible space are analyzed to obtain the best overtaking timing and plan for the ship within a certain period.
Based on the ship overtaking decision model, at 3 min from the current moment, there are no ships in the starboard overtaking space, and the combined value of the ship’s unsatisfied maneuverability and the overtaking permissible space is at its maximum, making it the most suitable time for overtaking. Undertaking the overtaking at this time is relatively safe and aligns with the captain’s steering desires.

5. Discussion

As a common maritime navigation behavior, ship overtaking involves multiple risk factors. On straight waterways, when a ship transitions from following to overtaking, it is crucial to seize the appropriate overtaking opportunity and adopt a safe overtaking plan. Therefore, this study proposes a decision model for ship overtaking on straight waterways by integrating the captain’s steering intentions and the ship’s maneuvering performance.
The process of ship overtaking is lengthy and significantly influenced by the type of ship and its speed, which can easily lead to collision accidents. This paper analyzes the dangerous factors faced by ships during overtaking, breaking down the overtaking behavior into multiple stages. It examines the relationship between the ship driver’s desired speed and the actual ship speed, quantifies the overtaking intention based on ship speed, calculates the safe following and lateral distances when a ship overtakes another, and avoids creating dangerous situations with other ships on the overtaking path. By constructing a ship field using a Gaussian function and analyzing the ship’s longitudinal control strategy, the model predicts changes in ship distance and calculates the overtaking decision model, ultimately providing the best overtaking timing and plan for the ship. This method takes into account various situations that a ship may face during overtaking and performs computational analysis in conjunction with the actual maneuvering performance of the ship, reasonably reconstructing the overtaking process. Applying this method to the experimental analysis of the South Channel of the Yangtze River shows that it can not only analyze changes in the navigational situation during ship overtaking but also provide a reasonable overtaking timing and plan, ensuring the safety of the overtaking process.

6. Conclusions

Ship overtaking is a significant cause of maritime collisions, and making correct overtaking decisions is a crucial foundation for ensuring navigational safety. While there is extensive research on ship collision avoidance, studies focusing on the safe overtaking process and decision making are relatively scarce. This paper, based on the ship overtaking process and considering the overtaking vessel following the overtaken vessel analyzes the maneuvering performance of ships, introduces the concept of field theory to map the ship field, and constructs a longitudinal control strategy for ships, providing the best overtaking timing for the navigator to analyze the overtaking environment. It takes into account the steering desires of ship drivers and formulate reasonable overtaking plans, providing important reference indicators for ship overtaking.
To verify the feasibility of this method, ship data from the South Channel of the Yangtze River were collected for case studies. The case study results show that this method can clearly analyze the overtaking situation of ships. The ship trajectories predicted by the longitudinal control strategy are highly consistent with actual data. Moreover, the overtaking decisions made based on the analysis of the navigational situation fully consider the differences in maneuvering performance and the steering desires of the captains, which have practical reference significance for ship driving and ensuring navigational safety. In addition, this method can construct real-time ship encounter situations and predict changes in the navigational situation, which also has certain guiding significance for the maneuvering and collision avoidance behaviors of autonomous ships.
However, there are some limitations to this method. Further exploration of the subjective factors influencing the driver’s decisions is needed in subsequent studies. The external environment during ship navigation, which includes factors such as wind, wave, current, and visibility, is also a significant determinant affecting ship maneuvering decisions. These factors will be further explored in future research to enhance the precision and safety of operational decision making.

Author Contributions

The authors confirm that the contributions to this paper are as follows: conceptualization, N.L.; data curation, Y.L. and Y.S.; formal analysis, N.L. and F.L.; methodology, Y.S. and N.L.; software, F.L.; writing—review and editing, Y.L. and N.L. All authors have read and agreed to the published version of the manuscript.

Funding

This work was funded by Research and Application Demonstration Project of Key Technologies for Safeguarding of Container vessels in Ningbo Zhoushan Port Based on Intelligent Navigation under grant ZJHG-FW-2024-27, the Shanghai Commission of Science and Technology Project under grants 21DZ1201004 and 2300501900, the Anhui Provincial Department of Transportation Project under grant 2021-KJQD-011, the National Natural Science Foundation of China under grant 51509151, and in part by the Shandong Province Key Research and Development Project under grant 2019JZZY020713.

Institutional Review Board Statement

Not applicable.

Informed Consent Statement

Not applicable.

Data Availability Statement

No new data were created or analyzed in this study. Data sharing is not applicable to this article.

Conflicts of Interest

Author Yong Shen was employed by the company Ningbo Dagang Pilotage Co. The remaining authors declare that the research was conducted in the absence of any commercial or financial relationships that could be construed as a potential conflict of interest.

References

  1. International Maritime Organization. International Regulations for Preventing Collisions at Sea; International Maritime Organization: London, UK, 1972. [Google Scholar]
  2. Wang, K.; Wang, T.F.; Wu, B.; Yan, X.P. Trends and Prospects of Marine Navigation and Safety of Sea Transportation from TansNav 2017 Conference. Transp. Inf. Saf. 2017, 35, 1–11. [Google Scholar]
  3. Imazu, H.; Sugisaki, A.; Tsuruta, S.; Inaishi, M.; Matumura, H. Basic Research on an Expert System for Navigation at Sea. China Navig. 1989, 2, 99–102. [Google Scholar]
  4. Hasegawa, K.; Kouzuki, A.; Muramatsu, T.; Komine, H.; Watabe, Y. Ship Auto-navigation Fuzzy Expert System (SAFES). J. Soc. Nav. Archit. Jpn. 1989, 166, 445–452. [Google Scholar] [CrossRef] [PubMed]
  5. Shi, P.A.; Chen, W.W.; Wang, J.Q.; Shen, M. A neural network based composite collision avoidance expert system. Navig. Technol. 2001, 6, 2–5. [Google Scholar]
  6. Zhang, M.M.; Shi, C.J. Application of APF method in ship’s autonomous collision avoidance. J. Shanghai Marit. Univ. 2007, 28, 126–131. [Google Scholar]
  7. Duan, Y.J.; Yang, C.B.; Zhu, J.H.; Meng, Y.M.; Liu, X. Active obstacle avoidance method of autonomous vehicle based on improved artificial potential field. Int. J. Adv. Robot. Syst. 2022, 19, 172988062211159. [Google Scholar] [CrossRef]
  8. He, Y.X.; Zhang, X.H.; Hu, W.X.; Li, M.X.; Gong, S.A.; Jin, Y.; Mou, J.M. Ship Dynamic Collision Avoidance Mechanism Based on Course Control System. J. Southwest Jiaotong Univ. 2020, 55, 988–993+1027. [Google Scholar]
  9. Smierzchalski, R.; Michalewicz, Z. Modeling of ship trajectory in collision situations by an evolutionary algorithm. IEEE Trans. Evol. Comput. 2000, 4, 227–241. [Google Scholar] [CrossRef]
  10. Wang, D.Y.; Wang, P.; Zhang, X.T.; Guo, X.X.; Shu, Y.Q.; Tian, X.L. An obstacle avoidance strategy for the wave glider based on the improved artificial potential field and collision prediction model. Ocean. Eng. 2020, 206, 107356. [Google Scholar] [CrossRef]
  11. Qu, S. Research on Path Planning of Unmanned Ship Based on Improved Rapid Expansion Random Tree Method. Master’s Thesis, Dalian Ocean University, Dalian, China, 2023. [Google Scholar]
  12. Liu, Y.H.; Wang, T.; Xu, H. PE-A* Algorithm for Ship Route Planning Based on Field Theory. IEEE Access 2011, 10, 36490–36504. [Google Scholar] [CrossRef]
  13. Zhang, Q.; Lu, S.Y.; Zhang, J.R.; Jiang, Z.; Yu, S.W.; Li, Z.P. Path planning of inspection robot integrated safety A* algorithm and improved artificial potential field method. Comput. Age 2022, 11, 29–33+37. [Google Scholar]
  14. Zhu, Z.X.; Yin, Y.; Lyu, H.G. Automatic collision avoidance algorithm based on route-plan-guided artificial potential field method. Ocean. Eng. 2023, 271, 113737. [Google Scholar] [CrossRef]
  15. Adriano, S.; Nicola, P.; Luigi, F. Modeling Nonlinear Dynamics in Human-Machine Interaction. IEEE Access 2023, 1, 58664–58678. [Google Scholar]
  16. Paulauskas, V.; Paulauskas, D.; Maksimavičius, R. Hydrodynamic interactions between ships in narrow channels. Transport 2014, 29, 212–216. [Google Scholar] [CrossRef][Green Version]
  17. Pawar, R.; Bhar, A.; Dhavalikar, S.S. Numerical prediction of hydrodynamic forces on a moored ship due to a passing ship. Proc. Inst. Mech. Eng. Part M J. Eng. Marit. Environ. 2019, 233, 575–585. [Google Scholar] [CrossRef]
  18. Vantorre, M.; Banasiak, R.; Verhoeven, R. Modelling of hydraulic performance and wave energy extraction by a point absorber in heave. Appl. Ocean. Res. 2004, 26, 61–72. [Google Scholar] [CrossRef]
  19. Varyani, K.S.; Thavalingam, A.; Krishnankutty, P. New generic mathematical model to predict hydrodynamic interaction effects for overtaking maneuvers in simulators. J. Mar. Sci. Technol. 2004, 9, 24–31. [Google Scholar] [CrossRef]
  20. Varyani, K.S.; Mcgregor, R.; Wold, P. Interactive forces and moments between several ships meeting in confined waters. Control. Eng. Pract. 1998, 6, 635–642. [Google Scholar] [CrossRef]
  21. Jiang, F.C. Discussion on the safety positive transverse distance for ship overtaking. Transp. Sci. Technol. 2000, 4, 56–57. [Google Scholar]
  22. Tian, H.B. Study on Ship Overtaking Behavior Modeling and Risk Assessment Method within Ship Routing Schemes. Master’s Thesis, Wuhan University of Technology, Wuhan, China, 2020. [Google Scholar]
  23. Ni, D. Traffic Flow Theory: Characteristics, Experimental Methods, and Numerical Techniques; Butterworth-Heinemann: Portsmouth, NH, USA, 2016; pp. 379–386. [Google Scholar]
  24. Ni, D. A Unified Perspective on Traffic Flow Theory, Part I: The Field Theory. In Proceedings of the ICCTP 2011, Nanjing, China, 14–17 August 2011; American Society of Civil Engineers: Reston, VA, USA, 2012; pp. 4227–4243. [Google Scholar]
Figure 1. Ship overtaking situation.
Figure 1. Ship overtaking situation.
Jmse 12 01976 g001
Figure 2. Analysis of ship overtaking phases.
Figure 2. Analysis of ship overtaking phases.
Jmse 12 01976 g002
Figure 3. Schematic diagram of the ship-to-ship effect.
Figure 3. Schematic diagram of the ship-to-ship effect.
Jmse 12 01976 g003
Figure 4. Schematic diagram of the ship’s overtaking phase.
Figure 4. Schematic diagram of the ship’s overtaking phase.
Jmse 12 01976 g004
Figure 5. Schematic diagram of virtual force directions.
Figure 5. Schematic diagram of virtual force directions.
Jmse 12 01976 g005
Figure 6. Distribution of ship driver’s concerns.
Figure 6. Distribution of ship driver’s concerns.
Jmse 12 01976 g006
Figure 7. Schematic diagram of a ship’s overtaking time field.
Figure 7. Schematic diagram of a ship’s overtaking time field.
Jmse 12 01976 g007
Figure 8. Three-dimensional schematic of the field.
Figure 8. Three-dimensional schematic of the field.
Jmse 12 01976 g008
Figure 9. Non-contact force.
Figure 9. Non-contact force.
Jmse 12 01976 g009
Figure 10. Dynamic overtaking space.
Figure 10. Dynamic overtaking space.
Jmse 12 01976 g010
Figure 11. Minimum distance between ship field in port and starboard space.
Figure 11. Minimum distance between ship field in port and starboard space.
Jmse 12 01976 g011
Figure 12. Three systems.
Figure 12. Three systems.
Jmse 12 01976 g012
Figure 13. The variation in S i j with differrent values of γ .
Figure 13. The variation in S i j with differrent values of γ .
Jmse 12 01976 g013
Figure 14. Vessel’s lateral force.
Figure 14. Vessel’s lateral force.
Jmse 12 01976 g014
Figure 15. Vessel’s yawing moment.
Figure 15. Vessel’s yawing moment.
Jmse 12 01976 g015
Figure 16. Changes in the distance between the overtaking vessel “ORIENTAL GLORY” and the overtaken vessel “RUNFABAOBOAT”.
Figure 16. Changes in the distance between the overtaking vessel “ORIENTAL GLORY” and the overtaken vessel “RUNFABAOBOAT”.
Jmse 12 01976 g016
Figure 17. Changes in speed of the overtaking vessel “ORIENTAL GLORY”.
Figure 17. Changes in speed of the overtaking vessel “ORIENTAL GLORY”.
Jmse 12 01976 g017
Figure 18. Overtaking decision model.
Figure 18. Overtaking decision model.
Jmse 12 01976 g018
Table 1. Data of the overtaking vessel and the overtaken vessel.
Table 1. Data of the overtaking vessel and the overtaken vessel.
NameTypeMMSILength (m)Width (m)Speed (kn)Draft (m)C (min)
Overtaking vesselORIENTAL GLORYLPG356,437,0001061884.54
Overtaken vesselRUN FA BAO ZHOUContainer413,211,440133237.25.16
Table 2. Data of the starboard overtaking space.
Table 2. Data of the starboard overtaking space.
NameTypeMMSILength (m)Width (m)Speed (kn)Draft (m)C (min)
Starboard SideJiang Xia HongBulk Carrier4123796301252064.54
Table 3. Parameter calculation.
Table 3. Parameter calculation.
Overtaken ShipShip in the Port Overtaking Space
a 133 + S 12 ( t ) 125 + S 13 ( t )
b 23 + 1 2 L 1 + L 2 0.8 . 20 + 1 2 L 1 + L 3 0.8
f ( x , y ) 1 2 π σ x σ y e x p 1 2 ( x x 0 ) 2 133 + S 12 ( t ) σ x 2 + ( y y 0 ) 2 142.5 σ y 2 1 2 π σ x σ y e x p 1 2 ( x x 0 ) 2 125 + S 13 ( t ) σ x 2 + ( y y 0 ) 2 135.5 σ y 2
Disclaimer/Publisher’s Note: The statements, opinions and data contained in all publications are solely those of the individual author(s) and contributor(s) and not of MDPI and/or the editor(s). MDPI and/or the editor(s) disclaim responsibility for any injury to people or property resulting from any ideas, methods, instructions or products referred to in the content.

Share and Cite

MDPI and ACS Style

Liu, N.; Shen, Y.; Lin, F.; Liu, Y. A Decision Model for Ship Overtaking in Straight Waterway Channels. J. Mar. Sci. Eng. 2024, 12, 1976. https://doi.org/10.3390/jmse12111976

AMA Style

Liu N, Shen Y, Lin F, Liu Y. A Decision Model for Ship Overtaking in Straight Waterway Channels. Journal of Marine Science and Engineering. 2024; 12(11):1976. https://doi.org/10.3390/jmse12111976

Chicago/Turabian Style

Liu, Nian, Yong Shen, Fei Lin, and Yihua Liu. 2024. "A Decision Model for Ship Overtaking in Straight Waterway Channels" Journal of Marine Science and Engineering 12, no. 11: 1976. https://doi.org/10.3390/jmse12111976

APA Style

Liu, N., Shen, Y., Lin, F., & Liu, Y. (2024). A Decision Model for Ship Overtaking in Straight Waterway Channels. Journal of Marine Science and Engineering, 12(11), 1976. https://doi.org/10.3390/jmse12111976

Note that from the first issue of 2016, this journal uses article numbers instead of page numbers. See further details here.

Article Metrics

Back to TopTop