The Application of an Improved LESS Dung Beetle Optimization in the Intelligent Topological Reconfiguration of ShipPower Systems
Abstract
1. Introduction
- Introduction: This section introduces the background and significance of the research, the current status of domestic and international studies, the motivation and measures for algorithm improvement, and the advantages of solving the proposed problems.
- Improved Dung Beetle Optimization: First, the traditional Dung Beetle Optimization is introduced, followed by a detailed explanation of the improvement concepts and the improvement process of the Dung Beetle Optimization.
- Modeling of Shipboard Power-System Fault Reconfiguration: This section includes the reconstruction objective function, constraints, the establishment of a load–branch adjacency matrix model, and the discretization of the algorithm for reconfiguration.
- Simulation Verification of Fault Reconfiguration: The improved algorithm is used for the simulation verification of fault reconfiguration in a shipboard power system. The reconfiguration results are compared with those of different algorithms and analyzed.
- Conclusion: This section summarizes the content of the article and provides prospects for future research directions.
2. Improved LESS Dung Beetle Optimization (LESSDBO)
2.1. Dung Beetle Optimization
- Population Initialization
- 2.
- Rolling Dung Beetles
- 3.
- Dancing Dung Beetles
- 4.
- Egg-laying Dung Beetles
- 5.
- Foraging Dung Beetles
- 6.
- Thieving Dung Beetles
2.2. Improved Dung Beetle Optimization
- Latin Hypercube Sampling and Elite Population Strategy
- 2.
- Nonlinear Control Factor R Based on Improved Sigmoid Function
- 3.
- Thieving Dung Beetle Improved by Sine–Cosine Algorithm
- 4.
- Multi-Population Mutation Strategy
- (1)
- Elite Group—DE/current-to-best/1:
- (2)
- Middle Group—DE/mean-current/2:
- (3)
- Weak Group—DE/rand/1:
3. Fault Reconfiguration Modeling of Ship Power Systems
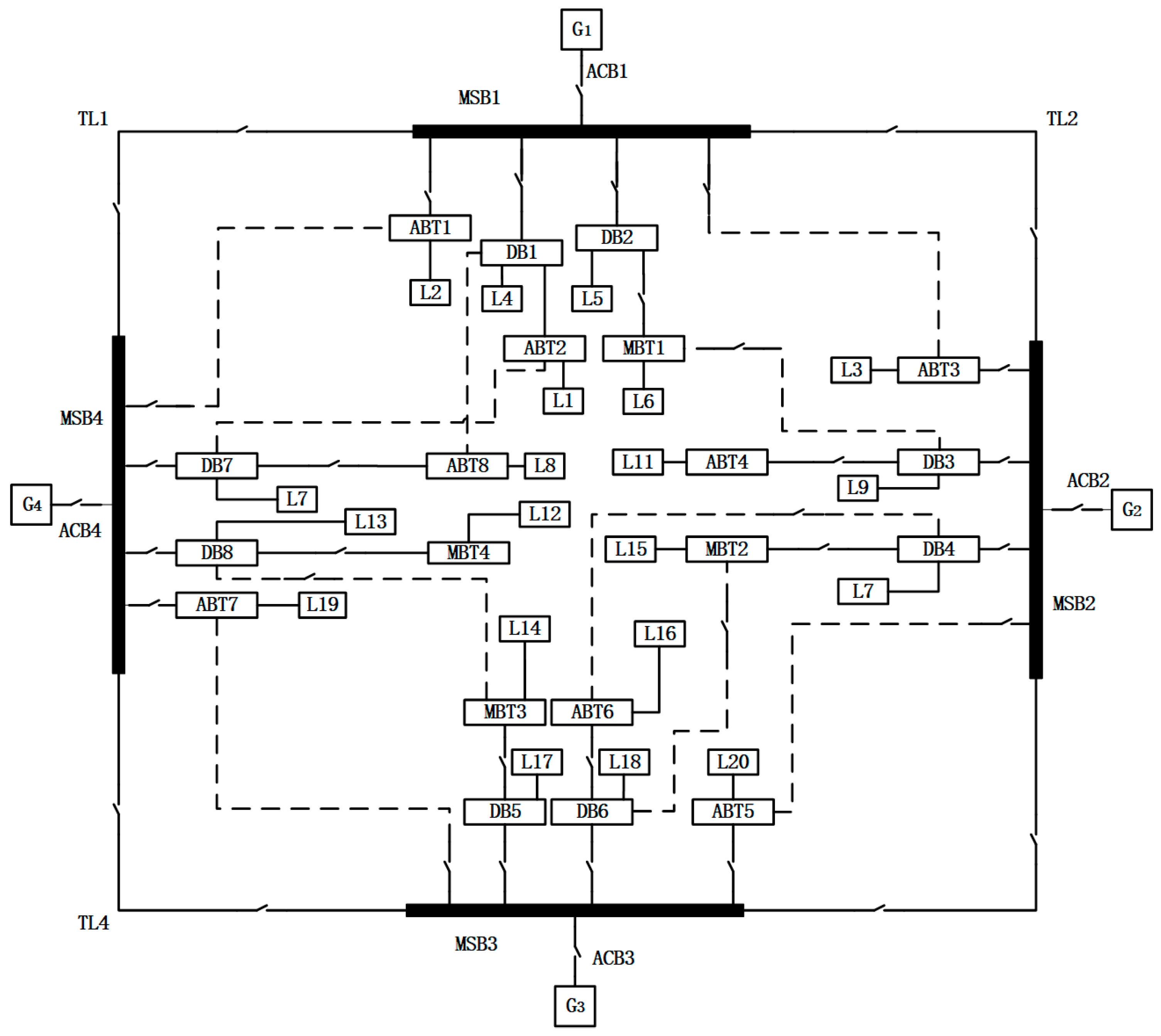
” represent normally closed switches, the yellow symbols “
” represent normally open switches, and the black symbols “
” represent cable connection endpoints. The branches are numbered 1–102, with some branches (such as 11, 20, 38, 45, 64, 70, 87, and 94) connecting multiple loads, and the branch capacity is 420A. The load working currents and grades are shown in Table 1, where a switch grade of “0” indicates a manual switch, and “1” indicates an automatic switch. Class 1 loads have a higher priority than Class 2 loads, and Class 2 loads have a higher priority than Class 3 loads.3.1. Establishment of Objective Functions for Ship Power-System Network Reconfiguration
- 1.
- Minimizing Power Loss
- 2.
- Minimizing Recovery Time
- 3.
- Maximizing Load Distribution Uniformity
- 4.
- Maximizing Generator Efficiency Balance
- 5.
- Comprehensive Objective Function
3.2. Constraints for Ship Power-System Network Reconfiguration
- 1.
- Network Structure Constraints
- 2.
- System Capacity Constraints
- 3.
- Branch Current Constraints
3.3. Establishment of an Adjacency Matrix for the Loads and Branches in the Ship Power System
- 1.
- Principles for Generating the Load–Branch Matrix
- (1)
- Identifying Nodes and Branches: Nodes are the endpoints formed by the interconnection of two or more circuit components, while branches are the cable lines linking those endpoints.
- (2)
- Establishing the Topology: The topology of the power system is constructed based on the connections between the nodes and branches, which outlines the connections and paths in the system.
- (3)
- Constructing the Matrix: Based on the topology, a load–branch adjacency matrix is constructed. The connections between the nodes and branches are represented using 0 (disconnected) and 1 (connected), with the rows and columns of the matrix representing the nodes and branches, respectively.
- 2.
- Applications of the Load–Branch Adjacency Matrix
- (1)
- Fault Localization: The load–branch matrix can clearly indicate the relationship between loads and branches, allowing researchers to quickly determine fault points in the grid. After a fault occurs in the ship’s power grid, the matrix can be used to identify the fault node and its corresponding number, enabling quick determination of the reconfiguration path and reducing calculation time and complexity [24].For example, if branches 88 and 20 have a circuit-breaker fault, the power supply status matrix of 20 loads is as follows:indicates that the load power supply line is optional, 0 indicates that the load loses power, 1 indicates that the load is powered by the normal line, and 2 indicates that the load is powered by the backup power supply line. Loads 4, 5, 7, 9, 11, 13, 17, and 18 are the third type of loads, which only have normal power supply lines, so the corresponding matrix elements are all 1. Among them, loads 5 and 13 are out of power due to branch failures, and the element is 0. Loads 6 and 12 are powered by the backup branch, and the element is 2. Loads 10 and 14 can only be powered by the normal line due to backup branch failures, and the element is 1.
- (2)
- Capacity Constraints Expression: According to the matrix, the method of limiting the capacity in the load–branch matrix is as follows: search the right neighbor of the matrix element from the second row of the matrix to the right. If the right neighbor is 0, record this node until a non-zero element is found. For example, the root branches are 1, 2, 3, and 4. The main branches under the root branch are 11, 21, 38, 45, 64, 70, 88, and 95. Take branch 88 as an example. L13 is powered by an independent line, and L12 and L14 have backup power supply lines. Then, the power situation of branch 88 is, , and represent the power supply of the corresponding loads and , , and represent the power of the corresponding loads. The remaining branches can be introduced in sequence.
- (3)
- Generator Efficiency Balance: The output power of the generator can be adjusted by controlling the state of the switch to achieve a balanced load distribution and maximize the efficiency of the generator. Take generator No. 1 as an example:The same can be said for the remaining generators.The generator balance rate formula is
- (4)
- Uniqueness of load power supply lineIn the S matrix,
3.4. Discretization of the Improved Dung Beetle Optimization for Fault Reconfiguration of Ship Power Systems
4. Simulation Verification of Fault Reconfiguration in Ship Power Systems
4.1. Specific Steps of Algorithm Implementation
4.2. Optimization Results and Analysis for Fault Reconfiguration of Ship Power Systems
4.2.1. Fault Condition 1
- 1.
- Comparison of Optimal Load Supply Schemes for Four Optimization Algorithms under Fault Condition 1Figure 15. DBO optimal individual.Figure 16. MSCPSO optimal individual.Figure 17. GA optimal individual.Figure 18. LESSDBO optimal individual.
- 2.
- 3.
- 4.
- Comparison of optimization results of several algorithms under fault conditionsTable 2. Comparison of optimization results of several algorithms under fault conditions.
Algorithm DBO MSCPSO GA LESSDBO Optimal individual 11111111021112110121 12111111021112110121 11111111021102110121 11111111021112110111 Optimal reconstruction scheme L10, L14, and L19 backup power supply; L9 and L17 power failure L2, L10, L14, and L19 backup power supply; L9 and L17 power failure L10, L14, and L19 backup power supply; L9 and L17 power failure L10 and L14 backup power supply; L9 and L17 power failure Minimum number of switches 6 8 6 4 Optimal convergence algebra 13 10 15 7 Power loss 370 370 370 370 Optimal convergence probability 90% 85% 100% 100%
4.2.2. Fault Condition 2
- (1)
- Optimal Load Supply Schemes for Four Algorithms under Fault Condition 2Figure 21. Optimal load supply scheme for DBO under Fault Condition 2.Figure 22. Optimal load supply scheme for MSCPSO under Fault Condition 2.Figure 23. Optimal load supply scheme for GA under Fault Condition 2.Figure 24. Optimal load supply scheme for LESSDBO under Fault Condition 2.
- (2)
- Comparison Chart of the Relationship Between Iteration Counts and Optimal Switch Actions Under Fault Condition 2Figure 25. Comparison chart of the relationship between iteration counts and optimal switch actions for the four algorithms under Fault Condition 2.Figure 25. Comparison chart of the relationship between iteration counts and optimal switch actions for the four algorithms under Fault Condition 2.
- (3)
- Comparison Chart of Iteration Counts and Optimal Fitness Values Under Fault Condition 2Figure 26. Comparison chart of iteration counts and optimal fitness values for the four algorithms under Fault Condition 2.Figure 26. Comparison chart of iteration counts and optimal fitness values for the four algorithms under Fault Condition 2.
- (4)
- Optimization Comparison of the Four Algorithms Under Fault Condition 2Table 3. Optimization comparison of the four algorithms under Fault Condition 2.
Algorithm DBO MSCPSO GA LESSDBO Optimal individual 1111120011
12011101221111010211
12011100211111010211
120111002111111200111201110122 Optimal reconstruction scheme L6, L12, L19, and L20 backup power supply; L7, L8, L13, and L17 power failure L8, L12, and L19 backup power supply; L5, L7, L13, L17, and L18 power failure L8, L12, and L19 backup power supply; L5, L7, L13, L17, and L18 power failure L6, L12, L19, and L20 backup power supply; L7, L8, L13, and L17 power failure Minimum number of switches 9 8 9 8 Optimal convergence algebra 13 11 14 9 Power loss 595 820 820 595 Optimal convergence probability 96% 92% 94% 100%
5. Conclusions and Future Work
Author Contributions
Funding
Institutional Review Board Statement
Informed Consent Statement
Data Availability Statement
Conflicts of Interest
Appendix A
| Serial No. | Symbol | Definition |
|---|---|---|
| 1 | LESSDBO | Improved Dung Beetle Optimization Algorithm |
| 2 | DBO | Dung Beetle Optimization Algorithm |
| 3 | GA | Genetic Algorithm |
| 4 | MSCPSO | Modified Particle Swarm Optimization |
| 5 | sigmoid | S-shaped activation function |
| 6 | LHS | Latin hypercube sampling |
| 7 | EPS | elite population strategy |
| 8 | Popsize | population size |
| 9 | SCA | sine–cosine algorithm |
| 10 | ABT | automatic transfer switch |
| 11 | MBT | manual transfer switch |
| 12 | MSB | main switchboard |
| 13 | DB | distribution board |
| 14 | ACB | main switch of the generator |
| 15 | TL | link cable |
| 16 | ☆ | load |
| 17 | ![]() | normally closed switch |
| 18 | ![]() | normally open switch |
| 19 | ![]() | cable connection endpoint |
References
- NTSB. Dali Lost Electrical Power Because Breakers Opened. The Maritime Executive. Available online: https://maritime-executive.com/article/ntsb-dali-lost-electrical-power-because-breakers-opened (accessed on 5 October 2024).
- Hao, G.; Xiao, W.; Huang, L.; Chen, J.; Zhang, K.; Chen, Y. The Analysis of Intelligent Functions Required for Inland Ships. J. Mar. Sci. Eng. 2024, 12, 836. [Google Scholar] [CrossRef]
- Zhu, W.; Gu, T.; Wu, J.; Liang, Z. Advanced State Estimation Approach for Partially Observable Shipboard Power Systems. J. Mar. Sci. Eng. 2023, 11, 2380. [Google Scholar] [CrossRef]
- Liang, Z.; Zhu, W.; Zhu, Z.; Zhi, P.; Chu, H. Current Status and Prospects of Ship Integrated Power System Reconfiguration Technology. China Ship Res. 2022, 17, 36–47. [Google Scholar] [CrossRef]
- Zhang, X.; Xiao, J.; Wang, X. Fault Reconfiguration of Ship Power System Based on Improved Grey Wolf Optimization Algorithm. China Ship Res. 2023, 18, 251–259. [Google Scholar] [CrossRef]
- Lan, H.; Xiao, Y.Y.; Zhang, L.J. Multi-agent system optimized reconfiguration of shipboard power system. J. Mar. Sci. Appl. 2010, 9, 334–339. [Google Scholar] [CrossRef]
- Jia, L. Research on Network Fault Reconfiguration of Ship Power System. Harbin Eng. Univ. 2017, 1, 1–139. [Google Scholar]
- Wu, Q.; Zhu, Z.; Hao, W.; Yang, D.; Xu, C. Dynamic Reconfiguration Optimization Strategy of Ship Power System Considering Load Time-varying Characteristics. China Ship Res. 2024, 19, 1–8. [Google Scholar] [CrossRef]
- Su, L.; Wang, X.; Xiao, J. Reconfiguration of Ship Microgrid Based on Multi-objective Optimization Algorithm. China Ship Res. 2020, 15, 169–176. [Google Scholar] [CrossRef]
- Xu, Z. Research on Fault Reconfiguration Method of Ship Power System Based on Multi-agent. Dalian Marit. Univ. 2021, 1–63. [Google Scholar] [CrossRef]
- Xue, J.; Shen, B. Dung Beetle Optimizer: A New Meta-heuristic Algorithm for Global Optimization. J. Supercomput. 2022, 79, 7305–7336. [Google Scholar] [CrossRef]
- Hu, D.; Cui, Y.; Zhou, H.; Liu, Y. Optimization of Process Parameters by Improved Dung Beetle Optimization. J. Shanghai Jiao Tong Univ. 2024, 77, 1–22. [Google Scholar] [CrossRef]
- McKay, M.D.; Beckman, R.J.; Conover, W.J. Comparison of Three Methods for Selecting Values of Input Variables in the Analysis of Output from a Computer Code. Technometrics 1979, 21, 239–245. [Google Scholar]
- Wei, F.; Zhang, Y.; Li, J.; Shi, Y. Improved Sine Cosine Algorithm Based on Dynamic Classification Strategy. Syst. Eng. Electron. 2021, 43, 1596–1605. [Google Scholar]
- Wang, N.; He, Q. Seagull Optimization Algorithm Fused with Golden Sine and Sigmoid Continuation. J. Comput. Appl. 2022, 39, 157–162+169. [Google Scholar]
- Mirjalili, S. SCA: A Sine Cosine Algorithm for Solving Optimization Problems. Knowl.—Based Syst. 2016, 96, 120–133. [Google Scholar] [CrossRef]
- Sun, Q.; Wang, Y. Improved Dung Beetle Optimization Algorithm Integrated with Multiple Strategies and Its Application. Inf. Control. 2024, 3194, 1–12. [Google Scholar] [CrossRef]
- Layeb, A. Differential Evolution Algorithms with Novel Mutations, Adaptive Parameters, and Weibull Flight Operator. Soft Comput. 2024, 28, 7039–7091. [Google Scholar] [CrossRef]
- Xu, Z. Research on Network Reconfiguration of Ship Power System Based on Improved Particle Swarm Algorithm. Dalian Marit. Univ. 2023, 1, 1–66. [Google Scholar] [CrossRef]
- Zhang, L. Research on Network Reconfiguration Algorithm under Fault State of Ship Power System. Dalian Marit. Univ. 2018, 1, 1–112. [Google Scholar]
- Dai, Y. Research on High Reliability Regional Distribution Technology for Ship Power System. Jiangsu Univ. Sci. Technol. 2019, 1, 1–59. [Google Scholar] [CrossRef]
- Cui, Y. Research on Fault Diagnosis and Reconfiguration Strategy of Multi-energy Driven Ship Power System. Jimei Univ. 2024, 28, 7039–7091. [Google Scholar] [CrossRef]
- Huang, J.; Zhang, X.; Chen, Y.; Fu, L.; Ye, Z. Multi-objective Fault Recovery Model and Application of Ship Integrated Power System. J. Electr. Eng. 2010, 25, 130–137. [Google Scholar]
- Jin, Y.; Qi, X.; Zhang, J.; Cheng, Q. An Improved Simplified Mean Particle Swarm K-means Clustering Algorithm. Microelectron. Comput. 2020, 37, 69–74. [Google Scholar] [CrossRef]
- Ma, L. Research on Multi-objective Differential Evolution Algorithm for Shipboard Power Grid Reconfiguration. Dalian Marit. Univ. 2019, 1, 1–123. [Google Scholar] [CrossRef]
- Duan, B.; Ma, Y.; Liu, J.; Jin, Y. Nonlinear Grey Wolf Optimization Algorithm Based on Chaotic Mapping and Reverse Learning Mechanism. Softw. Eng. 2023, 26, 36–40. [Google Scholar] [CrossRef]
- Zhang, L.; Meng, K.; Liu, S.; Li, Z. Network Fault Reconfiguration of Ship Power System Based on Improved Dual Particle Swarm Algorithm. Electr. Power Syst. Prot. Control. 2019, 47, 90–96. [Google Scholar]
- Liang, Z. Research on Distributed Reconfiguration Method of Ship Integrated Power System under Partial Observability. Jiangsu Univ. Sci. Technol. 2023, 1, 1–92. [Google Scholar] [CrossRef]
- Wang, Y. Fault Reconfiguration of All-electric Propulsion Ship Based on Multi-agent Game. Harbin Eng. Univ. 2023, 1, 1–94. [Google Scholar] [CrossRef]
- Ma, W.; Xiao, F.; Ma, F. Research Progress and Application Suggestions for Ship Integrated Power System. Proc. Chin. Soc. Electr. Eng. 2024, 44, 1–14. [Google Scholar] [CrossRef]














| Load | Current (A) | Category | Switch Type | Load | Current (A) | Category | Switch Type |
|---|---|---|---|---|---|---|---|
| L1 | 325 | 1 | 1 | L11 | 72 | 3 | 0 |
| L2 | 100 | 1 | 1 | L12 | 200 | 2 | 0 |
| L3 | 225 | 1 | 1 | L13 | 120 | 3 | 0 |
| L4 | 80 | 3 | 0 | L14 | 30 | 2 | 0 |
| L5 | 185 | 3 | 0 | L15 | 87 | 2 | 0 |
| L6 | 44 | 2 | 0 | L16 | 205 | 2 | 1 |
| L7 | 150 | 3 | 1 | L17 | 165 | 3 | 0 |
| L8 | 160 | 2 | 1 | L18 | 200 | 3 | 0 |
| L9 | 205 | 3 | 0 | L19 | 70 | 1 | 1 |
| L10 | 110 | 2 | 1 | L20 | 100 | 1 | 1 |
Disclaimer/Publisher’s Note: The statements, opinions and data contained in all publications are solely those of the individual author(s) and contributor(s) and not of MDPI and/or the editor(s). MDPI and/or the editor(s) disclaim responsibility for any injury to people or property resulting from any ideas, methods, instructions or products referred to in the content. |
© 2024 by the authors. Licensee MDPI, Basel, Switzerland. This article is an open access article distributed under the terms and conditions of the Creative Commons Attribution (CC BY) license (https://creativecommons.org/licenses/by/4.0/).
Share and Cite
Tan, Y.; Liu, S.; Zhang, L.; Song, J.; Ren, Y. The Application of an Improved LESS Dung Beetle Optimization in the Intelligent Topological Reconfiguration of ShipPower Systems. J. Mar. Sci. Eng. 2024, 12, 1843. https://doi.org/10.3390/jmse12101843
Tan Y, Liu S, Zhang L, Song J, Ren Y. The Application of an Improved LESS Dung Beetle Optimization in the Intelligent Topological Reconfiguration of ShipPower Systems. Journal of Marine Science and Engineering. 2024; 12(10):1843. https://doi.org/10.3390/jmse12101843
Chicago/Turabian StyleTan, Yinchao, Sheng Liu, Lanyong Zhang, Jian Song, and Yuanjie Ren. 2024. "The Application of an Improved LESS Dung Beetle Optimization in the Intelligent Topological Reconfiguration of ShipPower Systems" Journal of Marine Science and Engineering 12, no. 10: 1843. https://doi.org/10.3390/jmse12101843
APA StyleTan, Y., Liu, S., Zhang, L., Song, J., & Ren, Y. (2024). The Application of an Improved LESS Dung Beetle Optimization in the Intelligent Topological Reconfiguration of ShipPower Systems. Journal of Marine Science and Engineering, 12(10), 1843. https://doi.org/10.3390/jmse12101843




