Abstract
In order to achieve the state of charge (SOC) balance of distributed energy storage systems (ESSs) in offshore isolated island DC microgrids and enhance the inertia and damping characteristics of DC microgrids, an SOC-based bidirectional virtual DC machine (VDCM) control is presented. The control proposed has the following three improvements. Firstly, the improved VDCM control removes the power loop and torque loop on the basis of ensuring inertia and damping characteristics. Secondly, the inertia time constant and damping constant, which are related to the bus voltage difference and the change rate of bus voltage difference, are introduced to improve bus voltage dynamic performance. The proposed method overcomes the shortcoming in that traditional VDCM control cannot adaptively suppress bus voltage oscillation according to the bus voltage fluctuation amplitude. Thirdly, an improved SOC-based VDCM virtual armature resistance (VAR) is proposed to achieve rapid SOC balance. The improved SOC-based VDCM VAR is an SOC-related function added to the initial VAR. This enables the proposed VAR to have a certain adaptive ability, which can adjust the energy absorbed or released by energy storage units according to the SOC state. Compared with other controls, the control proposed takes less time to achieve SOC balance. Finally, the effectiveness and superiority of the scheme are proven by simulation cases.
1. Introduction
The environmental pollution caused by the burning of traditional fossil fuels for energy has become the main bottleneck restricting the development of the world economy [1,2,3,4]. The use of renewable energy sources such as offshore wind and offshore solar energy provides an effective way to solve the above problem [5,6]. Offshore wind and offshore solar energy save land area and make full use of marine resources. However, large-scale intermittent renewable energy has brought new challenges to the stable operation of DC microgrids [7,8]. As an important component of DC microgrids, energy storage systems (ESSs) provide stable power support for the DC bus and solve the problem of the unstable output power of renewable energy [9]. Renewable energy and energy storage units (ESUs) connected to DC microgrid systems can avoid energy waste. In recent years, with the development of renewable energy technology, an offshore isolated island DC microgrid system has attracted the attention of scholars. The system can solve the power supply problem of isolated islands far away from land. However, a large number of renewable energy sources and ESUs with power electronic converters connected to an offshore isolated island DC microgrid system can decrease the system’s inertia [10]. Methods such as virtual inertia adaptive control [11], virtual DC machine (VDCM) control [12], and emulated inertia control [13] are proposed by researchers to improve the stability of low-inertia DC microgrid systems.
In order to improve the service life of ESUs to prevent the phenomenon of overcharge or over-discharge, state of charge (SOC) balance control in ESSs has attracted the interest of a wide range of scholars [14]. For SOC balance control, a large number of research results have been obtained [15,16,17,18,19,20,21,22,23,24]. These control methods can be divided into three main categories: droop control, hierarchical control, and consensus control. Droop control is widely used in SOC balance control due to its simple control principle. However, the droop effect will cause a deviation between the actual bus voltage and the bus voltage normal value [15,16,17]. In order to overcome the shortcomings of bus voltage deviation in [15,16,17], hierarchical control is proposed in [18,19,20]. For hierarchical control, the droop control is used in the primary layer to properly distribute power reasonably so that the SOCs eventually reach consistency. The second layer control uses PI control, consensus control, or other controls to compensate for the bus voltage deviation caused by the primary layer control, and the second layer control can maintain the bus voltage at the normal value. In [21,22,23], consensus control is directly used for SOC balancing. The SOCs can eventually achieve consistency under the action of consensus control. The above methods do not take into account the system inertia enhancement; therefore, these controls have limited effect on improving the transient behavior of the DC microgrid. In particular, an SOC-based virtual DC machine control is proposed in [24]. In the case of SOC balance, the VDCM control can keep the bus voltage at a normal value without additional secondary voltage restoration control. In addition, the VDCM control introduces an inertial link and a damping link, which are beneficial to improving the dynamic characteristics of the DC microgrid system. Therefore, introducing VDCM control into SOC balancing can not only achieve the consistency of SOCs, but also overcome the disadvantage of low inertia in the DC microgrid.
Inspired by the idea of AC virtual synchronous machine (VSM) control, VDCM control is proposed. VDCM control is quite different from AC VSM control. In AC VSM control, its speed corresponds to the grid frequency, while in VDCM control, its speed has no direct relationship with the grid frequency. Therefore, it is necessary to conduct further research on the analysis and improvement of VDCM. For VDCM control, the inertia characteristics are mainly determined by the inertia time constant J. The ideal state is that when the DC microgrid system is disturbed, it is hoped that VDCM control can alleviate the impact of disturbance by injecting virtual inertia into the DC microgrid system. In addition, as for inertia time constant J and damping constant D, the influence of J and D on the dynamic characteristics of the system is discussed in [25,26,27]. The results show that J and D with self-adaptive adjustment have a better effect in suppressing frequency fluctuation and voltage fluctuation than constant J and D. The above experimental results are based on a virtual synchronous generator. However, there is also the problem of voltage fluctuation in the DC microgrid. For VDCM control, there are few achievements in using adaptive J and D to suppress voltage fluctuation. Therefore, it is necessary to study VDCM with adaptive J and D to improve bus voltage dynamic characteristics.
In addition to the above-mentioned problems in VDCM control, there is another crucial problem that is unique to VDCM control applied for SOC balancing. The unique issue is the design of virtual armature resistance since virtual armature resistance determines the SOC balance time. The virtual armature resistance in VDCM is actually the same principle as the droop coefficient in droop control [24]. Therefore, the droop coefficient in the existing literature can be directly used in VDCM control for SOC balancing. At present, the droop coefficient design is mainly divided into three categories: the constant droop coefficient [18,19,20], fuzzy logic [16,17], and the droop coefficient of SOC-related functions [15,28,29]. At the beginning of SOC balance control, the droop coefficient is chosen as a constant. And if this constant is too large, the bus voltage deviation will be larger, but the SOC balancing time will be shorter; if the constant is too small, the SOC balance time will be longer, but the bus voltage deviation will be smaller. In order to balance the relationship between bus voltage deviation and SOC balance time, some scholars apply fuzzy logic to the design of the droop coefficient. However, the above methods ignore the influence of SOCs with different ESUs on SOC balance control. Therefore, in [15] and [28,29], the droop coefficients are designed as SOC-related functions. With this design, the droop coefficient has a strong adaptive ability.
To summarize the above discussions, an improved SOC-based bidirectional virtual DC machine control for energy storage systems in offshore isolated island DC microgrids is proposed in this paper. The contributions of the proposed control are as follows: firstly, compared with the traditional VDCM control in [24], the improved VDCM control removes the power loop and torque loop in SOC balancing. Secondly, aimed at the problem of the traditional VDCM being unable to adaptively suppress the bus voltage when disturbances occur, the J and D of the improved VDCM control can adaptively adjust according to the bus voltage difference and the bus voltage difference change rate. Therefore, the proposed control can adaptively suppress the bus change to obtain better dynamic performance. Thirdly, aimed at the problem of SOC balance time, an improved SOC-based VDCM virtual armature resistance is proposed to reduce the SOC balance time.
The rest of this paper is organized as follows. Section 2 reviews the traditional VDCM control, and on this basis, an improved VDCM control, without a power loop and torque loop, and with adaptive J and D, is proposed in this paper. Section 3 describes the improved SOC-based bidirectional virtual DC machine control and introduces the SOC-based virtual armature resistance to realize the fast balancing of SOCs. In Section 4, the small signal models of EUS converters and DC microgrids are established in this section, and the stability of the system is analyzed. Section 5 gives experimental simulation cases and comparative simulation cases to verify and compare the theoretical conclusions. The conclusions are presented in Section 6.
2. An Improved Bidirectional VDCM Control with the ESU
The lack of an inertia characteristic of a power electronic converter makes the DC bus voltage change rapidly when disturbances occur, which eventually leads to power quality degradation [10]. However, DC machines can provide inertia and damping characteristics for power systems [30]. The mechanical equation and electromotive force (EMF) balance equation of DC machines are applied to DC converters control, so that DC converters’ port exhibits inertia and damping characteristics of DC machine [31]. The technology is called the virtual DC machine [32,33].
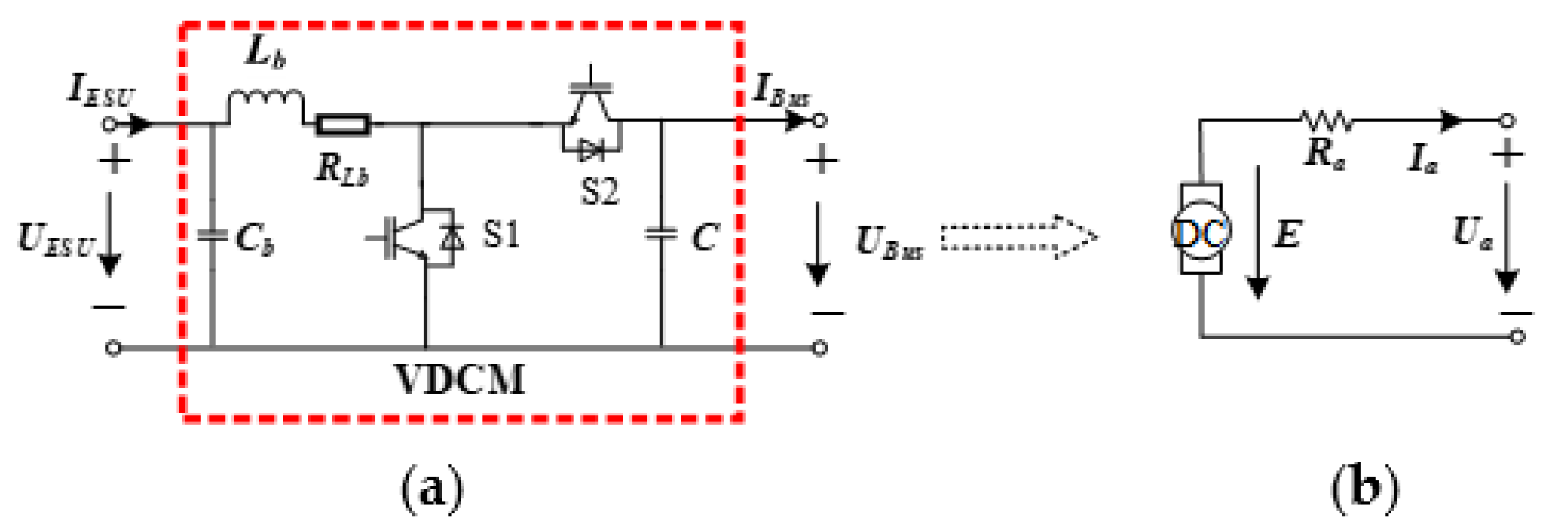
The bidirectional DC-DC converter [34,35] is equivalent to a two-port network in Figure 1a. For the virtual DC machine, the left port is connected to the ESU and the right port is connected to the DC bus. The DC-DC bidirectional converter has two operating states, which are boost and buck. When the DC-DC converter is in the boost state, the left port is the input port and the right port is the output port in Figure 1a. After VDCM control, the output port of the bidirectional DC-DC converter can show the droop and dynamic characteristics of the DC machine. In other words, UBus in Figure 1a has the same characteristics as Ua in Figure 1b. When the DC-DC converter is in the buck state, the situation is reversed. UESU in Figure 1a has the same characteristics as Ua in Figure 1b.
Figure 1.
(a) A two-port network with a bidirectional DC-DC converter and (b) equivalent model of the VDCM.
The EMF balance equation of the VDCM armature loop is shown in Figure 1b [36]:
where Ua is the terminal voltage of the DC machine, Ia is the terminal current of the DC machine, and Ra is the armature resistance. E is the armature EMF of DC machine, CT is the torque coefficient, is the flux, and is the angular velocity. UESU is the voltage of the ESU, IESU is the current of the ESU, UBus is the voltage of the bus, and IBus is the current of the bus. Lb is the output inductance of the DC-DC converter, rLb is the output resistance of the DC-DC converter, and Cb is the output capacitor of the DC-DC converter.
2.1. A Bidirectional VDCM Control with ESU
For the VDCM, the mechanical equation is [37]:
where J is the inertia time constant of the VDCM; Tm and Te are the mechanical torque and the electromagnetic torque of the VDCM; D is the damping constant of the VDCM; and is the rated angular velocity of the VDCM. The VDCM is divided into two working states: the virtual DC generator (VDG) state and the virtual DC motor (VDM) state. In the VDG state, Tm becomes a turbine torque. At the same time, the ESUs connected to the bidirectional DC-DC converters are in the discharging state. Otherwise, Tm becomes a load torque, which is opposed by Te. At the same time, the ESUs connected to the bidirectional DC-DC converters are in the charging state.
The electromagnetic power of the DC machine is:
The electromagnetic torque is:
Similarly, the mechanical torque is:
where Pm is the mechanical power.
Combining (1)–(6), the control block diagram of the VDCM with the ESU is given in Figure 2b. The double closed-loop constant voltage control of a bidirectional DC-DC converter is used in the ESU interface, and the control block diagram is shown in Figure 2a,c. The stability of the DC bus voltage can be maintained through the adjustment of the outer loop of the DC bus voltage and the inner loop of the current, where UBusnom is the normal value voltage of the bus, IESUref is the reference current of ESU, and w is the duty ratio.
Figure 2.
The control block diagram of the bidirectional VDCM with the ESU.
In order to enhance the inertia and damping characteristics of the DC microgrid and improve the stability of the bus voltage, the VDCM control is added on the basis of the double closed-loop constant voltage control. In Figure 2, the actual value of the bus voltage and the normal value of the bus voltage are compared in the voltage controller, and the voltage PI controller is also used to generate mechanical power Pm while keeping the bus voltage stable. Therefore, mechanical power Pm is UBusnom (kp + ki/s)(UBus − UBusnom). According to the mechanical rotation equation of the DC machine and the balance equation of the armature circuit electromotive force, the inertia and damping characteristics of the DC machine can be simulated by VDCM control. Therefore, the dynamic characteristics of the DC bus voltage can be improved. Based on the power balance principle, in current control, the armature current is converted to the ESU reference current through the UBusnom/UESU module, and the ESU reference current is used to track the ESU current. The desired control signal is finally obtained through a current PI controller and a PWM modulation.
2.2. An Improved Bidirectional VDCM Control with ESU
The traditional VDCM control needs to obtain mechanical power and electromagnetic power according to the voltage PI controller and (4), and they are converted into electromagnetic torque and mechanical torque by (5) and (6). In SOC balance control, the main role of the VDCM is to provide virtual armature EMF, inertia, and damping characteristics by (2) and (3). Therefore, when the VDCM control is used for SOC balancing, the power loop and the torque loop have little significance in SOC balancing. Furthermore, according to [38], the results can be obtained as follows:
where kf is a constant.
According to (3) and (7), we can obtain:
Therefore, by combining (1), (2), and (8), an improved bidirectional VDCM control lacking power loops and torque loops is introduced for SOC balancing in Figure 3b. The voltage PI controller is used to generate kfia in Figure 3a while keeping the voltage stable. Similar to the bidirectional VDCM control with ESU in Figure 2, the control block diagram of improved bidirectional VDCM with ESU is given in Figure 3. Compared with the traditional VDCM control, by combining (2) and (8), mechanical power, electromagnetic power in (4), electromagnetic torque in (5), and mechanical torque in (6) can be removed while virtual armature EMF, inertia, and damping characteristics are guaranteed.
Figure 3.
The control block diagram of the improved bidirectional VDCM with the ESU.
In addition, when there is a sudden change in load or power supply, the bus voltage will have a dying oscillation. The bus voltage dying oscillation is generally divided into four states as shown in Table 1. By injecting a virtual inertia into the DC microgrid system, the bus voltage fluctuation caused by load change on the DC bus can be buffered. The inertia time constant J and damping constant D play different roles in suppressing the decay oscillation of voltage [26]. However, there is some conflict between constant J and constant D in suppressing voltage fluctuation and voltage recovery. The adaptive J and D can solve this problem effectively. At present, there have been some research results on parameter adaptive control of AC VSM control [25,26,27]. However, for the traditional VDCM control, J and D are generally constant. The influence of J and D on suppressing bus voltage fluctuation is often ignored in VDCM control with constant parameters. There is still a lack of research on VDCM control with adaptive J and D. In addition, adaptive J and D are designed by analyzing the state of bus voltage dying oscillation.
Table 1.
The control laws of J and D.
From Table 1, we can see that the bus voltage deviation in state 1 and state 4 is continuously increasing. Hence, reducing the bus voltage deviation is the primary key. Since a larger J can reduce the bus deviation difference change rate, a term related to the bus voltage difference change rate is added to the steady-state value J0 in these two stages to suppress the bus voltage deviation increase. Meanwhile, D remains a steady-state value. This is because a larger D will increase the bus deviation. In state 2 and state 3, reducing the oscillation of the bus voltage deviation is the primary key. Therefore, a larger D is required to suppress the bus voltage oscillation. Therefore, we add a term related to the bus voltage deviation on the basis of the steady-state value D0. Meanwhile, J remains a steady-state value in state 2 and state 3.
After the above analysis result, in this paper, adaptive J and D related to bus voltage difference UBus and bus voltage difference change rate dUBus/dt are designed as
where kj and kd are the regulation coefficients of J and D, respectively, and J0 and D0 are the steady-state value of J and D, respectively.
In summary, the improved bidirectional VDCM control proposed in this paper has two improvements. Firstly, compared with the traditional VDCM control, the improved bidirectional VDCM control removes the power loop and torque loop. Secondly, the improved bidirectional VDCM control adopts adaptive J and D related to the bus voltage difference and the bus voltage difference change rate. Compared with traditional VDCM control, the improved bidirectional VDCM control can suppress bus voltage oscillation adaptively to enhance inertia and damping characteristics.
3. An SOC-Based Bidirectional VDCM Control in SOC Balancing
An improved SOC-based bidirectional VDCM control is proposed in this paper for SOC balancing. The VDCM control used in this section is an improved bidirectional VDCM control proposed in Section 2.2. In particular, aimed at the problem of SOC balance time, an improved SOC-based VDCM virtual armature resistance is proposed to reduce the SOC balance time. The improved SOC-based bidirectional VDCM control for SOC balancing in DC microgrids will be introduced below.
3.1. An SOC-Based VDCM Virtual Armature Resistance
SOC balance control is actually used to find a principle of energy allocation. The ESU with high energy releases more energy than the ESU with low energy in the discharge state, or the ESU with high energy absorbs less energy than the ESU with low energy in the charge state. Eventually, the SOCs of all ESUs are consistent. However, the inherent droop characteristic of the generator and motor is an excellent energy allocation principle. Therefore, the droop characteristic can be used to change the relationship between voltage and current to achieve the control purpose. According to the droop relationship of the generator and motor, the droop characteristic lines can be obtained as shown in Figure 4.
Figure 4.
The droop characteristic lines of the generator and motor.
Since the voltage controller can maintain voltage stability, the voltage is considered as a constant in SOC balance control [15]. According to , when the voltage is a constant, the power can be affected by the current. As shown in Figure 4, the current can be changed with different armature resistance values. Therefore, energy allocation can be achieved through resistance armature to reach SOC consistency. Usually, in traditional VDCM control, the virtual armature resistance is a constant. In this case, it is equivalent to a constant coefficient droop control. However, when applying VDCM control to SOC balance, the design of virtual armature resistance is also a point of concern. This is because the virtual armature is related to the SOC balance time and bus voltage dynamic characteristics. The constant approach ignores the effect of SOCs on SOC balance control. Therefore, this paper proposes an improved SOC-based virtual DC machine virtual armature resistance Rari. The improved SOC-based VDCM armature resistance is an SOC-related function added to the initial virtual armature resistance; therefore, the proposed virtual armature resistance has a certain adaptive ability. The amount of energy released or absorbed by ESUs can be determined according to the SOC state so as to achieve rapid SOC balance and to shorten the SOC balance time.
Hence, when the ESU is in the discharge state, the SOC-based virtual DC generator virtual armature resistance is designed as:
When the ESU is in the charge state, the SOC-based virtual DC motor virtual armature resistance is designed as:
where Avg is the average value of the SOCs, and Avg = ∑1N (SOC1 + …+ SOCN)/N. Rad and Rac are the initial virtual armature resistance in VDG and VDM, respectively. Parameter n is an exponent of power function, and parameter k is an SOC balancing factor. Parameters k and n are all positive constants. The nonlinear function |SOCi − Avg| represents the i-th deviation value of SOC, i = 1, 2, …, N. Under SOC balance control, the nonlinear function gradually approaches 0. Therefore, when the energy storage system reaches SOC balance, the improved SOC-based virtual DC machine degenerates into the improved VDCM with constant virtual armature resistance. The virtual armature resistance of the VDG is Rad, and the virtual armature resistance of the VDM is Rac.
In fact, SOCs change very slowly, which requires that virtual armature resistance is sensitive to SOC change. The improved SOC-based VDCM virtual armature resistance is a composite exponential function with power function and nonlinear function. In [15], the SOC-based droop coefficients are m1/SOCn and m2·SOCn, where m1 and m2 are the droop coefficients for the discharging process and the charging process, respectively. The droop coefficients are a power function related to the SOC in [15]. In [24], the SOC-based virtual armature resistance is , which is an Avg exponential function, and the exponential is a nonlinear function related to SOCs. Compared with [15,24], from the rate of change, the composite exponential function is superior to the power function. The convergence rate of the virtual armature resistance proposed in this paper depends on the parameters k and n. The deviation of the SOC is converted to twice by the gain k and exponent n in (11) and (12), and the converted result is passed through an exponential function, which will expand the range of virtual armature resistance. Therefore, the virtual armature resistance proposed is more sensitive to SOC changes, and the SOC balance time will be shortened.
Note that, the parameters k and n should not be too large. Larger parameters will make the virtual armature resistance large, which will cause large voltage deviation and even lead to the loss of stability of DC micogrids.
3.2. Improved SOC-Based Bidirectional VDCM Control Diagram
To study the SOC balance control, a benchmark offshore isolated island DC microgrids system, which consists of N lithium-ion ESUs, DC loads, and offshore photovoltaic (PV), is considered in this paper. The structure of the DC microgrid is shown in Figure 5. All power devices are connected to the DC microgrid system via DC-DC converters. All information is exchanged through the low-bandwidth communication lines.
Figure 5.
The control block diagram for SOC balancing with the improved SOC-based VDCM.
In order to achieve a fast SOC balance among N ESUs, an improved SOC-based bidirectional VDCM control is adopted. The SOC balance of the ESU is achieved by introducing an improved SOC-based VDCM virtual armature resistance Rari. Since virtual armature Rari is a function related to SOCi, when SOCs are not equal, the reference current of each ESU is different, so that the duty ratio wi obtained is different. In this case, the duty cycle is equivalent to a control law. However, with the effect of the proposed control, the difference value between SOCs becomes smaller and smaller, causing the current value and the duty cycle to gradually become consistent; thus, current/power sharing is realized.
In fact, the virtual armature resistance is related to each ESU’s SOC; therefore, the duty cycle wi will be affected by each ESU system. In other words, the duty ratio in the proposed control is a coordinated control law. Therefore, power/current sharing and DC voltage control can be realized simultaneously under the voltage–current double loop control with coordinated control laws.
There are two working modes of ESUs, i.e., discharging mode and charging mode. The working mode is determined by PV power and load power. If the PV power is less than the load power, then the working mode of ESUs is in the discharge state. The external characteristics of DC-DC converters connected to ESUs are presented as a VDG, and the improved SOC-based VDG virtual armature resistance is Rdi. If the PV power is more than the load power, then the working mode is in the charge state. Meanwhile, the external characteristics of DC-DC converters connected to ESUs are presented as a VDM, and the improved SOC-based VDM virtual armature resistance is Rci. The control block diagram for SOC balancing with the improved SOC-based VDCM is shown in Figure 5.
4. Stability Analysis
The small signal models of ESU converters and an offshore isolated island DC microgrid are established in this section. The small signal stability analysis should be discussed for the improved VDCM control and the SOC balance control, respectively. To unify the concept, in this paper, is considered as a small disturbance that corresponds to the steady-state value of the state variable X.
4.1. Small Signal Stability Analysis of Improved SOC-Based VDCM Control
In order to analyze the bidirectional DC-DC converter stability controlled by the improved VDCM, the converter control system in Figure 5 is transformed into an equivalent small signal diagram as shown in Figure 6. Detailed parameters of the improved SOC-based VDCM control system can be referred to in Table 2.
Figure 6.
The small signal model of the bidirectional DC-DC converter controlled by the improved VDCM.
Table 2.
The system parameters.
If the ESU is in the charge state, then the duty ratio w is UBus/UESU; and if the ESU is in the discharge state, then the duty ratio w is (1 − UESU/UBus).
In order to analyze the influence of J and D on the proposed control, different J and D are set respectively to judge the stability and anti-interference ability of the control system. Bode plots for different J and D with fixed SOC (SOC = 80%) are shown in Figure 7. The system parameters are shown in Table 2.
Figure 7.
Bode diagram of the improved SOC-based VDCM with different J and D.
It can be seen from Figure 7 that J mainly affects the high frequency band and D mainly affects the low frequency band. With the increase in J, the system stability is enhanced with the increase in the amplitude margin. Moreover, with the increase in D, the suppressing disturbance ability increases with the increase in the phase margin. Thus, it can be shown that increasing J or D is conducive to suppressing fluctuation and obtaining the better anti-interference ability of the bidirectional DC-DC converter. As a result, the adaptive J and D proposed in this paper are superior to the fixed J and D.
4.2. Small Signal Stability Analysis of SOC Balance Control
In this section, in a similar way to the stability analysis in [15,24], the small signal analysis method is used to analyze the stability of the DC microgrid system with SOC balance control. Detailed parameters of the DC microgrid and the control system can be referred to in Table 2.
The ampere-hour integral method is used to obtain the SOC, and the calculation formula of the SOC is as follows:
where SOC0i is the initial value of the ESUi’s SOC and Ce is the rated capacity of the ESUi.
From the fundamental theorem of circuit and power electronic in Figure 1a, the relationship can be obtained as follows:
Substituting (19) into (18), we can obtain:
4.2.1. ESUs in Discharging
By conducting small signal perturbation on (20a), the following can be obtained:
Let
hence
where
According to (1), (2), and (10), the following can be obtained:
where
Perturbing (26), we can obtain:
where a = SOC1 − SOC2 and b = UBusnom − UBus.
From (22) to (28), a small signal model of individual ESUs has been obtained; therefore, at the converter common connection point, the small signal model of two ESUs in parallel is satisfied:
Perturbing (29), we can obtain:
Then, the characteristic equation of the two ESU systems in parallel can be obtained as follows:
where
4.2.2. ESUs in Charging
Similar to the above analysis result, we can obtain (32):
where
The pole-zero maps in are shown Figure 8 and Figure 9, in which “○” represents zero and “×” represents pole. The small signal stability analysis with parameter k, n, a, and b are discussed. In this section, the range of parameter k is from 5 to 25, and the range of parameter n is from 1 to 3. The parameter a represents the SOC difference value between the two ESUs. The range of parameter a is . Parameter b represents the deviation of the bus voltage, and the range of parameter b is from 5% to 5%.
Figure 8.
Bode diagram of the improved SOC-based VDCM with various k, n, a, and b.
Figure 9.
Bode diagram of the improved SOC-based VDCM with various k, n, a, and b.
It can be seen from Figure 8 and Figure 9 that within the given range of parameter k, n, a, and b, the zero point and pole point are always located in the left half plane of the X-axis. As discussed above, it can be proven that the system is stable in the discharge state or the charge state. Since the small-signal analysis method is adopted for stability analysis both in this paper and [24], the bode diagram in this paper is similar to [24]. The small-signal analysis method is often used to analyze system stability, and the same method can be found in [36,39]. A Bode diagram is an analysis tool to show whether the concerned system is stable; therefore, the bode diagram looks similar.
According to (31), the zero-pole maps as shown in Figure 8 can be obtained:
According to (32), the zero-pole maps as shown in Figure 9 can be obtained:
5. Simulation Results
In order to prove the effectiveness of the proposed control, simulations will be carried out in this section. The offshore isolated island DC microgrid system involved in the simulations is shown in Figure 5, and the DC microgrid system contains ESUs, a renewable energy source (PV), and a DC load. Detailed system parameters are shown in Table 2. This section will be divided into three cases. Case 1, Case 2, and Case 3 adopted the same DC microgrid system and working conditions. The method used in Case 1 is the improved SOC-based bidirectional virtual DC machine control in this paper. The method used in Case 2 is the SOC-based bidirectional virtual DC machine control in [24]. The method used in Case 3 is the double-quadrant SOC-based droop control in [15]. The comparative results of the three cases are also analyzed in this section. In addition, comparisons of bus voltage in different VDCM control, the influence of line impedance on SOC balancing, the influence of disturbances, and plug-and-play are also included in this section to verify the effectiveness and superiority of the proposed control.
5.1. Case 1: The Proposed Control Method in the Paper
The PV is controlled by maximum power point tracking (MPPT), and the PV power remains constant. The load power is set as a piecewise function, which is used to simulate the change of load in the actual process. PLoad and PPV are shown in (33).
From 0 s to 10 s, the working mode of ESUs is in the discharge state. From 10 s to 15 s, the working mode of ESUs is in the charge state. The initial SOCs of the two ESUs are 80% and 70%. In particular, one second in simulation time corresponds to one hour in real time. This same rule applies in the other cases.
From Figure 10a,b, it can be seen that the proposed control can balance the SOCs of the ESUs within 5 s. The two SOCs of the ESUs are finally in a consistent state, and the deviation value of the SOCs can converge to a minimum value. Because the proposed control in this paper increases the inertia and damping characteristics of the DC microgrid system, when the load changes, the DC bus voltage fluctuation is small, and the DC bus voltage returned to the normal value in a gentle way in Figure 10e.
Figure 10.
The simulation results in Case 1.
In this process, whether it is switching the state between discharging and charging or changing the load power, from Figure 10c–e, the output power of the bidirectional DC-DC converter, the output current of the bidirectional DC-DC converter, and the bus voltage are within an acceptable range. When the SOCs of ESUs balance, the SOC-based VDCM armature resistances converge to the initial virtual armature resistances in Figure 10f. In Case 1, the effectiveness of the SOC balance control proposed in this paper is verified.
5.2. Case 2: The Control Method in [24]
An SOC-based VDCM control for distributed storage systems in DC microgrids is proposed in [24]. The control block diagram is shown in Figure 2. From Figure 11a,b, it can be seen that the two SOCs are finally in a consistent state within 10 s. From Figure 11c–e, the output power of the bidirectional DC-DC converter, the output current of the bidirectional DC-DC converter, and the bus voltage are within an acceptable range. When the SOCs reach a balance state, the virtual armature resistance converges to the initial virtual armature resistance in Figure 11f.
Figure 11.
The simulation results in Case 2.
5.3. Case 3: The Control Method in [15]
A double-quadrant SOC-based droop control for distributed storage systems in autonomous DC microgrids is proposed to reach SOC balance in [15]. From Figure 12a,b, it can be seen that the two SOCs are almost in a consistent state within 15 s. From Figure 12c–e, the output power of the bidirectional DC-DC converter, the output current of the bidirectional DC-DC converter, and the bus voltage are within an acceptable range. From Figure 12f, it can be seen that the droop coefficients change with the SOC value.

Figure 12.
The simulation results in Case 3.
Note that, although the power and current of the ESU ports are not given in this paper, Figure 10c,d, Figure 11c,d, and Figure 12c,d can be converted to the ESU ports according to Formula (20). Therefore, in the paper, we only give the current and power output of the converter; correspondingly, they can also reflect the state of the current and power at the ESU ports. Therefore, in order to avoid repetition, only the converter output current and power are given in the paper. The main work of this paper is to achieve SOC balance by power allocation and improve bus voltage dynamics. The figures of the bus voltage diagram and the SOC are given in detail in this paper.
5.4. Comparison Diagram
From Figure 13, we can find that although the bus voltages of the three cases are all within the allowable range, the bus voltage cannot be maintained at a normal value in Case 3. This is because only droop control is used in Case 3, and there is a deviation between the actual bus voltage and the bus voltage normal value. In comparison, the bus voltages of Case 1 and Case 2 can be maintained at the normal value without additional secondary voltage restoration control. From Figure 13, when the load changes, the bus voltage fluctuation in Case 1 is smaller than in Case 2 and the process of the bus voltage returning to a normal value is gentler. Hence, it can be proven that the improved VDCM control without a power loop and torque loop and with adaptive J and D in this paper has better a dynamic effect in suppressing bus voltage fluctuation.
Figure 13.
The comparisons of bus voltage in Cases 1–3.
The proposed SOC-based VDCM virtual armature resistance in this paper expands the value range of virtual armature resistance, which makes the SOC-based VDCM virtual armature resistance more sensitive to SOC changes. Therefore, from Figure 14, we can see that under the same working conditions, the proposed control in this paper achieves SOC balance state within the shortest time. Combined with Figure 13, even if the value range of the virtual armature resistance increases, the dynamic effect of the bus voltage is still excellent. The results show the effectiveness and superiority of the proposed control in this paper.
Figure 14.
The comparisons of (SOC1-SOC2) in Cases 1–3.
In SOC balance control, droop control is the most common control. It is not difficult to find that the principles of traditional droop control (TDC) [15] and VDCM control [24] are actually similar. However, TDC only imitates the external characteristics of a generator, without inertia and damping characteristics. This means that VDCM control has stronger inhibition to sudden voltage change than TDC [12]. This is an advantage of using VDCM control in SOC balancing.
In the TDC from Figure 15, due to the droop effect, the reference value of the bus voltage is different from the normal value [18]. In fact, the actual bus voltage varies with the reference value, resulting in a deviation between the actual bus voltage and the normal value. When the ESU is in the discharge state, the actual voltage of the bus is higher than the normal value. On the contrary, when the ESU is in the charge state, the actual voltage of the bus is lower than the normal value. To eliminate the voltage deviation, a secondary control is required to recover the bus voltage at a normal value [19]. Otherwise, in the droop control, the bus voltage cannot be maintained at the normal value. However, in VDCM control, the voltage controller can ensure that the actual bus voltage always follows the normal value [24]. Therefore, there is no deviation in the bus voltage in the steady state. This is another advantage of using VDCM control in SOC balancing.
Figure 15.
The control block diagram for droop control.
For the proposed control in this paper and the traditional VDCM control in [24], the proposed control removes the power loop and torque loop, making the improved VDCM conform more to DC machine working principles. In addition, the adaptive J and D are introduced to make the proposed control more effective in suppressing voltage fluctuations. This conclusion can be verified from Figure 13. In addition, in Table 3, we take the bus voltage fluctuation at t = 5s as an example. It can also be seen that the proposed control in this paper has a better effect in suppressing bus voltage fluctuation.
Table 3.
Comparison between the proposed control scheme and exiting control schemes.
5.5. Comparisons of Bus Voltage in Different VDCM Control
In this part, we will compare the traditional VDCM control in [24], the VDCM control with adaptive J and D in this paper, the VDCM without a power loop and a torque loop, and the proposed VDCM control in this paper on the dynamic characteristic effect of the DC bus voltage. The experimental conditions of all schemes are the same as Case 1.
In Figure 16, compared with Schemes 1 and 2 in Figure 16 and Schemes 3 and 4 in Figure 16, it can be found that the bus voltage fluctuation amplitude of Schemes 1 and 2 in Figure 16 is small, which indicates that the VDCM control scheme without a power loop and torque loop has a better effect in reducing the bus voltage fluctuation amplitude. The traditional VDCM control needs to establish mechanical power through the voltage controller in Figure 2. When the DC microgrid system is disturbed, the mechanical power will fluctuate. However, the improved control scheme without a power loop and torque loop needs to establish a current through the voltage controller in Figure 3. When the DC microgrid system is disturbed, the current will fluctuate. Therefore, compared with power fluctuation or current fluctuation when the DC microgrid is disturbed, the current fluctuation is obviously smaller, so the VDCM control scheme without a power loop and torque loop has a better effect in reducing the bus voltage fluctuation amplitude.
Figure 16.
The comparison of bus voltage in different VDCM control.
In addition, compared with Schemes 1 and 3 in Figure 16 and Schemes 2 and 4 in Figure 16, it can be found that the VDCM control with adaptive J and D can make the bus voltage return to a normal value in a gentler way. When the DC microgrid system is disturbed, J or D will increase according to the rules in Table 1. A larger J or D can enhance the inertia or damping characteristics of the system; therefore, compared with the control scheme without adaptive J and D, the control scheme with adaptive J and D has an outstanding effect on suppressing the bus voltage fluctuation.
Compared with other control schemes, the control scheme proposed in this paper is one control that removes the power loop and torque loop with adaptive J and D. Therefore, the scheme proposed in this paper can improve the dynamic characteristics of bus voltage from two aspects, that is, reducing the bus voltage fluctuation amplitude and suppressing bus voltage fluctuation, which has a significant influence on the dynamic effect of improving the bus voltage.
5.6. Influence of Line Impedance on SOC Balancing
An equivalent microgrid with two ESUs is shown in Figure 17. In fact, the essence of armature resistance is actually virtual resistance. Then, the total impedance on the actual transmission line is the sum of the armature resistance and the line impedance. The armature electromotive force E in (2) is introduced into VDCM control. The armature electromotive force E can adjust adaptively to an appropriate voltage value according to the line impedance and armature resistance value. The voltage value of the supply side will not be reduced due to the existence of line impedance, so the bus voltage will not drop. Therefore, the influence of line impedance can be ignored by using the scheme proposed in this paper. Next, we will set up two simulation cases to verify the above conclusions.
Figure 17.
Equivalent microgrid with two ESUs.
Case (1): The PV is controlled by maximum power point tracking (MPPT), and the PV power remains constant. PLoad and PPV are shown in (34). From 0 s to 5 s, the working mode of the ESUs is in the charge state. From 5 s to 10 s, the working mode of the ESUs is in the discharge state. From 10 s to 15 s, the working mode of the ESUs is in the charge state. The initial SOCs of the two ESUs are 60% and 49%. Line impedance RLine1 and RLine2 are 0.05Ω. Case (2): PLoad and PPV are the same as in Case 1. The initial SOCs of the two ESUs are 65% and 45%. Line impedance RLine1 is 0.05Ω, and line impedance RLine2 is 0.5Ω.
From Figure 18a,b and Figure 19a,b, it can be seen that the proposed control can balance the SOCs of the ESUs. By comparing Figure 18b and Figure 19b, it can be seen that if RLine1 and RLine2 are not equal, the SOCs will be unequal for a short time when the ESU states are switched. However, under the control proposed in this paper, the SOCs will eventually reach a consistent state, and the deviation value of the SOCs can converge to a minimum value.
Figure 18.
The simulation results in Case (1).
Figure 19.
The simulation results in Case (2).
From Figure 18c–e and Figure 19c–e, the output power of the bidirectional DC-DC converter, the output current of the bidirectional DC-DC converter, and the bus voltage are within an acceptable range. When the SOCs reach a balance state, the virtual armature resistance converges to the initial virtual armature resistance in Figure 18f and Figure 19f.
To sum up, it can be seen from Case (1) and Case (2) that SOCs can reach a consistent state no matter if the line impedances are the same or different. Therefore, the influence of line impedance on SOC balancing can be ignored by using the control proposed in this paper.
5.7. Influence of Disturbances
The PV is controlled by maximum power point tracking (MPPT), and the PV power remains constant. PLoad and PPV are shown in (35):
From 0 s to 6 s, the working mode of the ESUs is in the discharge state. At 6 s, the 36.57% load is removed, and the state of the ESUs changes from discharge to charge. At 9 s, the 76.47% load is added, and the state of the ESUs changes from charge to discharge. Here, we consider relatively large load variations to verify the performance of the proposed control method, which may be rare in reality. The initial SOCs of the two ESUs are 61% and 43%. The disturbance referred to in this part is a change of load.
From Figure 20, it can be seen that the DC microgrid system can still maintain stability when it is suffering from relatively large disturbances. In addition, from Figure 20a,b, the proposed control can balance the SOCs of the ESUs.
Figure 20.
The simulation results of disturbances.
5.8. Plug-and-Play
The PV is controlled by maximum power point tracking (MPPT), and the PV power remains constant. PLoad and PPV are shown in (36). From 0 s to 15 s, the working mode of the ESUs is in the discharge state. The initial SOCs of the three ESUs are 76%, 74%, and 71%.
From Figure 21a, it can be seen that when the time t is 8 s, ESU1 is removed from the DC microgrid system, and when time t is 9 s, EUS1 is re-connected to the DC microgrid system. Therefore, SOC1 remains unchanged at 8s~9s, while SOC2 and SOC3 continue to decline. It can also be seen from Figure 21b that when the EUS is removed or reconnected to the DC microgrid system, all SOCs of the ESUs can finally achieve a consistent state under the control proposed in this paper. The simulation case verifies the plug-and-play capability of the proposed control.
Figure 21.
The simulation results of plug-and-play.
6. Conclusions
In this paper, an SOC-based bidirectional VDCM control for energy storage systems in offshore isolated island DC microgrids is presented. Compared with traditional VDCM control, the proposed control removes the power loop and torque loop. Moreover, the J and D used in this paper can adaptively adjust according to the bus voltage difference and the bus voltage difference change rate. The results showed that the VDCM control without a power loop and torque loop has a better effect in reducing the bus voltage fluctuation amplitude. And the control with adaptive J and D has an outstanding effect on suppressing bus voltage fluctuation. Therefore, the scheme proposed in this paper can improve the dynamic characteristics of the bus voltage from two aspects, that is, reducing the amplitude of bus voltage fluctuation and suppressing bus voltage fluctuation, which has a significant influence on the dynamic effect of improving bus voltage.
In addition, in order to shorten the SOC balance time, an improved SOC-based VDCM virtual armature resistance, which is attached to an SOC-related function to the initial virtual armature resistance, is adopted. Therefore, it can adaptively adjust the energy absorbed or released according to the SOC state. The results show that, compared with other control methods, using the improved SOC-based VDCM control in this paper, the dynamic effect of bus voltage is better and SOC balancing can be achieved in a short time.
The research in this paper can provide a reference for the improved application of VDCM control and the SOC balance control of ESUs. However, the bidirectional DC-DC converter used in this paper is the most basic. In the future, we can explore the relationship between SOC balance and converter structure as the research direction.
Author Contributions
S.W.: writing—original draft and software. Z.W.: conceptualization, methodology, and supervision. X.L.: validation. X.Y.: writing—review and editing. All authors have read and agreed to the published version of the manuscript.
Funding
This research was funded by the National Natural Science Foundation of China, grant number 61973070; the Liaoning Revitalization Talents Program, grant number XLYC1802010; the Nature Science Foundation of Liaoning Province, grant number 2022JH25/10100008; and the SAPI Fundamental Research Funds, grant number 2018ZCX22.
Institutional Review Board Statement
Not applicable.
Informed Consent Statement
Not applicable.
Data Availability Statement
The datasets generated during and/or analyzed during the current study are available from the corresponding author upon reasonable request.
Conflicts of Interest
The authors have no known competing interests.
References
- Ma, Z.; Chen, H.; Han, J.; Chen, Y.; Kuang, J.; Charpentier, J.-F.; Aϊt-Ahmed, N.; Benbouzid, M. Optimal SOC Control and Rule-Based Energy Management Strategy for Fuel-Cell-Based Hybrid Vessel including Batteries and Supercapacitors. J. Mar. Sci. Eng. 2023, 11, 398. [Google Scholar] [CrossRef]
- Sun, Q.; Han, R.; Zhang, H.; Zhou, J.; Guerrero, J.M. A Multiagent-Based Consensus Algorithm for Distributed Coordinated Control of Distributed Generators in the Energy Internet. IEEE Trans. Smart Grid 2015, 6, 3006–3019. [Google Scholar] [CrossRef]
- Li, X.; Hui, D.; Lai, X. Battery Energy Storage Station (BESS)-Based Smoothing Control of Photovoltaic (PV) and Wind Power Generation Fluctuations. IEEE Trans. Sustain. Energy 2013, 4, 464–473. [Google Scholar] [CrossRef]
- Yang, D.; Qin, J.; Pang, Y.; Huang, T. A Novel Double-Stacked Autoencoder for Power Transformers DGA Signals with an Imbalanced Data Structure. IEEE Trans. Ind. Electron. 2022, 69, 1977–1987. [Google Scholar] [CrossRef]
- Mohandes, B.; Wahbah, M.; El Moursi, M.S.; El-Fouly, T.H. Renewable Energy Management System: Optimum Design and Hourly Dispatch. IEEE Trans. Sustain. Energy 2021, 12, 1615–1628. [Google Scholar] [CrossRef]
- Abomazid, A.M.; El-Taweel, N.A.; Farag, H.E.Z. Optimal Energy Management of Hydrogen Energy Facility Using Integrated Battery Energy Storage and Solar Photovoltaic Systems. IEEE Trans. Sustain. Energy 2022, 13, 1457–1468. [Google Scholar] [CrossRef]
- Song, D.; Yan, J.; Zeng, H.; Deng, X.; Yang, J.; Qu, X.; Rizk-Allah, R.M.; Snášel, V.; Joo, Y.H. Topological Optimization of an Offshore-Wind-Farm Power Collection System Based on a Hybrid Optimization Methodology. J. Mar. Sci. Eng. 2023, 11, 279. [Google Scholar] [CrossRef]
- Michaelson, D.; Mahmood, H.; Jiang, J. A Model of PV Generation Suitable for Stability Analysis. IEEE Trans. Energy Convers. 2004, 19, 748–755. [Google Scholar]
- Bui, V.-H.; Hussain, A.; Kim, H.-M. A Multiagent-Based Hierarchical Energy Management Strategy for Multi-Microgrids Considering Adjustable Power and Demand Response. IEEE Trans. Smart Grid 2016, 9, 1323–1333. [Google Scholar] [CrossRef]
- Fang, J.Y.; Li, H.C.; Blaabjerg, F. The Role of Power Electronics in Future Low Inertia Power Systems. In Proceedings of the IEEE International Power Electronics and Application Conference and Exposition (PEAC), Shenzhen, China, 4–7 November 2018. [Google Scholar]
- Lin, G.; Liu, J.; Wang, P.; Rehtanz, C.; Li, Y.; Wang, S. Low-Frequency Oscillation Analysis of Virtual-Inertia-Controlled DC Microgrids Based on Multi-Timescale Impedance Model. IEEE Trans. Sustain. Energy 2022, 13, 1536–1552. [Google Scholar] [CrossRef]
- Hu, H.; Zhu, M.; Zhang, J.; Liu, M.; Cai, X. Virtual DC machine Control for PV converters in DC Distribution System. In Proceedings of the IEEE 21th Energy Conversion Congress and Exposition, Singapore, 24–27 May 2021. [Google Scholar]
- Sarojin, R.K.; Palanisamy, K. Emulated Inertia Control for the Stand-Alone Microgrid with High Penetration of Renewable Energy Sources. Int. J. Renew. Energy Res. 2020, 10, 831–842. [Google Scholar]
- Hong, Y.; Xu, D.; Yang, W.; Jiang, B.; Yan, X.-G. A Novel Multi-Agent Model-Free Control for State-of-Charge Balancing Between Distributed Battery Energy Storage Systems. IEEE Trans. Emerg. Top. Comput. Intell. 2021, 5, 679–688. [Google Scholar] [CrossRef]
- Lu, X.; Sun, K.; Guerrero, J.M.; Vasquez, J.C.; Huang, L. Double-Quadrant State-of-Charge-Based Droop Control Method for Distributed Energy Storage Systems in Autonomous DC Microgrids. IEEE Trans. Smart Grid 2014, 6, 147–157. [Google Scholar] [CrossRef]
- Fagundes, T.A.; Fuzato, G.H.F.; Ferreira, P.G.B.; Biczkowski, M.; Machado, R.Q. Fuzzy Controller for Energy Management and SoC Equalization in DC Microgrids Powered by Fuel Cell and Energy Storage Units. IEEE J. Emerg. Sel. Top. Ind. Electron. 2021, 3, 90–100. [Google Scholar] [CrossRef]
- Diaz, N.L.; Dragicevic, T.; Vasquez, J.C.; Guerrero, J.M. Intelligent Distributed Generation and Storage Units for DC Microgrids—A New Concept on Cooperative Control without Communications beyond Droop Control. IEEE Trans. Smart Grid 2014, 5, 2476–2485. [Google Scholar] [CrossRef]
- Begum, M.; Li, L.; Zhu, J. Distributed Secondary Control of Energy Storage Units for SoC balancing in AC Microgrid. In Proceedings of the IEEE Power & Energy Society Innovative Smart Grid Technologies Conference (ISGT), New Orleans, LA, USA, 24–28 April 2022. [Google Scholar]
- Zeng, Y.; Zhang, Q.; Liu, Y.; Zhuang, X.; Lv, X.; Wang, H. An Improved Distributed Secondary Control Strategy for Battery Storage System in DC Shipboard Microgrid. IEEE Trans. Ind. Appl. 2022, 58, 4062–4075. [Google Scholar] [CrossRef]
- Zhang, R.; Hredzak, B. Nonlinear Sliding Mode and Distributed Control of Battery Energy Storage and Photovoltaic Systems in AC Microgrids with Communication Delays. IEEE Trans. Ind. Inform. 2019, 15, 5149–5160. [Google Scholar] [CrossRef]
- Yang, Y.; Xu, D.; Ma, T.; Su, X. Adaptive Cooperative Terminal Sliding Mode Control for Distributed Energy Storage Systems. IEEE Trans. Circuits Syst. I Regul. Pap. 2020, 68, 434–443. [Google Scholar] [CrossRef]
- Morstyn, T.; Momayyezan, M.; Hredzak, B.; Agelidis, V.G. Distributed Control for State-of-Charge Balancing between the Modules of a Reconfigurable Battery Energy Storage System. IEEE Trans. Power Electron. 2015, 31, 7986–7995. [Google Scholar] [CrossRef]
- Meng, T.; Lin, Z.; Shamash, Y.A. Distributed Cooperative Control of Battery Energy Storage Systems in DC Microgrids. IEEE/CAA J. Autom. Sin. 2021, 8, 606–616. [Google Scholar] [CrossRef]
- Zhi, N.; Ding, K.; Du, L.; Zhang, H. An SOC-Based Virtual DC Machine Control for Distributed Storage Systems in DC Microgrids. IEEE Trans. Energy Convers. 2020, 35, 1411–1420. [Google Scholar] [CrossRef]
- Li, D.; Zhu, Q.; Lin, S.; Bian, X.Y. A Self-Adaptive Inertia and Damping Combination Control of VSG to Support Frequency Stability. IEEE Trans. Energy Convers. 2016, 32, 397–398. [Google Scholar] [CrossRef]
- Wang, F.; Zhang, L.; Feng, X.; Guo, H. An Adaptive Control Strategy for Virtual Synchronous Generator. IEEE Trans. Ind. Appl. 2018, 54, 5124–5133. [Google Scholar] [CrossRef]
- Ren, M.; Li, T.; Shi, K.; Xu, P.; Sun, Y. Coordinated Control Strategy of Virtual Synchronous Generator Based on Adaptive Moment of Inertia and Virtual Impedance. IEEE J. Emerg. Sel. Top. Circuits Syst. 2021, 11, 99–110. [Google Scholar] [CrossRef]
- Marcelino, F.L.F.; Sathler, H.H.; Silva, W.W.A.G.; de Oliveira, T.R.; Donoso-Garcia, P.F. A comparative study of Droop Compensation Functions for State-of-Charge based adaptive droop control for Distributed Energy Storage Systems. In Proceedings of the IEEE 8th International Symposium Power Electronics for Distributed Generation Systems (PEDG), Florianopolis, Brazil, 17–20 April 2017. [Google Scholar]
- Sun, X.; Hao, Y.; Wu, Q.; Guo, X.; Wang, B. A Multifunctional and Wireless Droop Control for Distributed Energy Storage Units in Islanded AC Microgrid Applications. IEEE Trans. Power Electron. 2017, 32, 413–422. [Google Scholar] [CrossRef]
- Zhang, X.; Li, H.; Fu, Y. Optimized Virtual DC Machine Control for Voltage Inertia and Damping Support in DC Microgrid. In Proceedings of the IEEE Applied Power Electronics Conference and Exposition (APEC), Phoenix, AZ, USA, 9–13 June 2021. [Google Scholar]
- Zhi, N.; Ming, X.; Ding, Y.; Du, L.; Zhang, H. Power-Loop-Free Virtual DC Machine Control with Differential Compensation. IEEE Trans. Ind. Appl. 2021, 58, 413–422. [Google Scholar] [CrossRef]
- Neves, M.S.; Alves, F.A.L.; Aredes, M.A.; Costa, J.A.V.C.; Aredes, M. A Virtual DC Machine Control Strategy with Nonlinear Behavior to Enhance Power Sharing and Voltage Regulation in DC Microgrids. In Proceedings of the IEEE 4th International Conference on DC Microgrids (ICDCM), Arlington, VA, USA, 18–21 July 2021. [Google Scholar]
- Hu, H.; Zhu, M.; Li, X.; Cai, X. Virtual DC machine based islanding detection method in DC distribution system and stability enhancement. In Proceedings of the IEEE Industrial Electronics Society (IECON), Singapore, 18–21 October 2020. [Google Scholar]
- Ertekin, D.; Bulut, K.; Tekin, H.; Moschopoulos, G. A design for switched capacitor and single-switch DC–DC boost converter by a small signal-based PI controller. Int. J. Circuit Theory Appl. 2021, 50, 1620–1651. [Google Scholar] [CrossRef]
- Qi, Q.; Ghaderi, D.; Guerrero, J.M. Sliding mode controller-based switched-capacitor-based high DC gain and low voltage stress DC-DC boost converter for photovoltaic applications. Int. J. Electr. Power Energy Syst. 2021, 125, 106496. [Google Scholar] [CrossRef]
- Xiong, H.D.; Li, T. Joint Control Based on Virtual DC Machine and Predictive Model for Hybrid Energy Storage System. In Proceedings of the 5th IEEE Conference on Energy Internet and Energy System Integration, Taiyuan, China, 22–24 October 2021. [Google Scholar]
- Bagheri, S.; CheshmehBeigi, H.M. DC Microgrid Voltage Stability through Inertia Enhancement Using a Bidirectional DC-DC Converter. In Proceedings of the 7th IEEE Iran Wind Energy Conference, Shahrood, Iran, 17–18 May 2021. [Google Scholar]
- Samanta, S.; Mishra, J.P.; Roy, B.K. Virtual DC machine: An inertia emulation and control technique for a bidirectional DC–DC converter in a DC microgrid. IET Electr. Power Appl. 2018, 12, 874–884. [Google Scholar] [CrossRef]
- Wang, P.; Zhao, J.; Liu, K. Parameter-Adaptation-Based Virtual DC Motor Control Method for Energy Storage Converter. IEEE Access 2021, 9, 90795–90804. [Google Scholar] [CrossRef]
Disclaimer/Publisher’s Note: The statements, opinions and data contained in all publications are solely those of the individual author(s) and contributor(s) and not of MDPI and/or the editor(s). MDPI and/or the editor(s) disclaim responsibility for any injury to people or property resulting from any ideas, methods, instructions or products referred to in the content. |
© 2023 by the authors. Licensee MDPI, Basel, Switzerland. This article is an open access article distributed under the terms and conditions of the Creative Commons Attribution (CC BY) license (https://creativecommons.org/licenses/by/4.0/).





















