Dynamic Safety Assessment and Enhancement of Port Operational Infrastructure Systems during the COVID-19 Era
Abstract
1. Introduction
2. Literature Review
2.1. Disruption Risks and Port Disruptions
2.2. Risk Management Methods
3. Port Safety Framework
3.1. Impact of COVID-19 on Port Operational Infrastructure Security
- Physical function:
- 2.
- Economic function:
- 3.
- Social function:
- 4.
- Environmental function:
- 5.
- Organizational function:
3.2. Research Methodology
3.2.1. Multi-Dimensional
3.2.2. Multi-State
3.2.3. Multi-Stage
- Simulation of disruption scenario:
- 2.
- Evaluation of component functional state:
- 3.
- Calculation of the system functional failure capacity:
- 4.
- Simulation of system function:
4. Dynamic Safety Assessment of the Port Operational Infrastructure System
4.1. Port Infrastructure System Operating Procedure Analysis
- Subsystem 1: Shipping critical infrastructure system;
- Subsystem 2: Port terminal infrastructure system;
- Subsystem 3: Port distribution networks system.
4.2. Risk Analysis of the PIS Based on the Dynamic Model
4.2.1. Inoperability Input–Output Model of the Port Operational Infrastructure System
4.2.2. The Interdependency Matrix of PIS
5. Simulation
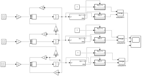
5.1. Subsystems Attack Scenario Simulation
5.2. Results of the Simulation
- For attack scenario 1 (Figure 8), the disturbance at time is assumed to be an abrupt discontinuity in subsystem 1; the failure capacity function is generated, going from 0 to 0.2 at time (i.e., 1 h after initial time ). The capacity of subsystem 1 goes to 1 at time , while this happens at in subsystems 2 and 3.
- For attack scenario 2 (Figure 8), the capacity of subsystem 1 goes to 1 at time . When , the failure capacity of subsystems 2 and 3 increases to 1, meaning complete failure.
- For attack scenario 3 (Figure 8), the capacity of subsystem 1 goes to 1 at time . When , the failure capacity of subsystems 2 and 3 increases to 1, meaning complete failure.
- The simulation results above show that when subsystem 1 is attacked at different levels (20%, 40%, 60%, and 80%) of failure capacity due to COVID-19 disruption, subsystem 3 is the first to achieve complete failure at the times of 9.47, 6.56, 5.00, and 4.07 h. Although subsystem 1 is directly attacked, subsystem 3 is the first to fail, followed by subsystem 2, and finally subsystem 1.
- When the failure capacity of subsystem 2 goes from 0 to 0.2, subsystem 3 is still the first to achieve complete failure at the time of 11.21 h. While subsystem 2 is attacked at different levels of failure capacity (40%, 60%, and 80%), subsystem 2 is the first to fail at the times of 8.75, 6.98, and 5.34 h, followed by subsystem 3, and finally subsystem 1.
- When the failure capacity of subsystem 3 goes from 0 to 0.8, subsystem 3 is still the first to achieve complete failure at the time of 5.35 h. While subsystem 3 is attacked at different levels of failure capacity (20%, 40%, and 60%), subsystem 2 is the first to fail at the times of 11.39, 8.51, and 6.81 h, followed by subsystem 3, and finally subsystem 1.
6. Conclusions
Author Contributions
Funding
Institutional Review Board Statement
Informed Consent Statement
Data Availability Statement
Conflicts of Interest
References
- Giroud, A.; Ivarsson, I. World Investment Report 2020: International production beyond the pandemic: United Nations Conference on Trade and Development. J. Int. Bus. Policy 2020, 247. [Google Scholar] [CrossRef]
- Werner, S.D.; Dickenson, S.E.; Taylor, C.E. Seismic Risk Reduction at Ports: Case Studies and Acceptable Risk Evaluation. J. Waterw. Port Coast. Ocean Eng. 2000, 123, 337–346. [Google Scholar] [CrossRef]
- Mansouri, M.; Nilchiani, R.R.; Mostashari, A. A policy making framework for resilient port infrastructure systems. Mar. Policy 2010, 34, 1125–1134. [Google Scholar] [CrossRef]
- Notteboom, T.; Pallis, A.; Rodrigue, J. Port Economics, Management and Policy; Routledge: New York, NY, USA, 2022; 690p, ISBN 978-0-36-733155-9. [Google Scholar]
- Conca, D.; Bozzoni, F.; Lai, C.G. Interdependencies in Seismic Risk Assessment of Seaport Systems: Case Study at Largest Commercial Port in Italy. ASCE-ASME J. Risk Uncertain. Eng. Syst. A Civ. Eng. 2020, 6, 2. [Google Scholar] [CrossRef]
- Zhou, Y.; Li, X.; Yuen, K.F. Holistic risk assessment of container shipping service based on Bayesian Network Modelling. Reliab. Eng. Syst. Saf. 2022, 220, 108305. [Google Scholar] [CrossRef]
- Verschuur, J.; Pant, R.; Koks, E.; Hall, J. A systemic risk framework to improve the resilience of port and supply-chain networks to natural hazards. Marit. Econ. Logist. 2022, 24, 489–506. [Google Scholar] [CrossRef]
- Sarkar, B.D.; Shankar, R.; Kar, A.K. A scenario-based interval-input output model to analyze the risk of COVID-19 pandemic in port logistics. J. Model. Manag. 2022, 17, 1456–1480. [Google Scholar] [CrossRef]
- Gou, X.; Lam, J.S.L. Risk analysis of marine cargoes and major port disruptions. Marit. Econ. Logist. 2019, 21, 497–523. [Google Scholar] [CrossRef]
- Mehvar, S.; Wijnberg, K.; Borsje, B.; Kerle, N.; Hulscher, S. Towards resilient vital infrastructure systems—Challenges, opportunities, and future research agenda. Nat. Hazards Earth Syst. 2021, 21, 1383–1407. [Google Scholar] [CrossRef]
- Montewka, J.; Goerlandt, F.; Kujala, P. On a systematic perspective on risk for formal safety assessment (FSA). Reliab. Eng. Syst. Saf. 2014, 127, 77–85. [Google Scholar] [CrossRef]
- Wendler-Bosco, V.; Nicholson, C. Port disruption impact on the maritime supply chain: A literature review. Sustain. Resilient Infrastruct. 2020, 5, 378–394. [Google Scholar] [CrossRef]
- Lam, J.S.L.; Su, S. Disruption risks and mitigation strategies: An analysis of Asian ports. Marit. Policy Manag. 2015, 42, 415–435. [Google Scholar] [CrossRef]
- Trepte, K.; Rice, J.B., Jr. An initial exploration of port capacity bottlenecks in the USA port system and the implications on resilience. Int. J. Shipp. Transp. Logist. 2014, 6, 339. [Google Scholar] [CrossRef]
- Verschuur, J.; Koks, E.; Hall, J. Port disruptions due to natural disasters: Insights into port and logistics resilience. Transp. Res. Part D Transp. Environ. 2020, 85, 102393. [Google Scholar] [CrossRef]
- Kleindorfer, P.R.; Saad, G.H. Managing Disruption Risks in Supply Chains. Prod. Oper. Manag. 2005, 14, 53–68. [Google Scholar] [CrossRef]
- Lam, J.S.L.; Liu, C.; Gou, X. Cyclone risk mapping for critical coastal infrastructure: Cases of East Asian seaports. Ocean Coast. Manag. 2017, 141, 43–54. [Google Scholar] [CrossRef]
- Huang, L.; Tan, Y.; Guan, X. Hub-and-spoke network design for container shipping considering disruption and congestion in the post COVID-19 era. Ocean Coast. Manag. 2022, 225, 106230. [Google Scholar] [CrossRef]
- Zhou, X.; Jing, D.; Dai, L.; Wang, Y.; Guo, S.; Hu, H. Evaluating the economic impacts of COVID-19 pandemic on shipping and port industry: A case study of the port of Shanghai. Ocean Coast. Manag. 2022, 230, 106339. [Google Scholar] [CrossRef]
- Menhat, M.; Zaideen, I.M.M.; Yusuf, Y.; Salleh, N.H.M.; Zamri, M.A.; Jeevan, J. The impact of Covid-19 pandemic: A review on maritime sectors in Malaysia. Ocean Coast. Manag. 2021, 209, 105638. [Google Scholar] [CrossRef]
- Li, L.; Xiong, X.; Yuan, H. Ships’ response strategies to port disruptions caused by hurricanes. Ocean Coast. Manag. 2022, 227, 106275. [Google Scholar] [CrossRef]
- Hu, J.; Khan, F.; Zhang, L. Dynamic resilience assessment of the Marine LNG offloading system. Reliab. Eng. Syst. Saf. 2021, 208, 107368. [Google Scholar] [CrossRef]
- Yin, J.; Ren, X.; Liu, R.; Tang, T.; Su, S. Quantitative analysis for resilience-based urban rail systems: A hybrid knowledge-based and data-driven approach. Reliab. Eng. Syst. Saf. 2022, 219, 108183. [Google Scholar] [CrossRef]
- Giorgio, A.D.; Liberati, F. A Bayesian network-based approach to the critical Infrastructure interdependencies analysis. IEEE Syst. J. 2012, 6, 510–519. [Google Scholar] [CrossRef]
- Adumene, S.; Khan, F.; Adedigba, S.; Zendehboudi, S.; Shiri, H. Dynamic risk analysis of marine and offshore systems suffering microbial induced stochastic degradation. Reliab. Eng. Syst. Saf. 2021, 207, 107388. [Google Scholar] [CrossRef]
- Kim, Y.C.; Yoon, W.C. Quantitative representation of the functional resonance analysis method for risk assessment. Reliab. Eng. Syst. Saf. 2021, 214, 107745. [Google Scholar] [CrossRef]
- Trucco, P.; Cagno, E.; Ruggeri, F.; Grande, O. A Bayesian belief network modelling of organisational factors in risk analysis: A case study in maritime transportation. Reliab. Eng. Syst. Saf. 2008, 93, 845–856. [Google Scholar] [CrossRef]
- Park, C.; Kontovas, C.; Yang, Z.; Chang, C.-H. A BN driven FMEA approach to assess maritime cybersecurity risks. Ocean Coast. Manag. 2023, 235, 106480. [Google Scholar] [CrossRef]
- Jie, C.; Yin, B.; Lu, X. Probabilistic risk assessment of multi-state systems based on Bayesian networks. In Proceedings of the 2016 18th International Conference on Advanced Communication Technology (ICACT), Pyeongchang, Republic of Korea, 31 January–3 February 2016. [Google Scholar]
- Qiu, G.Q.; Huang, S.; Zhu, L.L.; Su, X.H.; Chen, Y. Risk assessment of multi-state bayesian network in an oil gathering and transferring system. Procedia Eng. 2015, 130, 1514–1523. [Google Scholar] [CrossRef]
- Su, C.; Lin, N.; Fu, Y. Multi-state reliability assessment for hydraulic lifting system based on the theory of dynamic Bayesian networks. Proc. Inst. Mech. Eng. O J. Risk Reliab. 2016, 230, 533–544. [Google Scholar] [CrossRef]
- Na, U.J.; Shinozuka, M. Simulation-based seismic loss estimation of seaport transportation system. Reliab. Eng. Syst. Saf. 2009, 94, 722–731. [Google Scholar] [CrossRef]
- Stewart, M.G.; Deng, X. Climate Impact Risks and Climate Adaptation Engineering for Built Infrastruct. ASCE-ASME J. Risk Uncertain. Eng. Syst. Part Civ. Eng. 2015, 1, 04014001. [Google Scholar] [CrossRef]
- Cheng, M.; Yang, D.Y.; Frangopol, D.M. Investigation of Effects of Time Preference and Risk Perception on Life-Cycle Management of Civil Infrastructure. ASCE-ASME J. Risk Uncertain. Eng. Syst. A Civ. Eng. 2020, 6, 1. [Google Scholar] [CrossRef]
- Goldbeck, N.; Angeloudis, P.; Ochieng, W.Y. Resilience assessment for interdependent urban infrastructure systems using dynamic network flow models. Reliab. Eng. Syst. Saf. 2019, 188, 62–79. [Google Scholar] [CrossRef]
- Ouyang, M. Review on modeling and simulation of interdependent critical infrastructure systems. Reliab. Eng. Syst. Saf. 2014, 121, 43–60. [Google Scholar] [CrossRef]
- Crowther, K.G.; Dicdican, R.Y.; Leung, M.F.; Lian, C.; Williams, G.M. Assessing and Managing Risk of Terrorism to Virginia’s Interdependent Transportation Systems; FHWA/VTRC 05-CR6; Virginia Transportation Research Council: Charlottesville, VA, USA, 2004. Available online: https://rosap.ntl.bts.gov/view/dot/19656 (accessed on 1 October 2004).
- Santos, J.R. Inoperability input-output modeling of disruptions to interdependent economic systems. Syst. Eng. 2006, 9, 20–34. [Google Scholar] [CrossRef]
- Reed, D.A.; Kapur, K.C.; Christie, R.D. Methodology for Assessing the Resilience of Networked Infrastructure. IEEE Syst. J. 2009, 3, 174–180. [Google Scholar] [CrossRef]
- Kołowrocki, K.; Soszyńska, J. Reliability and Availability Analysis of Complex Port Transportation Systems. Qual. Reliab. Eng. Int. 2006, 22, 79–99. [Google Scholar] [CrossRef]
- Liu, X.; Cao, Z.-J.; Li, D.-Q.; Wang, Y. Adaptive Monte Carlo Simulation Method and Its Applications to Reliability Analysis of Series Systems with a Large Number of Components. ASCE-ASME J. Risk Uncertain. Eng. Syst. A Civ. Eng. 2022, 8, 04021075. [Google Scholar] [CrossRef]
- Dziula, P.; Kolowrocki, K.; Soszynska-Budny, J. Maritime Transportation System Safety—Modeling and Identification. TransNav Int. J. Mar. Navig. Saf. Sea Transp. 2013, 7, 169–175. [Google Scholar] [CrossRef]
- Blokus-Roszkowska, A.; Kołowrocki, K. Modelling environment and infrastructure of shipyard transportation systems and processes. Reliab. Theory Appl. 2008, 4, 19–29. [Google Scholar]
- Zhang, Y.; Kim, C.-W.; Tee, K.F. Maintenance management of offshore structures using Markov process model with random transition probabilities. Struct. Infrastruct. Eng. 2016, 13, 1068–1080. [Google Scholar] [CrossRef]
- Robinson, R. Ports as elements in value-driven chain systems: The new paradigm. Marit. Policy Manag. 2002, 29, 241–255. [Google Scholar] [CrossRef]
- Olba, X.B.; Daamen, W.; Vellinga, T.; Hoogendoorn, S.P. State-of-the-art of port simulation models for risk and capacity assessment based on the vessel navigational behaviour through the nautical infrastructure. J. Traffic Transp. Eng. 2018, 5, 335–347. [Google Scholar]
- Chen, L.; Zhang, D.; Ma, X.; Wang, L.; Li, S.; Wu, Z.; Pan, G. Container Port Performance Measurement and Comparison Leveraging Ship GPS Traces and Maritime Open Data. IEEE Trans. Intell. Transp. Syst. 2016, 17, 1227–1242. [Google Scholar] [CrossRef]
- Jiang, M.; Lu, J.; Qu, Z.; Yang, Z. Safety evaluation of the ports along the Maritime Silk Road. Marit. Policy Manag. 2022, 49, 797–819. [Google Scholar] [CrossRef]
- Notteboom, T.; van der Lugt, L.; van Saase, N.; Sel, S.; Neyens, K. The Role of Seaports in Green Supply Chain Management: Initiatives, Attitudes, and Perspectives in Rotterdam, Antwerp, North Sea Port, and Zeebrugge. Sustainability 2020, 12, 1688. [Google Scholar] [CrossRef]
- Blokusroszkowska, A.; Guze, S.; Kołowrocki, K.; Soszyńskabudny, J.; Ledóchowski, M. Methodology for ship traffic and Port Operation Information Critical Infrastructures safety and resilience to climate change analysis. J. Pol. Saf. Reliab. Assoc. 2016, 7, 129–138. [Google Scholar]
- Alyami, H.; Yang, Z.; Riahi, R.; Bonsall, S.; Wang, J. Advanced uncertainty modelling for container port risk analysis. Accid. Anal. Prev. 2019, 123, 411–421. [Google Scholar] [CrossRef]
- Blokusroszkowska, A.; Bogalecka, M.; Kołowrocki, K. Critical infrastructure networks at Baltic Sea and its seaside. J. Pol. Saf. Reliab. Assoc. Summer Saf. Reliab. Semin. 2016, 7, 7–14. [Google Scholar]
- Guze, S.; Kołowrocki, K. Joint Network of Port, Shipping, Ship Traffic and Port Operation Information Critical Infrastructure Network. J. Pol. Saf. Reliab. Assoc. Summer Saf. Reliab. Semin. 2016, 7, 61–64. [Google Scholar]
- Haimes, Y.Y.; Jing, P. Leontief-Based Model of Risk in Complex Interconnected Infrastructures. J. Infrastruct. Syst. 2001, 7, 1–12. [Google Scholar] [CrossRef]
- Rinaldi, S.M.; Peerenboom, J.P.; Kelly, T.K. Identifying, understanding, and analyzing critical infrastructure interdependencies. IEEE Control Syst. 2002, 21, 11–25. [Google Scholar]
- Wang, S.; Yin, J.; Khan, R.U. The Multi-State Maritime Transportation System Risk Assessment and Safety Analysis. Sustainability 2020, 12, 14. [Google Scholar] [CrossRef]








| Failure Mode | Port Functional Units | Failure Rate |
|---|---|---|
| Random Failure (Physical) | Channel | |
| Anchorage | ||
| Berth | ||
| wharf | ||
| quay crane | ||
| Yard | ||
| Truck | ||
| Rail | ||
| Warehouse | ||
| Systematic Failure (Functional) | Shipping critical infrastructure system | / |
| Port terminal infrastructure system | / | |
| Port distribution networks system | / |
| Subsystems | Input Effect Factors | Effect on Port Functional Capacity |
|---|---|---|
| Shipping critical infrastructure system | Average vessel waiting time | The increase in vessel waiting time caused by external disruption (e.g., COVID-19 pandemic) is primarily due to a range of factors, including reduced workforce availability, stricter health and safety measures, and supply chain disruptions [4]. The prolonged waiting time for vessels not only affects the port’s efficiency but also has a cascading effect on the entire logistics chain, leading to delays in cargo handling, increased congestion, and potential revenue loss. |
| Number of incoming vessels | The impact of COVID-19 led to a reduction in vessel traffic primarily due to various factors such as port closures, quarantine measures, and reduced demand for goods [8]. The pandemic has disrupted global supply chains, leading to a decrease in the volume of goods being transported, which has had a direct impact on the number of vessels arriving at ports. | |
| Container shipping demand | The COVID-19 pandemic led to a decline in product demand and subsequent reductions in production volume, which further led to a reduction in container shipping demand, resulting in a decrease in the number of sailing ships [12]. The decrease in the number of sailing ships has a cascading effect on the port industry, potentially leading to a reduction in the number of ports calls. | |
| Port terminal infrastructure system | Infrastructure (anchorage, berth, wharf, quay crane) | The COVID-19 pandemic has led to a decrease in the labor supply [8], resulting in a reduction in the actual infrastructure utilization rate of ports and the export container volume. For instance, disruptions caused by the COVID-19 pandemic may lead to a decrease in the capacity of certain infrastructure, such as the operation of quay cranes. For example, if the number of quay cranes operating at a port was reduced from 10 to 8 due to the pandemic, this would result in a 20% decrease in the failure rate. |
| Human resources | The spread of COVID-19 has prompted governments to implement policies to restrict the movement of people, leading to a decrease in the supply of available labor [19]. As a result, the operation capacity of ports has been constrained, resulting in a decrease in the number of port calls. | |
| Port distribution networks system | Transportation (truck, rail) | The COVID-19 pandemic has resulted in restrictions on transportation, including restrictions on road, rail, and public transportation [12]. These restrictions have had a direct impact on the transportation capacity of the port distribution networks system and the logistics chain. As a result, the operation capacity of ports has been constrained, leading to a decrease in port operational efficiency. |
| Infrastructure (warehouse) | A decrease in the current warehouse level may constrain the subsequent production capability [19]. Therefore, maintaining an optimal warehouse capacity is critical for ensuring the efficient and sustainable operation of port operating processes. |
| Failure Rate | Attack Scenario | Subsystem 1 | Subsystem 2 | Subsystem 3 |
|---|---|---|---|---|
| 0.2 | 1 | 11.42 | 10.03 | 9.47* |
| 2 | 12.70 | 11.41 | 11.21* | |
| 3 | 12.92 | 11.39* | 11.44 | |
| 0.4 | 1 | 8.75 | 7.75 | 6.56* |
| 2 | 9.92 | 8.75* | 8.80 | |
| 3 | 10.4 | 8.51* | 8.74 | |
| 0.6 | 1 | 6.96 | 6.63 | 5.00* |
| 2 | 8.18 | 6.98* | 7.54 | |
| 3 | 9.00 | 6.81* | 7.01 | |
| 0.8 | 1 | 5.34 | 5.92 | 4.07* |
| 2 | 7.01 | 5.34* | 6.73 | |
| 3 | 8.11 | 5.64 | 5.35* |
Disclaimer/Publisher’s Note: The statements, opinions and data contained in all publications are solely those of the individual author(s) and contributor(s) and not of MDPI and/or the editor(s). MDPI and/or the editor(s) disclaim responsibility for any injury to people or property resulting from any ideas, methods, instructions or products referred to in the content. |
© 2023 by the authors. Licensee MDPI, Basel, Switzerland. This article is an open access article distributed under the terms and conditions of the Creative Commons Attribution (CC BY) license (https://creativecommons.org/licenses/by/4.0/).
Share and Cite
Wang, S.; Yin, J.; Khan, R.U. Dynamic Safety Assessment and Enhancement of Port Operational Infrastructure Systems during the COVID-19 Era. J. Mar. Sci. Eng. 2023, 11, 1008. https://doi.org/10.3390/jmse11051008
Wang S, Yin J, Khan RU. Dynamic Safety Assessment and Enhancement of Port Operational Infrastructure Systems during the COVID-19 Era. Journal of Marine Science and Engineering. 2023; 11(5):1008. https://doi.org/10.3390/jmse11051008
Chicago/Turabian StyleWang, Siqi, Jingbo Yin, and Rafi Ullah Khan. 2023. "Dynamic Safety Assessment and Enhancement of Port Operational Infrastructure Systems during the COVID-19 Era" Journal of Marine Science and Engineering 11, no. 5: 1008. https://doi.org/10.3390/jmse11051008
APA StyleWang, S., Yin, J., & Khan, R. U. (2023). Dynamic Safety Assessment and Enhancement of Port Operational Infrastructure Systems during the COVID-19 Era. Journal of Marine Science and Engineering, 11(5), 1008. https://doi.org/10.3390/jmse11051008

