Crack Growth in Ni-Cr-Mo-V Steel Using ΔCTOD Elastic–Plastic Model
Abstract
1. Introduction
2. Numerical Methods
3. Experimental Analysis
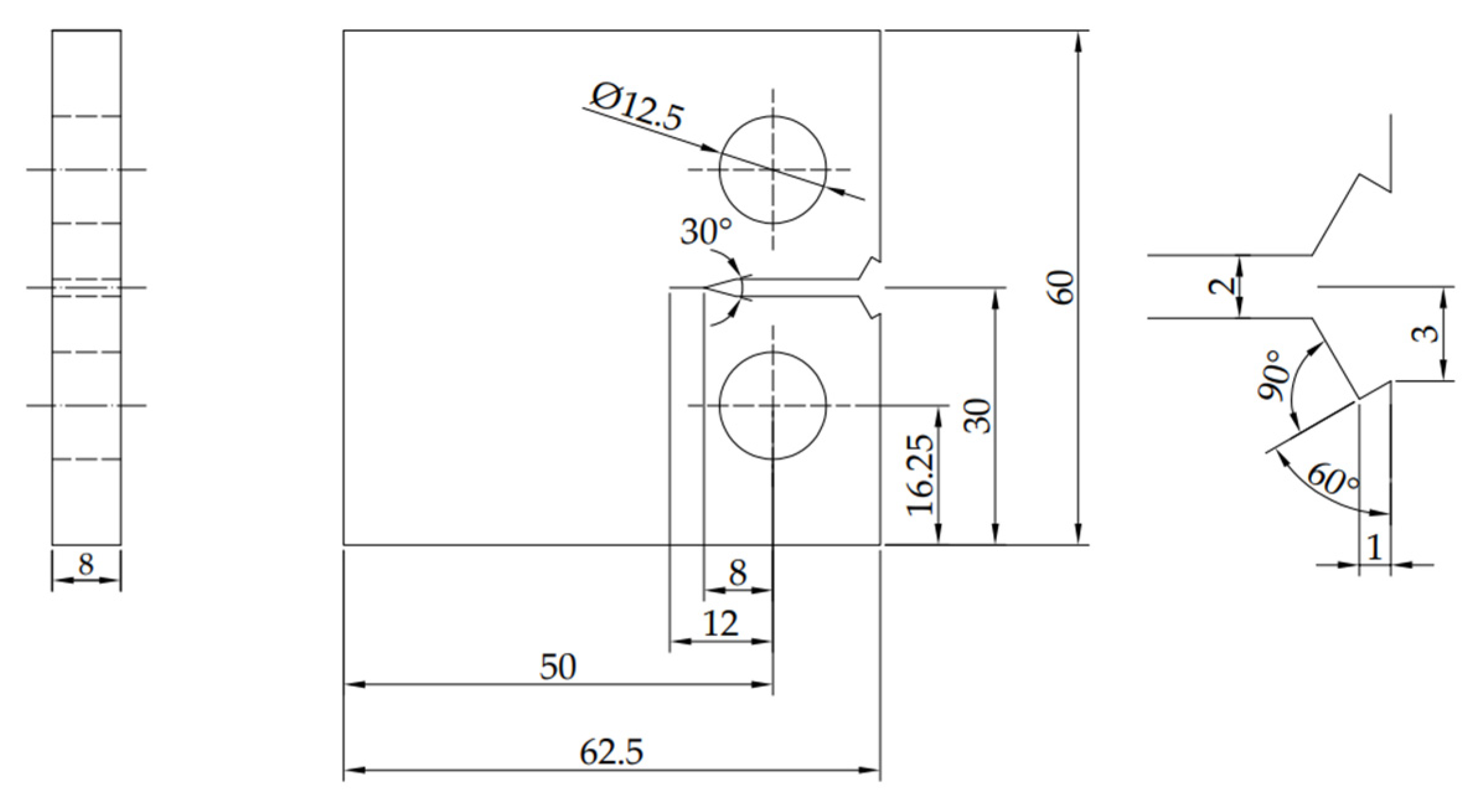
3.1. Specimen Characteristics
3.2. Test Setup
3.3. Digital Image Correlation
4. Results and Discussion
4.1. Crack Clouse Coefficient U
4.2. da/dN-ΔCTOD Curve
4.3. Comparison
5. Conclusions
- According to the crack opening force results from experiments, the crack closure coefficient U is almost independent of the load amplitude Pa and only related to the loading ratio R. Based on this phenomenon, the equation for U was provided.
- In the double logarithmic coordinate system, there is a linear correlation between the crack propagation rate da/dN and ΔCTOD that is like Paris’ law, which indicates that ΔCTOD is a feasible alternative to ΔK.
- The Irwin model assumes small-scale yielding, which considers the plastic zone size much smaller than the crack size, thus tends to underestimate the value of ΔCTOD with a significant error and is not recommended for the prediction of ΔCTOD in elastic–plastic fracture problems.
- The Dugdale model has good predictability when the crack length or applied load is small. However, since the Dugdale model ignores the effect of material hardening, it tends to overestimate ΔCTOD and the error increases with the crack length or applied load. Therefore, the applicability range should be verified using the Dugdale model for ΔCTOD prediction.
- Since the material hardening effect is considered, the HRR model is more accurate in describing the elastic–plastic stress–strain field at the crack tip of the CT specimen than the Irwin and Dugdale models. Thus, the ΔCTOD is better-predicted. Therefore, the HRR model proposed in the present study is recommended for predicting ΔCTOD in elastic–plastic fracture mechanics problems.
Author Contributions
Funding
Institutional Review Board Statement
Informed Consent Statement
Data Availability Statement
Conflicts of Interest
References
- Yue, J.; Dang, Z.; Guedes Soares, C. Prediction of fatigue crack propagation in bulb stiffeners by experimental and numerical methods. Int. J. Fatigue 2017, 99, 101–110. [Google Scholar] [CrossRef]
- Lei, J.; Yue, J.; Xu, Z.; Fang, X.; Liu, H. Theoretical and Experimental Analysis on Low-Cycle Fatigue Crack Initiation for High Strength Steel Stiffened Plates. In Proceedings of the ASME 2022 41st International Conference on Ocean, Offshore and Arctic Engineering, Hamburg, Germany, 5–10 June 2022. [Google Scholar]
- Tu, W.; Yue, J.; Xie, H.; Tang, W. Fatigue Crack Propagation Behavior of High-strength Steel under Variable Amplitude Loading. Eng. Fract. Mech. 2021, 247, 107642. [Google Scholar] [CrossRef]
- Paris, P. A critical analysis of crack propagation laws. J. Basic Eng. 1963, 85, 528–533. [Google Scholar] [CrossRef]
- Hagihara, S.; Shishido, N.; Hayama, Y.; Miyazaki, N. Methodology for calculating J-integral range ΔJ under cyclic loading. Int. J. Press. Vessel. Pip. 2021, 191, 104343. [Google Scholar] [CrossRef]
- Elber, W. Fatigue crack closure under cyclic tension. Eng. Fract. Mech. 1970, 2, 37–45. [Google Scholar]
- Elber, W. The Significance of Fatigue Crack Closure. ASTM STP 1971, 486, 230–242. [Google Scholar]
- Codrington, J.; Kotousov, A. A crack closure model of fatigue crack growth in plates of finite thickness under small-scale yielding conditions. Mech. Mater. 2009, 41, 165–173. [Google Scholar] [CrossRef]
- Antunes, F.V.; Rodrigues, D.M.; Branco, R. An analytical model of plasticity-induced crack closure. Procedia Eng. 2010, 2, 1005–1014. [Google Scholar] [CrossRef][Green Version]
- Ould Chikh, B.; Imad, A.; Meddah, H.M.; Bouchouicha, B.; Benguediab, M. An experimental study of loading parameters effect on fatigue crack closure in 12NC6 steel(Article). Mech. Mater. 2012, 46, 83–93. [Google Scholar] [CrossRef]
- Rice, J.R. A path independent integral and the approximate analysis of strain concentration by notches and cracks. J. Appl. Mech. 1968, 35, 379–386. [Google Scholar] [CrossRef]
- Cherepanov, G.P.; Becher, P.; Freiman, S. On crack propagation in solids. Int. J. Solids Struct 1969, 5, 863–871. [Google Scholar]
- Hutchinson, J.W. Singular behaviour at the end of a tensile crack in a hardening material. J. Mech. Phys. Solids 1968, 16, 13–31. [Google Scholar] [CrossRef]
- Rice, J.R.; Rosengren, G.F. Plane strain deformation near a crack tip in a power-law hardening material. J. Mech. Phys. Solids 1968, 16, 1–12. [Google Scholar] [CrossRef]
- Shih, C. Tables of HRR Singular Field Quantities; MRL E-147; Division of Engineering, Brown University: Providence, RI, USA, 1983. [Google Scholar]
- Shih, C.; German, M. Requirements for a one-parameter characterization of crack tip fields by the HRR singularity. Int. J. Fract. 1981, 17, 27–43. [Google Scholar] [CrossRef]
- Alizadeh, H.; Bedare, A.R.; Bhat, S. Finite Element Examination and Validation of Stress Field around Ductile Mode I Crack Tip in Elastic-Plastic Fracture. In Advanced Materials Research; Trans Tech Publications Ltd.: Wollerau, Switzerland, 2013; pp. 342–347. [Google Scholar]
- Zou, J.; Jing, H.; Xu, L. Surface crack fracture toughness and HRR fields of ultra-high strength steel. J. Mater. Sci. Eng. A 2007, 454, 467–471. [Google Scholar] [CrossRef]
- Xu, M.; Liu, Y.; Yuan, H. On ΔJ characterization of elastic-plastic crack-tip fields under fatigue loading conditions. Int. J. Fatigue 2022, 160, 106849. [Google Scholar] [CrossRef]
- Wells, A.A. Unstable crack propagation in metals: Cleavage and fast fracture. In Proceedings of the Crack Propagation Symposium, Cranfield, UK; 1961. [Google Scholar]
- Laird, C.; Smith, G.C. Crack propagation in high stress fatigue. Philos. Mag. 1962, 7, 847–857. [Google Scholar] [CrossRef]
- Hunnell, J.M.; Kujawski, D. Numerical simulation of fatigue crack growth behaviour by crack-tip blunting. Eng. Fract. Mech. 2009, 76, 2056–2064. [Google Scholar] [CrossRef]
- Antunes, F.V.; Rodrigues, S.M.; Branco, R.; Camas, D. A numerical analysis of CTOD in constant amplitude fatigue crack growth. Theor. Appl. Fract. Mech. 2016, 85, 45–55. [Google Scholar] [CrossRef]
- Dong, Q.; Yang, P.; Xu, G. Low cycle fatigue analysis of CTOD under variable amplitude loading for AH-32 steel. Mar. Struct. 2019, 63, 257–268. [Google Scholar] [CrossRef]
- Werner, K. The fatigue crack growth rate and crack opening displacement in 18G2A-steel under tension. Int. J. Fatigue 2012, 39, 25–31. [Google Scholar] [CrossRef]
- Vasco-Olmo, J.M.; Díaz, F.A.; Antunes, F.V.; James, M.N. Experimental evaluation of CTOD in constant amplitude fatigue crack growth from crack tip displacement fields. Frat. Integrità Strutt. 2017, 11, 157–165. [Google Scholar] [CrossRef]
- Irwin, G. Linear fracture mechanics, fracture transition, and fracture control. Eng. Fract. Mech. 1968, 1, 241–257. [Google Scholar] [CrossRef]
- Dugdale, D.S. Yielding of steel sheets containing slits. J. Mech. Phys. Solids 1960, 8, 100–104. [Google Scholar] [CrossRef]
- Chen, J.; Huang, Y.; Dong, L.; Li, Y. A new method for cyclic crack-tip plastic zone size determination under cyclic tensile load. Eng. Fract. Mech. 2014, 126, 141–154. [Google Scholar]
- Neimitz, A. Modification of Dugdale model to include the work hardening and in-and out-of-plane constraints. Eng. Fract. Mech. 2004, 71, 1585–1600. [Google Scholar] [CrossRef]
- Perez, N. Fatigue Crack Growth. In Fracture Mechanics; Springer International Publishing: Cham, Switzerland, 2017; pp. 327–372. [Google Scholar]
- ASTM. Standard Test Method for Measurement of Fatigue Crack Growth Rates; ASTM International: West Conshohocken, PA, USA, 2015. [Google Scholar]
- Kumar, V.; Shih, C. Fully Plastic Crack Solutions, Estimation Scheme, and Stability Analyses for the Compact Specimen; ASTM International: West Conshohocken, PA, USA, 1980. [Google Scholar]
- Robert, O.R.; Dong, L. Chapter 5—Crack-Tip Opening Displacement (CTOD); Elsevier: Oxford, UK, 2021; pp. 75–80. [Google Scholar]
- Huang, Y.; Guo, F. Effect of plastic deformation on the elastic stress field near a crack tip under small-scale yielding conditions: An extended Irwin’s model. Eng. Fract. Mech. 2021, 254, 107888. [Google Scholar] [CrossRef]
- Broek, D. Elementary Engineering Fracture Mechanics; Springer: Dordrecht, The Netherlands, 1982. [Google Scholar]
- Wang, Y.; Wang, W.; Zhang, B.; Li, C.-Q. A new method to determine fracture resistance curve of steel under various in-plane loading. Eng. Fract. Mech. 2021, 248, 107701. [Google Scholar] [CrossRef]
- Lei, Z.; Bai, R.; Deng, L.; Qiu, W. Noncontact optical measurement of CTOA and CTOD for interface crack in DCB test. Optics Lasers Eng. 2012, 50, 964–970. [Google Scholar]
- Vasco-Olmo, J.M.; Díaz, F.; Antunes, F.V.; James, M.N. Characterisation of fatigue crack growth using digital image correlation measurements of plastic CTOD. Theor. Appl. Fract. Mech. 2019, 101, 332–341. [Google Scholar] [CrossRef]
- McClung, R. The influence of applied stress, crack length, and stress intensity factor on crack closure. Metall. Trans. A 1991, 22, 1559–1571. [Google Scholar] [CrossRef]
- Xue, C.; He, A.; Yong, H.; Zhou, Y. Crack tip opening displacement in a linear strain hardening material. Mech. Mater. 2013, 66, 21–34. [Google Scholar] [CrossRef]
- Xue, C.; Yong, H.; Zhou, Y. Crack tip field in a linear elastic–plastic strain-hardening material. Int. J. Solids Struct. 2012, 49, 3447–3452. [Google Scholar] [CrossRef]









| Mechanical Property | Unit | Value |
|---|---|---|
| Density (ρ) | kg/m3 | 7850 |
| Modulus of elasticity (E) | GPa | 219 |
| Poisson’s ratio (ν) | - | 0.35 |
| Yield strength (σys) | MPa | 635 |
| Ultimate strength (σu) | MPa | 680 |
| Hardening coefficient (α) | - | 0.11 |
| Hardening index (n) | - | 4.237 |
| Specimen | Pa 1* (kN) | R 2* | Pm 3* (kN) |
|---|---|---|---|
| CT01 | 2.70 | 0.1 | 3.30 |
| CT02 | 3.60 | 0.1 | 4.40 |
| CT03 | 4.50 | 0.1 | 5.50 |
| CT04 | 3.60 | −0.1 | 2.95 |
| CT05 | 3.60 | 0.3 | 6.69 |
| CT06 | 3.60 | 0.7 | 20.40 |
| Specimen | Pa (kN) | R | Pop (kN) | U |
|---|---|---|---|---|
| CT01 | 2.70 | 0.1 | 1.26 | 0.878 |
| CT02 | 3.60 | 0.1 | 1.65 | 0.882 |
| CT03 | 4.50 | 0.1 | 2.13 | 0.874 |
| CT04 | 3.60 | −0.1 | 1.05 | 0.764 |
| CT05 | 3.60 | 0.3 | 3.71 | 0.914 |
| CT06 | 3.60 | 0.7 | 17.20 | 0.945 |
| Model | Error Index | CT01 | CT02 | CT03 | CT04 | CT05 | CT06 |
|---|---|---|---|---|---|---|---|
| Irwin | Ea | 28.55% | 28.47% | 29.35% | 28.01% | 30.31% | 29.77% |
| Emax | 32.50% | 30.58% | 30.59% | 29.25% | 31.47% | 31.66% | |
| Dugdale | Ea | 12.24% | 12.37% | 10.98% | 13.08% | 9.47% | 10.32% |
| Emax | 17.04% | 16.85% | 13.46% | 15.00% | 11.03% | 15.37% | |
| HRR | Ea | 3.05% | 2.58% | 1.59% | 2.42% | 1.14% | 2.34% |
| Emax | 5.77% | 5.82% | 4.85% | 3.98% | 2.31% | 5.40% |
Publisher’s Note: MDPI stays neutral with regard to jurisdictional claims in published maps and institutional affiliations. |
© 2022 by the authors. Licensee MDPI, Basel, Switzerland. This article is an open access article distributed under the terms and conditions of the Creative Commons Attribution (CC BY) license (https://creativecommons.org/licenses/by/4.0/).
Share and Cite
Yue, J.; Lei, J.; Garbatov, Y.; Yang, K. Crack Growth in Ni-Cr-Mo-V Steel Using ΔCTOD Elastic–Plastic Model. J. Mar. Sci. Eng. 2022, 10, 1944. https://doi.org/10.3390/jmse10121944
Yue J, Lei J, Garbatov Y, Yang K. Crack Growth in Ni-Cr-Mo-V Steel Using ΔCTOD Elastic–Plastic Model. Journal of Marine Science and Engineering. 2022; 10(12):1944. https://doi.org/10.3390/jmse10121944
Chicago/Turabian StyleYue, Jingxia, Jiankang Lei, Yordan Garbatov, and Ke Yang. 2022. "Crack Growth in Ni-Cr-Mo-V Steel Using ΔCTOD Elastic–Plastic Model" Journal of Marine Science and Engineering 10, no. 12: 1944. https://doi.org/10.3390/jmse10121944
APA StyleYue, J., Lei, J., Garbatov, Y., & Yang, K. (2022). Crack Growth in Ni-Cr-Mo-V Steel Using ΔCTOD Elastic–Plastic Model. Journal of Marine Science and Engineering, 10(12), 1944. https://doi.org/10.3390/jmse10121944

