Abstract
To address the lack of mechanical orchard operation-aid platforms that assist in the horticultural management tasks such as pruning, spraying, thinning flowers and fruits, and harvesting in litchi and longan orchards, this paper proposes an orchard operation-aid platform specifically tailored for hilly and mountainous orchards. The platform is optimized for orchards with tree and row spacing not exceeding 6 m and slopes not exceeding 15°. By considering the planting patterns and operational topography parameters of litchi and longan, the key components were meticulously designed, including the chassis, lifting device, extension device, and slope operation support device. The driving stability, slope operation stability, and the reachable workspace of the orchard operation-aid platform were analyzed, followed by a prototype experiment. The results demonstrate that the platform achieves an in situ turning radius of 1.2 m with no deviation in the turning path. It satisfies the passability and operational slope requirements of hilly terrains with both driving and operational slopes exceeding 15°. Additionally, the platform features a working height of 4.0 m and an operating radius of 3.7 m, meeting the operational requirements for multiple tasks. This research provides a practical and effective solution for enhancing operational efficiency in multiple stages of fruit cultivation, demonstrating significant practical value and potential for widespread application.
1. Introduction
Orchard operation has the characteristics of difficulty, high labor intensity, and seasonal concentration. At present, in addition to spraying, fertilizing, and a few other aspects of orchard operations, pruning, flower and fruit thinning, and harvesting still mainly rely on manual labor. Furthermore, existing orchard machinery used for pruning, flower and fruit thinning, harvesting, and other operations makes it difficult to match the operational efficiency and effectiveness of manual labor, making commercialization challenging at this stage. Taking litchi and longan as examples, data from the China Litchi and Longan Industry Technology Research System show that the labor costs of litchi and longan currently account for 54.5% and 62.4% of the total production costs, respectively []. Excessive labor costs have limited the rapid development of China’s fruit industry.
Mechanical operation-aid platform balances the advantages of full mechanization and manual operation, not only can effectively reduce worker up-tree-down time, but the orchard operation-aid platform’s manned workbench can store operating tools, auxiliary workers to complete the pruning, spraying, flower thinning, fruit thinning, harvesting and other aspects of the operational tasks, effectively improve operational efficiency [,,], reduce equipment idle time, still has a great advantage at this stage. According to the installation of the manned workbench, the form of movement, mechanical orchard operation-aid platform can be broadly divided into fixed type (manned workbench immobilized), vertical lifting type (manned workbench can be lifted vertically), boom type (manned workbench moves through space via cantilevered arms) several kinds.
Fixed-type orchard operation-aid platforms [,] generally provide standing space for workers around the fruit box loading and unloading devices and are mainly suitable for short rootstock densely planned fusiform tree shape of the plain orchard. Due to the differences in the distribution of fruit tree canopies in the vertical direction [], researchers have divided the standing space into independent spaces with different vertical heights, i.e., multi-station orchard operation-aid platform, on the basis of fixed type orchard operation-aid platform [,]. After equipping each independent space with a lifting function [], the worker at the back of the traveling direction can check and complement the work in front of them. The researchers also automatically adjusted the vertical height of each worker [] and the forward speed of the operation-aid platform [] according to the distribution estimation of the fruits with picking and the dynamic harvesting efficiency of the workers [], thus effectively improving the picking efficiency.
When fruit trees exceed a certain height, it is difficult for the fixed orchard operation-aid platform to cover the full operating height. Unlike fixed orchard operation assistance platforms, vertical lifting type, especially scissor-type orchard operation assistance platforms [], which vertically lift the entire manned workbench by means of a scissor-type mechanism, has a simple structure, and it is also possible to increase the lifting height by using a multistage scissor-type structure [,], which is the lifting mechanism with the highest market share at present. As more than 60% of China’s orchards are distributed in provinces dominated by hilly and mountainous terrains [], researchers have also conducted a lot of research on the rollover risk [,] of the scissor-type orchard operation-aid platform, which keeps the manned workbench level by adjusting the pitch angle and side inclination angle [,].
However, the two types of orchard operation-aid platforms, fixed and vertical lift, have a small working radius and poor adaptability to orchards with large crown widths and row spacing. The boom type of orchard operation-aid platform generally has a large lateral and vertical operating range to cover a wider portion of the fruit tree crown. The 3-DOF boom lifting platform designed by Duan [] and others and the hilly operation-aid platform designed by Fan et al. [] have expanded the working radius to some extent, but the expansion distance is relatively limited. The squirrel series elevating platform [] from CRENDON, Australia, has a long boom that allows it to have a larger operating radius and height, but the long boom also limits the elevating platform from entering orchards with small row spacing.
In summary, at this stage, there is still a need for an orchard operation-aid platform suitable for hilly and mountainous terrains. This operation-aid platform needs to have the following features: a lift function to allow the equipment to cover a sufficient height range; a long lateral boom to allow the equipment to cover a sufficient crown of fruit tree range; a retractable lateral boom to enhance the equipment’s trafficability; and the safety of driving and operating in most hilly mountain orchards. Based on the planting mode and agronomic requirements of orchards, this article designs an operation-aid platform with a lifting device and a telescopic boom. The key components were designed and selected, and the driving stability, slope operation stability, and reachable workspace of the whole machine were analyzed. A prototype field validation experiment was conducted to verify the performance indicators and the rationality of the overall design.
2. Materials and Methods
2.1. Overall Structure and Working Principle
The planting patterns and agronomic requirements of the target crops are crucial for determining the target workspace of the orchard operation-aid platform and its parameter design. Taking litchi and longan as examples, litchi and longan orchards in China [,,] are mainly distributed in hilly and mountainous terrains (Figure 1), adopting wide-row narrow-planting or near-square planting methods, with planting distances lrow × lcolumn generally being (4 m–6 m) × (5 m–6 m), where lrow and lcolumns, respectively, represent the distance between each row and each column of fruit trees. Depending on planting age, fruit trees can be classified into young trees, fruit-bearing trees, and aging trees. For fruit-bearing trees, the tree height htree is generally controlled at 3.5 m, and the distance from the ground to the retained thick upright branches and ascending branches is 1.2 m. The crowns of adjacent trees are 1.5 m apart, meaning the crown width lcrown is controlled within 3–4 m.
Figure 1.
Schematic diagram of planting patterns in litchi and longan orchards: (a) litchi orchard; (b) longan orchard.
Based on the orchard operation-aid platform’s design requirement, the prototype and three-dimensional model of the orchard operation-aid platform are shown in Figure 2. The system mainly comprises the following components: walking mechanism, workspace expansion device, manned workbench, slope operations support device, hydraulic system, generator, and control system. The workspace expansion device consists of the slewing mechanism, lifting mechanism, and extension mechanism, which collaboratively enable precise positioning and movement of the manned workbench in reachable workspace. The manned workbench stores operational tools for workers to perform various tasks. The slope operation support device ensures system stability on uneven ground, enhancing operational safety and reliability. The hydraulic system provides power support for hydraulic components, ensuring smooth operation of each device. The control system coordinates and controls the system, ensuring efficient and stable operation of the orchard operation-aid platform.
Figure 2.
Structural diagram of the orchard operation-aid platform: (a) prototype of the orchard operation-aid platform; (b) 3D model of the orchard operation-aid platform. (1) Walking mechanism; (2) slope operation support device; (3) lifting mechanism; (4) manned workbench; (5) extension mechanism; (6) hydraulic system; (7) 12 kW generator; (8) fruit basket; (9) slewing bearing; and (10) control box.
The working principle of the orchard operation-aid platform is as follows: workers control the platform to move between tree rows and approach the target fruit tree. Based on the orchard operation-aid platform’s posture and the terrain, the working mode of the slope operation support device is determined, and the supporting legs are extended to adjust the orchard operation-aid platform to a horizontal state. The slewing mechanism rotates the manned workbench around the lifting mechanism axis, enabling left and right swinging of the platform between tree rows. The lifting mechanism and extension mechanism extend or retract through serial hydraulic cylinders, achieving vertical and horizontal translation of the manned workbench. Through the coordinated operation of the lifting mechanism, extension mechanism, and slewing mechanism, the manned workbench approaches the target operational area of the tree crown. Workers on the platform use tools stored on the manned workbench to perform tasks such as pruning, spraying, thinning flowers and fruit, or fruit harvesting. After completing tasks in the area, the lifting and extension mechanisms retract to their shortest lengths, and workers control the orchard operation-aid platform to move to the next target tree, repeating the above process.
2.2. Key Structural Design
2.2.1. Walking Mechanism
As mentioned earlier, the distance between the crowns of adjacent litchi and longan trees is less than 1.5 m due to lush branches resulting from infrequent tree management. To minimize collision damage to fruit trees during operation, the chassis width should be less than the distance between the crowns. The orchard operation-aid platform typically operates on soft roads or slopes in hilly areas; thus, the speed should not be too fast, and good steering and braking capabilities are required. The chassis uses brushless DC motors for drive and worm gears for speed reduction. The differential steering of the chassis is achieved by controlling the speed difference between the drive motors on either side. When the left and right tracks rotate in opposite directions at the same speed, the chassis can achieve in-place rotation, with the diagonal length of the rectangle projected onto the ground forming the chassis’ in-place turning diameter. Due to significant friction between the tracks and the ground, deviations may occur during turning; hence, an actual turning radius of the chassis ≤1.5 m is considered acceptable. The design parameters of the chassis are summarized in Table 1.
Table 1.
Chassis design parameters.
2.2.2. Slope Operation Support Device
The operational topography of the orchard operation-aid platform is generally in hilly and mountainous terrains, often requiring operations on slopes, which poses challenges to worker safety. Therefore, a slope operation support device is designed to increase the ground contact length of the chassis, as illustrated in Figure 3a.
Figure 3.
Schematic diagram of the slope operation support device: (a) structural composition; (b) force analysis. (1) Fixed square tube; (2) cylinder fixing pin; (3) extension hydraulic cylinder; (4) supporting hydraulic cylinder; and (5) movable square tube.
The dimensions of the fixed and movable square tubes in the slope operation support device need to be calculated based on the bending moments and shear forces they endure. Considering the extreme loading scenario, the overall force analysis of the orchard operation-aid platform under this condition is shown in Figure 3b. In this scenario, the orchard operation-aid platform is about to roll over, but the tracks have not left the ground, and only one side’s supporting leg is bearing the load. The supporting cylinder can be regarded as a two-force rod that is subjected to a support force FN1 from the ground and a pressure FN2 exerted by the movable square tube. Then, the force exerted by the supporting cylinder on the movable square tube is FN2, and FN2 is equal and opposite to F′N2. The maximum shear force FTemax and maximum bending moment MTemax on the movable square tubes are calculated as:
FTemax = F′N2 = −FN2 = FN1
MTemax = F′N2 lABTe
In the formula, FTemax is the maximum shear force of the movable square tube; MTemax is the maximum bending moment in the movable square tube; lABTe is the overhanging length of the movable square tube when fully extended.
Rectangular tubes have complex dimensions, and individually checking the strength of the fixed and movable square tubes is labor-intensive. The Monte Carlo method (MCM) [], based on the law of large numbers and the central limit theorem, is a numerical method utilizing random sampling to solve “non-formulaic” problems efficiently. Therefore, the MCM is employed to simplify the calculation. The steps for determining the dimensions of the fixed and movable square tubes are as follows:
- (1)
- Define variable names and known parameter values.
- (2)
- Define the value ranges for the parameters to be solved, assigning values based on a uniform distribution within these ranges.
- (3)
- Establish relationships between variables, such as dimensions of the fixed and movable square tubes, shear forces, and bending moments.
- (4)
- Filter parameter combinations based on constraints like shear force and bending moment limits.
- (5)
- Select the optimal parameter combination.
By programming the MATLAB program, solving it, and comparing the results of the solution with the dimensions of the commercially available square tubes, we obtain the dimensions of the fixed and movable square tubes, which are presented in Table 2.
Table 2.
Slope operation support device design parameters.
2.2.3. Workspace Expansion Device
Taking the intersection point of the slewing bearing’s rotational axis and the ground as the origin O0 and setting the forward direction of the orchard operation-aid platform as the positive X-axis, the upward direction of the lifting mechanism as the positive Z-axis, and determining the positive Y-axis using the right-hand rule, a basic coordinate system O0X0Y0Z0 is established, with units in millimeters. The coordinate system O0X0Y0Z0 can be positioned by the following methods: the X-axis is along the forward direction of the orchard operation-aid platform, and the chassis is symmetrical about the X-axis; the Z-axis is co-located with the axis of rotation of the swing bearing, and the center of gravity of the lifting mechanism is on the Z-axis, and the lifting mechanism is symmetrical about the Z-axis; the Y-axis can be determined by the right-hand rule; finally, the origin of the coordinate system is the intersection of the three coordinate axes. Thus, the X and Y coordinate values of any component in the coordinate system O0X0Y0Z0 can be determined by measuring the horizontal distance between the component and the lifting mechanism, and the Z coordinate value of the component can be determined by measuring the vertical distance between the component and the ground. The operational schematic of the orchard operation-aid platform is depicted in Figure 4.
Figure 4.
Operational schematic of the orchard operation-aid platform.
Considering the crown width and tree height of litchi and longan trees, the target workspace of the worker’s hand, denoted as the orchard operation-aid platform’s target workspace Ωtarget1, can be defined as:
In the formula, Dtx1, Dty1, Dtz1 represent the ranges of the target workspace Ωtarget1 along the X, Y, and Z axis in the coordinate system O0X0Y0Z0, respectively.
Using Formulas (3), the maximum and minimum values of the orchard operation-aid platform’s target workspace along the X, Y, and Z axis are calculated and summarized in Table 3.
Table 3.
Orchard operation-aid platform target workspace dimensions.
The target workspace Ωtarget1 is the union of the equipment racks’ target workspace Ωtarget2 and the worker’s reachable workspace. According to the “GB/T 10000-2023 Human dimensions of Chinese adults” [] the median values for adult males aged 18–70 are as follows: functional overhead reach height lp1 is 1993 mm, functional forward reach length of upper limbs lp2 is 710 mm, and shoulder height lp3 is 1373 mm.
Therefore, the equipment racks’ target workspace Ωtarget2 can be expressed as:
In the formula, Dtx2, Dty2, Dtz2 represent the ranges of the equipment racks’ target workspace along the X, Y, and Z axis in the coordinate system O0X0Y0Z0.
The maximum lengths lStretching and lLifting of the extension and lifting mechanisms are then designed to satisfy:
In the formula, hgu is the manned workbench height; lgu1 and lgu2 is the manned workbench length and width, respectively.
To maximize operational requirements, parameters are set as follows: Considering that workers often lean their upper bodies out over the manned workbench guardrail during operations, and adhering to the size regulations for guardrails in high-altitude work, the manned workbench height hgu is set at 1.1 m to balance safety and convenience, both the length lgu1 and width lgu2 of the manned workbench are designed to be 0.6 m. Planting distances lrow and lcolumn both take the maximum value of 6 m. Precision compensation laccuracy is set at 0.5 m, chassis height hClassic is 0.6 m, and slewing bearing height hSlewing is 0.2 m.
Using Formulas (5), the maximum design lengths for the extension and lifting mechanisms are calculated as lStretching = 2190 mm and lLifting = 2307 mm, respectively.
The extension mechanism needs to reach the limits of the equipment racks’ target workspace when fully extended and minimize crown contact when retracted and rotating, requiring a high telescopic ratio. Therefore, a telescopic arm structure is adopted. Based on the endpoint values of the equipment racks’ target workspace in the X and Y directions, a three-section telescopic arm is designed with a fixed arm length of 1 m, a movable arm length of 1 m, a fixed extension distance of 0.1 m, an extendable distance of 0.5 m, and a fully extended length of 2.8 m, exceeding the design requirement of 2190 mm.
Due to the significant offset load imposed by the extension mechanism and similar size requirements, the lifting mechanism also adopts a telescopic arm structure. With a fixed chassis height of 0.8 m and considering the endpoint values of the equipment racks’ target workspace in the Z-axis direction, a two-section telescopic arm is selected with a fixed arm length of 1.1 m, a movable arm length of 1 m, a fixed extension distance of 0.1 m, an extendable distance of 0.5 m, and a fully raised length of 2.3 m, closely matching the design requirement of 2307 mm.
The extension and lifting mechanisms constitute a vertical cross-section of the equipment racks’ reachable workspace. Combined with the coordination of the slewing bearing, they form the complete reachable workspace of the equipment racks. The three components work in harmony to expand the worker’s reachable workspace.
2.3. Experimental Methods of Driving Ability
2.3.1. Analysis of Driving Stability
The roll angle [] refers to the angle between the support plane of the orchard operation-aid platform chassis and the horizontal plane. The maximum stable roll angle is the angle at which the orchard operation-aid platform is about to roll over but has not yet done so; it is a crucial indicator of the safe operation of the orchard operation-aid platform. Given the high center of gravity of the orchard operation-aid platform and its frequent operation in hilly terrains, it is necessary to determine its maximum stable roll angle to define safe operating limits and reduce the risk of rollover during travel. Considering the operational scenarios of the orchard operation-aid platform, there are three primary attitudes: longitudinal downhill, longitudinal uphill, and lateral slope driving. The force analysis for these three attitudes is shown in Figure 5 (with the illustrated slope angle θ = 15°), and the maximum stable roll angle of these primary attitudes must be greater than 15° to ensure the safety of operators. The forces acting on the orchard operation-aid platform mainly include its own weight m0g, driving resistance Ftotal, and the resultant normal force FNc exerted by the ground on the entire track support area. To simplify the analysis, the following assumptions are made:
Figure 5.
Force diagrams of the orchard operation-aid platform on slopes: (a) longitudinal downhill; (b) longitudinal uphill; and (c) lateral slope driving.
(1) When the orchard operation-aid platform is moving at a low constant speed on a slope, external factors can be neglected, and it can be assumed to be stationary on the slope.
(2) O1, O2 and O3 represent the front, rear, and left support points of the track-ground contact area, respectively. Depending on the driving attitude, the rollover axis k passes vertically through the support point. The length of the track-ground contact area in the X-axis direction is xc = 1100 mm, and in the Z-axis direction is zc = 1100 mm.
(3) Since the operator and the manned workbench are basically kept at a relative standstill, the two are considered as one unit for calculating the center of mass, center of gravity, etc. As a rule of thumb, the operator is weighed to be 75 kg, while the manned workbench’s gravity is weighed to be about 33 kg.
(4) Based on the mass and material parameters of each component of the orchard operation-aid platform, and using SolidWorks 2020 to define the properties of each part, the center of gravity Om0 of the orchard operation-aid platform in the base coordinate system O0X0Y0Z0 is determined to be (104, −3, 1031). Therefore, the distances between Om0 and the support points O1, O2 and O3 along the X, Y, and Z axis are rounded to xm01 = 446 mm, xm02 = 654 mm, xm03 = 553 mm, ym01 = ym02 = 0, ym03 = 553 mm, zm01 = zm02 = zm03 = 1031 mm.
After simplification, the maximum stable roll angles for the three attitudes of longitudinal downhill, longitudinal uphill, and lateral slope driving of the orchard operation-aid platform are calculated separately.
- Maximum Stable Roll Angle of Longitudinal Downhill Driving
In Figure 5a, the orchard operation-aid platform has only one potential rollover scenario when moving downhill longitudinally: rollover clockwise about point O1. As the slope angle θ changes, the masses on both sides of the rollover axis k change, and the moments generated by these masses change accordingly.
For ease of calculation, further simplifications are made for the longitudinal downhill attitude of the orchard operation-aid platform: the extension mechanism, worker, and manned workbench are all located on the same side of the rollover axis k, and their positions are relatively fixed. They can be considered as a whole with a mass mm1 = 366 kg and center of gravity Om1 at (751, −1, 2027) in the base coordinate system O0X0Y0Z0. The distances from Om1 to support point O1 along the X and Z axis are xm11 = 201 mm and zm11 = 2027 mm, respectively. The remaining part of the orchard operation-aid platform is considered as another whole with mass m′m1 = 1216 kg and center of gravity O′m1 at (−91, 3, 730), with distances to O1 of x′m11 = 641 mm and z′m11 = 730 mm along the X and Z axes, respectively.
Establishing the moment balance formula at point O1:
MO1 = m′m1·g·(x′m11·cosθ − z’m11·sinθ) − mm1·g·(xm11·cosθ + zm11·sinθ) − FNc·xi11,
In the formula, MO1 is the moment acting at point O1; when MO1 <0, the orchard operation-aid platform will roll over. xi11 is the distance along the X-axis between the resultant normal force FNc and point O1, which varies with the position of the center of gravity; when rollover or about to roll over, xi11 = 0.
From Formula (6), the maximum stable roll angle of the orchard operation-aid platform during longitudinal downhill is calculated to be approximately 23.4°, exceeding the design requirement of 15°.
- Maximum Stable Roll Angle of Longitudinal Uphill Driving
In Figure 5b, the orchard operation-aid platform has only one potential rollover scenario when moving uphill longitudinally: rollover counterclockwise about point O2.
For ease of calculation, further simplifications are made for the longitudinal uphill attitude: the hydraulic station and the center of gravity of the orchard operation-aid platform are located on opposite sides of the rollover axis, so the hydraulic station is considered an independent unit with mass mm2 = 196 kg and center of gravity Om2 at (−614, −3, 784) in the base coordinate system. The distances from Om2 to support point O2 are xm22 = 64 mm and zm22 = 784 mm along the X and Z axes, respectively. The remaining part of the orchard operation-aid platform is considered as another whole with mass m′m2 = 1385 kg and center of gravity O′m2 at (206, 1066, 3), with distances to O2 of x′m22 = 756 mm and z′m22 = 1066 mm.
Establishing the moment balance formula at point O2:
MO2 = m′m2·g·(x′m22·cosθ − z′m22·sinθ) − mm2·g·(xm22·cosθ + zm22·sinθ) − FNc·xi22,
In the formula, MO2 is the moment acting at point O2; when MO2 < 0, the orchard operation-aid platform will roll over. xi22 is the distance along the X-axis between the resultant normal force FNc and point O2, which varies with the position of the center of gravity; when rollover or about to roll over, xi22 = 0.
From Formula (7), the maximum stable roll angle of the orchard operation-aid platform during longitudinal uphill s calculated to be approximately 32.4° exceeding the design requirement of 15°.
- Maximum Stable Roll Angle of Lateral Slope Driving
In Figure 5c, the orchard operation-aid platform has only one potential rollover scenario when driving laterally on a slope: rollover counterclockwise about point O3.
Establishing the moment balance formula at point O3:
MO3 = mg (ym03 cosθ − zm03 sinθ) − FNc yi03,
In the Formula, MO3 is the moment acting at point O3; when MO3 < 0, the orchard operation-aid platform will roll over. yi03 is the distance along the Y-axis between the resultant normal force FNc and point O3, which varies with the position of the center of gravity; when there is no rollover, yi03 = 0.95 m, and when rollover or about to roll over, yi03 = 0.
From Formula (8), the maximum stable roll angle of the orchard operation-aid platform during lateral slope driving is calculated to be approximately 28.2°, exceeding the design requirement of 15°.
In summary, the maximum stable roll angles of the orchard operation-aid platform during longitudinal downhill, longitudinal uphill, and lateral slope driving are 23.4°, 32.4°, and 28.2°, respectively, all exceeding the design requirement of 15°. Therefore, the orchard operation-aid platform meets the stability requirements for driving on slopes.
2.3.2. Experimental Methods
- Turning Radius
In October 2024, the experiments were conducted at the agricultural machinery depot, South China Agricultural University (40°08′11″ N, 116°10′45″ E). Measurement instruments included spray markers and tape measures. The orchard operation-aid platform was moved to an open area, with the manned workbench lowered to the lowest position. Spray markers were installed at the four corners of the vehicle. During turning, the remote control was used to operate the tracks on both sides to move in opposite circular motions, completing a full circle. The diameter of the central circle of the outer track was measured.
- Driving Stability
Due to limitations in experimental conditions, the contact pressures on the upper and lower sides of the chassis on slopes were measured using the following method to assess the stability of the orchard operation-aid platform under different roll angles. Experimental tools included an angle-measuring instrument, pressure sensors, and a laptop. The experiment site had three long slopes, with average slopes of 7.6°, 14.3°, and 13.5°, respectively. Experiments were conducted on flat ground, a 7.6° slope, and a 14.3° slope. During measurements, two pressure sensors were placed at the contact positions between the tracks and the ground on the upper and lower sides of the slope, collecting feedback data from the sensors.
2.4. Experimental Methods of Slope Operation Stability
2.4.1. Analysis of Slope Operation Stability
When workers prepare to perform tasks, such as pruning, spraying, thinning flowers and fruit, or fruit harvesting on the manned workbench, the extension and lifting mechanisms may extend or retract according to task requirements and rotate around the slewing bearing. At this time, the center of gravity of the orchard operation-aid platform shifts outward, changing the rollover moment and potentially causing a rollover. To ensure worker safety, the workers must deploy the slope operation support device before commencing work. Depending on the operational scenario, the slope operation support device has three working modes:
(1) When there is a higher slope on the left side of the orchard operation-aid platform, only the right and front support legs of the slope operation support device are extended.
(2) When there is a higher slope on the right side, only the left and front support legs are extended.
(3) When there are no high slopes on either side, all three sets of support legs are extended.
As the center of gravity of the orchard operation-aid platform changes and the slope operation support device acts, the rollover safety of the orchard operation-aid platform needs to be reassessed. It is evident that the most likely rollover scenario during operation is as shown in Figure 6, where the orchard operation-aid platform has the greatest potential to roll around support point S. Additionally, the following considerations are made:
(1) Due to the support from the support legs, the tracks on the side of the support legs may lose contact with the ground.
(2) The worker and manned workbench are located on the same side of the rollover axis k, with relatively fixed positions, considered as a whole with mass mw0 = 108 kg and center of gravity Ow0 at (215, −2814, 27 14) in the base coordinate system. The distances from Ow0 to support point S along the Y and Z axis are yw0 = 1514 mm and zw0 = 2714 mm.
(3) The extension mechanism is divided into two parts by the rollover axis; assuming the mass of the extension mechanism is uniformly distributed along its length, the masses of the two parts are mw1 and mw2, with centers of gravity Ow1 (122, 1572·tanθ–1825, 3144) and Ow2 (122, 1572·tanθ–425, 3144) in the base coordinate system. The masses mw1 and mw2 are (96.4 + 288.6·tanθ) kg and (257 − mw1) kg, respectively. The distances from Ow1 and Ow2 to support point S along the Y and Z axis are yw1 = (525–1572·tanθ) mm, zw1 = 3144 mm, and yw2 = (875 + 1572·tanθ) mm, zw2 = 3144 mm.
(4) The remaining part of the orchard operation-aid platform is considered as a whole with mass mw3 = 1216 kg and center of gravity Ow3 at (−89, 3, 792). The distances from Ow3 to support point S are yw3 = 1297 mm and zw3 = 792 mm along the Y and Z axes.
Figure 6.
Force diagram of the orchard operation-aid platform during slope operations.
Establishing the moment balance formula at point S:
MS = mw3·g·(yw3·cosθ − zw3·sinθ) + mw2·g·(yw2·cosθ − zw2·sinθ) − mw1·g·(yw1·cosθ + zw1·sinθ) − mw0·g·(yw0·cosθ + zw0·sinθ) − FNc·yiS,
In the formula, MS is the moment acting at point S; when MS < 0, the orchard operation-aid platform will roll over. yiS is the distance along the Y-axis between the resultant normal force FNc and point S, which varies with the position of the center of gravity; when there is no rollover, yiS = 1.6 m, and when rollover or about to roll over, yiS = 0.
From Formula (9), the critical angle for slope operation of the orchard operation-aid platform is calculated to be approximately 36.07°, exceeding the design requirement of 15°, indicating safe operation in the preset scenarios.
2.4.2. Experimental Methods
The experimental site for slope operation stability is the same as the experimental site for driving stability. Experimental instruments such as an angle measuring instrument, pressure sensors, and a laptop were prepared. Experiments were conducted on flat ground, a 7.6° slope, and a 14.3° slope. According to the operational scenarios of the orchard operation-aid platform, the manned workbench was moved to a preset position, one side of the slope operation support device was extended, and three pressure sensors were placed at the contact positions between the support leg, the two tracks, and the ground. Feedback data from the sensors were collected.
2.5. Experimental Methods of Workspace
The reachable workspace of the orchard operation-aid platform refers to the set of all spatial points that can be reached by the worker’s palm, representing the operational coverage of the orchard operation-aid platform. It is an important basis for evaluating the operational capability of the orchard operation-aid platform.
2.5.1. Establishment of Joint Coordinate Systems
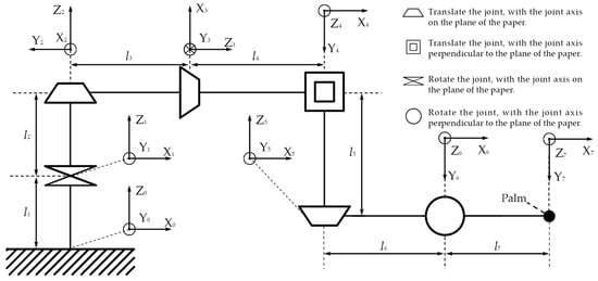
According to the structure and working principle of the orchard operation-aid platform, the rotation of the slewing bearing and the rotation of the worker’s arm about the shoulder constitutes 2 rotational joints. The worker’s squatting and standing, lateral movement on the manned workbench, and the extension/retraction of the lifting and extension mechanisms constitute 4 prismatic joints. Therefore, during slope operations, the orchard operation-aid platform can be modeled as a 2R-4P serial open-chain mechanism. As shown in Figure 7, with each joint as the origin of a coordinate system, the Denavit–Hartenberg (D-H) method is used to establish the joint coordinate systems of the orchard operation-aid platform. Here, l1 is the distance from the center of the upper surface of the slewing bearing to the ground, l2 is the minimum distance along the lifting direction from the centroid of the extension mechanism to the center of the upper surface of the slewing bearing, l3 is the minimum distance along the extension direction from the centroid of the lifting mechanism to the far end of the manned workbench, l5 is the distance along the lifting direction from the centroid of the extension mechanism to the floor of the manned workbench, l7 is the worker’s functional forward reach length of the upper limbs, and l4 and l6 are 0. Measurements yield l1 = 800 mm, l2 = 1400 mm, l3 = 900 mm, l5 = 1100 mm, and l7 = 710 mm.
Figure 7.
Joint coordinate systems of the orchard operation-aid platform.
Based on the joint coordinate systems, the structural parameters of the orchard operation-aid platform are shown in Table 4.
Table 4.
Structural parameters of the orchard operation-aid platform.
In the table, αi is the link twist angle, i.e., the angle through which Zi−1 must be rotated about Xi−1 to align with Zi; when the two links are parallel, αi = 0°; when perpendicular, αi = 90°. ɑi is the link length, i.e., the distance along Xi−1 from Zi−1 to Zi. di is the link offset, i.e., the distance along Zi from Xi−1 to Xi; for rotational joints, di is constant; for prismatic joints, di is variable. θi is the joint angle, i.e., the angle through which Xi−1 must be rotated about Zi to align with Xi for rotational joints, θi is variable; for prismatic joints, θi is constant.
2.5.2. Kinematic Equation
The transformation matrix between two adjacent coordinate systems can be determined using the homogeneous transformation formula:
In the formula, cθi = cosθi; sθi = sinθi; cαi = cosαi; sαi = sinαi.
By substituting the structural parameters of each joint from Table 4 into the above formula, the transformation matrices between adjacent joints are obtained.
For the orchard operation-aid platform, the end reference point, i.e., the palm center, relative to the base coordinate system O0X0Y0Z0 can be defined as:
By substituting the transformation matrices into the above formula, the transformation matrix of the end reference point relative to the base coordinate system, i.e., the kinematic model of the orchard operation-aid platform, is obtained.
In the formula, is the position vector of the end effector in the base coordinate system. represents the kinematic relationship derived from the transformations.
Thus, the kinematic equations of the orchard operation-aid platform can be expressed as:
The reachable workspace of the orchard operation-aid platform can be obtained by mapping the joint space using the kinematic equations.
2.5.3. Reachable Workspace
Using the Monte Carlo method to construct a joint space following an inverse sine distribution, the joint space is mapped to the workspace using the kinematic equations, obtaining the reachable workspace of the orchard operation-aid platform, as shown in Figure 8.
Figure 8.
Reachable workspace of the orchard operation-aid platform: (a) three-dimensional view; (b) X-Y cross-sectional view; (c) X-Z cross-sectional view; and (d) Y-Z cross-sectional view.
From the figure, the maximum values of the reachable workspace of the orchard operation-aid platform along the X, Y, and Z axes can be obtained, rounded, and summarized in Table 5. The theoretical reachable workspace of the orchard operation-aid platform encompasses the target workspace.
Table 5.
Reachable workspace dimensions of the orchard operation-aid platform.
2.5.4. Experimental Methods
A prototype validation experiment was conducted at the Wuhua Orchard in Maoming (110.969° E, latitude 21.752° N) to obtain the actual operational radius and height of the orchard operation-aid platform, evaluate its actual operational performance, and verify the orchard applicability, as well as the accuracy of the mechanism’s dimension design. The experiment involved controlling the extension mechanism, lifting mechanism, and slewing bearing to their minimum and maximum values. The worker’s position (standing or squatting) was adjusted as the lifting mechanism moved up or down. The distances from the worker’s palm to the ground and the centroid of the lifting mechanism were measured, providing the boundary extremes of the actual reachable workspace of the orchard operation-aid platform. The worker’s functional overhead reach height and functional forward reach length of the upper limbs are 2203 mm and 770 mm, respectively.
3. Results
In order to verify the key performances of the equipment, a prototype physical machine was constructed (Figure 2a), and field trials were conducted according to the previous experimental program. The experimental results and analyses are shown below.
3.1. Driving Ability
3.1.1. Turning Radius
The orchard operation-aid platform was moved to an open area, with the manned workbench lowered to the lowest position. Spray markers were installed at the four corners of the vehicle. The diameter of the central circle of the outer track was measured. The test scenario is shown in Figure 9.
Figure 9.
Field test of the orchard operation-aid platform’s turning radius.
From Figure 9, it can be observed that the turning trajectory of the orchard operation-aid platform is approximately circular, indicating that the output power of the motors on both sides of the tracks is relatively consistent during turning. However, the outer trajectory drawn by the spray markers shows noticeable undulations, indicating periodic stuttering during turning, suggesting that the motor output logic needs to be optimized in future work. The test was repeated three times, and the results are recorded in Table 6.
Table 6.
Results of the orchard operation-aid platform’s turning radius test.
Calculating the average of the three measurements, the minimum turning radius for a single movement is obtained. The results indicate that the left and right turning radii during both forward and reverse operations are basically consistent, with an average minimum turning radius of 1186 mm, recorded as 1.2 m. Compared with the design value, the average deviation rate is ≤8.05%, demonstrating good steering flexibility of the orchard operation-aid platform.
3.1.2. Driving Stability
The experiment scenarios are shown in Figure 10.

Figure 10.
Field experiment of the orchard operation-aid platform’s driving stability: (a) driving on 0° ground; (b) descending on a 7.6° slope; (c) ascending on a 14.3° slope; (d) lateral driving on a 7.6° slope; and (e) sensor data when the equipment is moving longitudinally downhill on a surface with a gradient of 0°.
From Figure 10e, it can be observed:
(1) Due to multiple contact points between the tracks and the ground, the data feedback from the two sensors is less than the actual value; however, the consistent trends in the feedback data reflect their reference value.
(2) As the tracks’ contact with the ground is not continuous, and the tracks rolling over can cause displacement of the sensors, the feedback data from the sensors show fluctuations and delays. Therefore, the maximum value of the measured data in each experiment process is taken as the experiment result.
The above experiment steps were repeated multiple times, and the measurement results are recorded in Table 7.
Table 7.
Results of the orchard operation-aid platform’s driving stability experiment.
From Table 7, it can be concluded:
(1) The mass is not symmetrically distributed along the X-axis; the side with the generator has a greater mass. When driving laterally, it is advisable to have the generator side on the upper side of the slope to reduce the risk of rollover.
(2) As the slope increases, the contact pressure between the chassis and the upper side of the slope gradually decreases, with the lowest pressure during downhill on a 14.3° slope, equivalent to the gravity of a 234 kg object, i.e., 2293 N.
(3) The contact pressure between the chassis and the lower side of the slope gradually increases with the slope, with the highest pressure during downhill on a 14.3° slope, equivalent to the gravity of a 901 kg object, i.e., 8830 N.
The experimental results are consistent with theoretical analysis, indicating that the orchard operation-aid platform can operate normally in typical hilly orchards.
3.2. Slope Operational Stability
The experiment scenario is shown in Figure 11.
Figure 11.
Field experiment of the orchard operation-aid platform’s slope operation: (1) angle measuring instrument; (2) pressure sensor; (3) sensor monitoring software; (4) remote controller; and (5) force digital transmitter.
As shown in Figure 11, for the operational stability experiment conducted on flat ground, three sensors were placed in a straight line beneath the supporting leg and the two tracks. Sensor data were obtained and processed using sensor monitoring software (SEMT 1.27.3). Repeat the experimental steps, take multiple measurements, and record the results in Table 8.
Table 8.
Results of the orchard operation-aid platform’s slope operation experiment.
From the table, it can be observed that as the slope increases, the contact pressure between the chassis and the upper side of the slope gradually decreases, with the lowest pressure at a slope of 14.3°, equivalent to the gravity of a 363 kg object, i.e., 3557 N. The contact pressure between the support leg and the ground gradually increases with the slope, reaching a maximum equivalent to the gravity of a 957 kg object, i.e., 9379 N, at a 14.3° slope. This indicates that the slope operation support device is effective and that rollover does not occur even at a slope of 14.3°, providing numerical evidence for standardizing the operational scenarios of the orchard operation-aid platform.
3.3. Workspace
The experiment scenario is shown in Figure 12.
Figure 12.
Field experiment of the orchard operation-aid platform’s workspace.
As shown in Figure 12, we conducted experiments on relatively flat ground in an orchard. We controlled the equipment according to the joint parameters corresponding to the limit values of the workspace obtained from the simulation and measured the operational radius and operational height using a tape measure. Repeat the experimental steps, take multiple measurements, and record the results in Table 9.
Table 9.
Results of the orchard operation-aid platform’s workspace experiment.
From Table 9, it can be seen that the operational radius and height of the orchard operation-aid platform, i.e., the maximum distances from the origin along the X, Y, and Z axis in the actual reachable workspace, are 3694 mm, 3730 mm, and 4067 mm, respectively. Therefore, the operational radius and height of the orchard operation-aid platform are 3.7 m and 4.0 m, respectively, meeting the design requirements.
It is important to note that there are significant discrepancies between the measured values of the actual reachable workspace and the theoretical values. Of course, these errors do not affect the overall assessment of the experimental results. The main reasons for this discrepancy may be as follows:
(1) To minimize friction from the movement of the telescopic sleeves in the lifting and extension mechanisms, ultra-high-molecular-weight polyethylene (UHMW-PE) sliders are installed at the ends of each telescopic arm. The thickness of these sliders affects the gap between the adjacent telescopic arm, causing the axis of the adjacent telescopic arm not to be colinear when fully extended, which leads to “bending” of the lifting and extension mechanisms.
(2) The uneven terrain of the orchard results in variations in ground angles, contributing to errors in height measurements.
(3) The worker has six working postures: extending their arms forward, backward, to the left, to the right, and upward while standing, as well as extending their arms downward while squatting. To simplify the kinematic model, the previous discussion did not consider the backward, leftward, and rightward postures. These three postures have little impact on the final experimental results, specifically the working radius and working height.
4. Discussion
Overall, this research develops an orchard operation-aid platform based on planting patterns and topography, including the design of the telescopic arm and support devices, analysis of driving stability, analysis of operational stability, workspace analysis, and field experiments. This work contributes to the mechanization of orchards in hilly areas and has broad application potential.
The orchard operation-aid platform developed in this research features a large operational range, with its lifting and extension accomplished through a telescopic arm, enabling it to navigate narrow roads. In contrast, the orchard operation-aid platform referenced in the literature [] has a frame length of 3437 mm and a frame width of 1650 mm, resulting in a small operational radius and a large turning radius, making it unsuitable for narrow roads in hilly areas. Furthermore, the center of gravity of the equipment designed changes continuously with the rotation of the slewing bearing. Although the works in the literature [,] can maintain the center of gravity of the equipment within a certain slope range, their operational range is limited, and the adjustment is slow, making them unsuitable for this equipment. The support device designed in this research effectively increases the operational slope range of the equipment, thereby enhancing the safety of workers during operation.
During the field experiments, some issues arose with the prototype, and summarizing these issues can provide important references for future improvements:
(1) The thickness of the sliders installed at the ends of each telescopic arm is too thin, and the reserved space is too large, leading to the bending of the telescopic arm during the lifting and extension processes. Future work needs to balance the thickness of the sliders of the telescopic arm, friction resistance, and the amount of deformation during operation.
(2) The operational speed of the hydraulic components is relatively slow and needs to be increased. However, a hydraulic component that operates too quickly can affect the stability of the equipment, potentially leading to tipping. Therefore, future work must balance the operating speed of hydraulic components with the safety of the equipment.
(3) The telescopic arm employs industrial products that, while meeting some functional requirements, have clearly excessive design parameters such as load-bearing capacity. This results in increased weight, raising the overall center of gravity of the equipment. In future work, the telescopic arm should be designed based on the operational scenario.
(4) When workers are on the manned workbench, transferring materials to the ground becomes challenging. Future improvements could include a fixed pulley system to facilitate this process.
5. Conclusions
In order to address the limited adaptability of the existing orchard operation-aid platforms to the orchard, this paper establishes the design requirements, overall structure, and main technical parameters based on planting patterns and topography. The operation-aid platform can assist the operator in completing the tasks of pruning, spraying, thinning flowers and fruits, harvesting, etc., in hilly and mountainous orchards with plant and row spacing not exceeding 6 m and slopes not exceeding 15°. This innovation enhances operational efficiency and reduces labor intensity.
(1) Combining the planting patterns and operational topography parameters of litchi and longan orchards, the key components of the orchard operation-aid platform, including the chassis, lifting mechanism, extension mechanism, and slope operation support device, were designed using parameters like driving speed, turning radius, lifting height, extension length, and support forces as indicators.
(2) The maximum stable roll angles of the orchard operation-aid platform were analyzed under three typical driving conditions—longitudinal downhill, longitudinal uphill, and lateral slope driving—as well as during extreme conditions of slope operation. In all cases, the roll angles exceeded the design requirement of 15°, demonstrating the platform’s stability and adaptability in challenging terrains.
(3) The kinematic model of the orchard operation-aid platform was developed using the D-H parameter method, and its reachable workspace was obtained through the Monte Carlo method. The simulation experiment results show that the maximum values of the orchard operation-aid platform in the X, Y, and Z axes are 3722 (mm), 3722 (mm), and 4183 (mm), respectively, exceeding the design values. This indicates that the reachable workspace of the orchard operation-aid platform is larger than the target workspace, meeting the design requirements.
(4) By analyzing the operational safety and operational performance of the orchard operation-aid platform, the experiment results show that the in situ turning radius of the orchard operation-aid platform is 1.2 m, the driving slope and slope operation angles both exceed 15°, the operational height is 4.0 m, and the operational radius is 3.7 m. The orchard operation-aid platform meets the passability and operational requirements of hilly orchards.
Author Contributions
Conceptualization, Z.L.; methodology, Z.L.; software, C.M.; validation, C.M. and R.J.; formal analysis, C.L. and Y.Z.; investigation, Z.L. and J.L.; resources, J.L.; data curation, Z.L.; writing—original draft preparation, Z.L.; writing—review and editing, Z.L.; visualization, Z.L.; supervision, C.L. and J.L.; project administration, J.L.; funding acquisition, J.L. All authors have read and agreed to the published version of the manuscript.
Funding
This research was supported by the earmarked fund for the Guangdong Laboratory for Lingnan Modern Agriculture (Grant NZ2021040 NT2021009), the Guangdong Province Rural Revitalization Strategy Special Project under (Grant 2023-440000-60010000-9818), the Special Project of Rural Vitalization Strategy of Guangdong Academy of Agricultural Sciences (Grant No. TS-1-4), the China Agriculture Research System of MOF and MARA (Grant No. CARS-32-13), and the Specific University Discipline Construction Project of South China Agricultural University in 2023 (Grant 2023B10564002).
Institutional Review Board Statement
Not applicable.
Data Availability Statement
The raw data supporting the conclusions of this study are available from the corresponding author upon reasonable request.
Acknowledgments
The authors thank the helpful feedback from reviewers, which contributed to improving the quality of this manuscript.
Conflicts of Interest
The authors declare no conflicts of interest.
References
- South Subtropical Crops Center, Ministry of Agriculture and Rural Affairs. Report on the Development of China’s Litchi and Longan Industries; China Tropical Agriculture: Beijing, China, 2024; pp. 5–7. [Google Scholar]
- Coppock, G.E.; Jutras, P.J. An Investigation of the Mobile Picker’s Platform Approach to Partial Mechanization of Citrus Fruit Picking. Proc. Fla. State Hortic. Soc. 1960, 73, 258–262. [Google Scholar]
- Baugher, T.; Schupp, J.; Lesser, K.; Harsh, R.M.; Seavert, C.; Lewis, K.; Auvil, T. Mobile Platforms Increase Orchard Management Efficiency and Profitability. In Acta Horticulturae; International Society for Horticultural Science (ISHS): Leuven, Belgium, 2009; pp. 361–364. [Google Scholar] [CrossRef]
- Radicioni, L.; Bono, F.; Cinquemani, S. On the use of vibrations and temperatures for the monitoring of plastic chain conveyor systems. Mech. Syst. Signal Process. 2025, 223, 111935. [Google Scholar] [CrossRef]
- Bandit Cub Info. Automated Ag. Available online: https://www.automatedag.com/bandit-cub-info (accessed on 4 December 2024).
- Zhang, Z.; Heinemann, P.H.; Liu, J.; Schupp, J.R.; Baugher, T.A. Design and Field Test of a Low-Cost Apple Harvest-Assist Unit. Trans. ASABE 2016, 59, 1149–1156. [Google Scholar] [CrossRef]
- Berlage, A.G.; Langmo, R.D.; Yost, G.E. Limitations of Single- and Multi-Man Platform Harvesting Aids. 1972. Available online: https://ir.library.oregonstate.edu/concern/administrative_report_or_publications/kk91fk93k (accessed on 4 December 2024).
- Mechanization Is Rolling Along—Video—Good Fruit Grower. Available online: https://www.goodfruit.com/mechanization-is-rolling-along/ (accessed on 4 December 2024).
- Yang, Z.; Wang, Y.; Han, B.; Jin, H.; Chen, J. Research and Design on Conveying System for Tractive Orchard Picking Platform. J. Chin. Agric. Mech. 2017, 38, 24–28. [Google Scholar]
- Li, Q.; Fan, G.; Wang, X.; Zhang, X.; Wang, J. Development of a Fruit Conveying Device for Self-Propelled Orchard Picking Platform. J. Agric. Mech. Res. 2019, 41, 116–119+152. [Google Scholar] [CrossRef]
- Fei, Z.; Vougioukas, S.G. Co-Robotic Harvest-Aid Platforms: Real-Time Control of Picker Lift Heights to Maximize Harvesting Efficiency. Comput. Electron. Agric. 2021, 180, 105894. [Google Scholar] [CrossRef]
- Fei, Z.; Vougioukas, S.G. A Robotic Orchard Platform Increases Harvest Throughput by Controlling Worker Vertical Positioning and Platform Speed. Comput. Electron. Agric. 2024, 218, 108735. [Google Scholar] [CrossRef]
- Peterson, D.L. Development of a Harvest Aid for Narrow-Inclined-Trellised Tree-Fruit Canopies. Appl. Eng. Agric. 2005, 21, 803–806. [Google Scholar] [CrossRef]
- CUI, Z.; GUAN, C.; CHEN, Y.; GAO, Q.; YANG, Y. Design of Small Multi-Functional Electric Crawler Platform for Greenhouse. Trans. Chin. Soc. Agric. Eng. 2019, 35, 48–57. [Google Scholar]
- Zhang, H. Design of Multifunctional Orchard Lifting Platform in Electric Crawler Type. Master’s Thesis, South China Agricultural University, Guangzhou, China, 2017. [Google Scholar]
- Liu, D.; Xie, F.; Li, X.; Wang, X. Design and experiment of small lifting platform in orchard. Trans. Chin. Soc. Agric. Eng. 2015, 31, 113–121. [Google Scholar]
- Yongjun, Z.; Shijie, J.; Bingtai, C.; Haotun, L.; Chang, W.; Feng, K. Review on Technology and Equipment of Mechanization in Hilly Orchard. Trans. Chin. Soc. Agric. Mach. 2020, 51, 1–20. [Google Scholar]
- Cutini, M.; Brambilla, M.; Bisaglia, C.; Melzi, S.; Sabbioni, E.; Vignati, M.; Cavallo, E.; Laurendi, V. A Study of the Lateral Stability of Self-Propelled Fruit Harvesters. Agriculture 2017, 7, 92. [Google Scholar] [CrossRef]
- Melzi, S.; Sabbioni, E.; Vignati, M.; Cutini, M. Numerical Analysis of Rollover Risk of a Fruit-Harvesting Truck. J. Adv. Veh. Eng. 2017, 3, 112–120. [Google Scholar]
- Yongchao, Y.; Feng, K.; Yongjun, Z.; Haotun, L.; Yaxiong, W. Design and simulation of the automatic-leveling high-position platform in orchards. J. Beijing For. Univ. 2021, 43, 150–159. [Google Scholar]
- Liu, X.; Zhong, B.; Chu, Y.; Liu, X.; Qin, X.; Zhang, C. Design and analysis of lifting and leveling mechanism for new orchard picking platform. J. Chin. Agric. Mech. 2020, 41, 80–85+106. [Google Scholar] [CrossRef]
- Duan, Z.; Qiu, W.; Ding, W.; Liu, Y.; Ouyang, Y.; Huang, L. Tilting Stability Analysis and Experiment of the 3-DOF Lifting Platform for Hilly Orchards. Int. J. Agric. Biol. Eng. 2018, 11, 73–80. [Google Scholar] [CrossRef]
- Fan, G.; Wang, Y.; Wang, J.; Zhang, X. Development and Experiment of Platform for Orchards in Hill Area. J. Agric. Mech. Res. 2016, 38, 77–81. [Google Scholar]
- Crendon Machinery. Available online: https://www.crendon.com.au/ (accessed on 4 December 2024).
- NY/T 5174-2002; Pollution-Free Food Litchi Production Technical Regulations. Ministry of Agriculture of the People’s Republic of China: Bejing, China, 2002.
- Zhang, W. Interpretation of DB4403/T 295-2022, Code of Practice for Longan Production. China Stand. 2023, 20, 145–150. [Google Scholar]
- Gan, Y.; Yang, B.; Li, Z.; Luo, J.; Gao, X.; Li, Y. Technical Points of Guigang Litchi High Grafting and Closed Orchard Transformation Technology. South. Hortic. 2024, 35, 57–60. [Google Scholar]
- Li, Z.; Fan, G.; Liang, Z.; Niu, C. Workspace Analysis and Experiments of Orchard Platform Based on D-H Method. Trans. Chin. Soc. Agric. Eng. 2020, 36, 25–34. [Google Scholar]
- GB/T 10000-2023; Human Dimensions of Chinese Adults. National Standards of the People’s Republic of China: Bejing, China, 2023.
- GB/T 14172-2021; Bench Test Methods of Static Roll Stability for Motor Vehicles, Trailers and Combination Vehicles. National Standards of the People’s Republic of China: Beijing, China, 2021.
- Liu, J. Frame Design and Optimization of an Orchard Picking Operation Platform. Master’s Thesis, Shandong Jiaotong University, Jinan, China, 2023. [Google Scholar]
- Lee, S.; Kim, J.; Park, W. Structural analysis for the development of a vertically raise type aerial work machinery. J. Korea Inst. Inf. Electron. Commun. Technol. 2017, 10, 225–231. [Google Scholar]
- Jiang, Y.; Sun, Z.; Wang, R.; Xia, C.; Ye, Q.; Guo, Y. Design and performance test of the omnidirectional leveling system for crawler work machine in hilly areas. Trans. Chin. Soc. Agric. Eng. 2023, 39, 64–73. [Google Scholar]
Disclaimer/Publisher’s Note: The statements, opinions and data contained in all publications are solely those of the individual author(s) and contributor(s) and not of MDPI and/or the editor(s). MDPI and/or the editor(s) disclaim responsibility for any injury to people or property resulting from any ideas, methods, instructions or products referred to in the content. |
© 2024 by the authors. Licensee MDPI, Basel, Switzerland. This article is an open access article distributed under the terms and conditions of the Creative Commons Attribution (CC BY) license (https://creativecommons.org/licenses/by/4.0/).
