Next Article in Journal
Design and Testing of Soybean Double-Row Seed-Metering Device with Double-Beveled Seed Guide Groove
Previous Article in Journal
Insects, Microbes, Natural Compounds, Fish and Plant Species Biodiversity: The Innovative Ammo in the Battle against Plant Pests and Pathogens
 
 
Font Type:
Arial Georgia Verdana
Font Size:
Aa Aa Aa
Line Spacing:
Column Width:
Background:
Article

Simulation Analysis and Test of a Cleaning Device for a Fresh-Peanut-Picking Combine Harvester Based on Computational Fluid Dynamics–Discrete Element Method Coupling

1
Nanjing Institute of Agricultural Mechanization, Ministry of Agriculture and Rural Affairs, Nanjing 210014, China
2
Graduate School of Chinese Academy of Agricultural Sciences, Beijing 100083, China
3
Henan Polytechnic Institute, Nanyang 473000, China
4
Key Laboratory of Modern Agricultural Equipment, Ministry of Agriculture and Rural Affairs, Nanjing 210014, China
*
Authors to whom correspondence should be addressed.
Agriculture 2024, 14(9), 1594; https://doi.org/10.3390/agriculture14091594
Submission received: 21 August 2024 / Revised: 10 September 2024 / Accepted: 11 September 2024 / Published: 13 September 2024
(This article belongs to the Section Agricultural Technology)

Abstract

In order to solve the problems of high impurity rate and large loss rate in the whole fresh peanut harvesting and production process in hilly areas of China, the method of computational fluid dynamics (CFD) and discrete element (DEM) coupling is used to examine the gas–solid two-phase simulation of the cleaning device of the crawler fresh-peanut-picking combine harvester. In addition, the Box–Behnken test method is used to analyze the influence of different parameters on the impurity content and loss rate of materials in the cleaning process by taking the fan speed, feed amount, and air inlet angle as the test factors, and the optimal combination of working parameters is sought. The simulation results show that when the fan speed is 2905.07 r/min, the feed rate is 0.80 kg/s, the air inlet angle is 43.14°, the impurity content is 7.32%, and the loss rate is 4.78%. Compared with the simulation test results, the impurity content is increased by 0.68%, and the loss rate is increased by 1.24%, which verifies the reliability of the simulation model, and the research results provide some technical support for the improvement of the cleaning device in the later stages.

1. Introduction

Peanut is one of China’s important cash crops, but also one of the important sources of China’s foreign exchange income. China is one of the world’s major peanut producers, with a planting area second only to India; China’s peanut planting area is about 4.62 million hectares, accounting for 14.63% of the world’s total and ranking second globally [1,2,3]. In 2022, the top five peanut planting areas in China were Henan, Shandong, Guangdong, Sichuan, and Hebei, with planting areas of 128.7, 60.98, 34.7, 29.5, and 232,000 hectares, respectively [4,5].
Peanuts rank among the top five oil crops globally and serve as a significant source of edible oils and proteins in China. They are rich in functional components and offer high nutritional value. For optimal growth, peanuts should be planted in well-drained, fertile sandy soil. Approximately one-third of China’s peanut cultivation occurs in Sichuan, Guangdong, and other hilly regions, which are key production areas. However, peanut farming in these southern hilly areas predominantly relies on traditional labor practices. Consequently, there is a substantial disparity between the mechanization levels of cultivation and harvesting in these regions and the average mechanization levels of China’s main crops. This gap arises because peanut cultivation in hilly areas is primarily focused on fresh food production. Additionally, the small field sizes, clayey soil, and diverse agronomic conditions complicate mechanized harvesting [6,7,8]. Therefore, the comprehensive mechanization rate of hilly peanut planting areas is less than 20%, which is far lower than the level of more than 60% in peanut-growing areas in northern China [9,10,11,12]. In view of the working conditions in hilly areas, the Nanjing Institute of Agricultural Mechanization of the Ministry of Rural Agriculture has designed a crawler-type fresh peanut picking and harvesting combine, which has the advantages of small size and low weight and is suitable for the working conditions of peanut farming in hilly and mountainous areas. However, the moisture content of fresh peanuts is high and can therefore break the machine easily, and the volume of working parts is small, which leads to problems with high impurity rate and high harvest loss rate for the peanut picking combine harvester in hilly areas of southern China. In order to reduce the impurity rate and loss rate of peanut pods in the harvesting process and to improve peanut-cleaning performance, it is very important to optimize the design of peanut-cleaning equipment in hilly areas.
In recent years, the discrete element method (DEM) and computational fluid dynamics (CFD) have been widely used for the analysis of grain-cleaning devices. CFD-DEM coupling is a method that combines fluid dynamics simulation software with particle dynamics simulation software, aiming to simulate the interaction between particle motion and fluid flow in the particle and fluid system, and this coupling method has important application value in the study of the transport, mixing, and separation of particles in a fluid [13,14,15,16]. Michael J. Bader et al. [17] introduced the working principle of peanut excavators and combine harvesters in the United States and ways to adjust their working parameters to achieve the highest efficiency so as to produce high-quality peanuts, which provided a reference for the development of peanut combine harvesters in China. Mingyang Qin et al. [18] proposed a negative-pressure fruit–soil separation device for planting peanuts in hilly and mountainous areas after joint harvesting and analyzed the movement mechanisms of the device in the processes of material screening, fruit–soil separation, and pneumatic conveying. Shuangshuang Yin et al. [19] designed a new negative-pressure air separation device based on the structural principle of the Laval nozzle, and analyzed the flow velocity relationship between the active air inlet and the passive air inlet and the pressure distribution between the negative pressure nozzle and the negative pressure pipe. Yifei Wang et al. [20] analyzed the trajectories of peanut pods and long and short stems with CFD-EDM coupling, respectively, to explore the probability of various movement trajectories. Yang Li et al. [21] used the CFD-DEM coupling method to simulate the movement of exudate in the internal exudate of the multi-duct cleaning device under a working environment of 9.0 kg/s feed rate and analyzed the relationship between the dispersion of the extrusion particle group, the centroid movement, and the cleaning performance under different working conditions. In summary, the influence of the CFD-DEM coupling method on the cleaning performance of the cleaning device of the crawler for a fresh-peanut-picking combine is reasonable.
In view of the problems of large impurity and loss rates in the process of peanut cleaning in hilly areas, a new type of cleaning device for a peanut-picking combine harvester for hilly areas is designed, and the influence of different working parameters on the performance of the cleaning device is analyzed using a Box–Behnken test. The optimal operating parameters of the cleaning process are determined, the distribution law of the airflow field in the cleaning chamber and the movement state of the material in the cleaning chamber are analyzed, and the reliability of the simulation results is determined through field tests. This paper provides a theoretical basis and reference for the further design optimization of cleaning equipment in hilly areas.

2. Materials and Methods

2.1. The Overall Structure of the Crawler Fresh Peanut Picking Combine

The crawler fresh peanut-picking combine employs a full-feed cross-axial flow peanut-picking and cleaning technology. It mainly includes the chassis walking system, picking platform, control console, peanut-picking device, inclined scraper conveyor, cleaning device, peanut collection device, and transmission and dynamical system [22,23]. The overall machine structure is shown in Figure 1.
The machine is capable of performing multiple functions in a single operation, including picking up, conveying, picking, cleaning, and collecting peanuts, as well as digging and laying peanuts in the field. The working principle is as follows: while the machine is operating normally in the field, the picking platform gathers peanut seedlings spread across the area and transfers them to the peanut picking device via a chain scraper conveyor. Most peanut residues are discharged from the bottom of the picking device, while peanut pods and some debris are conveyed to the inclined scraper conveyor through the bottom auger. These are then transported to the cleaning device for further processing, and finally, the cleaned peanuts are collected in bags [24,25,26]. The main technical parameters are shown in Table 1.

2.2. The Overall Structure of the Cleaning Device

The cleaning device is composed of cleaning chamber 1, cleaning chamber 2, centrifugal fan, miscellaneous outlets, etc., and the overall structure is shown in Figure 2.
After peanut harvesting, most of the peanut vine residues are left in the field. The residue, which includes peanut pods, long stems, short stems, and some small debris, is pushed from the peanut picking system to the transverse conveyor auger. The peanut pods, along with the residues, are transported to the entrance of the cleaning device via the inclined scraper conveyor. The cleaning process separates peanut pods from debris based on their differing air suspension characteristics. The sorted peanut pods fall into a collection bag below, while the debris is drawn into the cleaning chamber through the fan’s axial air intake and is subsequently expelled through the blade rotation [27]. The cleaning process is shown in Figure 3.

2.3. Key Components of the Cleaning Device

2.3.1. Centrifugal Fan

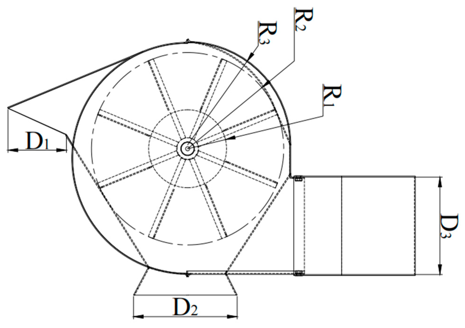
The cleaning device utilizes a fan-based cleaning system, which leverages the difference in suspension speed between peanut pods and debris to perform the cleaning. During the process, peanut pods and miscellaneous residues enter the cleaning chamber through the upper air inlet. The peanut pods then fall through the lower air inlet while the debris is drawn axially into the fan for secondary cleaning. This process reduces impurity levels further, allowing the residuals to be discharged effectively. The structure is shown in Figure 4.
The fan of the cleaning device is placed in a single axial flow type, wherein the axial vent R1 is 80 mm, the rotation range of the scraper blade R2 is 200 mm, the outer circle R3 of the fan shell is 240 mm, the length of the air inlet 1 of the cleaning device D1 is 140 mm, the length of the air inlet 2 is 200 mm, and the length of the fan outlet D3 is 240 mm.
The peanut pods, along with the residues, enter the cleaning chamber. During the cleaning process, the pods are primarily influenced by their own gravity, friction, and the negative pressure generated by the fan. To ensure the peanut pods fall smoothly through the collection outlet, their gravitational force must exceed both the upward suction pressure and the frictional forces exerted by the fan.
The negative pressure F generated by the fan inside the cleaning chamber is:
F = C π ρ d 2 8 ( V 1 V 2 ) 2
where C is the fluid resistance coefficient of peanut pods; ρ is the density of the air, kg/m3; V1 is the airflow velocity, m/s; d is the diameter of the peanut pod, mm; V2 is the speed of peanut pods in the cleaning chamber, m/s.
The acceleration equation for the peanut pod drop is:
π d 3 ρ 1 6 × 10 9 d V 2 d t = F + f G
where F is the force of negative pressure airflow acting on the peanut pods, N; f is the frictional force acting on the peanut pod, N; G is the gravity of the peanut pod, N; ρ 1 is the density of peanut pods, kg/m3.
Falling peanut pods are mainly subjected to negative pressure suction and their own gravity, ignoring the friction force, and the simultaneous equation is obtained:
d V 2 d t = 3 × 10 9 C ρ ( V 1 V 2 ) 2 4 d ρ 1 G π d 3 ρ 1
According to the above analysis, it can be seen that the speed of the peanut pod falling from the peanut collection mouth has a great influence on the negative pressure airflow suction provided by the fan, that is, the larger the negative pressure airflow, the more the peanut pod is adsorbed; if it exceeds the gravity of the peanut pod itself, the pod will find it difficult to fall. Therefore, the negative pressure airflow provided by a suitable fan speed is the key to affecting the cleaning and falling of peanut pods.

2.3.2. Cleaning Device Airflow System

According to the suspension velocity of the peanut pods (9.04~11.83 m/s) [28], the minimum suspension velocity of the peanut pod is used as the reference point to select the inlet airflow velocity, so the air volume of air inlet 1 is:
Q 1 = V S η
where Q1 is the air volume of air inlet 1, m3/s; V is the air velocity—to suck the material into the cleaning room, it is taken as 7 m/s; S is the area at the air inlet, taken as 140 × 180 = 0.0252 m2; η is the air loss efficiency—75% is taken as described in the fan manual; and air inlet 1Q1 is 0.24 m3/s.
The cleaning device comprises two air inlets, and the air volume Q2 at air inlet 2 is 0.37 m3/s according to the above calculation. Then, the air flow channel air volume inside the cleaning device is at least 0.61 m3/s. In order to determine the air volume at the air outlet of the fan:
Q 3 = Q 1 + Q 2 η 1
where Q3 is the air volume at the air outlet of the fan, m3/s; Q1 is the air volume of air inlet 1, 0.24 m3/s; Q2 is the air volume of air inlet 2, 0.37 m3/s; η 1 is the loss efficiency—the pressure loss in the air flow is affected by various factors, such as the length of the pipe, the surface roughness, the curvature, the change in cross-sectional area, the characteristics of the pipe and the velocity of the air in it, which is set to 70% according to the fan manual; and the air volume Q3 at the air outlet of the fan is 0.87 m3/s.

2.3.3. Fan Blades

The fan blade is located in cleaning chamber 2, where its primary function is to ensure that the airflow uniformly covers the entire chamber and facilitates the expulsion of debris drawn in the axial direction. As peanut pods and debris enter the chamber, the airspeed generated by the fan must be sufficient to separate the peanut pods from the debris and prevent the pods from being drawn into the secondary cleaning chamber. Therefore, the air volume produced by the fan must meet the following requirements:
Q = β S μ ρ
where S is the material entering the cleaning chamber, taken as 2 kg/s; β is the ratio of the residue to the feed material, which is 0.2; μ is the airflow concentration ratio of sundries, which is 0.25; ρ is the air density, taken as 1.293 kg/m3; and the air volume Q should meet the requirements of 1.24 m3/s.
In this paper, the number of centrifugal fan blades is designed to be 8, and the blades are scraped with a thickness of 3 mm, mainly to provide stronger airflow speed and pressure, and its structure is shown in Figure 5.
The angle α between each piece of scraper blade is 45°, and the diameter of the rotation domain d1 provided by the blade is 400 mm, wherein the length d2 of the scraper blade is 145 mm, and the width d3 is 120 mm, and the scraper is welded with the intermediate transverse rotation shaft by a long small cylinder, and the main parameters of the eight-blade cleaning device are shown in Table 2.

2.4. CFD-DEM Coupling

The cleaning chamber contains a gas–solid two-phase flow system, which involves the simultaneous presence of gas and solid particles. This system is a common complex hydrodynamic phenomenon observed in various engineering and natural processes. Within this gas-solid two-phase flow system, interactions between the gas and solid particles include their transportation, mixing, and separation within the gas stream [29,30,31,32,33].

2.4.1. CFD System

CFD is based on the Navier–Stokes equation, which is one of the basic equations describing the motion of a fluid, based on the principles of conservation of mass, momentum, and energy, and describing the state of motion inside the fluid, simulating the velocity and pressure fields of the fluid. It describes the state of motion inside a fluid based on the principles of conservation of mass, momentum, and energy CFD [34,35,36]. The general form of the Navier–Stokes equation can be written as:
V t + ( V ) V = 1 ρ P + ν 2 V + F
where V is the velocity vector of the fluid, which varies with time and space; t is time; P is the density of the fluid; ν is the kinematic viscosity of the fluid; F is the volumetric force acting on the fluid externally (e.g., gravity); is a gradient operator that represents a partial derivative of spatial coordinates.
The gas phase continuity equation is:
t ( ϕ g ρ g ) + ( ϕ g ρ g ν g ) = 0
where t is the time, s; ϕ g is the volume fraction of the gas; ρ g is the density of the gas, kg/m3; ν g is the gas velocity, m/s.
The equation for the conservation of momentum is:
( α ρ u ) t + Δ ( α ρ u 2 ) = α Δ τ + α ρ g α Δ p i = 1 N F i V c
where ρ is the stress, Pa; g is the acceleration due to gravity, m/s2; τ is the gas dynamic viscosity, Pa·s; Fi is the resistance of particles to gas, N; Vc is the cell volume, m3.

2.4.2. DEM System

In EDEM, the equations governing particle motion are primarily based on Newton’s second law, which simulates the dynamic behavior of particles by tracking their motion states—namely, position, velocity, and acceleration. In the cleaning chamber, particles are influenced by several forces, including contact forces, gravity, air resistance, and aerodynamic forces. The following are the fundamental equations and primary forces considered in modeling particle motion.
The translational motion of particles is described by Newton’s second law:
m i d vi d t = F i
where mi is the mass of particle i, g; vi is the velocity of particle i, m/s; Fi is the net force on the particle i, N.
The rotational motion of the particle is described by the conservation of angular momentum:
I i d wi d t = T i
where Ii is the moment of inertia of particle i; wi is the angular velocity of particle i, rad/s; and Ti is the resultant moment acting on particle i, N m .
The resistance experienced by particles in a fluid is calculated using the Stokes drag formula:
F d , i = 1 2 C d ρ f A i v i | v i |
where Cd is the drag coefficient; ρ f is the density of the fluid, kg/m3; Ai is the projected area of the particle, m2; and vi is the relative velocity of the particle relative to the fluid, m/s.

2.5. EDEM Model and Parameter Settings

2.5.1. Material Model

The exudates after peanut picking mainly include peanut pods, stalks, and other sundries. The two materials with the largest proportion of exudates, i.e., peanut pods and stems, are selected for material modeling, and the size distribution range of peanut pods is 25 × 10 × 12 mm~40 × 15 × 15 mm, 30 × 13 × 13 mm for peanut pod size modeling, 80~140 mm for stem modeling, and 100 mm for stem modeling. The material model is established using the multi-ball particle filling method through the EDEM interface. The material model is shown in Figure 6.

2.5.2. Parameter Settings

The material model of the cleaning device is set to structural steel based on previous experiments and studies [37]. The properties of the material itself and the contact parameters with the cleaning device are set as shown in Table 3 and Table 4 below.
Save the flow field model as an MSH file and import it to EDEM, set the rotation direction of the fan along the Z axis, set the particle factory size according to the size of the feeding inlet of the cleaning device in the geometries section, select the Hertz–Mindlin (no slip) model and the Standard Rolling Friction model, set the gravity direction to 9.81 m/s2 in the -Y direction, set the EDEM time step to 1 × 10−5 s, and save the parameters. Open the Coupling Server and wait for the coupling to be connected to the Fluent, and then go to set up.

2.6. Fluent Model and Parameter Settings

2.6.1. 3D Model Building

The three-dimensional model of the cleaning device has been simplified. The debris discharge port, which does not influence the flow field distribution within the cleaning chamber, is also simplified. The flow field of the cleaning chamber and the blade’s rotational domain were created using SolidWorks. The resulting model was saved in STEP format and imported into SpaceClaim for further processing. The rotational domain was extracted from the entire flow field using a Boolean operation. The simplified model of the cleaning device is illustrated in Figure 7.

2.6.2. Meshing and Boundary Condition Settings

The cleaning chamber model in Space Claim is imported into the Mesh plate in ANSYS Workbench for meshing and boundary condition setting, and the method of directly dividing the size mesh is inserted into the cleaning chamber, with a maximum unit size of 15 mm, 1,128,041 meshing elements, and 209,686 nodes, as shown in Figure 8.
Define two air inlets and one pressure outlet of the cleaning device, save it to the Fluent software 2022 for boundary condition setting, 3D double-precision serial mode, and set the number of solvers to 4. The gravity direction is 9.81 m/s2 in the -Y direction, the flow field in the cleaning chamber is selected as the complex airflow field, and the turbulence model is RNGk-epsilon. Import the coupling file compiled by Visual Studio, wait for the successful coupling between Fluent and EDEM, and clean the indoor fluid domain as air with a density of 1.225 kg/m3. The inlet of the cleaning chamber is defined as the velocity inlet, the outlet type is defined as the pressure outlet, the turbulence intensity is set to 5%, the solution method is SIMPLEC, the time step is set to 5000, the time step is set to 0.0006 s, which is 40 times the time step in EDEM, the maximum number of iterations is 10, and the total simulation time is 3 s due to the equipment performance limitations.

2.7. Simulation Test Methods

2.7.1. The Range of Factors Affecting Cleaning Performance Is Determined

The centrifugal fan cleaning device uses the difference in the suspension characteristics of the material to clean and separate by generating airflow, and the airflow speed in the cleaning chamber has an important impact on the distribution of the material’s movement state and the cleaning performance. Based on relevant references and field tests [38], during the process of cleaning, the speed of the fan, the amount of feed, and the inclination angle of the air inlet have the most significant impact on the cleaning performance.
(1)
The speed range of the fan is determined
In order to make the peanut pod and its residue enter smoothly from the air inlet, the wind speed at the air inlet should be greater than the suspension velocity of the peanut pod and its residue; the suspension velocity of the peanut pod is 9.04~11.83 m/s, and the suspension velocity of the peanut stem is 6.46~8.23 m/s [39]. The peanut pods fall from the second air inlet, and the stalks are sucked into the second cleaning chamber, so the wind speed at the entrance of the cleaning device should be greater than 11.83 m/s, and the wind speed at the second air inlet should be less than 9.04 m/s. Select the wind speed provided when the fan speed is 2500~3000 r/min to meet the requirements.
(2)
The feeding range is determined
Moderate feed amounts are essential for maintaining uniform airflow and ensuring an even distribution of air within the cleaner, which improves cleaning performance. In contrast, excessively high or low feed rates can cause turbulence and vortex formation within the cleaning unit, leading to uneven airflow that impairs the effective separation of particulate matter and impurities. Field tests indicated that when the feed amount exceeds 1.2 kg/s, the cleaning device struggles to process large volumes of material promptly, resulting in increased impurity content. Insufficient separation of impurities can diminish the efficiency of pod cleaning. Therefore, a feed amount range of 0.6–1.2 kg/s is recommended to enhance the stability of material cleaning within the chamber.
(3)
The air inlet angle is determined
The air inlet angle is one of the key factors affecting the cleaning performance of the fan-type cleaning device, and the adjustment of the air inlet angle directly affects the speed and direction of the airflow and the interaction between particulate matter and the airflow, thus having a significant impact on the cleaning performance. When the air inlet angle is small, the speed of the airflow into the cleaning device is lower, the angle between the airflow direction and the horizontal plane is small, and the airflow is relatively gentle. In this case, particulate matter and impurities are suspended in the gas stream for a longer period of time, which facilitates the separation of lighter impurities from heavier particles. However, the small airflow velocity may cause some of the heavier particles to not be carried away sufficiently, affecting the cleaning effect. When the inclination angle of the air inlet is large, the velocity of the airflow into the cleaning device is higher, and the direction of the airflow is more perpendicular to the horizontal plane. The high-velocity airflow helps to quickly remove lighter impurities, but it can also carry away some of the heavier particles, resulting in incomplete separation. In addition, high-velocity airflow is prone to turbulence, which affects the stability and separation effect of the airflow. After field testing and worker experience, the inclination angle of the air inlet is selected to be 30°−60°.

2.7.2. The Influence of Fan Speed on Cleaning Performance and Reliability Verification

In the motion simulation of peanut pod stalks in the cleaning device, the feeding amount of peanut pods and stems is set to 0.9 kg/s, and the angle of the air inlet is set to 45°. Taking into account the preliminary test results and real-world conditions such as consumption, the simulations are performed using fan speeds of 2500, 2750, and 3000 r/min, as shown in Figure 9.
In order to verify the reliability of the preliminary simulation test, a field test was conducted in the workshop of Henan Zhengzhou Machinery Harvesting Co., Ltd. (Zhengzhou, China) (113° E, 134.78° N) in October 2023, during which the average weather temperature and relative humidity were 25.4 °C and 41.6%, respectively. The peanut variety used in the test was Yueyou 43. The area of the test workshop is 2000 m2 (40 m × 50 m). The test refers to NY/T2204–2012 “Technical Specification for Quality Evaluation of Peanut Harvesting Machinery” to test the impurity rate and loss rate of the peanut combine harvester.
(1)
The impurity rate of the peanut combine harvester is determined by:
Y 1 = M 1 M × 100 %
where Y1 is the impurity rate; M is the total mass in the peanut bag, g; and M1 is the mass of stalks and other residues.
(2)
The loss rate of the peanut combine harvester is determined by:
Y 2 = M 2 + M 3 M + M 2 + M 3 × 100 %
where Y2 is the loss rate; M2 is the mass of pods lost during the cleaning process, g; and M3 is the natural grain mass of peanut pods outside the peanut collection bag, g.
The test workshop is divided into three test areas, the test area is 10 m long, the peanut seedlings are manually laid to reach the operating width, the peanut combine harvester is kept running at a constant speed during the operation, the time of each test is recorded with a stopwatch, and the average value is taken by repeating the test three times; the test operation is shown in Figure 10.
Through the analysis of the movement trajectory and position distribution of the material by experimental comparison, it is found that the movement trajectory of the material in the cleaning device is consistent with the simulation test analysis results, which verifies the reliability and feasibility of the simulation model.

2.8. Box-Behnken Simulation of Design of Experiments

According to the above, it can be seen that the factors affecting the cleaning performance of the peanut picking combine harvester’s cleaning device in hilly areas mainly include the fan speed, the feeding amount, and the air inlet angle. The speed range of the fan is 2500–3000 r/min, the feeding amount is 0.6–1.2 kg/s, and the air inlet angle is 30°−60°. The levels of test factors are shown in Table 5.

3. Result

3.1. Analysis of Test Results

Design-Expert13 software is used for data processing and analysis, and the test results are shown in Table 6.

3.1.1. Regression Model Building

The simulation results were analyzed using Design-Expert13 software, and the regression models of Y1 impurity rate and Y2 loss rate were obtained, respectively:
Y 1 = 7.09 0.2137 X 1 + 0.3013 X 2 0.5225 X 3 0.1775 X 1 X 2 + 0.2450 X 1 X 3 + 0.1650 X 2 X 3 + 0.8027 X 1 2 + 0.5277 X 2 2 + 0.3102 X 3 2 Y 2 = 5.18 0.6813 X 1 + 0.4275 X 2 + 0.3263 X 3 + 0.2425 X 1 X 2 + 0.0650 X 1 X 3 0.0625 X 2 X 3 + 0.4065 X 1 2 + 0.7940 X 2 2 + 0.8965 X 3 2
where Y1 is the impurity rate, %; Y2 is the loss rate, %; X1 is the speed of the fan, r/min; X2 is the feed amount, kg/s; and X3 is the Air inlet angle, °.

3.1.2. Regression Equation Analysis

When p < 0.01 or p < 0.05, the influencing factors have a highly significant and significant impact on the regression equation, respectively. Among the main factors affecting the impurity rate, X1, X2, and X3 are extremely significant. Among the interaction factors, X1X3 is significant. Among the secondary items, X12, X22, and X32 all had a very significant effect. Among the main factors affecting the loss rate, X1, X2, and X3 are extremely significant. Among the interaction factors, X1X2 had a significant effect. Among the secondary items, X12, X22, and X32 all had a very significant effect. According to the coefficient of the regression equation, the influence on the impurity rate is X3, X2, and X1 from large to small. The impact on the loss rate is X1, X2, and X3 from large to small. This is shown in Table 7 above.

3.2. Analysis of the Influence of Interaction Factors on Cleaning Performance

3.2.1. Analysis of the Influence of Interaction Factors on Impurity Rate

The response surface of the interaction factors to the impurity rate was generated using Design-Expert 13 software, and the effects of fan speed, feeding amount, and air inlet angle on the impurity rate were analyzed. The response surfaces shown in Figure 11a–c represent the effects of X1X2, X1X3, and X2X3 on Y1, respectively.
As shown in Figure 11a, when the air inlet angle is 45°, the fan speed is 2750 r/min, the feed amount is 0.9 kg/s, and the impurity rate is 6.92%. The increase in fan speed can provide strong airflow so that the lighter impurities are quickly blown away, but if the feeding speed is also high, a large amount of material enters the cleaning device in a short time, which may exceed the processing capacity of the cleaning device, resulting in some pods and impurities not being fully separated, increasing the impurity rate. The combination of low fan speed and low feed rate can reduce pod loss, but the cleaning efficiency is lower, and the impurity content will increase. As shown in Figure 11b, when the feed amount is 0.6 kg/s, the fan speed is 2750 r/min, and the air inlet angle is 60°, the impurity rate of peanut pods decreases gradually with the increase of fan speed and air inlet inclination. The high fan speed combined with the large inlet inclination can enhance the airflow speed and strength, which helps to effectively separate impurities. The influence of the feed amount and the air inlet angle on the impurity rate of the pod was explored, as shown in Figure 11c: when the fan speed is 2500 r/min, the feed amount is 1.2 kg/s, and the air inlet angle is 45°, the impurity content is 9.24%. The combination of high feed speed and small inlet inclination angle may not provide sufficient airflow power, and it is difficult to effectively separate impurities, resulting in an increase in impurity rate, and the combination of low feeding speed and small air inlet angle makes the cleaning device handle the lighter load, but the airflow power is insufficient, and the impurity separation effect is poor, which will also lead to an increase in impurity rate.

3.2.2. Analysis of the Influence of Interaction Factors on the Loss Rate

The response surfaces of the interaction factors influencing the impurity rate were generated using Design-Expert 13 software, and the effects of fan speed, feed amount, and air inlet angle on the loss rate were analyzed. The response surfaces of Figure 12a–c represent the effects of X1X2, X1X3, and X2X3 on Y2, respectively.
As illustrated in Figure 12a, the cleaning loss rate is lowest when the fan speed is 3000 r/min and the feed amount is 0.6 kg/s. Additionally, with an air inlet angle of 45°, the cleaning loss initially increases and then decreases as fan speed rises. This occurs because higher fan speeds enhance airflow velocity, which aids in separating light impurities. However, a high feed rate can result in a large volume of material entering the unit rapidly, increasing the load. This may cause particles to be carried away by the airflow before they can be adequately separated, leading to a higher loss rate. Figure 12b shows that with a feed amount of 0.9 kg/s, a fan speed of 2750 r/min, and an air inlet angle of 45°, the impurity rate is 5.17%. Under these conditions, the peanut pod loss rate increases with both fan speed and air inlet angle. The larger air inlet angle directs airflow more vertically, intensifying airflow speed and force. High fan speeds combined with large inlet angles may result in excessive expulsion of heavier particles, thus increasing the loss rate. Figure 12c indicates that at a fan speed of 2750 r/min, a feed amount of 0.6 kg/s, and an air inlet angle of 30°, the loss rate is 6.14%. A smaller air inlet angle concentrates the airflow, but a high feed rate might prevent the effective separation of materials, leading to a low loss rate if the fan speed is controlled to avoid excessive particle carryover. At lower feed rates, the airflow has sufficient time for effective impurity separation, and a larger inclination angle improves airflow efficiency, resulting in a lower particle loss rate and a better cleaning effect.

3.3. Determination of Optimal Operating Parameters

To optimize the cleaning performance parameters of the crawler fresh peanut picking combine, it is necessary to minimize the impurity rate and loss rate of the machine. the actual working conditions of the peanut combine harvester and the analysis results of the above related regression equations, the optimization constraints are selected as the formula:
min Y ( X ) = { Y 1 ( X 1 X 2 X 3 ) Y 2 ( X 1 X 2 X 3 ) ; { 1 X 1 , X 2 , X 3 1 0 Y 1 8 % 0 Y 2 5 %
When the fan speed is 2905.07 r/min, the feed rate is 0.80 kg/s, and the air inlet angle is 43.14°, the impurity rate is 7.32% and the loss rate is 4.78%. In order to facilitate the design of the cleaning device, the fan speed is 2905 r/min, the feed amount is 0.80 kg/s and the air inlet angle is 43°.

3.4. Analysis of Flow Field and Materials in the Cleaning Room under Optimal Parameters

3.4.1. Cleaning Chamber Speed Analysis

The velocity vector of the flow field inside the cleaning chamber shows a gradual decreasing trend from the outlet of the fan to the air outlet; the air velocity generated by the fan at the outlet is higher, and the velocity gradually decreases due to the action of gas resistance and friction as the airflow propagates to the direction of the air outlet. This distribution of decreasing velocity helps to ensure that the peanut pods and debris are evenly subjected to the airflow in the cleaning chamber for effective sorting and separation, where the high-velocity area is usually located on the front of the fan and may form a vortex near the tip of the fan blades, which gradually decreases as you move further away from the fan, creating an area of decreasing velocity. In this area, the distribution of air velocity may be affected by the surrounding structure, and the air velocity generated in the rotating area of the fan is the largest, which generates enough negative pressure for peanuts and their residues to enter from the inlet and reduces the peanut cleaning loss rate. When simulating the velocity distribution of the flow field in the cleaning chamber of the fan, the influence of the turbulence effect on the velocity distribution should also be noted. In some localized areas, the simulation results may show large velocity fluctuations or turbulent vortex, which may affect the sorting and cleaning performance of the particulate material. The analysis of the flow field in the cleaning room is shown in Figure 13.
The change in the airflow velocity of the line in the cleaning chamber is detected by selecting the starting coordinates and the end coordinates on the observation surface of the cleaning chamber. The selection of the transverse coordinates and longitudinal coordinates of the line on the observation surface of the cleaning chamber is shown in Table 8, and the airflow velocity of the observation surface of the cleaning room is shown in Figure 14.

3.4.2. Convey the Material at Optimal Parameters

At 0.08 s, peanut pods and stems are introduced into the cleaning chamber from the pellet factory. The negative pressure generated by the fan causes the materials to move towards the fan. Between 0.3 and 1 s, additional materials enter the cleaning chamber; the stalks are drawn in and expelled from the chamber by the fan’s negative pressure. From 1 to 1.5 s, significant accumulation of materials occurs in the cleaning chamber, with most peanut pods and a few stalks falling through the grain collection port. Between 1.5 and 3 s, all pods and stems are processed. The fan’s negative pressure causes the materials to rotate within the chamber, expelling most stalks and allowing most peanut pods to fall into the grain collection inlet. Some peanut pods and stalks remain accumulated in the cleaning chamber. The distribution of materials at each stage is illustrated in Figure 15.

3.5. Field Test

In order to further verify the performance of the cleaning device, a field test was carried out in Longqiu Village, Kelu Town, Leizhou City, Guangdong Province. The soil type was sandy loam, the bulk density of the soil samples was 1.38 g/cm3, the soil moisture content was 9.5%, the peanut variety was Yueyou 43, and the moisture content of flower seedlings was 24.4%. The test operation is shown in Figure 16.
Combined with the standard of mechanized peanut harvesting in hilly areas, the impurity rate of the peanut combine harvester must be no more than 8% and the loss rate not more than 5%. According to the results of the field test, the impurity content and loss rate of peanut pods meet the requirements of relevant test standards. This is shown in Table 9.

4. Discussion

The crawler-based fresh peanut picking combine harvester ensures effective passage and stability in the field, making it well-suited for peanut cultivation in hilly areas due to its broad adaptability and high relevance. Compared to traditional peanut pickers and combine harvesters, it features a redesigned cleaning method, reduced spatial layout, and a more compact structure, which better accommodates hilly terrain. During the cleaning process, the air inlet angle significantly impacts the impurity and loss rates. This angle affects airflow direction and speed, influencing the separation of peanuts from impurities. A smaller air inlet angle results in gentler airflow, which may inadequately remove impurities, leading to a higher impurity rate and the potential retention of peanuts in the cleaning device, though it reduces loss. Conversely, a larger air inlet angle increases airflow velocity, enhancing impurity removal but potentially increasing peanut loss due to the mistaken identification of peanuts as impurities. Therefore, determining the optimal air inlet angle through experimentation can significantly lower the impurity rate while maintaining minimal loss and improving harvest quality.
Based on the analysis and research presented in this paper, future research will focus on the following aspects: (1) enhancing cleaning efficiency—despite the high airflow velocity of the fan-type cleaning device, its effectiveness is limited by the small feeding inlet area. Future work will aim to increase this area to improve cleaning efficiency; (2) evaluating the impact of integrating a vibrating screen: further investigation will examine whether incorporating a vibrating screen within the fan-type cleaning system, with optimal spatial allocation, can further reduce impurity content; (3) advancing simulation methods: enhancing simulation models will enable a more accurate understanding of particle distribution and movement during the cleaning process.

5. Conclusions

(1) A fan-type cleaning device suitable for peanut harvesting and cleaning in hilly areas is designed, the working principle of the cleaning device is analyzed, the structure of key components and the requirements of the air volume system are designed, and a reasonable space combination is integrated into the crawler fresh peanut picking and combining harvester so as to realize the cleaning and separation of pods and their residues after peanut harvesting and provide a technical reference for the optimization design of the cleaning device of the subsequent peanut picking combine harvester in hilly areas.
(2) The CFD-DEM coupling method was employed to develop a model of the fan-type cleaning device. The operation of the cleaning device under various parameter combinations was simulated using the Box–Behnken test method. Utilizing Design Expert 13 software, a regression model was created to analyze the impurity rate and loss rate of peanut pods. The effects of fan speed, feed amount, and air inlet angle on these rates were evaluated. The optimal working parameters were identified as follows: a fan speed of 2905.07 r/min, a feed amount of 0.80 kg/s, and an air inlet angle of 43.14°. Under these conditions, the impurity rate was 7.32% and the loss rate was 4.78%. The internal flow field and material behavior in the cleaning chamber were examined under these optimal parameters, and the flow field and material motion were found to conform to the kinematic principles.
(3) A performance test of the cleaning device of the crawler fresh peanut picking combine harvester is carried out, and under the optimal parameters, the impurity rate of the field test results is increased by 0.56%, and the loss rate is reduced by 0.84% compared with the simulation test results, which verified the reliability and feasibility of the simulation model. In order to reduce the impurity rate again, the vibrating screen is added to cooperate with the cleaning according to the optimized design of the follow-up cleaning device.

Author Contributions

Conceptualization, Z.H., F.G. and F.W.; methodology, F.G. and F.W.; software, M.G.; validation, H.S.; formal analysis, F.G.; investigation, H.X. and P.Z.; resources, J.L.; data curation, J.L.; writing—original draft preparation, J.L.; writing—review and editing, J.L.; visualization, W.L.; supervision, H.S.; project administration, F.G.; funding acquisition, H.X. All authors have read and agreed to the published version of the manuscript.

Funding

National Peanut Production System (CARS-13); National Key R&D Program of China (2023YFD200100402); Central Public-interest Scientific Institution Basal Research Fund (Grant No. S202402); Supported by the Collaborative Innovation Center for Shangdong’s Main crop Production Equipment and Mechanization (SDXTZX-09).

Institutional Review Board Statement

Not applicable.

Data Availability Statement

The data presented in this study are available in the article.

Conflicts of Interest

The authors declare no conflicts of interest.

References

  1. Gu, F.; Hu, Z.; Peng, B.; Xie, H.; Hu, L. General Situation and Mechanization Development Strategy of Peanut Production in China. Chin. Agric. Mech. 2010, 3, 8–10. [Google Scholar]
  2. Guan, J. Application and Optimization of Peanut Harvesting Machinery in Hilly Areas. Use Maint. Agric. Mach. 2023, 5, 80–82. [Google Scholar]
  3. Zeng, Y.; Fang, Z. Status and Development Strategy of Full Mechanization of Peanut in the Hilly Area of South China. Agric. Eng. Equip. 2021, 48, 4–9. [Google Scholar]
  4. Zhang, Y. Research on Geographic Concentration Changes of China’s Peanut. Ph.D. Thesis, China Agricultural University, Beijing, China, 2015. [Google Scholar]
  5. Wang, S.; Hu, Z.; Yao, L.; Peng, B.; Wang, B.; Wang, Y. Simulation and Parameter Optimisation of Pickup Device for Full-Feed Peanut Combine Harvester. Comput. Electron. Agric. 2022, 192, 106602. [Google Scholar] [CrossRef]
  6. Yang, R. Study on Design Principle and Tests for Main Parts of 4HQL-2 Peanut Combine. Ph.D. Thesis, Shenyang Agricultural University, Shenyang, China, 2012. [Google Scholar]
  7. Shang, S.; Li, G.; Yang, R.; Sun, T.; Wang, Y.; Lian, Z. Development of 4HQL-2 Type Whole-Feed Peanut Combine. Trans. CSAE 2009, 25, 125–130. [Google Scholar]
  8. Hu, Z.; Wang, H.; Peng, B.; Cheng, Y.; Wu, F.; Zhang, Y. Optimized Design and Experiment on Semi-feeding Peanut Picking Device. Trans. CSAM 2012, 43, 131–136. [Google Scholar]
  9. Kong, X.; Wang, D.; Li, X.; He, X.; Shi, Z.; Wang, D.; Ji, R.; Liu, Y. Peanut Combine Harvester Design and Test of Control System for Fruit Picking Drum. Agric. Mech. Res. 2023, 45, 104–110. [Google Scholar]
  10. Liu, J. Study on Top-Feed Tangential-Flow Double-Drum Picker for Both Dry and Wet Peanuts. Master’s Thesis, Jilin Agricultural University, Changchun, China, 2023. [Google Scholar]
  11. Wang, S.; Hu, Z.; Xu, H.; Cao, M.; Yu, Z.; Peng, B. Design and Test of Pickup and Conveyor Device for Full-Feeding Peanut Pickup Harvester. Trans. CSAE 2019, 35, 20–28. [Google Scholar]
  12. Ma, J.; Qu, J.; Khan, N.; Zhang, H. Towards Sustainable Agricultural Development for Edible Beans in China: Evidence from 848 Households. Sustainability 2022, 14, 9328. [Google Scholar] [CrossRef]
  13. Zhao, L.; Ma, X.; Guo, S.; Yu, H. Simulation Study on Cereal Cleaning Based on DEM-CFD Coupling. J. Shandong Agric. Univ. (Nat. Sci. Ed.) 2020, 51, 738–743. [Google Scholar]
  14. Hu, Y.; Feng, J.; Qiao, Y.; Yu, C.; Luo, W.; Zhang, K.; Liu, R.; Han, R. Research and Validation of Vibratory Harvesting Device for Red Jujube Based on ADAMS and ANSYS. Agriculture 2023, 13, 1334. [Google Scholar] [CrossRef]
  15. Liu, W.; Zeng, S.; Chen, X. Design and Experiment of Spiral Step Cleaning Device for Ratooning Rice Based on CFD-DEM Coupling. Comput. Electron. Agric. 2024, 224, 109207. [Google Scholar] [CrossRef]
  16. Yuan, J.; Wu, C.; Li, H.; Qi, X.; Xiao, X.; Shi, X. Movement Rules and Screening Characteristics of Rice-Threshed Mixture Separation through a Cylinder Sieve. Comput. Electron. Agric. 2018, 154, 320–329. [Google Scholar] [CrossRef]
  17. Bader, M.J.; Sumner, P.E. Peanut Digger and Combine Efficiency; University of Georgia: Athens, GA, USA, 2009. [Google Scholar]
  18. Qin, M.; Jin, Y.; Cao, M.; Wu, F.; Luo, W.; Guo, K.; Xu, H.; Gu, F.; Hu, Z. Design and Parameter Optimization of a Negative-Pressure Peanut Fruit-Soil Separating Device. Agronomy 2023, 13, 2338. [Google Scholar] [CrossRef]
  19. Yin, S. Numerical Simulation and Experimental Study of Negative Pressure Cleaning and Grading Device. Master’s Thesis, Agricultural University of Hebei, Baoding, China, 2019. [Google Scholar]
  20. Wang, Y. Design of the Cleaning Device for the Peanut Combine Harvester and Performance Studies. Master’s Thesis, Hebei Normal University of Science and Technology, Qinhuangdao, China, 2022. [Google Scholar]
  21. Li, Y. Numerical Simulation and Experiment of Gas-Solid Two-Phase Flow in Multi-Duct Cleaning Device. Master’s Thesis, Jiangsu University, Zhenjiang, China, 2018. [Google Scholar]
  22. Li, D.; Shang, S.; He, X.; Zhao, Z.; Chang, Z.; Wang, Y.; Wang, D. Experiments and Analysis of a Peanut Semi-Feeding Picking Mechanism Based on the JKR Model. Agriculture 2022, 12, 1418. [Google Scholar] [CrossRef]
  23. Liu, X.; Lü, Q.; Yang, L.; Li, G. Design and Test of Peanut Root-Disk Full-Feeding Longitudinal Axial Flow Pod-Picking Device. Agronomy 2023, 13, 1103. [Google Scholar] [CrossRef]
  24. Wang, R.; Zhao, X.; Ji, J.; Jin, X.; Li, B. Design and Performance Analysis of Tangential-Axial Flow Threshing Device for Oat Harvester. Int. J. Agric. Biol. Eng. 2021, 14, 61–67. [Google Scholar] [CrossRef]
  25. Yang, H.; Cao, M.; Wang, B.; Hu, Z.; Xu, H.; Wang, S.; Yu, Z. Design and Test of a Tangential-Axial Flow Picking Device for Peanut Combine Harvesting. Agriculture 2022, 12, 179. [Google Scholar] [CrossRef]
  26. Ding, B.; Liang, Z.; Qi, Y.; Ye, Z.; Zhou, J. Improving Cleaning Performance of Rice Combine Harvesters by DEM–CFD Coupling Technology. Agriculture 2022, 12, 1457. [Google Scholar] [CrossRef]
  27. Hu, S. Design and Experiment of Cleaning Device of Soybean Combine Harvester Based on 4LZ-1.6Z. Master’s Thesis, Sichuan Agricultural University, Ya’an, China, 2023. [Google Scholar]
  28. Chen, Y. Design and Simulation Analysis of Peanut Pod Cleaning Device. Master’s Thesis, Shenyang Agricultural University, Shenyang, China, 2021. [Google Scholar]
  29. Zhang, Y. Design and Experimental Research of Oil Sunflower Combine Harvester Cleaning Device. Master’s Thesis, Xinjiang Agricultural University, Urumqi, China, 2023. [Google Scholar]
  30. Zang, Y.; Huang, Z.; Qin, W.; He, S.; Qian, C.; Jiang, Y.; Tao, W.; Zhang, M.; Wang, Z. Design of hybrid rice air-suction single-seed metering device. Trans. Chin. Soc. Agric. Eng. 2024, 40, 181–191. [Google Scholar]
  31. Zheng, Y. Experimental Study on the Air Suction Fresh Peanut Cleaning and Removing Device. Master’s Thesis, Shenyang Agricultural University, Shenyang, China, 2020. [Google Scholar]
  32. Fan, K.; Liu, Y.; Li, X.; Xu, Y. Research Status and Prospect of Agricultural Materials Cleaning Equipment. Mech. Res. Appl. 2020, 33, 202–204. [Google Scholar]
  33. Wu, N.; He, J.; Liu, S.; He, Y. Simulation and Experiment of Air Screen Cleaning Device for Cerasus humilis Based on EDEM-Fluent Coupling. Agric. Eng. 2021, 11, 82–87. [Google Scholar]
  34. Liu, X. Improvement and Experimental Study of Fresh and Wet Peanut Cleaning Device. Master’s Thesis, Shenyang Agricultural University, Shenyang, China, 2019. [Google Scholar]
  35. Dang, H.; Zhao, B.; Ma, X.; Hao, R.; Zhao, Z.; Cui, W. Simulating research on cyclone grain cleaning device based on CFD-DEM coupling. J. Chin. Agric. Mech. 2020, 41, 86–91. [Google Scholar]
  36. Hussain, S.; Jianjun, H.; Yong, C.; Ali, A.; Song, H.; Zheng, D.; Farid, M.U.; Ghafoor, A.; Ahmed, M. CFD Study of Self-Cleaning System of Multi-Stage Tangential Roller Threshing Unit for Precise Buckwheat Breeding. Heliyon 2024, 10, e27180. [Google Scholar] [CrossRef] [PubMed]
  37. Dai, F.; Xu, P.; Yuan, Z.; Shi, R.; Zhao, Y.; Song, X.; Zhao, W. Simulation and Optimization Experiment: Working Process of a Cleaning Device for Flax Combine Harvester. Agriculture 2023, 13, 2123. [Google Scholar] [CrossRef]
  38. Tang, B.; Lu, Z.; Gong, J.; Wang, Y. Experimental Investigation on Cleaning Device of Peanut Combine Harvester. J. Agric. Mech. 2016, 38, 191–195. [Google Scholar]
  39. Shi, Z.; Chen, X.; Liu, H.; Shang, S.; Wang, D.; He, X.; Zhang, Y.; Kong, X. EDEM-based Simulation Test of Peanut Seedling Cleaning Device Sieving Performance. J. Agric. Mech. 2023, 45, 81–85. [Google Scholar]
Figure 1. Crawler fresh peanut-picking combine: 1. chassis walking system; 2. dynamical system; 3. peanut collection device; 4. cleaning device; 5. inclined scraper conveyor; 6. transmission system; 7. control console; 8. peanut picking device; 9. picking platform.
Figure 1. Crawler fresh peanut-picking combine: 1. chassis walking system; 2. dynamical system; 3. peanut collection device; 4. cleaning device; 5. inclined scraper conveyor; 6. transmission system; 7. control console; 8. peanut picking device; 9. picking platform.
Agriculture 14 01594 g001
Figure 2. Cleaning device. 1. Miscellaneous outlets l; 2. Cleaning chamber 2; 3. Centrifugal fan; 4. Cleaning chamber 1.
Figure 2. Cleaning device. 1. Miscellaneous outlets l; 2. Cleaning chamber 2; 3. Centrifugal fan; 4. Cleaning chamber 1.
Agriculture 14 01594 g002
Figure 3. The working principle of the cleaning device.
Figure 3. The working principle of the cleaning device.
Agriculture 14 01594 g003
Figure 4. Centrifugal fan.
Figure 4. Centrifugal fan.
Agriculture 14 01594 g004
Figure 5. Main and side views of fan blades.
Figure 5. Main and side views of fan blades.
Agriculture 14 01594 g005
Figure 6. Material discrete element model.
Figure 6. Material discrete element model.
Agriculture 14 01594 g006
Figure 7. Cleaning device model.
Figure 7. Cleaning device model.
Agriculture 14 01594 g007
Figure 8. Meshing of cleaning devices.
Figure 8. Meshing of cleaning devices.
Agriculture 14 01594 g008
Figure 9. Simulation of material movement at different fan speeds: (a) 2500 r/min; (b) 2750 r/min; (c) 3000 r/min.
Figure 9. Simulation of material movement at different fan speeds: (a) 2500 r/min; (b) 2750 r/min; (c) 3000 r/min.
Agriculture 14 01594 g009
Figure 10. Validation test.
Figure 10. Validation test.
Agriculture 14 01594 g010
Figure 11. The influence of interaction factors on impurity rate. (a) The effect of fan speed and feeding amount on impurity rate. (b) The effect of fan speed and air inlet angle on impurity rate. (c) The effect of feeding amount and air inlet angle on impurity rate.
Figure 11. The influence of interaction factors on impurity rate. (a) The effect of fan speed and feeding amount on impurity rate. (b) The effect of fan speed and air inlet angle on impurity rate. (c) The effect of feeding amount and air inlet angle on impurity rate.
Agriculture 14 01594 g011
Figure 12. The influence of interaction factors on loss rate. (a) The effect of fan speed and feeding amount on loss rate. (b) The effect of fan speed and air inlet angle on loss rate. (c) The effect of feeding amount and air inlet angle on loss rate.
Figure 12. The influence of interaction factors on loss rate. (a) The effect of fan speed and feeding amount on loss rate. (b) The effect of fan speed and air inlet angle on loss rate. (c) The effect of feeding amount and air inlet angle on loss rate.
Agriculture 14 01594 g012
Figure 13. Analysis contour of the flow field inside the cleaning chamber. (a) Cleaning chamber trace distribution. (b) Cleaning chamber vector distribution. (c) Air velocity cloud picture in cleaning chamber 1. (d) Air velocity cloud picture in cleaning chamber 2.
Figure 13. Analysis contour of the flow field inside the cleaning chamber. (a) Cleaning chamber trace distribution. (b) Cleaning chamber vector distribution. (c) Air velocity cloud picture in cleaning chamber 1. (d) Air velocity cloud picture in cleaning chamber 2.
Agriculture 14 01594 g013aAgriculture 14 01594 g013b
Figure 14. Airflow velocity distribution at the observation surface of the cleaning chamber. (a) Transverse airflow velocity distribution. (b) Longitudinal airflow velocity distribution.
Figure 14. Airflow velocity distribution at the observation surface of the cleaning chamber. (a) Transverse airflow velocity distribution. (b) Longitudinal airflow velocity distribution.
Agriculture 14 01594 g014
Figure 15. Material cleaning process in the cleaning chamber. (a) t = 0.08 s. (b) t = 0.56 s. (c) t = 1.64 s. (d) t = 2.38 s.
Figure 15. Material cleaning process in the cleaning chamber. (a) t = 0.08 s. (b) t = 0.56 s. (c) t = 1.64 s. (d) t = 2.38 s.
Agriculture 14 01594 g015
Figure 16. Field test.
Figure 16. Field test.
Agriculture 14 01594 g016
Table 1. Main technical parameters of crawler fresh peanut picking combine.
Table 1. Main technical parameters of crawler fresh peanut picking combine.
ParametersDesign Values
TypeFully fed, self-propelled tracked
Machine dimensions
Size (Length × width × height)/(mm × mm × mm)
3500 × 1500 × 1600
Total weight/(kg)1300
Engine power/(kW)20.2
Engine rated speed/(r/min)2200
Most suitable row spacing/(mm)700
Working width/(mm)1040
Efficiency/(hm2/h)1–2.5
Table 2. Main parameters of the cleaning system.
Table 2. Main parameters of the cleaning system.
ParametersDesign Values
Machine dimensions
Size (Length × width × height)/(mm × mm × mm)
840 × 330 × 520
Blade formScraper
Blade size (Length × width × height)/(mm × mm × mm)145 × 120 × 3
Number of blades8
Angle between blades45°
Air inlet 1 (Length × width)/(mm × mm)140 × 180
Air inlet 2 (Length × width)/(mm × mm)180 × 200
Outlet (Length × width)/(mm × mm)240 × 140
Table 3. Parameters of material attributes.
Table 3. Parameters of material attributes.
MaterialPoisson’s RatioDensity
(kg m−3)
Shear Modulus
(Pa)
Peanut pods0.324607 × 106
Stalks0.392882.5 × 1010
45 steel0.3078007 × 1010
Table 4. Contact parameters between materials.
Table 4. Contact parameters between materials.
MaterialCollision Recovery FactorCoefficient of Static FrictionRolling Friction Coefficient
Peanut pods—Peanut pods0.50.30.2
Peanut pods—stalks0.50.50.01
Peanut pods—45 steel0.40.40.1.
Stalk—Stalk0.50.20.1
Stalk—45 steel0.50.60.02
Table 5. Table of test factor levels.
Table 5. Table of test factor levels.
LevelsFan Speed
X1 (r/min)
Feed Amount
X2 (kg/s)
Air Inlet Angle
X3 (°)
−125000.630
027500.945
130001.260
Table 6. Table of test results.
Table 6. Table of test results.
No.Fan Speed
X1 (r/min)
Feed Amount
X2 (kg/s)
Air Inlet Angle
X3 (°)
Y1 (%)Y2 (%)
125001.2459.247.25
227501.2308.626.91
330000.6457.965.03
427501.2607.827.48
530001.2458.236.58
627500.9456.925.37
725000.6458.266.67
830000.9308.345.33
927500.9457.085.17
1027500.9457.025.23
1125000.9309.037.03
1227500.9457.255.05
1327500.6606.916.96
1427500.6308.376.14
1527500.9457.195.09
1625000.9607.587.51
1730000.9607.876.07
Table 7. Variance analysis of regression equation.
Table 7. Variance analysis of regression equation.
SourceRate of Impurity Y1
Sum of
Squares
Degree of FreedomF ValueSignificant
Level p
Model8.46934.92<0.0001 **
X10.3655113.580.0078 **
X20.726126.970.0013 **
X32.18181.12<0.0001 **
X1X20.12614.680.0673
X1X30.240118.920.0203 *
X2X30.108914.040.0842
X122.711100.78<0.0001 **
X221.17143.560.0003 **
X320.4053115.050.0061 **
Residual0.18857
Lack of fit0.11932.280.221
Pure error0.06954
Total8.6516
SourceRate of Loss Y2
Sum of
Squares
Degree of FreedomF ValueSignificant
Level p
Model13.73944.19<0.0001 **
X13.711107.57<0.0001 **
X21.46142.360.0003 **
X30.8515124.670.0016 **
X1X20.235216.820.0349 *
X1X30.016910.48960.5067
X2X30.015610.45270.5226
X120.6958120.160.0028 **
X222.65176.91<0.0001 **
X323.38198.05<0.0001 **
Residual0.24167
Lack of fit0.177933.730.1182
Pure error0.06374
Total13.9716
Note: p < 0.01 (highly significant, **); p < 0.05 (significant, *).
Table 8. Coordinates of the start and end points of the monitoring points.
Table 8. Coordinates of the start and end points of the monitoring points.
LineStart CoordinatesEnd Coordinates
Transverse(−220, 5, 400)(200, 5, 400)
Longitudinal(100, −40, 300)(100, −20, 300)
Table 9. Cleaning device performance test results.
Table 9. Cleaning device performance test results.
Test MetricsRate of ImpurityRate of Loss
Simulation test results7.32%4.78%
Field test results7.88%3.94%
Error0.56%0.84%
Disclaimer/Publisher’s Note: The statements, opinions and data contained in all publications are solely those of the individual author(s) and contributor(s) and not of MDPI and/or the editor(s). MDPI and/or the editor(s) disclaim responsibility for any injury to people or property resulting from any ideas, methods, instructions or products referred to in the content.

Share and Cite

MDPI and ACS Style

Ling, J.; Gu, M.; Luo, W.; Shen, H.; Hu, Z.; Gu, F.; Wu, F.; Zhang, P.; Xu, H. Simulation Analysis and Test of a Cleaning Device for a Fresh-Peanut-Picking Combine Harvester Based on Computational Fluid Dynamics–Discrete Element Method Coupling. Agriculture 2024, 14, 1594. https://doi.org/10.3390/agriculture14091594

AMA Style

Ling J, Gu M, Luo W, Shen H, Hu Z, Gu F, Wu F, Zhang P, Xu H. Simulation Analysis and Test of a Cleaning Device for a Fresh-Peanut-Picking Combine Harvester Based on Computational Fluid Dynamics–Discrete Element Method Coupling. Agriculture. 2024; 14(9):1594. https://doi.org/10.3390/agriculture14091594

Chicago/Turabian Style

Ling, Jie, Man Gu, Weiwen Luo, Haiyang Shen, Zhichao Hu, Fengwei Gu, Feng Wu, Peng Zhang, and Hongbo Xu. 2024. "Simulation Analysis and Test of a Cleaning Device for a Fresh-Peanut-Picking Combine Harvester Based on Computational Fluid Dynamics–Discrete Element Method Coupling" Agriculture 14, no. 9: 1594. https://doi.org/10.3390/agriculture14091594

APA Style

Ling, J., Gu, M., Luo, W., Shen, H., Hu, Z., Gu, F., Wu, F., Zhang, P., & Xu, H. (2024). Simulation Analysis and Test of a Cleaning Device for a Fresh-Peanut-Picking Combine Harvester Based on Computational Fluid Dynamics–Discrete Element Method Coupling. Agriculture, 14(9), 1594. https://doi.org/10.3390/agriculture14091594

Note that from the first issue of 2016, this journal uses article numbers instead of page numbers. See further details here.

Article Metrics

Back to TopTop