Next Article in Journal
From Waste to Value in Circular Economy: Valorizing Grape Pomace Waste through Vermicomposting
Previous Article in Journal
Microbiological Soil Quality Indicators Associated with Long-Term Agronomical Management of Mediterranean Fruit Orchards
 
 
Font Type:
Arial Georgia Verdana
Font Size:
Aa Aa Aa
Line Spacing:
Column Width:
Background:
Article

Design and Test of Electromagnetic Vibration Type Fine and Small-Amount Seeder for Millet

1
College of Agricultural Engineering, Shanxi Agricultural University, Jinzhong 030801, China
2
Dryland Farm Machinery Key Technology and Equipment Key Laboratory of Shanxi Province, Jinzhong 030801, China
3
School of Information Engineering, Minzu University of China, Beijing 100081, China
*
Author to whom correspondence should be addressed.
Agriculture 2024, 14(9), 1528; https://doi.org/10.3390/agriculture14091528
Submission received: 24 July 2024 / Revised: 24 August 2024 / Accepted: 3 September 2024 / Published: 5 September 2024
(This article belongs to the Section Agricultural Technology)

Abstract

To solve the problem of large sowing amount and poor sowing uniformity for millet, according to the physical characteristics of the millet seed and its sowing agronomic requirements, an electromagnetic vibration type fine and small-amount seeder was designed, and the main technical parameters of the seeder were determined, in order to realize the functions of furrow opening, electronically controlled seed metering, soil covering and pressing. Based on the principle of electromagnetic vibration, an electromagnetic vibration type seed metering device was designed to achieve uniform seeding of the millet seed with a small sowing amount; a seeding amount electronic control device was designed using an STM32 microcontroller, which realized the switching to sowing agronomic mode and the adjustment of the seeding amount with sowing operation speed; a vibration experimental bench was set up to simulate the vibration state of field operation, and studies on the seeding performance and vibration damping of the seed metering device by the isolation spring were carried out, as well as field sowing tests for verification. When the working voltage of the seed metering device is 80–160 V, the coefficients of variation for seeding uniformity per row and for total seeding uniformity are not greater than 3.57% and 2.39%, respectively, and the seed damage rate is less than 0.5%. The installation of isolation springs can increase the maximum vibration acceleration of the seed metering device by 10.61–28.20%, significantly reducing the impact of external vibrations on the seed metering device. Within the range of suitable sowing operation speeds, the electronic control device can meet the seeding amounts along with sowing operation speed in the 6, 7.5 and 9 kg/hm2 sowing agronomic modes, and the coefficient of variation for seeding uniformity per row, for total seeding uniformity and for sowing uniformity are not greater than 4.63%, 2.48% and 23.38%, respectively. This study provides a reference for the development of sowing machinery for millet crop.

1. Introduction

Millet is a characteristic Chinese cereal crop, and its nutritional and health value is gradually and increasingly being emphasized. In recent years, the planting area, yield, and economic benefits of millet have steadily increased, driving the continuous expansion of the millet industry. The mechanization of millet sowing is an important support for promoting its industrial development [1,2,3]. The length, width, and height of the millet seed used for sowing are 2.14–3.50 mm, 1.48–2.09 mm and 1.18–1.80 mm, respectively, and the 1000 grain weight is about 3.2 g [4]. Millet sowing is still dominated by manual sowing and mechanical drilling in most areas of China, with problems such as large sowing amount, poor uniformity of seed distribution in the field, and large workload and high labor intensity during the seedling growth of millet [3,4,5,6,7]. Therefore, the development of millet seeders suitable for fine and small-amount agronomic sowing requirements and with stable performance is still an important direction for the mechanized production of millet.
A seed metering device is a key component of the seeder. In recent years, with the rapid development of electromagnetic vibration technology, an electromagnetic vibration feeder is a device that can uniformly transport powder and particle materials at a precise and stable speed. It has the advantages of easy control, strong adaptability, and high productivity, and has been widely used in industries such as chemical, food, and medical [8,9,10]. Given the above advantages, scholars based their work on electromagnetic vibration technology to carry out research in agricultural material conveying and seed metering. In order to solve the problems of low seed processing capacity and uneven processing in seed pretreatment equipment, Hui et al. [11] designed a seed vibrating homogenization device, systematically analyzed the structure and working principle of this device and obtained its technical parameters. In response to the problem of uneven seed filling in the external groove wheel seeding device, Zhou et al. [12] designed an electromagnetic vibration spoon-type external groove wheel seeding device. Through seeding experiments, the influence of vibration amplitude and seeding wheel speed on the seed quantity were obtained, and the relative error of the better technical parameters for quantitative seeding was less than 4%. Zhu et al. [13] designed a piezoelectric vibration rice precision seeding device to solve the problem of poor uniform seeding performance and difficulty in achieving precise seeding during rice seedling. The key parameters of this device were optimized, the qualified seeding rate was not less than 94.17%, and the missed seeding rate did not exceed 0.67% for three rice varieties, which can meet the precision seeding requirement for rice and has good adaptability to different rice seeds. Many scholars have analyzed the kinematics of corn seeds under electromagnetic vibration to solve the instability and low dispersion efficiency problems of directional sorting and conveying devices. They identified the factors that affect the dispersion and sorting motion of stacked corn seeds, and optimized the parameters of the vibration device, providing reference for the directional packaging and sowing of corn seeds [14,15,16]. Our research team has preliminarily developed a seed metering device for millet based on electromagnetic vibration technology. The working process of this device was analyzed, and key parameters, such as groove shape and amplitude, suitable for stable operation of this device were obtained through experiments [17]. However, adaptability of this device to the millet seeder has not yet been resolved.
The electromagnetic vibration type seed metering device is based on the principle of resonance, which enables the seed guiding plate to be in a low critical resonance state at a certain excitation frequency, thereby achieving stable conveying of seeds. The seeder designed in this study has two vibration sources when working in the field, the seed metering device itself and the seeder vibration generated by the field conditions. Simultaneous occurrence of these two vibrations may have an impact on the displacement of the seeder. More recently, it was found that external vibration has a great impact on the stability of the seeder displacement through pretesting. To reduce the impact of field vibrations, it is necessary to design corresponding vibration isolation devices when assembling the seed metering device with the seeder. Yang et al. [18] analyzed the factors affecting the operation of an electromagnetic vibration rice seedling device using experimental design and physical methods. Their design optimized the stiffness of the vibration isolation rubber pad for the device, achieving a seeding qualification rate of about 90%. Zhang et al. [19] analyzed the field vibration of the 2BYG-220 type rapeseed seeder, designed a vibration seeding experimental bench, and analyzed the relationship between the vibration frequency and the coefficient of variation for sowing uniformity. Dealing with the problem that the vibration of the spoon wheel type corn seeder is affected by the working conditions in the field, which affects the seeding performance, scholars analyzed the vibration characteristics of the seeder in the field, and optimized the key parameters such as the forward speed, the vibration frequency and the vibration acceleration affecting the seeding performance based on the vibratory seeding test bench, which is of great significance for the improvement of the performance of the spoon wheel type corn seeder [20]. Within the scope of the literature search, there is currently no vibration isolation device suitable for the electromagnetic vibration type seed metering device, though the above research can provide references for the design of a vibration isolation device.
With the rapid development of automatic control technology, electronic control of the seeding amount has been widely used, and this method can solve the problems of inconvenient mechanical transmission adjustment, easy ground wheel slippage, hanging, chain jumping, and uneven sowing caused by high-speed operation [21,22]. Gay et al. [23,24] developed an electronic control system based on the precision seed metering device, which realized independent movement and precise control for this device, and carried out laboratory tests and field performance tests on this system for the qualification rate, leakage rate and reseeding rate, which achieved accurate results and has great application value. Xu et al. [25] designed an electronic control system based on the positioning velocimetry of GNSS and carried out performance tests for a wheat seed metering device, with a coefficient of variation for seeding stability of 1.8%. At present, the research focus for electromagnetic vibration feeders is mainly on establishing kinematic and dynamic models of materials and analyzing the influencing factors on material conveying speed [26,27]. The seeding amount adjustment of the electromagnetic vibration type seed metering device cannot use a mechanical transmission system, and the voltage of the electromagnetic vibrator must be controlled according to the seeding operation speed and sowing agronomic requirements to achieve real-time adjustment of the seeding amount. The above research can provide references for the design of an electronic control system for the millet seeder.
The design parameters of the millet seeder need to meet its agrotechnical requirements for sowing [21]. Firstly, the sowing amount of millet determines the number of seedlings per unit area, and the relationship between millet population and individuals is determined by row spacing, number of seeds per unit section and sowing uniformity. The sowing amount of millet is generally 6–9 kg/hm2, with a row spacing of 200–300 mm, 6–10 seeds per 100 mm, and the coefficient of variation for sowing uniformity is less than 45% according to the standards and local conditions [28]. Secondly, the sowing depth is one of the main factors to ensure crop germination. The sowing depth of millet is generally 3–5 cm, and the seeds after sowing need to be appropriately pressed to facilitate moisture preservation and seedling emergence [21]. Finally, in the key process of seed metering, it is required that the coefficients of variation for seeding uniformity per row and for total seeding uniformity are not greater than 5.2% and 2.6%, respectively, and the seed damage rate is less than 0.5% [28].
Based on the above issues and the agrotechnical requirements of millet sowing, an electromagnetic vibration type fine and small-amount seeder, with seeding metering device, isolation spring and seeding amount electronic control device as key components, was designed in this research. To solve the problem of large sowing amount and poor sowing uniformity of millet, experimental research on the seeding performance for the seed metering device, vibration reduction test for the isolation spring, and sowing test verification were conducted. This can provide theoretical support and innovative practical technology for the development of millet sowing machinery.

2. Materials and Methods

2.1. Structure and Working Principle of the Seeder

The electromagnetic vibration type fine and small-amount seeder of millet mainly includes a speed-measuring ground wheel, frame, seeding amount electronic control system, isolation spring, electromagnetic vibration type seed metering device, suspension device, seed spout, and sowing unit. The sowing unit includes a parallel four-bar profiling mechanism, double disc furrow opener, press wheel, and disc soil covering device, as shown in Figure 1. The speed-measuring ground wheel, seed metering device and seeding amount electronic control device are powered by the tractor battery.
The seeder is powered by the tractor and is hung to the behind of the tractor via a three-point suspension. The main parameters of this seeder are shown in Table 1.
Before field operation, the sowing agronomic mode is pre-set through the seeding amount electronic control device according to the millet sowing agronomic requirements. During operation, the tractor pulls the seeder to move it and the ground wheel rotates. The seeding amount electronic control device controls the working voltage of the seed metering device in real-time through the collected ground wheel speed, thereby controlling the seeding amount. Under a certain working voltage, the seeds move in a straight line under the vibration, fall into the furrow opened by the furrow opener through the seed spout, and are covered by the covering device, and then pressed by the press wheel to ensure that the seeds are in full contact with the soil, in order to complete the sowing operation.

2.2. Structure and Parameters of the Seed Metering Device

2.2.1. Structural Parameters and Working Process of the Seed Metering Device

The seed metering device is a key component of the seeder, and its technical parameters directly affect the sowing performance. Based on the physical properties of millet seeds and the fine and small-amount agronomic requirements of sowing, according to the principle of electromagnetic vibration conveyance, the electromagnetic vibration type seed metering device was designed, which consists mainly of the seed box, slow seed groove, seed guiding plate, seed outlet, electromagnetic vibration, seed box bracket, the base and seed shield, etc., as shown in Figure 2. The seed guiding plate is a rectangular plate with 4 seed guiding grooves, assembled on the working surface of the electromagnetic vibrator. According to the external dimensions of the millet seed and the requirement of seed quantity, the length, width, and height dimensions of the seed guiding groove are 160, 8, and 3 mm, respectively. The front of the seed guiding plate is fitted with a slow seed groove, which is rectangular with dimensions of 180, 30 and 20 mm in length, width and height, respectively. There is a 10 mm gap between the lower part of the seed box and the upper part of the slow seed groove, the seeds can be first dropped into the slow seed groove for temporary storage, and then diverted to the seed guiding groove, which can prevent the seeds in the seed box piling up on the working surface and causing the problem of poor conveyance. There is only a 1 mm gap between the outer wall of the seed box and the inner wall of the slow seed groove, which is smaller than the external dimensions of the millet seed and prevents the seed from spilling out at the side of the seed box. The seed guiding plate is fitted with the seed shields at the seed guiding grooves to avoid seeds spilling out at the seed guiding plate. According to the external dimensions, the repose angle and the friction coefficient of millet seeds, the seed box is designed to have a transverse cross-section in the form of a V-shape, with the angle of the two sides at 60° and a capacity of about 1 L. All materials used in the seed metering device, except for the seed box bracket, are made of transparent acrylic that are easy to process and observe. The dynamic and static friction coefficients between the seed and the acrylic are 0.182–0.302 and 0.19–0.312, respectively [29].
When the seed metering device operates, the seeds in the seed box can first fall into the slow seed groove under the action of gravity, and then the seeds in the slow seed groove can enter the seed guiding groove under the action of the cyclic vibration force from the electromagnetic vibrator. Finally, the seeds are evenly and continuously aligned within the seed guiding groove and are conveyed to the seed outlet to complete the seeding operation.

2.2.2. Parameters and Working Principle of the Electromagnetic Vibrator

The electromagnetic vibrator is based on the principle of resonance, which places the seed guiding plate of the seed metering device in a low critical resonance state at a certain excitation frequency, thereby achieving stable transportation for seeds in the seed guiding groove. To achieve smooth conveying of millet seeds, a ZXC-140# type electromagnetic vibrator was initially selected, whose structure is shown in Figure 3, mainly consisting of vibrator base, left and right plate spring group, vibration feeding table, electromagnet and armature.
The vibrator base and the vibration feeding table are connected by the plate spring groups, the electromagnet and the armature are fastened to the vibrator side plates and the vibration feeding table, respectively, and the plate spring group set is used for storing potential energy. The electromagnet is supplied by AC power and the drive of the vibration feed table through half-wave rectification. After the circuit is connected, pulsating voltage is applied to the electromagnet, generating pulsating electromagnetic force between the electromagnet and the armature. The vibration feeding table is attracted, and the plate spring groups store potential energy. When the circuit is disconnected, the electromagnetic force disappears, and the potential energy stored in the plate spring groups causes the vibration feeding table to vibrate in the opposite direction, repeating the cycle. The vibration feeding table vibrates at the operating frequency of AC voltage to convey seeds. The main parameters of the ZXC-140# type electromagnetic vibrator are shown in Table 2.
The electromagnetic vibrator, as the power device of the seed metering device, has its working frequency and amplitude as the main technical parameters affecting the conveying performance of millet seeds. To ensure that the electromagnetic vibrator can stably convey seeds, this study further designs and determines the suitable working frequency and amplitude for this device.
(1) Working frequency of the seed metering device
The electromagnetic vibrator utilizes the sub-resonance state near the resonance frequency to achieve stable conveyance of millet seeds above the seed guiding plate. In order to determine the natural frequency of the seed metering device, the electromagnetic vibrator and seed guiding plate are simplified as a rigid frame model [30], ignoring the damping coefficient of this system, as shown in Figure 4. The vibration feeding table is fixedly connected to the seed guiding plate, and its mass is much greater than that of the plate spring groups. Therefore, the bending stiffness of the vibration feeding table and seed guiding plate in this model tends to infinity. The plate spring groups are the important element of an electromagnetic vibrator, providing a return force during vibration. The optimized design of the plate spring groups set in the form of a bolted multiple spring steel plates combination was adopted to achieve stable conveyance of the millet seeds, as shown in Figure 5, and the natural frequency of the seed metering device model is calculated from Equations (1)–(5).
Where I denotes moment of inertia for the plate spring group, mm4; E1 represents the elastic modulus of the vibration feeding table with the seed guiding plate, GPa; I1 stands for the moment of inertia of the vibration feeding table with the seed guiding plate, mm4; m is the mass of the vibration feeding table with the seed guiding plate filled with millet seeds, 0.9 kg; h0, h1, hc and b refer to the thickness of a single plate spring (spring steel plate), the gap of the plate spring group, the height of the plate spring group’s neutral layer and the length of the plate spring group, respectively, mm, as illustrated in Figure 4 and Figure 5.
k = 24 E I b 3
I = [ b ( 3 h 0 + h 1 ) 3 12 + ( 3 h 0 + h 1 2 h c ) 2 · b · ( 3 h 0 + h 1 ) ] [ b h 1 3 12 + ( 2 h 0 + h 1 2 h c ) 2 · b · h 1 ]
h c = 2 b h 0 2 + ( 2.5 h 0 + h 1 ) · b · h 0 3 b h 0
ω = k m
f = ω 2 π
where k denotes the stiffness coefficient of the seed metering device model, N/mm; E represents the elastic modulus of stainless steel plate spring, 200 GPa; ω is the vibration angular frequency of this model, rad/s; f is the natural frequency of this model, Hz; the other letters are presented in Figure 4 and Figure 5, where the values of h0, h1 and b are 1 mm, 2 mm and 60 mm, respectively.
The natural frequency of the seed metering device model is calculated to be 56.26 Hz. In order to convey the millet seeds smoothly, the seed metering device is supplied with 220 V AC power, its operating frequency is determined to be 50 Hz, the ratio of the operating frequency to the natural frequency is 0.89 and, at this time, the seed metering device is in a sub-resonance state under the operating frequency [26], so as to realize the steady conveyance of the millet seeds.
(2) Appropriate amplitude of the seed metering device
To investigate the effect of amplitude on the motion state of the millet seeds, kinematic analyses of the seeds was carried out. The motion of the seed guiding plate is, approximately, a simple harmonic vibration when the electromagnetic vibrator is in operation. As the amplitude increases, the seeds have three motion states on the seed guiding groove: stationary, gliding and throwing [26], while the ideal seed motion state is to let the seeds perform a forward gliding motion in the seed guiding groove along the direction of the seed outlet. When the electromagnetic vibrator is working, the seed guiding plate and the millet seeds, approximately, undergo simple harmonic vibration, and its displacement formula is:
S = A sin ω t
where A denotes the amplitude of the seed in the vibrating direction, mm; ω is the vibration angular frequency of this model, rad/s; t is the vibration time, s.
The vibration displacements, velocities and accelerations in the X-axis and Y-axis directions of the seed guiding plate or millet seed are obtained by decomposing and deriving the vibration displacements along the horizontal (X-axis direction) and vertical (Y-axis direction) directions, as shown in Equations (7)–(12).
S x = A cos β sin ω t
S y = A sin β sin ω t
V x = A ω cos β cos ω t
V y = A ω sin β cos ω t
a x = A ω 2 cos β sin ω t
a y = A ω 2 sin β sin ω t
where Sx, Vx and ax represent the displacement, velocity, and acceleration in the X-axis direction of the seed, respectively; Sy, Vy and ay represent the displacement, velocity, and acceleration in the Y-axis direction of the seed, respectively; β is vibration direction angle, °.
The seed guiding plate and millet seeds undergo simple harmonic vibrations together, and the seeds are conveyed in a straight line in the seed guiding groove. This study simplified the models of seeds and seed metering device, and analyzed the forces on a single seed, as shown in Figure 6.
Where F, G, FN and Ff are the inertial force, gravity, supporting force and friction of the single seed, respectively, N.
When the seed starts sliding, and analyzing the force of the seed, the following equations can be established in the X-axis and Y-axis directions according to the principle of force balance:
F x = F f = ± μ F N = m s A ω 2 cos β sin ω t
F y = m s A ω 2 sin β sin ω t
F y + F N = G = m s g
where Fx and Fy represent the component of the inertial force F in the X-axis and the component of the inertial force F in the Y-axis, respectively, N; ms denotes the mass of the single seed, g; μ stands for the friction coefficient between the seed and the seed guiding groove; the “+” and “−” refer to the sliding of the seed along the X-axis positive and negative directions, respectively.
The equilibrium equations when the seed begins to slide along the X-axis in a positive direction, negative direction, or throw, are shown in Equations (16)–(18), respectively.
F x = + μ F N
F x = μ F N
F N = F y + G = 0
Therefore, the amplitudes A1, A2, and A3 that satisfy the seed slip in the positive direction of the X-axis, slip in the negative direction of the X-axis and throw are shown in Equations (19)–(21).
A 1 = g ω 2 sin ω t μ μ sin β + cos β
A 2 = g ω 2 sin ω t μ cos β μ sin β
A 3 = g ω 2 sin β sin ω t
When A < A1, the seed and seed guiding plate vibrate together without any relative motion; when A1 < A < A2, the seed slides in the positive direction of the X-axis; when the amplitude A is between A2 and A3, the seed slides in the negative direction of the X-axis; when A > A3, the seed begins to be thrown. To ensure that the seeds slide in the positive direction of the X-axis, this study determined the reasonable amplitude of the seed metering device as 0–0.4 mm through high-speed camera and vibration meter testing.

2.3. Design of Isolation Spring for the Seed Metering Device

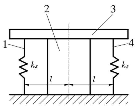
As the seeder operates in the field, it encounters factors including soil composition, surface unevenness, and other environmental variables, that induce random vibrations. Notably, the vertical vibrations experienced during forward motion are particularly pronounced. These vibrations have the potential to adversely impact the efficacy of the sowing process, ultimately diminishing the quality of sowing performance and potentially compromising the subsequent growth of the crops [19,20]. The electromagnetic vibration type seed metering device is a device that, under the cyclic vibration force of the electromagnetic vibrator, places the seed guiding plate in a low critical resonance state at the excitation frequency, thereby achieving stable conveying of seeds in the seed guiding groove. It can be seen that the field vibration has a significant impact on its sowing performance during field operation. In response to the vertical vibration characteristics of the seeder, isolation springs suspended between the seeder and the seed guiding plate were designed to reduce the impact of vertical vibration in the field.
If the motion of an electromagnetic vibrator is simplified as the vibration of a single particle, the isolation coefficient η of this system is:
η = 1 Z 2
where Z stands for the ratio of the operating frequency of the electromagnetic vibrator to the natural frequency of the isolation spring. Generally, the frequency ratio is 2–10, Z = 4 in this research.
There are two isolation springs designed, located on the left and right sides of the electromagnetic vibrator, as shown in Figure 7. The total stiffness of the isolation springs kz is calculated as 5.05 N/mm through Equations (22)–(24). Since the distance l between the left and right isolation springs and the center of the electromagnetic vibrator is the same, the stiffness of a single isolation spring ks is 2.53 N/mm.
k z = η m ω 1 2
m = m d + k m m z
where kz is the total stiffness of the isolation springs, N/mm; m represents the mass of the vibration feeding table with the seed guiding plate filled with millet seeds, 0.9 kg; md refers to the mass of the vibration feeding table with the seed guiding plate, 0.8 kg; mz denotes the mass of the millet seeds filled in the seed guiding plate, 0.1 kg; km is the combination coefficient between the seed guiding plate and the millet seeds, 0.20 [31].
A cylindrical spiral tension spring with a spring stiffness of 2.68 N/mm and made of spring steel was selected based on the calculation above and the assembly dimensions of the seeder, and its parameters are shown in Table 3.

2.4. Design of Seeding Amount Electronic Control Device

In order to accurately control the seeding amount of the seed metering device, it is necessary to control the sliding speed of the seeds in the seed guiding groove of this device. According to the principle of electromagnetic linear vibration, the working voltage of the electromagnetic vibrator can be controlled to change the suction force between the electromagnet and the armature at the frequency of AC power, thereby changing the excitation force on the seeds in the seed guiding groove, and ultimately controlling the sliding speed of the seeds in the seed guiding groove. Under appropriate vibration parameters, the greater the sliding speed of the seeds, the greater the number of seeds discharged from the seed outlet per unit time. Therefore, in order to realize the switching of sowing agronomic mode and the adjustment of the sowing amount with the sowing operation speed, a seeding amount electronic control device for millet seeds was designed based on the STM32 microcontroller by controlling the working voltage of the electromagnetic vibrator. This device is mainly composed of a speed-measuring ground wheel and an electronic control system, through the speed-measuring ground wheel collects the sowing operation speed, and the electronic control system adjusts the working voltage of the electromagnetic vibrator, thereby adjusting the amplitude of the electromagnetic vibrator to achieve the adjustment of the seeding amount for millet seeds. The Hall sensor was adopted to the speed-measuring ground wheel to collect the sowing operation speed. The Hall sensor is of NJK-5002C type, with a measurement range of less than 10 mm, small size, control current of 300 mA, and output mode of NPN, normally open type. This device is anti-vibration and has a long life, suitable for the operation environment in the field.
The electronic control system includes a power supply circuit, control circuit, drive circuit of the seed metering device, and key-press display circuit, as shown in Figure 8. The power supply circuit is provided by the tractor’s 12 V battery, which is converted by the N20SXRQ-15M inverter to invert the 12 V DC voltage into 220 V AC voltage. On the one hand, 220 V AC voltage is used for the electromagnetic vibration controller, on the other hand, through rectification, voltage reduction, and stabilization circuits, it provides 5 V and 3.3 V DC voltage for the speed-measuring ground wheel and STM32 microcontroller, respectively. The control circuit takes the STM32 microcontroller as the control core of this system and calculates the current sowing operation speed by collecting the number of pulses from Hall sensors per unit time, combined with the size of the ground wheel, and the sowing operation speed calculations are shown in Equations (25) and (26).
r m = 1000 P T
V m = π D r m 1000
where rm denotes the rotational speed of the ground wheel, r/s; P represents the number of pulses generated by the Hall sensor of one rotation for the ground wheel; T refers to the period of the output pulse square wave, ms; Vm stands for the sowing operating speed, m/s; and D is the diameter of the ground wheel, 310 mm.
As shown in Figure 8, according to the relationship between the sowing operation speed and the working voltage of the electromagnetic vibration controller, the microcontroller, through the SPI communication protocol, is converted by the DAC conversion module from a digital signal to an analog voltage value of the electromagnetic vibration controller at a certain sowing operation speed, which is 1–5 V. The driving circuit is based on the development requirements of the electromagnetic vibration controller, the input 1–5 V analog voltage value linearly corresponds to the output voltage of 12–250 V of the electromagnetic vibration controller, and the output voltage range of this controller during suitable operation of the seed metering device is 80–160 V. The microcontroller is connected to the digital tube 74HC245N chip in the key-press display circuits to display the working voltage value of the electromagnetic vibration controller, the sowing operating speed, and the sowing agronomic mode. After the electronic control system is powered on and the program is initialized, the user needs to select the sowing agronomic mode and start this system in sequence. Afterward, the system detects and controls the working voltage of the electromagnetic vibrator in real-time by detecting the sowing operation speed of the ground wheel. When it is necessary to stop sowing, the tractor driver presses the key to stop its operation. The overall process of this system is shown in Figure 9.
The agronomic sowing amount of millet is generally 6–9 kg/hm2, and the electronic control device designed in this research can be set up in three sowing agronomic modes (6, 7.5 and 9 kg/hm2). The relationships between the sowing operation speed and the working voltage of the electromagnetic vibration controller in different sowing agronomic modes were obtained through experimental tests and theoretical calculations. The seeding amount of the seed metering device is related to factors such as the physical properties of the seeds, the shape and size of the seed guiding groove, the sliding speed of the seeds in the seed guiding groove, and the parameters of the electromagnetic vibrator [13,27]. To establish an accurate and practical relationship, a fitting relationship between the working voltage and the sowing amount was obtained by measuring the seeding amount of the seed metering device under the different working voltages of the electromagnetic vibration controller. The sowing amount q of the seeder within the working width is shown in Equation (27), and the R2 of this fitting relationship is 0.9882.
q = 0.0153 U 1.0101
where q represents the seeding amount of the seed metering device per unit time, g/s; U represents the working voltage of the electromagnetic vibration controller, V.
The agronomic sowing amount Qn of millet within the working width of the seeder is shown in Equation (28).
Q n = B V m ( 1 + λ ) Q
where Qn is the agronomic sowing amount of millet within the working width of the seeder per unit time, g/s; B is the working width of the seeder, 1.2 m (four rows, and row spacing of 0.3 m); Vm is the sowing operation speed of the seeder, m/s; λ is the slip coefficient of the tested ground wheel during the sowing test, 6.5%; Q is the agronomic sowing amount of millet, 0.6, 0.75, and 0.9 g/m2.
The relationships between the sowing operation speed and working voltage of the electromagnetic vibration controller under different sowing agronomic modes are obtained through Equations (27) and (28), as shown in Table 4.

2.5. Experimental Design and Methods

2.5.1. Performance Test of the Seed Metering Device

According to the testing method for grain seeders [30], the seeding performance of the seed metering device was tested using the coefficient of variation for seeding uniformity per row, for total seeding uniformity and seed damage rate as indicators. The high-quality millet variety Jingu 21 was selected as the measurement sample, with a moisture content of about 11.5% and a thousand-grain weight of 3.13 g. During the test, the seed metering device was placed on a horizontal workbench, and collection containers were placed under each seed outlet. Then, the electromagnetic vibration controller was set to operate at working voltages of 80, 120, and 160 V, respectively. The seeds discharged from each seed outlet were collected in a measurement time of 30 s, and weighed on a balance with an accuracy of 0.01 g. Simultaneously damaged seeds were selected and weighed to calculate the seed damage rate. The calculation of the coefficient of variation for seeding uniformity per row is shown in Equations (29)–(32).
X i = 1 N j = 1 N X i j
X 1 = 1 n i = 1 n X i
S 1 = 1 n 1 i = 1 n ( X i X 1 ) 2
Y 1 = S 1 X 1 × 100 %
where Xij denotes the seeding amount measured in the i-th row and the j-th measurement, g; N is the number of tests; Xi refers to the average seeding amount in the i-th row, g; X1 and S1 represent the average and standard deviation of the seeding amount of n rows, respectively, g; Y1 is the coefficient of variation for seeding uniformity per row, %.
The calculation of the coefficient of variation for total seeding uniformity is shown in Equations (33)–(36).
X j = i = 1 n X i j
X 2 = 1 N j = 1 N X j
S 2 = 1 N 1 j = 1 N ( X j X 2 ) 2
Y 2 = S 2 X 2 × 100 %
where Xij denotes the seeding amount measured in the i-th row and the j-th measurement, g; n is the number of rows, n = 4; Xj refers to the total seeding amount in the j-th measurement of n rows, g; N is the number of tests; X2 and S2 represent the average and standard deviation of the total seeding amount of N measurements, respectively, g; Y2 is the coefficient of variation for total seeding uniformity, %.

2.5.2. Simulation Test of the Field Vibration Effect on the Seeding Performance

The vertical vibration of the seeder is particularly significant in field operations and has a significant impact on the performance of the seed metering device. The vibration frequency of the seeder during stable operation is 0–30 Hz in the field after soil land preparation, and the vibration acceleration is not greater than 2 m/s2 [20]. To verify the applicability of the designed isolation spring, the simulation test of the field vibration was conducted based on the QZ-600Hz type electromagnetic vibration experimental bench, and this device produced by Qinzhuo Environmental Testing Equipment Co., Ltd.(Dongguan, Guangdong, CHN). The seeding amount of the seed metering device within 30 s was used as the evaluation index to analyze the influence of the isolation spring at different working voltages of the electromagnetic vibration controller and different excitation frequencies of the experimental bench. The seed metering device was fixedly connected to the experimental bench through the fixtures, and the isolation springs were suspended between the experimental bench and the seed guiding plate of the seed metering device. During the test, the experimental bench frequencies were set to 10, 20, and 30 Hz, respectively, and the vibration acceleration was set to 2 m/s2 by adjusting the controller of the experimental bench. Meanwhile, the high-speed camera (M230-16G, Revealer Co., Ltd, Hefei, CHN) and vibration meter (AC63A, Smart Sensor Group Co., Ltd, Shenzhen, CHN) were used to measure the vibration parameters in this test, as shown in Figure 10.

2.5.3. Sowing Performance Test of the Seeder

In order to further verify the performance of the seed metering device and its seeding amount electronic control device, the sowing tests were carried out in the experimental field, Taigu District, Shanxi Province, China. The average temperature during the local sowing period is 20.5 °C, and the rainfall is 0.4 mm. The experimental field was irrigated in advance and the sowing operation was carried out when the soil moisture content was about 15%. The soil type of the experimental field is sandy loam, with a soil solidity of 39.3 N/cm2. The slope of the experimental field is less than 2°. The experimental equipment is a four-row electromagnetic vibration type millet seeder equipped with a 504-type tractor, and the variety of millet sowed is “Jingu 21”. The field sowing test is shown in Figure 11.
Before the tests, the sowing depth and the sowing row spacing were adjusted to 3 cm and 30 cm, respectively. The experiments were conducted to verify the performance of seeders with isolation springs at different sowing agronomic modes of 6, 7.5 and 9.0 kg/hm2 and different sowing operation speeds of 2.50, 4.48, and 6.32 km/h. Within the stable operating area of the seeder, the mass of seeds per row collected by plastic bags within 30 s and the number of the seeds in each 100 mm distance were measured. The sowing performance of the seeder was evaluated by the coefficient of variation for seeding uniformity per row, the coefficient of variation for total seeding uniformity, the average number of seeds per 100 mm distance and the coefficient of variation for sowing uniformity, which were calculated using Equations (29)–(39).
W = 1 z u = 1 z W u
S 3 = 1 W 1 z 1 u = 1 z ( W u W ) 2
Y 3 = S 3 W × 100 %
where Wu denotes the number of seeds in the u-th section; z is the number of sections; W represents the average number of seeds in each section; S3 stands for the standard deviation of seed number; and Y3 refers to the coefficient of variation for sowing uniformity, %.

2.6. Data Analysis

Microsoft Office 2010, SAS 9.0 and Origin 2024 were used to statistically analyze the test results. Each test was repeated five times to obtain the average value.

3. Results

3.1. Performance Test Results and Analyses of the Seed Metering Device

The results of the seed metering device are shown in Table 5. When the working voltage of the electromagnetic vibration controller is 80–160 V, the seeding amount shows an increasing trend for the seed metering device with the increase in the working voltage, and the coefficients of variation for seeding uniformity per row and for total seeding uniformity are not greater than 3.57% and 2.39%, respectively. It was found that there was no damage to the seeds and the seed damage rate was less than 0.5% by sampling and observing the discharged seeds from this device, which meets the requirements of JB/T6274.1-2013 standard [30].
However, when the working voltage of the electromagnetic vibration controller is greater than 160 V, the seeding amount shows a decreasing trend, and the coefficients of variation for seeding uniformity per row and for total seeding uniformity are greater than 5.2% and 2.6%, respectively, which do not satisfy the requirements of the standard [30]. This is due to the increase in the working voltage of the electromagnetic vibration controller; the amplitude of the seed guiding plate increases, and at this time the seed appeared in the reverse slip phenomenon relative to the seed guiding plate, resulting in a decrease in the seeding amount of the seed metering device, which is consistent with the theoretical analyses, so the electromagnetic vibration controller working voltage of 80–160 V can satisfy the fine and small-amount sowing requirements for millet seeds.

3.2. Simulation Results and Analysis of the Field Vibration’s Influence on the Seeding Performance

The results of the field vibration’s influence on the performance of the seed metering device are shown in Table 6. Under the conditions of different working voltages and simulated vibration parameters of the experimental bench, the difference between the seeding amount of the seed metering device fitted with the isolation springs and those of the control group (without simulated vibration excitation) was not significant (p > 0.05), whereas the seeding amount not fitted with isolation springs was significantly reduced compared to the seeding amount of the control group (p < 0.05).
The comparison results of the vibration acceleration of the seed metering device under the working voltage of 80 V for the electromagnetic vibrator and simulated vibration frequency of 30 Hz are shown in Figure 12. As can be seen from Figure 12, under the simulated vibration excitation of the experimental bench, the electromagnetic vibrator itself vibrates superimposed with the simulated vibration, due to the difference in vibration phase, amplitude and frequency, which has a vibration reduction effect on the seed metering device. However, when the seed metering device is equipped with isolation springs, the vibration reduction degree of maximum vibration acceleration for the seed guiding plate is reduced by 10.61–28.20%, allowing the seed metering device to operate at an appropriate vibration acceleration.

3.3. Results and Analysis of the Sowing Performance Test

The results of the sowing performance test are shown in Table 7 and Table 8. From Table 7, it can be seen that, when the sowing agronomic mode is 6 kg/hm2 and the sowing operation speed is 2.50–6.32 km/h, regardless of whether the seeder is equipped with isolation springs, the coefficient of variation for seeding uniformity per row is less than 5.2%, which meets the standard requirements. However, the coefficient of variation for total seeding uniformity of the seeder without isolation springs is greater than 2.6%, which does not meet the standard requirements. The coefficient of variation for total seeding uniformity of the seeder with isolation springs is less than 2.6%, indicating that isolation springs play a certain role in improving the stability performance of this seeder. The same conclusions were obtained under other agronomic modes (7.5 kg/hm2 and 9 kg/hm2) when the sowing operation speeds were 2.50 and 4.48 km/h.
From Table 8, it can be seen that the average number of seeds within 100 mm without isolation springs is significantly reduced compared to the seeder with isolation springs under the three sowing agronomic modes and different operating speed conditions (except for the sowing operation speed of 6.32 km/h under the sowing agronomic mode of 9 kg/hm2), which is consistent with the results obtained from simulation experiments. The coefficient of variation for sowing uniformity with isolation springs is not greater than 23.38%, while it is not less than 26.41% when the seeder is not equipped with isolation springs for field operations.
To verify the improvement effect of installing isolation springs on the performance of the seeder, a variance analysis on the test data was conducted in this study under the sowing agronomic mode of 7.5 kg/hm2 and the sowing operation speed of 4.48 km/h. The results of the variance analysis are shown in Figure 13.
It can be observed that the coefficient of variation for total seeding uniformity and for sowing uniformity of the seeder equipped with isolation springs are significantly improved (p < 0.05). However, there is no significant difference in the coefficient of variation for seeding uniformity per row (p > 0.05). The results showed that the isolation springs have an effect on improving the sowing performance of this seeder.
However, when the sowing operation speed of the seeder reached 6.32 km/h, the average number of seeds within 100 mm was measured to be significantly reduced. From Table 7 and Table 8, it can be obtained that the coefficients of variation for seeding uniformity per row, for total seeding uniformity, and for sowing uniformity, were not less than 6.77%, 4.37% and 36.18% under the sowing agronomic modes of 7.5 and 9 kg/hm2. The reduction in sowing amount is accompanied by a reduction in these performance indices of the seeder, which does not meet the agronomic requirements of fine and small-amount sowing for millet. This is because the working voltage of the electromagnetic vibration controller has exceeded the suitable working voltage of 160 V, causing the seed metering device to be unable to operate within a reasonable range of vibration parameters, resulting in the seeds sliding in the opposite direction on the seed guiding plate and an unstable working state of the seeder. Therefore, the designed seeder should not operate too fast in the sowing agronomic modes of 7.5 and 9 kg/hm2.

4. Discussion

The key components of the electromagnetic vibration type fine and small-amount seeder are the electromagnetic vibration type seed metering device and the electronic control device for the seeding amount. The electromagnetic vibration type seed metering device is a new type of seeding apparatus, which has the advantages of fast and stable transportation for different small seeds, simple structure, and wide adaptability. At present, there are two main types of seed metering device for millet, mechanical and pneumatic seed metering devices [21]. The seed metering device designed in this study has a uniform and stable displacement, and the coefficient of variation for sowing uniformity is about 10% higher than that of the groove wheel type seed metering device [32]. Moreover, this device is less prone to seed jamming and damaging during the seeding process. The pneumatic seed metering device has strong adaptability to seed shape and size and can be used for precision sowing of the millet seed [5,7]. Although the seeding uniformity of the electromagnetic vibration type seed metering device is not as good as that of pneumatic seed metering device, this device has the characteristics of simple structure, low energy consumption, and low air tightness requirements for its seeding process. At the same time, the quality requirements for the millet seeds are not high. In summary, this device matched with the electronic control device for seeding amount can accurately control the sowing amount for the millet, avoiding the problem of uneven seed sowing caused by the slippage of the mechanical transmission system. It is undoubtedly a seed metering device suitable for the millet agronomic requirements of fine and small-amount sowing.
However, the seeder designed in this study also has limitations in use, such as the complexity of field conditions, which may result in reducing its sowing performance. On the one hand, the seeder itself is a vibration source, and the field conditions can also cause vibration in the seeder. These two vibration sources interact with each other, which can easily lead to a decrease in the performance of the seeder. Therefore, the isolation springs between the seeder body and the seed metering device in this study were designed, and simulation and field experiment results showed that the seeder equipped with the isolation springs significantly improved its seeding performance indicators. On the other hand, this millet seeder equipped with an electromagnetic vibration type seed metering device is susceptible to the influence of field slope. The millet seeder designed in this study is mainly aimed at flat areas for millet sowing, and the slope of the millet sowing field is generally within 5°. At this time, the sowing operation is relatively stable and safe, and the impact on the uniformity of seed distribution is relatively small. In this study, the experiments were conducted only on the flat ground. After testing, it was found that the slope of the sowing test field was not greater than 2° using the 5-point measurement method. When the seeder and the tractor were connected for operation, the height adjustment method was used, the hydraulic device of the tractor was in the floating position, and the inclination angle of the seeder is less than 2°. It was found that the changes in various performance indicators of the seeder are not significant within a small inclination angle. The reason for this is that the vibration force of the seed metering device has a much greater effect on the transportation of seeds than the force of gravity acting on the seeds. For hilly and mountainous areas with a relatively unstable field, the inclination angle of the seeder during stable operation will be greater than 2°. In the future, the research team will comprehensively consider the safety and stability of the seeder and the impact of the seeder inclination angle on the uniformity of seed distribution to optimize the seeder’s parameters.

5. Conclusions

According to the physical characteristics of the millet seed and its sowing agronomic requirements, a fine and small-amount seeder, with electromagnetic vibration type seed metering device and electronic control device for seeding amount as the core components, was developed, performance tests of those devices were carried out, and the following conclusions were obtained.
(1)
In the electromagnetic vibrator working voltage of 80–160 V, the coefficient of variation for seeding uniformity per row and for total seeding uniformity are not greater than 3.57% and 2.39%, respectively, and there was no damage to the seeds of the seed metering device, which meets the standard requirements.
(2)
The maximum vibration acceleration can be increased by 10.61–28.20% when the isolation springs were assembled compared with the seed metering device without isolation springs, which can significantly reduce the influence of external vibration on the seeding amount.
(3)
The designed electromagnetic vibration type fine and small-amount seeder can achieve the functions of furrow opening, electronically controlled seed metering, soil covering and pressing. The sowing agronomic modes of 6, 7.5 and 9 kg/hm2 can be switched by the seeding amount electronic control device. At suitable sowing operation speeds for different sowing agronomic modes, the coefficient of variation for seeding uniformity per row, for total seeding uniformity and for sowing uniformity are not greater than 4.63%, 2.48% and 23.38%, respectively, which meets the agronomic requirements for sowing millet in small quantities.

Author Contributions

Conceptualization, Y.Z. and Q.C.; methodology, Y.Z., Y.H. and Q.C.; software, Y.T., D.H. and D.S.; data curation, J.S., L.H. and J.L.; investigation, Z.Z., H.L. and S.Y.; writing—original draft, Y.Z.; writing—review and editing, Y.Z.; funding acquisition, Y.Z., Q.C. and S.Y. All authors have read and agreed to the published version of the manuscript.

Funding

This research was funded by the Fundamental Research Program of Shanxi Province, China, grant number 20210302124250, the Science and Technology Innovation Fund Project of Shanxi Agricultural University, China, grant number 2020BQ11, Central Guided Local Science and Technology Development Fund Project, China, grant number YDZJSX20231C008, and the Fundamental Research Program of Shanxi Province, China, grant number 202203021212417.

Institutional Review Board Statement

Not applicable.

Data Availability Statement

Available upon request from the corresponding author. The data are not publicly available due to copyright implications.

Acknowledgments

The authors would like to appreciate the technical editor and anonymous reviewers for their constructive comments and suggestions for this study.

Conflicts of Interest

The authors declare no conflicts of interest.

References

  1. Jia, J.; Diao, X. Current status and perspectives of innovation studies related to foxtail millet seed industry in China. Sci. Agric. Sin. 2022, 55, 653–665. [Google Scholar]
  2. Li, S.; Liu, F.; Liu, M.; Cheng, R.; Xia, E.; Diao, X. Current status and future prospective of foxtail millet production and seed industry in China. Sci. Agric. Sin. 2021, 54, 459–470. [Google Scholar]
  3. Jiao, H.; Wu, H.; Li, X.; Yang, Z.; Liu, H. Combining agricultural machinery with agronomy to improve the mechanization level of millet. J. Hebei Agric. Sci. 2020, 24, 31–33. [Google Scholar]
  4. Zhang, Y.; Cui, Q.; Wang, F.; Hou, H.; Hu, X. Design and test of fluid and small-amount seed metering device for foxtail millet. Trans. Chin. Soc. Agric. Eng. 2017, 33, 20–27. [Google Scholar]
  5. Yi, S.; Chen, T.; Li, Y.; Tao, G.; Mao, X. Design and test of millet hill drop seed-metering device with combination of positive negative pressure and hole wheel. Trans. Chin. Agric. Mach. 2021, 52, 83–94. [Google Scholar]
  6. Sun, D.; Cui, Q.; Zhang, Y.; Hou, H. Performance test of the 2BDE-2 type millet fine and small-amount electric seeder. INMATEH-Agric. Eng. 2020, 60, 129–136. [Google Scholar] [CrossRef]
  7. Cui, Q.; Hou, H.; Zheng, D.; Wu, Z. Design and test of tilt dise-type fine and small-amount seed metering device for foxtail millet. Trans. Chin. Soc. Agric. Eng. 2016, 32, 17–23. [Google Scholar]
  8. Chen, Y.; Lu, K.; Zhang, C.; Li, H. Research on parameters of electromagnetic vibration feeder based on EDEM. J. Mech. Electr. Eng. 2021, 38, 960–967. [Google Scholar]
  9. Tardos, G.I.; Lu, Q. Precision dosing of powders by vibratory and screw feeders: An experimental study. Adv. Power Technol. 1996, 7, 51–58. [Google Scholar] [CrossRef]
  10. Peng, M.; LlU, Y.; Zhao, X.; Liu, C.; Liu, S.; Fu, Z. Quantitative feeding characteristics of granular materials in electromagnetic vibration feeder. Chem. Ind. Eng. Prog. 2019, 38, 2142–2149. [Google Scholar]
  11. Hui, Y.; Huang, C.; Liao, Y.; Wang, D.; You, Y.; Bai, X. The medium-blocking discharge vibration-uniform material plasma seed treatment device based on EDEM. Agronomy 2023, 13, 2055. [Google Scholar] [CrossRef]
  12. Zhou, H.; Liang, Q.; Wei, T.; Ma, X.; Jiao, C. Design and experiment of quantitative seed supply device with fluted roller used for double-vibrating precision seed meter. Trans. Chin. Agric. Mach. 2016, 47, 57–61. [Google Scholar]
  13. Zhu, C.; Liu, C.; Li, F.; Jia, X.; Cao, M.; Wang, Y. Simulation and experiment of piezoelectric vibration superrice precision seeding and unifying device. Trans. Chin. Agric. Mach. 2023, 54, 27–36. [Google Scholar]
  14. Xing, J.; Xu, L.; Shi, L.; Liu, W.; Gao, Z. Analysis of movement characteristics of single corn seed under circular electromagnetic vibration. Trans. Chin. Soc. Agric. Eng. 2016, 32, 21–28. [Google Scholar]
  15. Xing, J.; Xu, L.; Liu, X.; Chen, J.; Yuan, Q.; Wang, R. Simulation and test of corn seeds’ dispersion and arraying transport in electromagnetic vibration hopper. Trans. Chin. Soc. Agric. Eng. 2017, 33, 32–39. [Google Scholar]
  16. Quan, L.; Xi, D.; Xiao, Y.; Wang, J.; Zhang, M.; Wang, H.; Zhang, T. Parameters optimization and experiment of oriented alignment system for maize seed group based on electromagnetic vibration. Trans. Chin. Soc. Agric. Eng. 2017, 33, 59–66. [Google Scholar]
  17. Sun, D.; Cui, Q.; Zhang, Y.; Hou, H.; Liu, K. Design and test of electromagnetic linear vibration millet essence small amount seeding device. Agric. Eng. 2019, 9, 77–82. [Google Scholar]
  18. Yang, J.; Yang, W.; Wang, G.; Li, J. Optimization experiments on electromagnetic vibrated seeder of rice bud-seed for field seedling raising. Trans. Chin. Soc. Agric. Eng. 2012, 28, 32–38. [Google Scholar]
  19. Zhang, L.; Liu, Y.; Wu, M.; Wu, Z. Sowing Performance of the seeder drill for the 2BYG-220 type combined rapeseed planter under vibration conditions. Appl. Sci. 2024, 14, 5091. [Google Scholar] [CrossRef]
  20. Wang, Q.; Han, D.; Xu, Y.; Huang, Y.; Tang, C.; Li, W. Experimental study on the seeding performance of the spoonwheel maize seed-metering device under vibration conditions. INMATEH-Agric. Eng. 2024, 72, 324–338. [Google Scholar] [CrossRef]
  21. Li, B. Agricultural Mechanics; China Agriculture Press: Beijing, China, 2020; pp. 60–112. ISBN 978-7-109-23840-4. [Google Scholar]
  22. Liao, Q.; Wu, C.; Zhang, Q.; Wang, B.; Du, W.; Wang, L. Design and experiment of speed-dependent seeding control system of rapeseed precision combined seeding machine. Trans. Chin. Agric. Mach. 2022, 53, 49–58. [Google Scholar]
  23. Gay, A.; Kocabiyik, H.; May, S. Development of an electro-mechanic control system for seed-metering unit of single seed corn planters Part I: Design and laboratory simulation. Comput. Electron. Agric. 2018, 144, 71–79. [Google Scholar]
  24. Gay, A.; Kocabiyik, H.; May, S. Development of an electro-mechanic control system for seed-metering unit of single seed corn planters Part II: Field performance. Comput. Electron. Agric. 2018, 145, 11–17. [Google Scholar]
  25. Xu, Q.; Li, H.; He, J.; Wang, Q.; Lu, C.; Wang, C. Design and experiment of the self-propelled agricultural mobile platform for wheat seeding. Trans. Chin. Soc. Agric. Eng. 2021, 37, 1–11. [Google Scholar]
  26. Gu, P. Research on feeding speed of electromagnetic vibration feeder. J. Mech. Electr. Eng. 2012, 29, 790–794. [Google Scholar]
  27. Cheng, Y.; Teng, Y. Analyze on material conveying speed of vibratory bowl feeder and its influencing factors. Modular Mach. Tool Automat. Manuf. Tech. 2016, 11, 9–16. [Google Scholar]
  28. JB/T6274.1-2013; Grain Drill-Part 1: Specifications. Ministry of Industry and Information Technology of the People’s Republic of China: Beijing, China, 2018.
  29. Yang, Z.; Guo, Y.; Cui, Q.; Li, H. Test and influence factors analysis of friction characteristics of millet. Trans. Chin. Soc. Agric. Eng. 2016, 32, 258–264. [Google Scholar]
  30. Yang, F.; Li, J. Structural Mechanics: Volume 2; Higher Education Press: Beijing, China, 1983; pp. 192–200. ISBN 7-04-000452-6. [Google Scholar]
  31. Li, Y.; Liu, Y. Design and calculation of isolation spring for electromagnetic vibration feeder. Mech. Eng. 2016, 7, 192–193. [Google Scholar]
  32. Zhang, D.; Guo, Y.; Zheng, D.; Cui, Q. Design of the 2BX-10 hill-drop drill for small grains. J. Shanxi Agric. Univ. 2010, 30, 459–463. [Google Scholar]
Figure 1. Structure of electromagnetic vibration type fine and small-amount seeder. Note: 1. Speed-measuring ground wheel, 2. Frame, 3. Seeding amount electronic control system, 4. Isolation spring, 5. Electromagnetic vibration type seed metering device, 6. Suspension device, 7. Seed spout, 8. Sowing unit, 9. Parallel four-bar profiling mechanism, 10. Double disc furrow opener, 11. Press wheel, 12. Disc soil covering device.
Figure 1. Structure of electromagnetic vibration type fine and small-amount seeder. Note: 1. Speed-measuring ground wheel, 2. Frame, 3. Seeding amount electronic control system, 4. Isolation spring, 5. Electromagnetic vibration type seed metering device, 6. Suspension device, 7. Seed spout, 8. Sowing unit, 9. Parallel four-bar profiling mechanism, 10. Double disc furrow opener, 11. Press wheel, 12. Disc soil covering device.
Agriculture 14 01528 g001
Figure 2. Structure of electromagnetic vibration type seed metering device. Note: 1. Seed box, 2. Slow seed groove, 3. Seed guiding plate, 4. The base, 5. Electromagnetic vibrator, 6. Seed outlet, 7. Seed shield, 8. Seed box bracket, 9. Seed guiding groove.
Figure 2. Structure of electromagnetic vibration type seed metering device. Note: 1. Seed box, 2. Slow seed groove, 3. Seed guiding plate, 4. The base, 5. Electromagnetic vibrator, 6. Seed outlet, 7. Seed shield, 8. Seed box bracket, 9. Seed guiding groove.
Agriculture 14 01528 g002aAgriculture 14 01528 g002b
Figure 3. Structure of the electromagnetic vibrator. Note: 1. Vibrator base, 2. Left plate spring group, 3. Vibration feeding table, 4. Electromagnet, 5. Armature, 6. Right plate spring group, 7. Vibrator side plate.
Figure 3. Structure of the electromagnetic vibrator. Note: 1. Vibrator base, 2. Left plate spring group, 3. Vibration feeding table, 4. Electromagnet, 5. Armature, 6. Right plate spring group, 7. Vibrator side plate.
Agriculture 14 01528 g003
Figure 4. Rigid frame model.
Figure 4. Rigid frame model.
Agriculture 14 01528 g004
Figure 5. Schematic diagram of the plate spring group.
Figure 5. Schematic diagram of the plate spring group.
Agriculture 14 01528 g005
Figure 6. Analysis diagram of seed force.
Figure 6. Analysis diagram of seed force.
Agriculture 14 01528 g006
Figure 7. Diagram of isolation spring distribution. Note: 1. The left isolation spring, 2. Electromagnetic vibrator, 3. Seed guiding plate and the vibration feeding table, 4. The right isolation spring.
Figure 7. Diagram of isolation spring distribution. Note: 1. The left isolation spring, 2. Electromagnetic vibrator, 3. Seed guiding plate and the vibration feeding table, 4. The right isolation spring.
Agriculture 14 01528 g007
Figure 8. Structural block diagram of the electronic control system.
Figure 8. Structural block diagram of the electronic control system.
Agriculture 14 01528 g008
Figure 9. Flow chart of the electronic control system.
Figure 9. Flow chart of the electronic control system.
Agriculture 14 01528 g009
Figure 10. Simulation test of the field vibration effect on the seeding performance. Note: 1. Fixture, 2. Isolation spring, 3. Collection container, 4. Seed metering device, 5. Electromagnetic vibration experimental bench, 6. Electromagnetic vibration controller, 7. High-speed camera.
Figure 10. Simulation test of the field vibration effect on the seeding performance. Note: 1. Fixture, 2. Isolation spring, 3. Collection container, 4. Seed metering device, 5. Electromagnetic vibration experimental bench, 6. Electromagnetic vibration controller, 7. High-speed camera.
Agriculture 14 01528 g010
Figure 11. Sowing performance test.
Figure 11. Sowing performance test.
Agriculture 14 01528 g011
Figure 12. Comparison diagram of vibration acceleration of the seed metering device.
Figure 12. Comparison diagram of vibration acceleration of the seed metering device.
Agriculture 14 01528 g012
Figure 13. Variance analysis of the seeder performance (the sowing agronomic mode of 7.5 kg/hm2, and the sowing operation speed of 4.48 km/h). Note: Different letters A and B represent that the difference in the value is significant at the 0.05 level.
Figure 13. Variance analysis of the seeder performance (the sowing agronomic mode of 7.5 kg/hm2, and the sowing operation speed of 4.48 km/h). Note: Different letters A and B represent that the difference in the value is significant at the 0.05 level.
Agriculture 14 01528 g013
Table 1. The main parameters of the seeder.
Table 1. The main parameters of the seeder.
ItemValue
Tractor power (kW) 36
Overall size (L × W × H mm)1500 × 1200 × 1500
Sowing operation speed (km/h)/
Sowing agronomic mode (kg/hm2)
1.00–6.75/6
0.80–5.40/7.5
0.67–4.50/9
Number of rows4
Operating width (mm)1200
Row spacing (mm)200–300
Sowing depth (mm)30–80
Table 2. The main parameters of the ZXC-140# type electromagnetic vibrator.
Table 2. The main parameters of the ZXC-140# type electromagnetic vibrator.
ItemValue
Overall size (L × W × H mm)140 × 70 × 100
Power (W)20
Bearing capacity (kg)2–4
Amplitude (mm)0–1
Maximum conveying distance (mm)350
Working voltage (V)≤250
Maximum output current (A)5
Input frequency (HZ)50, 60
Mechanical index2–5
Throwing index1–3.3
Vibration direction angle (°)20
Excitation methodHalf-wave rectification
Table 3. The main parameters of the isolation spring.
Table 3. The main parameters of the isolation spring.
ItemValue
Steel wire diameter (mm)1.2
Outer diameter, middle diameter, and inner diameter of the spring (mm)9.7, 8.5 and 7.3
Winding ratio7.08
Spring pitch (mm)1.2
Random length, Working length, and deployment length (mm)95, 30 and 1350
Number of active coils (mm)50
Helix angle (°)2.58
Mass (g)19.3
Table 4. The relationships between the sowing operation speed and working voltage.
Table 4. The relationships between the sowing operation speed and working voltage.
Sowing Agronomic Modes (kg/hm2)RelationshipSowing Operation Speed (km/h)
6 U = 50.12 V m + 66.02 1.00–6.75
7.5 U = 62.65 V m + 66.02 0.80–5.40
9 U = 75.18 V m + 66.02 0.67–4.50
Table 5. Results of the performance of the seed metering device.
Table 5. Results of the performance of the seed metering device.
The Working Voltage of the Electromagnetic Vibration Controller (V)Seeding Uniformity per RowTotal Seeding Uniformity
X1 (g)S1 (g)Y1 (%)X2 (g)S2 (g)Y2 (%)
801.630.0583.57%6.510.162.39%
1206.210.172.76%24.840.491.97%
16010.580.323.03%42.320.521.23%
1658.850.394.38%35.381.042.95%
1708.110.506.12%32.431.153.53%
1757.270.516.96%29.071.434.93%
Table 6. Results of the field vibration’s influence on the seeding performance.
Table 6. Results of the field vibration’s influence on the seeding performance.
The Working Voltage of the Electromagnetic Vibration Controller (V)Simulated Vibration Frequency (Hz)Seeding Amount (g)Maximum Vibration Acceleration (m/s2)Reduction Degree
Control GroupWith Isolation SpringWithout Isolation SpringControl GroupWith Isolation SpringWithout Isolation Spring
80106.49 A6.45 A4.71 B7.467.927.0810.61%
206.62 A4.47 B7.846.3319.26%
306.46 A4.32 B7.515.9321.04%
1201025.59 A25.50 A16.99 B13.5013.2311.7611.11%
2024.79 A16.49 B13.0010.8416.62%
3025.82 A15.82 B13.8411.0720.01%
1601042.68 A42.41 A36.48 B78.4675.0057.3123.59%
2042.22 A36.95 B82.7059.3828.20%
3042.60 A35.42 B83.8662.7725.15%
Note: Different letters A and B represent that the difference in the value is significant at the 0.05 level, and the same below.
Table 7. Results of the coefficient of variation for seeding uniformity per row and for total seeding uniformity.
Table 7. Results of the coefficient of variation for seeding uniformity per row and for total seeding uniformity.
Sowing Agronomic Mode (kg/hm2)Sowing Operation Speed (km/h)Y1Y2
With Isolation SpringWithout Isolation SpringWith Isolation SpringWithout Isolation Spring
62.504.21%4.96%1.62%3.28%
4.483.90%5.10%1.86%3.70%
6.324.63%4.62%2.48%3.27%
7.5 2.503.97%4.64%1.60%2.00%
4.483.98%4.66%1.89%3.30%
6.326.77%7.02%4.37%4.98%
92.502.49%3.94%1.38%2.96%
4.484.27%4.84%2.26%3.17%
6.327.00%8.49%4.96%5.74%
Table 8. Results of the coefficient of variation for sowing uniformity.
Table 8. Results of the coefficient of variation for sowing uniformity.
Sowing Agronomic Mode (kg/hm2)Sowing Operation Speed (km/h)Wu ± S3Y3
With Isolation SpringWithout Isolation SpringWith Isolation SpringWithout Isolation Spring
6 2.506.16 ± 1.19 A4.10 ± 1.19 B19.36%29.25%
4.486.29 ± 1.21 A4.33 ± 1.24 B19.30%28.55%
6.326.25 ± 1.32 A4.27 ± 1.27 B21.11%29.68%
7.5 2.507.45 ± 1.48 A5.42 ± 1.51 B19.85%27.89%
4.487.48 ± 1.46 A5.51 ± 1.47 B19.50%26.76%
6.324.39 ± 1.59 A3.59 ± 1.61 B36.18%44.90%
92.509.08 ± 1.94 A7.57 ± 2.00 B21.38%26.41%
4.489.21 ± 2.15 A7.70 ± 2.23 B23.38%28.97%
6.323.26 ± 1.37 A2.71 ± 1.42 A41.90%52.58%
Note: Different letters A and B represent that the difference in the value is significant at the 0.05 level.
Disclaimer/Publisher’s Note: The statements, opinions and data contained in all publications are solely those of the individual author(s) and contributor(s) and not of MDPI and/or the editor(s). MDPI and/or the editor(s) disclaim responsibility for any injury to people or property resulting from any ideas, methods, instructions or products referred to in the content.

Share and Cite

MDPI and ACS Style

Zhang, Y.; Tang, Y.; He, D.; Shi, J.; Hao, L.; Li, J.; Sun, D.; Li, H.; Zhang, Z.; Ye, S.; et al. Design and Test of Electromagnetic Vibration Type Fine and Small-Amount Seeder for Millet. Agriculture 2024, 14, 1528. https://doi.org/10.3390/agriculture14091528

AMA Style

Zhang Y, Tang Y, He D, Shi J, Hao L, Li J, Sun D, Li H, Zhang Z, Ye S, et al. Design and Test of Electromagnetic Vibration Type Fine and Small-Amount Seeder for Millet. Agriculture. 2024; 14(9):1528. https://doi.org/10.3390/agriculture14091528

Chicago/Turabian Style

Zhang, Yanqing, Yaocheng Tang, Ding He, Jie Shi, Lirong Hao, Jiabao Li, Deng Sun, Hongbo Li, Zhiyong Zhang, Shaobo Ye, and et al. 2024. "Design and Test of Electromagnetic Vibration Type Fine and Small-Amount Seeder for Millet" Agriculture 14, no. 9: 1528. https://doi.org/10.3390/agriculture14091528

APA Style

Zhang, Y., Tang, Y., He, D., Shi, J., Hao, L., Li, J., Sun, D., Li, H., Zhang, Z., Ye, S., He, Y., & Cui, Q. (2024). Design and Test of Electromagnetic Vibration Type Fine and Small-Amount Seeder for Millet. Agriculture, 14(9), 1528. https://doi.org/10.3390/agriculture14091528

Note that from the first issue of 2016, this journal uses article numbers instead of page numbers. See further details here.

Article Metrics

Back to TopTop