Analysis and Experimentation on the Motion Characteristics of a Dragon Fruit Picking Robot Manipulator
Abstract
1. Introduction
2. Dragon Fruit Picking Robot Structure Composition and Working Principles
2.1. Agronomic Characteristics of Dragon Fruit Cultivation
2.2. Structure Composition
2.3. Working Principles
3. Design of the Dragon Fruit Picking Manipulator
3.1. Structural Design of the Manipulator
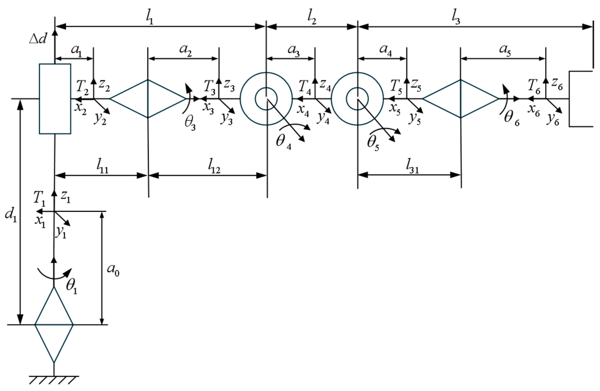
3.2. Dimensional Parameter Design of the Manipulator
4. Kinematic and Dynamic Modeling of the Dragon Fruit Picking Manipulator
4.1. Kinematic Modeling Based on Screw Theory
4.2. Dynamical Modeling Based on Screw Theory
4.2.1. Establishment of the Kane Dynamics Equation Based on Screw Theory
4.2.2. Calculation of Partial Velocity Screw
4.2.3. Calculation of Generalized Active Forces and Generalized Inertial Forces
5. Performance Test of the Manipulator
5.1. Establishment of Experimental Platform
5.2. Performance Testing Plan for the Dragon Fruit Picking Manipulator
5.2.1. Workspace Simulation of the Manipulator
5.2.2. Performance-Testing Plan for the Manipulator
5.2.3. Robotic Manipulator Picking Test Plan
6. Results and Discussion
6.1. Workspace Simulation Analysis of the Manipulator
6.2. Test Results and Analysis of the Manipulator Joint Speed
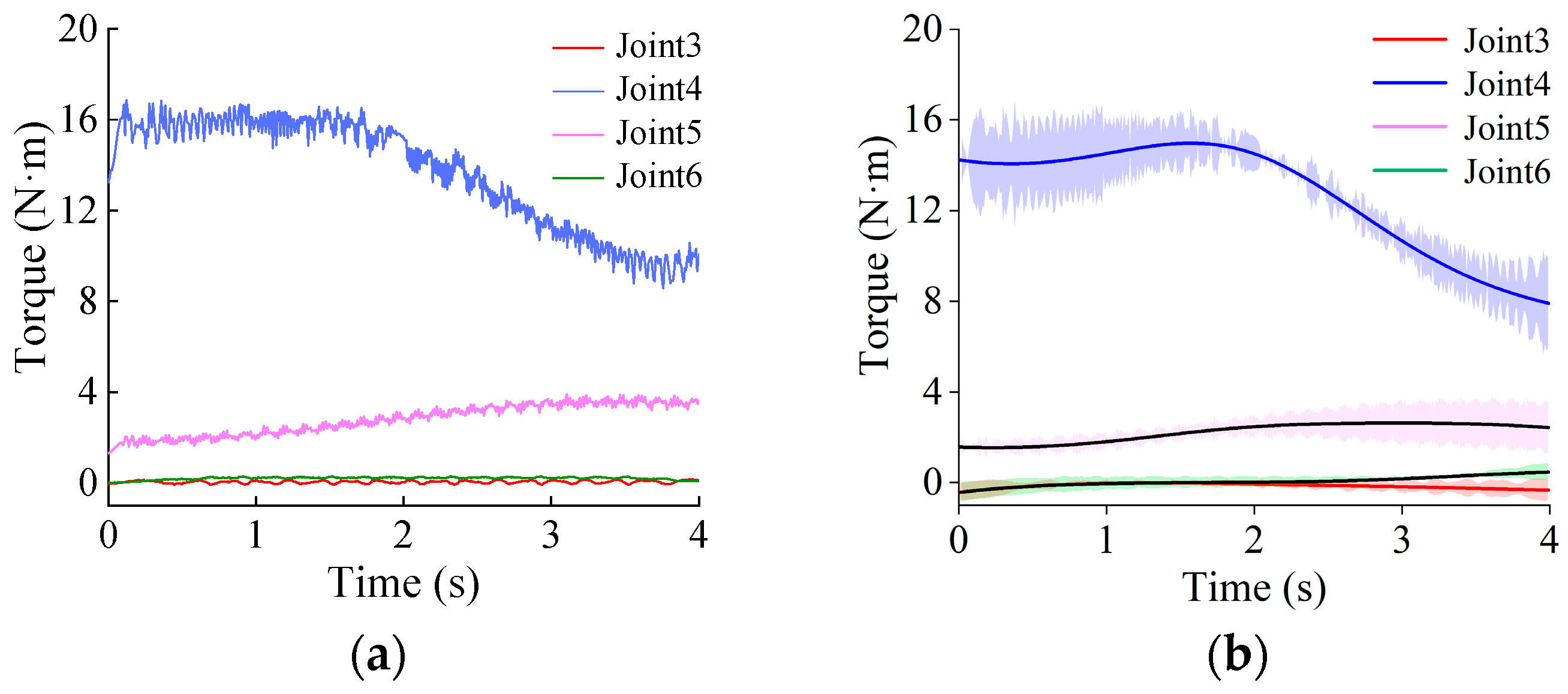
6.3. Test Results and Analysis of the Manipulator Joint Torque
6.4. Dragon Fruit Picking Manipulator Dynamics Numerical Simulation Validation
6.5. Field Testing of the Dragon Fruit Picking Robot
7. Conclusions and Future Work
Author Contributions
Funding
Institutional Review Board Statement
Data Availability Statement
Acknowledgments
Conflicts of Interest
References
- Shah, K.; Jiayi, C.; Chen, J.; Yonghua, Q. Pitaya Nutrition, Biology, and Biotechnology: A Review. Int. J. Mol. Sci. 2023, 24, 13986. [Google Scholar] [CrossRef] [PubMed]
- Attar, H.; Gundesli, M.; Urün, I.; Kafkas, S.; Kafkas, E.; Ge, C.; Mlcek, J.; Adamkova, A. Nutritional Analysis of Red-Purple and White-Fleshed Pitaya (Hylocereus) Species. Molecules 2022, 27, 808. [Google Scholar] [CrossRef] [PubMed]
- Taharuddin, N.H.; Jumaidin, R.; Mansor, M.R.; Hazrati, K.Z.; Tarique, J.; Asyraf, M.R.M.; Razman, M.R. Unlocking the Potential of Lignocellulosic Biomass Dragon Fruit (Hylocereus polyrhizus) in Bioplastics, Biocomposites and Various Commercial Applications. Polymers 2023, 15, 2654. [Google Scholar] [CrossRef]
- He, Z.; Ma, L.; Wang, Y.; Wei, Y.; Ding, X.; Li, K.; Cui, Y. Double-Arm Cooperation and Implementing for Harvesting Kiwifruit. Agriculture 2022, 12, 1763. [Google Scholar] [CrossRef]
- Kaleem, A.; Hussain, S.; Aqib Mehmood, M.; Cheema, M.J.; Saleem, S.; Farooq, U. Development Challenges of Fruit-Harvesting Robotic Arms: A Critical Review. AgriEngineering 2023, 5, 2216–2237. [Google Scholar] [CrossRef]
- Xiong, Y.; Peng, C.; Grimstad, L.; From, P.J.; Isler, V. Development and field evaluation of a strawberry harvesting robot with a cable-driven gripper. Comput. Electron. Agric. 2019, 157, 392–402. [Google Scholar] [CrossRef]
- Jun, J.; Kim, J.; Seol, J.; Kim, J.; Son, H. Towards an Efficient Tomato Harvesting Robot: 3D Perception, Manipulation, and End-Effector. IEEE Access 2021, 9, 17631–17640. [Google Scholar] [CrossRef]
- Bu, L.; Chen, C.; Hu, G.; Sugirbay, A.; Sun, H.; Chen, J. Design and evaluation of a robotic apple harvester using optimized picking patterns. Comput. Electron. Agric. 2022, 198, 107092. [Google Scholar] [CrossRef]
- Li, Z.; Yuan, X.; Wang, C. A review on structural development and recognition–localization methods for end-effector of fruit–vegetable picking robots. Int. J. Adv. Robot. Syst. 2022, 19, 802744074. [Google Scholar] [CrossRef]
- Yu, Y.; Zhang, K.; Liu, H.; Yang, L.; Zhang, D. Real-Time Visual Localization of the Picking Points for a Ridge-Planting Strawberry Harvesting Robot. IEEE Access 2020, 8, 116556–116568. [Google Scholar] [CrossRef]
- Gao, J.; Zhang, F.; Zhang, J.; Guo, H.; Gao, J. Picking patterns evaluation for cherry tomato robotic harvesting end-effector design. Biosyst. Eng. 2024, 239, 1–12. [Google Scholar] [CrossRef]
- Ji, W.; He, G.; Xu, B.; Zhang, H.; Yu, X. A New Picking Pattern of a Flexible Three-Fingered End-Effector for Apple Harvesting Robot. Agriculture 2024, 14, 102. [Google Scholar] [CrossRef]
- Xu, H.; Yu, G.; Niu, C.; Zhao, X.; Wang, Y.; Chen, Y. Design and Experiment of an Underactuated Broccoli-Picking Manipulator. Agriculture 2023, 13, 848. [Google Scholar] [CrossRef]
- Gallardo-Alvarado, J.; Garcia-Murillo, M.A.; Alcaraz-Caracheo, L.A.; Torres, F.J.; Sandoval-Castro, X.Y. Forward Kinematics and Singularity Analyses of an Uncoupled Parallel Manipulator by Algebraic Screw Theory. IEEE Access 2022, 10, 4513–4522. [Google Scholar] [CrossRef]
- Zhang, B.; Chen, X.; Zhang, H.; Shen, C.; Fu, W. Design and Performance Test of a Jujube Pruning Manipulator. Agriculture 2022, 12, 552. [Google Scholar] [CrossRef]
- Yang, S.; Ji, J.; Cai, H.; Chen, H. Modeling and Force Analysis of a Harvesting Robot for Button Mushrooms. IEEE Access 2022, 10, 78519–78526. [Google Scholar] [CrossRef]
- Zhang, K.; Lammers, K.; Chu, P.; Li, Z.; Lu, R. System design and control of an apple harvesting robot. Mechatronics 2021, 79, 102644. [Google Scholar] [CrossRef]
- Hu, G.; Chen, C.; Chen, J.; Sun, L.; Sugirbay, A.; Chen, Y.; Jin, H.; Zhang, S.; Bu, L. Simplified 4-DOF manipulator for rapid robotic apple harvesting. Comput. Electron. Agric. 2022, 199, 107177. [Google Scholar] [CrossRef]
- Zhang, Y.; Zhang, K.; Yang, L.; Zhang, D.; Cui, T.; Yu, Y.; Liu, H. Design and simulation experiment of ridge planting strawberry picking manipulator. Comput. Electron. Agric. 2023, 208, 107690. [Google Scholar] [CrossRef]
- Yang, X.; Wu, L.; Li, J.; Chen, K. A minimal kinematic model for serial robot calibration using POE formula. Robot. Comput.-Integr. Manuf. 2014, 30, 326–334. [Google Scholar] [CrossRef]
- Ge, D. Kinematics modeling of redundant manipulator based on screw theory and Newton-Raphson method. J. Phys. Conf. Ser. 2022, 2246, 12068. [Google Scholar] [CrossRef]
- Zhang, Y.; Xiao, A.; Wu, A.; Yue, H.; Du, X. Parameter Calibration on Replacement Manipulator for UHV Valve-Side Bushing Based on Spinor Theory. Math. Probl. Eng. 2021, 2021, 3281606. [Google Scholar] [CrossRef]
- Chen, Q.; Zhu, S.; Zhang, X. Improved Inverse Kinematics Algorithm Using Screw Theory for a Six-DOF Robot Manipulator. Int. J. Adv. Robot. Syst. 2015, 12, 140. [Google Scholar] [CrossRef]
- Zhao, J.; Sun, H.; Li, H.; Zhao, D. Screw Dynamics of a Multibody System by a Schoenflies Manipulator. Appl. Sci. 2023, 13, 9732. [Google Scholar] [CrossRef]
- Talaeizadeh, A.; Forootan, M.; Zabihi, M.; Nejat Pishkenari, H. Comparison of Kane’s and Lagrange’s Methods in Analysis of Constrained Dynamical Systems. Robotica 2020, 38, 2138–2150. [Google Scholar] [CrossRef]
- Wu, J.; Zhang, B.; Wang, L.; Yu, G. An iterative learning method for realizing accurate dynamic feedforward control of an industrial hybrid robot. Sci. China Technol. Sci. 2021, 64, 1177–1188. [Google Scholar] [CrossRef]
- Xiao, Y.; Sun, J.; Chen, T.; Fan, X. Analysis and optimization for the counter-balancing method of heavy-load palletizing manipulators. In Proceedings of the 2013 International Conference on Advanced Mechatronic Systems, Luoyang, China, 25–27 September 2013. [Google Scholar]
- Zhao, X.; Cao, G.; Zhang, P.; Ma, Z.; Zhao, L.; Chen, J. Dynamic Analysis and Lightweight Design of 3-DOF Apple Picking Manipulator. Trans. Chin. Soc. Agric. Mach. 2023, 54, 88–98. [Google Scholar] [CrossRef]
- Asadi, F.; Sadati, S.H. Full Dynamic Modeling of the General Stewart Platform Manipulator via Kane’s Method. Iran. J. Sci. Technol. Trans. Mech. Eng. 2018, 42, 161–168. [Google Scholar] [CrossRef]
- Li, K.; Zhang, Y.; Hu, Q. Dynamic modelling and control of a Tendon-Actuated Lightweight Space Manipulator. Aerosp. Sci. Technol. 2019, 84, 1150–1163. [Google Scholar] [CrossRef]
- Cibicik, A.; Egeland, O. Dynamic modelling and force analysis of a knuckle boom crane using screw theory. Mech. Mach. Theory 2019, 133, 179–194. [Google Scholar] [CrossRef]
- Zhao, G.; Jiang, D.; Liu, X.; Tong, X.; Sun, Y.; Tao, B.; Kong, J.; Yun, J.; Liu, Y.; Fang, Z. A Tandem Robotic Arm Inverse Kinematic Solution Based on an Improved Particle Swarm Algorithm. Front. Bioeng. Biotechnol. 2022, 10, 832829. [Google Scholar] [CrossRef] [PubMed]
- Sun, P.; Li, Y.; Wang, Z.; Chen, K.; Chen, B.; Zeng, X.; Zhao, J.; Yue, Y. Inverse displacement analysis of a novel hybrid humanoid robotic arm. Mech. Mach. Theory 2020, 147, 103743. [Google Scholar] [CrossRef]
- Huang, Q.; Zhou, J.; Chen, X.; Yao, Y.; Chen, Y.; Chen, W.; Chen, R.; Lv, Z. Modeling and Control of a Two-Axis Stabilized Gimbal Based on Kane Method. Sensors 2024, 24, 3615. [Google Scholar] [CrossRef] [PubMed]
- Zhang, J.; Kang, N.; Qu, Q.; Zhou, L.; Zhang, H. Automatic fruit picking technology: A comprehensive review of research advances. Artif. Intell. Rev. 2024, 57, 54. [Google Scholar] [CrossRef]
- Zhang, B.; Wang, R.; Zhang, H.; Yin, C.; Xia, Y.; Fu, M.; Fu, W. Dragon fruit detection in natural orchard environment by integrating lightweight network and attention mechanism. Front. Plant Sci. 2022, 13, 1040923. [Google Scholar] [CrossRef]










| Length | Joint Variables | Variable Range | |
|---|---|---|---|
| Link 1 | −180–180 degree | ||
| Link 2 | (114 mm) | 70–650 mm | |
| Link 3 | (130 mm) | −180–180 degree | |
| Link 4 | (412 mm) | −90–90 degree | |
| Link 5 | (168 mm) | −144–144 degree | |
| Link 6 | (332 mm) | −180–180 degree |
| Mass/kg | Inertia Tensor/(kg m2) | |
|---|---|---|
| Link 1 | m1 = 10 | |
| Link 2 | m2 = 3 | |
| Link 3 | m3 = 1.4 | |
| Link 4 | m4 = 2.5 | |
| Link 5 | m5 = 0.7 | |
| Link 6 | m6 = 0.9 |
| Joint Position Parameters [J1, J2, J3, J4, J5, J6] | Cartesian Coordinates (x, y, z)/m | |
|---|---|---|
| Pre-picking position | [0°, 0.38 m, 0°, 90°, −90°, 0°] | (−0.772, 0, 0.792) |
| Picking position | [0°, 0.38 m, 35°, 45°, −45°, 45°] | (−1.062, 0.192, 0.655) |
| Fruit placement position | [0°, 0.38 m, 0°, 15°, −105°, 45°] | (−0.670, 0, 0.0137) |
Disclaimer/Publisher’s Note: The statements, opinions and data contained in all publications are solely those of the individual author(s) and contributor(s) and not of MDPI and/or the editor(s). MDPI and/or the editor(s) disclaim responsibility for any injury to people or property resulting from any ideas, methods, instructions or products referred to in the content. |
© 2024 by the authors. Licensee MDPI, Basel, Switzerland. This article is an open access article distributed under the terms and conditions of the Creative Commons Attribution (CC BY) license (https://creativecommons.org/licenses/by/4.0/).
Share and Cite
Lou, K.; Wang, Z.; Zhang, B.; Xu, Q.; Fu, W.; Gu, Y.; Liu, J. Analysis and Experimentation on the Motion Characteristics of a Dragon Fruit Picking Robot Manipulator. Agriculture 2024, 14, 2095. https://doi.org/10.3390/agriculture14112095
Lou K, Wang Z, Zhang B, Xu Q, Fu W, Gu Y, Liu J. Analysis and Experimentation on the Motion Characteristics of a Dragon Fruit Picking Robot Manipulator. Agriculture. 2024; 14(11):2095. https://doi.org/10.3390/agriculture14112095
Chicago/Turabian StyleLou, Kairan, Zongbin Wang, Bin Zhang, Qiu Xu, Wei Fu, Yang Gu, and Jinyi Liu. 2024. "Analysis and Experimentation on the Motion Characteristics of a Dragon Fruit Picking Robot Manipulator" Agriculture 14, no. 11: 2095. https://doi.org/10.3390/agriculture14112095
APA StyleLou, K., Wang, Z., Zhang, B., Xu, Q., Fu, W., Gu, Y., & Liu, J. (2024). Analysis and Experimentation on the Motion Characteristics of a Dragon Fruit Picking Robot Manipulator. Agriculture, 14(11), 2095. https://doi.org/10.3390/agriculture14112095

