Design and Experiment of a Crawler-Type Harvester for Red Cluster Peppers in Hilly and Mountainous Regions
Abstract
1. Introduction
- Kinematics of spring tooth is conducted during the harvesting of red cluster peppers, considering their cultivation patterns and intrinsic physical properties. The trajectory of the spring tooth was simulated using ADAMS 2020 software to determine the optimal speed range for efficient operation. A force analysis is performed on the spring-tooth structure to determine the optimal design and arrangement for maximum performance.
- A two-stage conveying mechanism is designed, coupled with an integrated collecting system. The motion phases of the conveying process are analyzed to determine parameters that would effectively mitigate impact damage and prevent the peppers from rolling. Design and calculation of the structure and operating parameters of the conveying device.
- Performance-affecting factors were systematically optimized through field orthogonal tests combined with a comprehensive scoring method, leading to the identification of the optimal parameter combination.
2. Materials and Methods
2.1. Structure of the Whole Harvester and Working Principle
2.1.1. Cultivation Techniques and Mechanized Harvesting Criteria
2.1.2. Overall Structure and Working Principles of the Harvester
2.2. Design of the Picking Device
2.2.1. Determination of the Spring-Tooth Roller’s Radius
2.2.2. Analysis of Influencing Factors
2.2.3. Structural Design of Spring Tooth
2.3. Design of the Conveying Device
2.4. Design of the Collecting Device
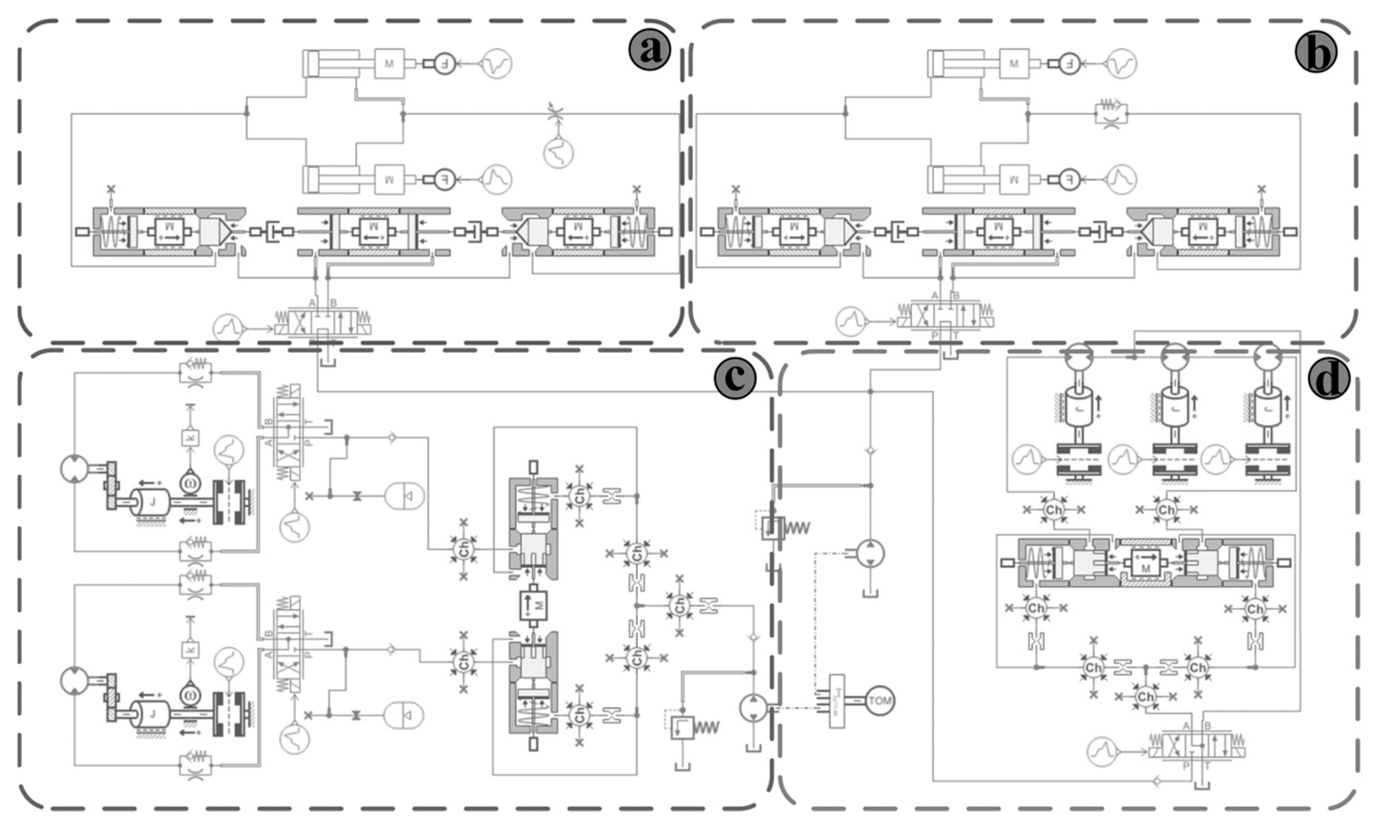
2.5. Design of the Hydraulic System and Crawler Driven Device
2.5.1. Design of the Crawler-Driven Device
2.5.2. Design of the Hydraulic System
2.6. The Field Test Design
2.6.1. Test Factors and Indexes
2.6.2. Test Methods
3. Results
3.1. Analysis of Response Surface Experiments Results
- (1)
- Impurity rate
- (2)
- Damage rate
- (3)
- Loss rate
- (4)
- Hanging rate
3.2. Parameter Optimization
3.3. Test Verification
4. Discussion
4.1. Discussion of Field Test Result
- (1)
- During the harvesting process of peppers, there is a certain relative error between the optimized experimental results and the actual loss rate of peppers in the harvesting experiment. In practice, the harvesting of peppers is influenced by various factors, including plant growth, fruit shape, harvester operation, and weather conditions.
- (2)
- It was found in the field test that the different water content of pepper has a greater impact on loss and damage rates during harvesting. In addition, because the operation relies on manual labor, the difficulty is high, and the driver may make operational errors in the fatigue state, resulting in the forward speed of the harvester being difficult to achieve the desired effect. In this way, bench tests can be used to improve the operation performance and reduce the influence of human factors.
- (3)
- Field tests have found that the faster the forward speed, the higher the loss rate. This is because when the forward speed is too fast, the roller in this situation pushes the pepper plants. The chili plants were not fully harvested, and the harvester continued to move forward, resulting in missed harvesting.
4.2. Limitations and Prospects
5. Conclusions
- (1)
- Based on the planting pattern of red cluster pepper and its physical characteristics, an optimized spring-tooth roller-picking device was designed. The kinematic mechanism of the spring tooth in the picking process was analyzed and simulated, resulting in the determination of an optimal rotational speed range for the spring tooth roller, specifically between 150 r·min−1 and 210 r·min−1. Furthermore, force analysis and optimization of the spring-tooth structure were conducted to ensure stability and efficiency during picking.
- (2)
- A two-stage conveying system is developed. Motion stages and parameter conditions during conveying are analyzed to prevent impact damage and rolling of peppers. The design and selection of the collecting device and hydraulic transmission system ensure the overall harvester’s reliability and stability.
- (3)
- A crawler-type red cluster pepper harvester suitable for hilly mountain regions was finally developed. Key parameters—forward speed and rotational speed of the spring-tooth roller—were optimized through a two-factor, five-level test. A regression model correlating evaluation indexes with these factors was established using Design Expert 13 software, followed by field validation tests. Results indicated that the harvester achieved a productivity of 0.21 ha·h−1 at a forward speed of 1.75 m·s−1 and rotational speed of 181 r·min−1. Average impurity, loss, damage, and hanging rates were 26.7%, 6.1%, 2.3%, and 4.2%, respectively, demonstrating efficient performance in practical applications.
Author Contributions
Funding
Institutional Review Board Statement
Data Availability Statement
Conflicts of Interest
References
- Wang, L.H.; Ma, Y.Q.; Zhang, B.X. Market Demand and Breeding Trend of Pepper Varieties in China. China Veg. 2019, 8, 1–4. [Google Scholar] [CrossRef]
- Wang, J.; Du, D.D.; Hu, J.B.; Zhu, J.X. Vegetable Mechanized Harvesting Technology and Its Development. J. Chin. Agric. Mech. 2024, 45, 81–87. [Google Scholar] [CrossRef]
- Zou, X.X.; Ma, Y.Q.; Dai, X.Z.; Li, X.F.; Yang, S. Spread and Industry Development of Pepper in China. Acta. Hortic. Sin. 2020, 47, 1715–1726. [Google Scholar] [CrossRef]
- Qiao, L.J.; Zhao, B.H.; Zong, Y.X.; Kou, C.Y.; Dong, Y.H. Development Current Situation, Tendency and Countermeasure for China’s Pepper Industry. China Veg. 2023, 1–7. [Google Scholar] [CrossRef]
- Mou, Y.M.; Mao, F.F.; Zhang, S.G. Current Situation and Development Suggestions of Pepper Industry in Guizhou Province. China Veg. 2020, 2, 10–12. [Google Scholar] [CrossRef]
- Yu, W.; Yan, X.; Yang, H.; He, L. Problems and Development Countermeasures of Mechanized Production of Pepper in Guizhou. Shanghai Veg. 2022, 4, 87–88. [Google Scholar]
- Chen, J. A New Countermeasure against Two Severe Difficulties in Agricultural Mechanization in China’s Hilly and Mountainous Areas. J. Agric. Mech. Res. 2019, 41, 64–67. [Google Scholar] [CrossRef]
- Hu, S.J.; Chen, Y.C.; Yuan, Y.X.; Han, L.L. Research Status and Prospects of Pepper Harvesters. J. Agric. Mech. Res. 2011, 33, 237–240. [Google Scholar] [CrossRef]
- Liu, X.F.; Chen, Y.C.; Qin, X.Y.; Zhao, J. The Development of Chili Pepper Harvester of the Type of 4LS-1.6. J. Agric. Mech. Res. 2012, 34, 135–138. [Google Scholar] [CrossRef]
- Qin, X.Y.; Chen, Y.C.; Zhang, F.Q.; Liu, X.F.; Hu, S.J.; Xiong, Z.Y.; Yuan, Y.X. Design and Research of Chili Pepper Harvester of the Type of 4LZ-3.0. J. Agric. Mech. Res. 2012, 34, 53–56. [Google Scholar] [CrossRef]
- Lei, M.J.; Kong, L.J.; Chen, Y.C.; Zhou, H.Y.; Duan, Y.L.; Tian, K. Research and Design of Spring-Tooth Drum Type Pepper Picking Device. J. Chin. Agric. Mech. 2014, 35, 161–165. [Google Scholar]
- Kong, L.J.; Chen, Y.C. Design and Mechanism Analysis of 4LZ-3.0 Pepper Harvester. J. Chin. Agric. Mech. 2015, 36, 16–19. [Google Scholar] [CrossRef]
- Duan, Y.; Kong, L.; Chen, Y.; Lei, M.; Tian, K. Tine Drum Pepper Picking Device Picking Hot Pepper Mechanical Damage Characteristics and Mechanism. J. Chin. Agric. Mech. 2014, 35, 79–82. [Google Scholar]
- Wang, G.; He, B.; Han, D.; Zhang, H.; Wang, X.; Chen, Y.; Chen, X.; Zhao, R.; Li, G. Investigation of Collision Damage Mechanisms and Reduction Methods for Pod Pepper. Agriculture 2024, 14, 117. [Google Scholar] [CrossRef]
- Du, C.; Han, D.; Song, Z.; Chen, Y.; Chen, X.; Wang, X. Calibration of Contact Parameters for Complex Shaped Fruits Based on Discrete Element Method: The Case of Pod Pepper (Capsicum annuum). Biosyst. Eng. 2023, 226, 43–54. [Google Scholar] [CrossRef]
- Deng, L.; Liu, T.; Jiang, P.; Qi, A.; He, Y.; Li, Y.; Yang, M.; Deng, X. Design and Testing of Bionic-Feature-Based 3D-Printed Flexible End-Effectors for Picking Horn Peppers. Agronomy 2023, 13, 2231. [Google Scholar] [CrossRef]
- Gupta, C.; Tewari, V.K.; Machavaram, R. Evaluation of a Laboratory-Based Prototype of a Comb-Type Picking Mechanism for Chili Pepper Harvester. J. Biosyst. Eng. 2022, 47, 69–78. [Google Scholar] [CrossRef]
- Paul, A.; Machavaram, R.; Ambuj; Kumar, D.; Nagar, H. Smart Solutions for Capsicum Harvesting: Unleashing the Power of YOLO for Detection, Segmentation, Growth Stage Classification, Counting, and Real-Time Mobile Identification. Comput. Electron. Agric. 2024, 219, 108832. [Google Scholar] [CrossRef]
- Zhang, X.; Qin, X.; Lei, J.; Zhai, Z.; Zhang, J.; Wang, Z. A Novel Method on Recognizing Drum Load of Elastic Tooth Drum Pepper Harvester Based on CEEMDAN-KPCA-SVM. Agriculture 2024, 14, 1114. [Google Scholar] [CrossRef]
- Yuan, X.W.; Yang, S.P.; Jin, R.C.; Zhao, L.Y.; Zheng, N.; Fu, W.P. Design and Experiment of Double Helix Pair Roller Pepper Harvesting Device. Trans. Chin. Soc. Agric. Eng. 2021, 39, 1–9. [Google Scholar]
- Zhang, Q.F.; Zhong, B.; Sun, S.G.; Qin, X.T.; Liu, X.F.; Liu, X.C. Design of HXJ-1 Jujube Tree Pruning Machine. J. Agric. Mech. Res. 2020, 42, 128–132. [Google Scholar] [CrossRef]
- Han, D.; Zhang, H.; Li, G.; Wang, G.; Wang, X.; Chen, Y.; Chen, X.; Wen, X.; Yang, Q.; Zhao, R. Development of a Bionic Picking Device for High Harvest and Low Loss Rate Pod Pepper Harvesting and Related Working Parameter Optimization Details. Agriculture 2024, 14, 859. [Google Scholar] [CrossRef]
- Ji, X.; Tang, Y.; Lin, S.Y.; Zhang, D.J.; Zhang, T.H.; Xu, W.P. Dynamic Simulation and Test of the Tracked Chassis of the Mountainous Self-Propelled Pepper Harvester. J. Chin. Agric. Mech. 2022, 43, 72–80. [Google Scholar] [CrossRef]
- Wang, X.; Cao, Y.; Fang, W.; Sheng, H. Vibration Test and Analysis of Crawler Pepper Harvester under Multiple Working Conditions. Sustainability 2023, 15, 8112. [Google Scholar] [CrossRef]
- Zhang, D.J.; Lin, S.Y.; Ji, X.; Wu, D.; Zhang, T.H.; Xu, W.P. Stress Analysis and Simulation of the Mountain Pepper Harvester’s Track. J. Mach. Des. 2022, 38, 83–90. [Google Scholar] [CrossRef]
- Zhang, J.L.; Tang, Y.; Wu, D.; Lin, S.Y.; Zhang, T.H.; Xu, W.P. Design and Simulation of Mountain Pepper Harvester’s Hydraulic System. J. Mach. Des. 2024, 41, 94–101. [Google Scholar] [CrossRef]
- Li, H.; He, T.; Liu, H.; Shi, S.; Zhou, J.L.; Liu, X.C.; Wang, B.Q. Development of the Profiling Up-Film Transplanter for Sweet Potato in Hilly and Mountainous Region. Trans. Chin. Soc. Agric. Eng. 2023, 39, 26–35. [Google Scholar]
- Qu, Y.; Fang, Z.; Liu, Y.; Dai, Z.; Wu, M. Development of a Vibrating and Roller Pushing Type Allium Chinense Harvester. Trans. Chin. Soc. Agric. Eng. 2022, 38, 51–59. [Google Scholar]
- Geng, D.; Sun, Y.; Li, H.; Mou, X.; Zhang, G.; Wang, Z.; Lu, X. Design and Experiment of Crawler Corn Harvester for Sloping Fields. Trans. Chin. Soc. Agric. Eng. 2021, 37, 11–19. [Google Scholar]
- Shi, R.; Dai, F.; Liu, X.; Zhao, W.; Zhai, J.; Zhang, F.; Qin, D. Design and Experiments of Crawler-Type Hilly and Mountaineous Flax Combine Harvester. Trans. Chin. Soc. Agric. Eng. 2021, 37, 59–67. [Google Scholar]
- Li, Y.; Zhang, G.; Zhang, Z.; Zhang, Y.; Hu, T.; Cao, Q. Development of Low Power-Consumption Multi-Helical Rotavator for Small Vertical-Shaft Deep-Cultivator. Trans. Chin. Soc. Agric. Eng. 2019, 35, 72–80. [Google Scholar]
- Gao, Q.; Luo, Y.; Xiang, H.; Mi, Z.; Lv, P.; Cai, Y. Design and Test of Modular Sugarcane Cutting and Paving Machine in Hilly and Mountainous Area. Trans. Chin. Soc. Agric. Mach. 2023, 54, 71–80. [Google Scholar]
- Wang, F.A.; Cao, Q.Z.; Li, Y.B.; Pang, Y.L.; Xie, K.T.; Zhang, Z.G. Design and Trafficability Experiment of Self-Propelled Potato Harvester in Hilly and Mountainous Areas. Trans. Chin. Soc. Agric. Mach. 2023, 54, 10–19. [Google Scholar]
- Wang, C.; Shao, Y.; Zhang, Y.; Xin, Z.; Chen, J.; Zhang, W.; Yang, F. Design and Experimental Research of a Comb-Type Buckwheat-Harvesting Device. Agriculture 2023, 13, 1383. [Google Scholar] [CrossRef]
- Ren, C.; Tian, H.; Liao, W.; Zhou, A.; Zheng, Y. A New Pod Pepper F1 Hybrid—‘Chaotianjiao No.8’. China Veg. 2022; 107–109. [Google Scholar] [CrossRef]
- Du, C.; Fang, W.; Han, D.; Chen, X.; Wang, X. Design and Experimental Study of a Biomimetic Pod-Pepper-Picking Drum Based on Multi-Finger Collaboration. Agriculture 2024, 14, 314. [Google Scholar] [CrossRef]
- Chen, Y.; Zhao, Y. Key Technology and Equipment of Mechanized Pepper Harvest; China Agricultural Science and Technology Press: Beijing, China, 2018. [Google Scholar]
- Zhang, J.; Wang, J.; Du, D.; Long, S.; Wang, Y.; You, X. Design and Experiment of Crawler Self-Propelled Single-Row Harvester for Chinese Cabbage. Trans. Chin. Soc. Agric. Mach. 2022, 53, 134–146. [Google Scholar]
- Lei, J.; Qin, X.Y.; Chen, Y. Design and Analysis on Key Components of a Novel Chili Pepper Harvester’s Picking Device. Open Mech. Eng. J. 2015, 9, 540–545. [Google Scholar]
















| Item | Design Parameters |
|---|---|
| Structure form | Crawler self-propelled |
| Size (L × W × H) (mm × mm × mm) | 5138 × 1694 × 2634 |
| Structure quality (kg) | 1500 |
| Type of diesel engine | 4TE45 |
| Rated power of engine (kW) | 39 |
| Rated speed of engine (r·min−1) | 2400 |
| Driving speed (m·s−1) | 2~8 |
| Wheelbase (mm) | 1300 |
| Working rows | 1 |
| Working width (mm) | 1100 |
| Code | Forward Speed (m·s−1) | Rotation Speed of Roller (r·min−1) |
|---|---|---|
| 2 | 2 | 210 |
| 1 | 1.75 | 190 |
| 0 | 1.5 | 170 |
| −1 | 1.25 | 150 |
| −2 | 1 | 130 |
| Experiment Number | Forward Speed: X1 | Rotational Speed: X2 | Y1: Impurity Rate (%) | Y2: Damage Rate (%) | Y3: Loss Rate (%) | Y4: Hanging Rate (%) |
|---|---|---|---|---|---|---|
| 1 | −1 | −1 | 23.19 | 1.91 | 6.24 | 5.84 |
| 2 | 1 | −1 | 23.41 | 2.21 | 6.36 | 5.6 |
| 3 | −1 | 1 | 26.2 | 2.89 | 4.8 | 4.9 |
| 4 | 1 | 1 | 26.74 | 3.21 | 3.9 | 4.4 |
| 5 | −2 | 0 | 24.04 | 2.33 | 6.38 | 5.66 |
| 6 | 2 | 2 | 24.6 | 2.65 | 6.5 | 5 |
| 7 | 0 | −2 | 22.71 | 1.73 | 6.96 | 5.9 |
| 8 | 0 | 2 | 31.78 | 3.61 | 3.1 | 3.9 |
| 9 | 0 | 0 | 24.4 | 2.44 | 5.17 | 5.4 |
| 10 | 0 | 0 | 24.21 | 2.48 | 5.3 | 5.38 |
| 11 | 0 | 0 | 24.17 | 2.32 | 5.38 | 5.42 |
| 12 | 0 | 0 | 23.83 | 2.36 | 5.29 | 5.37 |
| 13 | 0 | 0 | 23.76 | 2.4 | 5.23 | 5.35 |
| Variance Sources | Model | X1 | X2 | X1X2 | X12 | X22 | Residual | Cor Total | |
|---|---|---|---|---|---|---|---|---|---|
| Impurity rate/% | Sum of squares | 65.30 | 0.2945 | 49.94 | 0.0256 | 0.0846 | 14.37 | 1.55 | 66.85 |
| Mean square | 13.06 | 0.2945 | 49.94 | 0.0256 | 0.0846 | 14.37 | 0.2209 | ||
| F value | 29.31 | 1.33 | 226.10 | 0.1159 | 0.3829 | 65.07 | |||
| p value | <0.0001 | 0.2861 | <0.0001 | 0.7435 | 0.5556 | <0.0001 | |||
| Damage rate/% | Sum of squares | 2.99 | 0.1323 | 2.75 | 0.0001 | 0.0128 | 0.1079 | 0.443 | 3.03 |
| Mean square | 0.5973 | 0.1323 | 2.75 | 0.0001 | 0.0128 | 0.1079 | 0.0063 | ||
| F value | 94.33 | 20.89 | 433.63 | 0.0158 | 2.02 | 17.04 | |||
| p value | <0.0001 | 0.0026 | <0.0001 | 0.9035 | 0.1983 | 0.0044 | |||
| Loss rate/% | Sum of squares | 13.97 | 0.0243 | 11.25 | 0.2601 | 1.91 | 0.0941 | 0.2491 | 14.22 |
| Mean square | 2.79 | 0.0243 | 11.25 | 0.2601 | 1.91 | 0.0941 | 0.0356 | ||
| F value | 78.54 | 0.6829 | 316.23 | 7.31 | 53.56 | 2.65 | |||
| p value | <0.0001 | 0.4358 | <0.0001 | 0.0305 | 0.0002 | 0.1479 | |||
| Hanging rate/% | Sum of squares | 3.86 | 0.3536 | 3.14 | 0.0169 | 0.0049 | 0.3417 | 0.0187 | 3.88 |
| Mean square | 0.7728 | 0.3536 | 3.14 | 0.0169 | 0.0049 | 0.3417 | 0.0027 | ||
| F value | 288.81 | 132.16 | 1174.14 | 6.32 | 1.83 | 127.69 | |||
| p value | <0.0001 | <0.0001 | <0.0001 | 0.0402 | 0.2184 | <0.0001 |
| Test Project | Test Result |
|---|---|
| Work productivity/(ha·h−1) | 0.21 |
| Working speed/(m·s−1) | 1.76 |
| Working width/mm | 1100 |
| Impurity rate (%) | 26.7 |
| Loss rate (%) | 6.1 |
| Damage rate (%) | 2.3 |
| Hanging rate (%) | 4.2 |
Disclaimer/Publisher’s Note: The statements, opinions and data contained in all publications are solely those of the individual author(s) and contributor(s) and not of MDPI and/or the editor(s). MDPI and/or the editor(s) disclaim responsibility for any injury to people or property resulting from any ideas, methods, instructions or products referred to in the content. |
© 2024 by the authors. Licensee MDPI, Basel, Switzerland. This article is an open access article distributed under the terms and conditions of the Creative Commons Attribution (CC BY) license (https://creativecommons.org/licenses/by/4.0/).
Share and Cite
Yang, J.; Qin, X.; Lei, J.; Lu, L.; Zhang, J.; Wang, Z. Design and Experiment of a Crawler-Type Harvester for Red Cluster Peppers in Hilly and Mountainous Regions. Agriculture 2024, 14, 1742. https://doi.org/10.3390/agriculture14101742
Yang J, Qin X, Lei J, Lu L, Zhang J, Wang Z. Design and Experiment of a Crawler-Type Harvester for Red Cluster Peppers in Hilly and Mountainous Regions. Agriculture. 2024; 14(10):1742. https://doi.org/10.3390/agriculture14101742
Chicago/Turabian StyleYang, Jiaxuan, Xinyan Qin, Jin Lei, Lijian Lu, Jianglong Zhang, and Zhi Wang. 2024. "Design and Experiment of a Crawler-Type Harvester for Red Cluster Peppers in Hilly and Mountainous Regions" Agriculture 14, no. 10: 1742. https://doi.org/10.3390/agriculture14101742
APA StyleYang, J., Qin, X., Lei, J., Lu, L., Zhang, J., & Wang, Z. (2024). Design and Experiment of a Crawler-Type Harvester for Red Cluster Peppers in Hilly and Mountainous Regions. Agriculture, 14(10), 1742. https://doi.org/10.3390/agriculture14101742

