Simulation Analysis and Testing of Tracked Universal Chassis Passability in Hilly Mountainous Orchards
Abstract
1. Introduction
2. Structural Composition and Working Principle
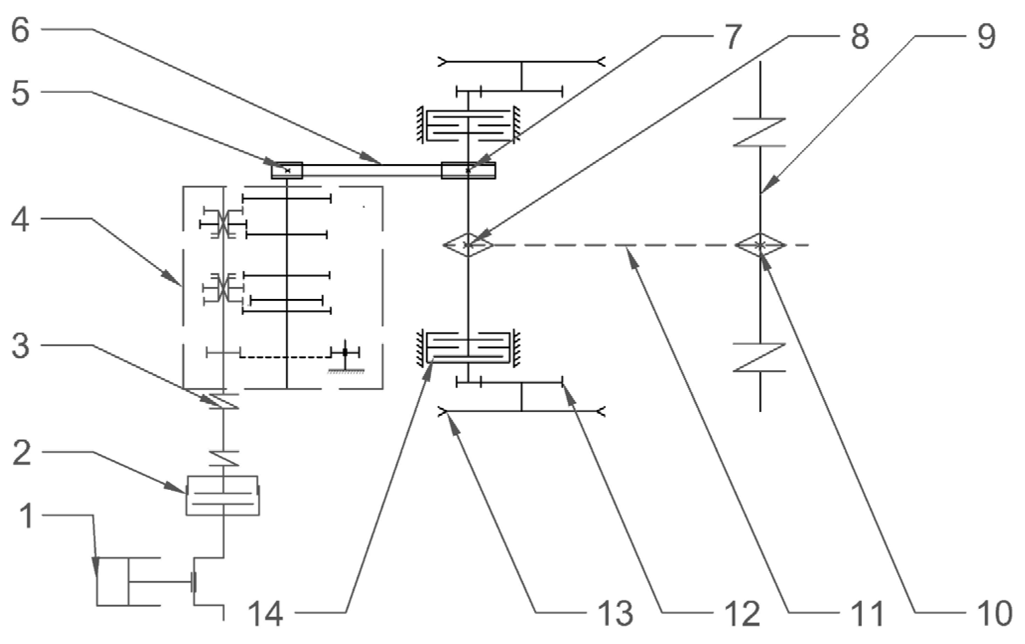
2.1. Structural Composition
2.2. Working Principle and Technical Parameters
3. Universal Chassis Passability Theory Analysis
3.1. Slope Passability Theory Analysis
3.2. Theoretical Analysis of Universal Chassis Crossings of Vertical Obstacles
3.2.1. Process Analysis of Crossing Vertical Obstacles
- (1)
- The gravity of the tracked chassis (G);
- (2)
- The two forces exerted on the rear support wheel by the ground: a support force (N1) and a traction force (F1);
- (3)
- The two forces exerted on the grounded track by the obstacle: a support force (N2) and a traction force (F2).
3.2.2. Trench-Crossing Passability Analysis
4. Simulation Analysis of Universal Chassis Passage Capacity
4.1. Analysis of Driving Performance on Ground with Different Slopes
4.2. Analysis of Obstacle-Crossing Performance
4.3. Cross-Trench Performance Analysis
5. Test Verification
5.1. Hill-Climbing Performance Test
5.2. Vertical Obstacle-Passing Test
5.3. Trench-Crossing Test
6. Conclusions
Author Contributions
Funding
Institutional Review Board Statement
Data Availability Statement
Acknowledgments
Conflicts of Interest
References
- The State Statistics Bureau. China Statistical Yearbook; China Statistics Press: Beijing, China, 2019.
- Ministry of Agriculture. The 13th Five-Year Plan for the Development of Agricultural Mechanization in China. China Agric. Mech. 2017, 01, 09. [Google Scholar]
- Li, H. Research and Prospect of crawler chassis of agricultural machinery in mountainous and hilly areas. In Proceedings of the 2021 1st International Conference on Control and Intelligent Robotics, Guangzhou, China, 18–20 June 2021; pp. 1–5. [Google Scholar]
- Sun, J.B.; Meng, C.; Zhang, Y.Z.; Chu, G.P.; Zhang, Y.J.; Yang, F.Z.; Liu, Z.J. Design and physical model experiment of an attitude adjustment device for a crawler tractor in hilly and mountainous regions. Inf. Process. Agric. 2020, 7, 466–478. [Google Scholar] [CrossRef]
- Tao, W.; Wu, H.B.; Liu, Q.T.; Liang, X.L.; Fan, Q.J.; Xie, C. Design and Development of Tracked Sugarcane Transporter. Sugar Tech. 2021, 23, 1137–1146. [Google Scholar]
- Mężyk, A.; Czapla, T.; Klein, W.; Mura, G. Numerical simulation of active track tensioning system for autonomous hybrid vehicle. Mech. Syst. Signal Process. 2017, 89, 108–118. [Google Scholar] [CrossRef]
- Lv, K.; Mu, X.; Li, L.; Xue, W.; Wang, Z.; Xu, L. Design and test methods of rubber-track conversion system. Proc. Inst. Mech. Eng. Part D J. Automob. Eng. 2019, 233, 1903–1929. [Google Scholar] [CrossRef]
- Chen, L.; Wang, P.; Zhang, P.; Zheng, Q.; He, J.; Wang, Q. Performance analysis and test of a maize inter-row self-propelled thermal fogger chassis. Int. J. Agric. Biol. Eng. 2018, 11, 100–107. [Google Scholar] [CrossRef]
- Sun, S.; Wu, J.; Ren, C.; Tang, H.; Chen, J.; Ma, W.; Chu, J. Chassis trafficability simulation and experiment of a LY1352JP forest tracked vehicle. J. For. Res. 2020, 32, 1315–1325. [Google Scholar] [CrossRef]
- Wang, Y.; Yang, F.; Pan, G.; Liu, H.; Liu, Z.; Zhang, J. Design and Testing of a Small Remote-Control Hillside Tractor. Trans. ASABE 2014, 57, 363–370. [Google Scholar]
- Zhao, H.; Wang, G.; Wang, H.; Bi, Q.; Li, X. Fatigue life analysis of crawler chain link of excavator. Eng. Fail. Anal. 2017, 79, 737–748. [Google Scholar] [CrossRef]
- Wang, P.; Mo, C.; Kim, S.; Han, X. Dynamics Simulation and Field Test Verification of Multi-Functional Beekeeping Loading Box Based on the Tracked Vehicle. Appl. Sci. 2022, 12, 6667. [Google Scholar] [CrossRef]
- Wu, Z.Y.; Gao, Y.D.; Xu, Z.; Wang, S.F. Modeling and Simulation of Tracked Vehicle Based on Pro/E and RecurDyn. In Proceedings of the 5th International Conference on Advanced Design and Manufacturing Engineering, Belgrade, Serbia, 5–9 June 2015; Atlantis: Paris, France, 2015; p. 10. [Google Scholar]
- Mudarisov, S.; Gainullin, I.; Gabitov, I.; Khasanov, E.E. Improvement of Traction Indicators of a Track-Chain Tractor. Communications. Sci. Lett. Univ. Zilina 2020, 3, 89–102. [Google Scholar]
- Hu, J.; Pan, J.; Dai, B.; Chai, X.; Sun, Y.; Xu, L. Development of an Attitude Adjustment Crawler Chassis for Combine Harvester and Experiment of Adaptive Leveling System. Agronomy 2022, 12, 717. [Google Scholar] [CrossRef]
- Yang, H.; Xia, C.; Han, J.; Chen, C.; Zhang, H. Model and dynamic performance analysis of mountain tractor suspension implements. In Proceedings of the 2020 6th International Conference on Energy Materials and Environment Engineering, Tianjin, China, 24–26 April 2020. [Google Scholar]
- Haun, R.D. Mower Deck Leveling System. U.S. Patent 20,150,296,711, 6 October 2015. [Google Scholar]
- Mikiya, S.; Kyukor. Crawler Type Traveling Device. Japan Patent No. JP4207856B2, 4 January 2009. [Google Scholar]
- Yukikazu, T. Posture Controlling Device for Combine Harvester. Japan Patent No. JP2013055897A, 7 September 2011. [Google Scholar]
- Shunki, K. Working Machine. Japan Patent No. JP5313516B2, 6 February 2008. [Google Scholar]
- Gonzalez, D.O.; Martin-Gorriz, B.; Berrocal, I.I.; Hernandez, B.M.; Garcia, F.C.; Sanchez, P.M. Development of an automatically deployable roll over protective structure for agricultural tractors based on hydraulic power: Prototype and first tests. Comput. Electron. Agric. 2016, 124, 46–54. [Google Scholar] [CrossRef]
- Ballesteros, T.; Arana, I.; Ezcurdia, A.P.; Alfaro, J.R. E2D ROPS: Development and tests of an automatically deployable, in height and width, front-mounted ROPS for narrow-track tractors. Biosyst. Eng. 2013, 116, 1–14. [Google Scholar] [CrossRef]
- Sun, Y.; Xu, L.; Jing, B.; Chai, X.; Li, Y. Development of a four-point adjustable lifting crawler chassis and experiments in a combine harvester. Comput. Electron. Agric. 2020, 173, 0168–1699. [Google Scholar] [CrossRef]
- Keller, T.; Arvidsson, J. A model for prediction of vertical stress distribution near the soil surface below rubber-tracked undercarriage systems fitted on agricultural vehicles. Soil Tillage Res. 2016, 155, 116–123. [Google Scholar] [CrossRef]
- Nicolini, A.; Mocera, F.; Soma, A. Multibody simulation of a tracked vehicle with deformable ground contact model. Intitution Mech. Eng. 2019, 233, 152–163. [Google Scholar] [CrossRef]
- Mocera, F.; Somà, A.; Nicolini, A. Grousers Effect in Tracked Vehicle Multibody Dynamics with Deformable Terrain Contact Model. Appl. Sci. 2020, 10, 6581. [Google Scholar] [CrossRef]
- Cui, Z.C.; Guan, C.S.; Chen, Y.S.; Gao, Q.S.; Yang, Y.T. Design of small multi-functional electric crawler platform for greenhouse. Trans. Chin. Soc. Agric. Eng. 2019, 35, 48–57. [Google Scholar]
- Bao, X.; Mao, J.; Dai, P.; Gong, Z.; Li, S.; Chen, H. Research on trajectory planning and control system of general mobile platform for Mountain Orchard. J. Eng. 2022, 36, 466–477. [Google Scholar] [CrossRef]
- Wang, F. Study on Slope Passability of the Orchard Power Chassis in Hilly Area. Master’s Thesis, Southwest University, El Paso, TX, USA, 2014. [Google Scholar]
- Zhang, X.Z.; Shen, R.F.; Wang, J.L. Obstacle Crossing Analysis of Transport Vehiclesin Mountain Orchard. J. Shandong Agric. Univ. (Nat. Sci. Ed.) 2020, 51, 482–486. [Google Scholar]
- Han, Z.; Zhu, L.; Yuan, Y.; Zhao, B.; Fang, X.F.; Zhang, T.F. Analysis of Slope Driving Performance and Optimized Design of Crawler Chassis in Hillside Orchard. Trans. Chin. Soc. Agric. Mach. 2022, 53, 413–421+448. [Google Scholar]






















| Technical Index/Units | Parameter | Remarks | |
|---|---|---|---|
| Whole-machine width/(mm) | ≦1000 | ||
| Whole-machine height/(mm) | ≦1000 | ||
| Whole-machine length/(mm) | ≦2500 | ||
| Track–ground contact length/(mm) | 960 | ||
| Height of center of mass/(mm) | 743 | ||
| Track width/(mm) | 854 | ||
| Distance from center of mass to front supporting wheels/(mm) | 427 | ||
| Distance from the center of mass to the rear support wheel/(mm) | 533 | ||
| Forward velocity/(km/h) | 0–7 | No-load driving speed | |
| 0–2.5 | Load driving speed | ||
| Backward speed/(km/h) | 0–0.8 | ||
| Maximum climbing angle/(°) | ≦35 | ||
| Curb weight/(t) | ≦1.1 | ||
| Power system | Engine calibration power/(kW) | 23 | Diesel engine |
| The engine is calibrated for speed/(r/min) | 2200 | ||
| Transmission type | Mechanical drive | ||
| Minimum ground clearance of the car/(mm) | ≧150 | ||
| Gear | Slope/° | Pass/Fail | Crossing Height/mm | Pass/Fail | Width of Trenches/mm | Pass/Fail |
|---|---|---|---|---|---|---|
| Gear 1 | 20 | Pass | 50 | Pass | 380 | Pass |
| 25 | Pass | 100 | Pass | 400 | Pass | |
| 30 | Pass | 150 | Pass | 430 | Pass | |
| 35 | Pass | 200 | Pass | 480 | fail | |
| 40 | fail | 250 | fail | — | — |
Disclaimer/Publisher’s Note: The statements, opinions and data contained in all publications are solely those of the individual author(s) and contributor(s) and not of MDPI and/or the editor(s). MDPI and/or the editor(s) disclaim responsibility for any injury to people or property resulting from any ideas, methods, instructions or products referred to in the content. |
© 2023 by the authors. Licensee MDPI, Basel, Switzerland. This article is an open access article distributed under the terms and conditions of the Creative Commons Attribution (CC BY) license (https://creativecommons.org/licenses/by/4.0/).
Share and Cite
Mou, X.; Luo, Q.; Ma, G.; Wan, F.; He, C.; Yue, Y.; Yue, Y.; Huang, X. Simulation Analysis and Testing of Tracked Universal Chassis Passability in Hilly Mountainous Orchards. Agriculture 2023, 13, 1458. https://doi.org/10.3390/agriculture13071458
Mou X, Luo Q, Ma G, Wan F, He C, Yue Y, Yue Y, Huang X. Simulation Analysis and Testing of Tracked Universal Chassis Passability in Hilly Mountainous Orchards. Agriculture. 2023; 13(7):1458. https://doi.org/10.3390/agriculture13071458
Chicago/Turabian StyleMou, Xiaobin, Qi Luo, Guojun Ma, Fangxin Wan, Cuncai He, Yijie Yue, Yuanman Yue, and Xiaopeng Huang. 2023. "Simulation Analysis and Testing of Tracked Universal Chassis Passability in Hilly Mountainous Orchards" Agriculture 13, no. 7: 1458. https://doi.org/10.3390/agriculture13071458
APA StyleMou, X., Luo, Q., Ma, G., Wan, F., He, C., Yue, Y., Yue, Y., & Huang, X. (2023). Simulation Analysis and Testing of Tracked Universal Chassis Passability in Hilly Mountainous Orchards. Agriculture, 13(7), 1458. https://doi.org/10.3390/agriculture13071458
