Next Article in Journal
Agritourism and Peer-to-Peer Accommodation: A Moderated Mediation Model
Previous Article in Journal
Study on the Detection of Defoliation Effect of an Improved YOLOv5x Cotton
 
 
Font Type:
Arial Georgia Verdana
Font Size:
Aa Aa Aa
Line Spacing:
Column Width:
Background:
Article

Design and Test of Precise Regulation System for Process Parameters of Double-Layer Tea Winnowing Machine

1
School of Tea and Food Science & Technology, Anhui Agricultural University, Hefei 230036, China
2
School of Engineering, Anhui Agricultural University, Hefei 230036, China
*
Author to whom correspondence should be addressed.
Agriculture 2022, 12(10), 1584; https://doi.org/10.3390/agriculture12101584
Submission received: 9 August 2022 / Revised: 17 September 2022 / Accepted: 27 September 2022 / Published: 1 October 2022
(This article belongs to the Section Agricultural Technology)

Abstract

Conventional winnowing machines rely on manual operation and adjust their parameter settings based on experience. These problems have led to poor wind sorting results. In order to improve the sorting accuracy and efficiency of the tea winnowing machine, a double-layer automatically controlled winnowing machine has been designed in this study. Firstly, an automatic control system based on a programmable logic controller is established. Secondly, the AC motor control technology is used to achieve the automatic adjustment of the baffle position. The prototype tests show that the control input voltage of the vibrating feeder is 2 V for Lan tea and 1.5 V for pan-fried green tea material. The frequencies of the upper fan are 30 Hz and 25 Hz, respectively, while those of the lower fan are 35 Hz and 30 Hz, respectively. For Lan tea, the No. 3 baffle moves to the right by 5 cm, and the positions of the No. 5 and No. 6 baffles remain unchanged. The main outlet of the double-layer winnowing machine contains 3.72% impurities. As for pan-fried green tea, the position of the No. 3 baffle remains unchanged, the No. 5 baffle moves 5 cm to the right, and the No. 6 baffle moves 4.5 cm to the right. The main outlet of the winnowing machine contains 4.28% impurities. The experiments indicate that the double-layer winnowing machine is more effective than the single-layer one and can provide a reference for an efficient and accurate winnowing machine.

1. Introduction

China is the world’s largest producer and consumer of tea and has a profound tea culture and advanced tea processing technology. As one of the healthiest beverages, tea is drunk by consumers all over the world [1]. Tea is primarily characterized by different forms, uneven grades, tea mixed with impurities, and uneven levels of dampness. Most tea must be refined to produce commercial tea, and the process of tea refining includes mainly sieving, cutting, wind selection, picking, stir frying, and other operations [2]. Tea finishing machinery includes round sieve machines, shaking sieve machines, wind sifters, and stalk pickers. The current intelligent identification technology of tea is advancing with the continuous development of computers and other technologies [3,4,5,6]. The winnowing machine is very effective in selecting flaky debris, heavy materials, and materials with different capacities. There is no pollution in the wind selection process of the winnowing machine. Compared with the screen machine, the winnowing machine will not cause damage to materials. Winnowing machines are widely used in the field of agricultural crops and nut screening [7,8,9,10,11,12,13,14,15]. Cao et al. conducted an experimental study on the winnowing mechanism and winnowing performance of hickory material. The influence of wind speed uniformity and control and wind speed accuracy on the wind separation of complex materials was also studied. Using hickory as the test material, the shell and kernel of pecans could be effectively distinguished by selecting suitable process parameters [16]. Wang et al. conducted numerical simulation experiments for the wind sorting process of an axial-flow peanut picker harvester under different conditions, established the operating parameters of the wind sorting system and their ranges, analyzed the effects of different factors on the loss rate and the impurity rate of wind sorting, and optimized the influencing factors at the same time [17]. Although the objects of the above study were other agricultural products, the study fully illustrated that the winnowing machine could distinguish between agricultural products and impurities and could find the best parameters through multiple sets of tests, all of which can further provide a reference for the study and optimization of tea winnowing machines.
In Zhang et al.’s study based on aerodynamics, the tea particles were approximated as spherical particles, and the movement trajectory and horizontal drift of different weight particles under different inlet flow fields (different wind velocity distributions) of the tea wind-selecting wind inlet and the effect of wind velocity angle on quality of tea wind-selecting were investigated through numerical calculation combined with experimental verification [18]. Zhong Jiang et al. conducted a study based on theoretical analysis and numerical simulation of fluid dynamics. The movement trajectory of tea particles and the state of the flow field in the tea winnowing machine were studied. By adding a spoiler, the vortex phenomenon in the tea winnowing machine could be reduced, so as to improve the quality of wind winnowing [19]. These studies provide a theoretical basis for the optimized design of tea winnowing machines. The factors influencing the effectiveness of tea selection have been studied at a theoretical level, and the efficiency of the selection process has been promoted. However, not enough research has been carried out on the precise control of tea winnowing machines, which are more precisely controlled electronically than manually. At the same time, research into refining the sorting effect through the optimization of the equipment of winnowing machines still needs to be improved.
In recent years, programmable logic controllers (PLCs) have been widely used at tea production sites [20,21,22,23]. To achieve automatic control and improve the sorting accuracy and efficiency of the tea winnowing machine, the double-layer tea winnowing machine in this study uses a PLC as the core control unit. In addition, the AC motor control technology is used to automatically adjust the position of the separation baffle. Through experiments on different types of tea, the optimal combination of parameters for the corresponding automatic tea winnowing machines is obtained.

2. Materials and Methods

2.1. Structure of Winnowing Machine

This double-layer tea winnowing machine comprises several components, including a tea grading box, a storage device, and a Z conveyor and control cabinet. As shown in Figure 1, the grading box is the core component of the double-layer tea winnowing machine, which includes the upper and lower wind separation chamber. There are two centrifugal fans and six baffles controlled by three-phase AC motors in the grading box, and the grading of the tea leaves in the winnowing machine is completed in the grading box.

2.2. Working Principle

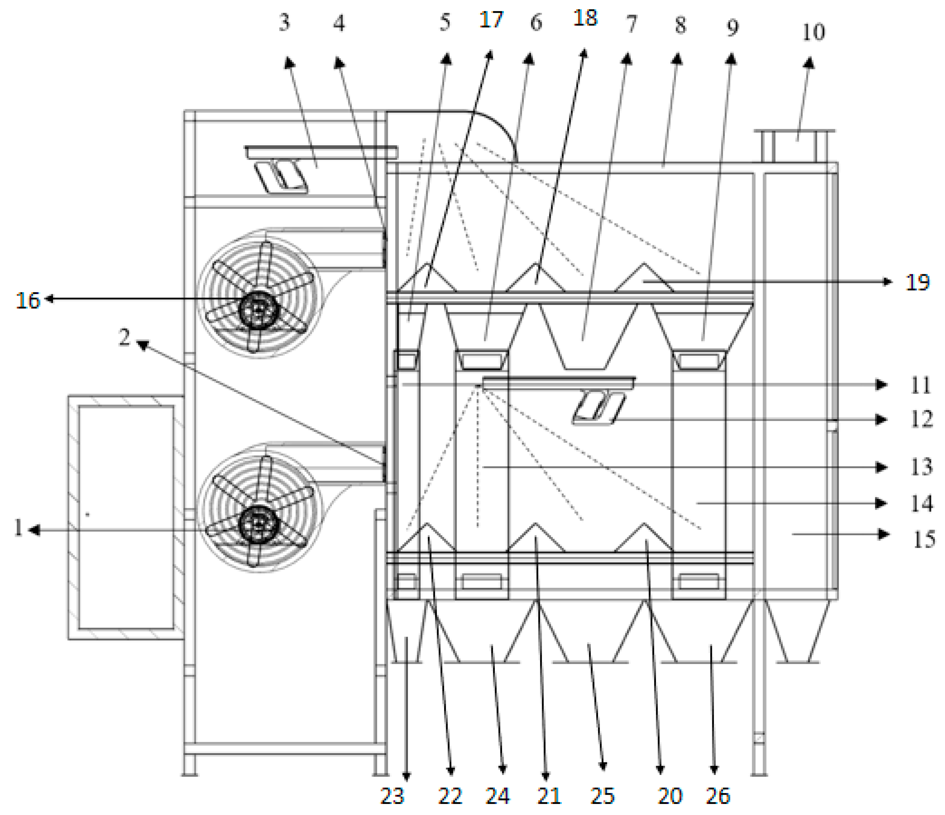
A double-layer tea winnowing machine is a blowing wind type of winnowing machine. The overall process is shown in Figure 2. Tea materials are spread evenly by No. 1 vibratory feeder and then transported by a Z-shaped conveyor to No. 2 vibratory feeder. The tea materials are dispersed and fall into the wind selection chamber in the shape of a curtain to reduce entanglement and are exposed to wind and gravity in an independent individual state. After the first wind selection in the upper wind selection chamber, the heavier impurities, high-quality tea leaves, and shreds fall into the No. 1, No. 2, and No. 4 lower-level material outlets through the guide tubes 1, 2, and 3, respectively, as shown in Figure 3. The secondary tea leaves fall into the No. 3 vibratory feeder from the No.3 vibratory feeder. This ensures that the secondary tea leaves enter the lower wind selection chamber, where the fan provides a stronger wind speed for secondary wind selection. The movement trajectory of the tea leaves is represented by the dashed line in Figure 3 to achieve the purpose of removing as many impurities as possible from the tea leaves.

2.3. Design of the Control System

This design uses a Siemens PLC S7-200 SMART as the control core to realize control of the mechanical equipment in the winnowing machine, especially the baffle. This experiment was based on workers to determine the category of tea. When the tea that is to be wind-selected is famous, high-quality tea, the quality of tea leaves is good, and the tea leaves do not need to be re-selected many times. The tea leaves will fall out directly from the drop port after entering the upper-level wind selection chamber. However, the tea leaves from the No. 3 upper-level material outlet need to be conveyed through the No. 3 vibratory feeder to the No. 2 lower-level material outlet.
When the tea leaves that are to be wind-selected are bulk tea, there are relatively more impurities, so secondary wind selection is needed. The overall design flow chart of the automatic control system of the double-layer tea winnowing machine is shown in Figure 4.

2.3.1. Control System Architecture Framework

A Siemens PLC S7-200 SMART and analog output module AQ04 were selected to control the vibratory feeder, conveyor belt, motor controlling the baffle, and centrifugal fan. The overall framework is shown in Figure 5.
The control system comprises an automatic and manual mode. In the automatic mode, the machine will automatically run according to preset parameters. In the manual mode, the parameter settings in the host computer interface, such as the wind speed of the fan, the vibration frequency of the magnetic vibrating feeder, and the position of the baffle are set manually.

2.3.2. PLC Circuit Design

The PLC controller ports are defined, and the input and output signals are optimized as shown in Table 1 and Table 2.
The analog output module controls the voltage of the input vibratory feeder and controls the inverter to adjust the wind speed according to the Modbus communication protocol. The circuit design is shown in Figure 6.

2.3.3. PLC Procedures Design

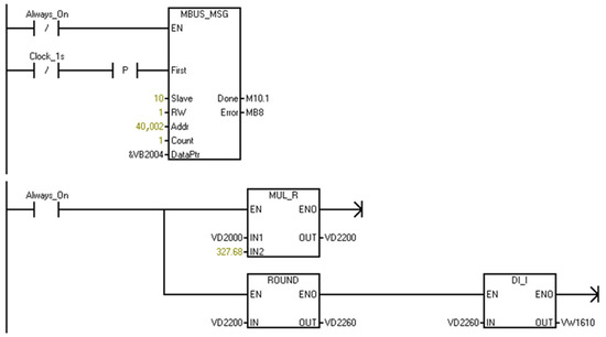
The speed control of the vibratory feeder is realized in the PLC through analog output, and the conversion of the S7-200 SMART internal data to the analog output is completed through the subroutine Scale_R_to_I. The specific PLC program is shown in Figure 7.
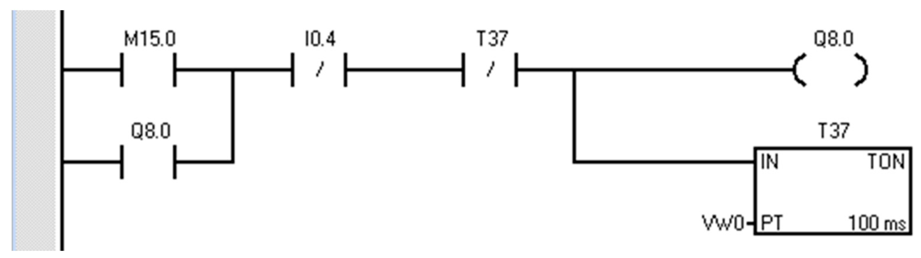
The single-layer tea winnowing machine generally uses a mechanical handle. This was improved in this study by varying the motor running time to control the moving distance of the baffle. The specific PLC program is shown in Figure 8. Due to the change of baffle position, the variation in the material outlet area is shown in Figure 9.
In Figure 9b is the initial position, a is the baffle moving 1 cm to the left, and c is the baffle moving 1 cm to the right. When the winnowing machine is not operating, the baffle is in position 0 (the initial position). When the materials need to be sorted, the specific position of the baffle is set according to the different tea varieties. These parameters are obtained through experimental verification.
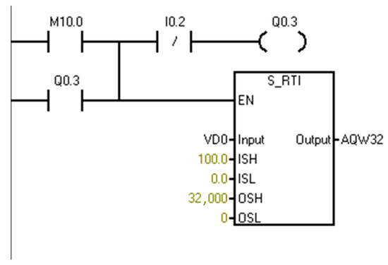
To enable the PLC to change the working frequency of the centrifugal fan through the inverter, Modbus-RTU communication protocol is used, and the specific PLC program is shown in Figure 10.

2.3.4. Host Computer Design

The interface in this control system comprises four modes of operation. The automatic operation mode can be used by ordinary operators. The manual operation mode can be used by engineers. There is also the operation instruction mode and the parameter setting mode. The interface is shown in Figure 11. In the automatic operation mode, the operator on the production line can select different types of tea materials fed into the line, and the system runs automatically according to the optimal parameters obtained experimentally. The double-layer fan runs at fixed frequency, and the baffle moves to a specified position. In the manual mode, the engineer can adjust the parameters and control the operations of each machine.
In the actual production process of the tea factory, several different kinds of tea may be wind-selected, with each requiring its own set of parameters. In this study, only two types of tea were tested to determine the optimized parameter set. Engineers need to operate the winnowing machine for other types of tea to determine the optimal parameters for each type and load them for future use. In the Weinview configuration software, there is a recipe database function, which can be used to maintain the parameter data. This is shown in Figure 12.

3. Results and Discussion

3.1. Test Objectives

The main factors affecting the tea wind selection are the vibration frequency of the vibratory feeder, fan wind speeds, and the location of the baffle. The best vibration frequency and wind speed range of the vibratory feeder are identified first. The location of the baffle is then determined through a three-factor rotational regression orthogonal test. Finally, the optimal process parameters are determined by using the rate of impurities in the material falling out of the No. 2 lower-level material outlet as the test index.

3.2. Test Conditions

The materials for this test are pan-fried green tea and Lan tea materials. The test site was located at Lu’An Melon Piece Tea Co., Ltd., Lu’An City, Anhui Province. Pan-fried green tea is firmer and green in color, as shown in Figure 13. The impurities of pan-fried green tea are mainly minced and interspersed with some stems, as shown in Figure 14. Lan tea material strips are more slender and easier to clump, as shown in Figure 15. The impurities of Lan tea materials are mainly yellow flakes interspersed with some broken pieces, as shown in Figure 16. A Sigma AR866A thermal anemometer was used to measure the wind speed. The wind speed data is transmitted to the host computer through PLC and recorded. Tea was weighed with a 0 to 3 kg Lippincott electronic scale (accuracy: 0.1 g). The physical parameters of the two types of tea are shown in Table 3 and Table 4 below.

3.3. Vibratory Feeder Frequency

To evenly disperse the tea materials as they enter the wind separation chamber, the appropriate vibration frequency of the feeder needs to be found. For different types of tea, the vibration frequency of the vibrating feeder is set as the independent variable with 10 levels. Given that the operation time of the vibration feeder is fixed, the study has designed the following single-factor tests, and the results are shown in Table 5.
From the results, it can be seen that when the input voltage of the vibratory feeder is at 0.5–1 V, the tea leaves remain on the feeder, and the frequency is not enough to make the tea leaves slide and fall into the conveyor belt. When the input voltage of the feeder is higher than 2.5 V, the feeder moves too fast and cannot fully disperse the tea leaves, and the tea materials are densely stacked, which does not achieve the required result. For tea materials such as pan-fried green tea, because the materials are more dispersed, when the feeder input voltage is at 1.5 V, the tea materials can fall into the conveyor belt at the required rate. For the Lan tea materials, because they are easy to agglomerate, when the feeder is at 1.5 V, the frequency is not enough to disperse the tea leaves, while when the input voltage is at 20 V, the tea leaves can fall into the conveyor belt and become more scattered. Therefore, the more suitable control input voltage of the vibratory feeder is at 1.5 V or 2 V, and different input voltages are selected according to the different kinds of tea materials that need to be wind selected.

3.4. Fan Wind Speed

The winnowing machine works on the principle that different sizes of tea leaves will blow out at different distances as their contact areas with the wind vary. In addition, the tea leaves and impurities have different weights and blow out at different distances by wind speed. Therefore, different qualities of tea leaves and impurities can be separated at different distances under the effect of wind speed.
The wind speed is measured by a Sigma AR866A thermal anemometer. The data is transmitted and recorded to the host computer via PLC. As the wind speed of the fan is dependent on the adjustment of the inverter, the frequency of the inverter is proportional to the wind speed provided by the fan, as shown in Figure 17. The tests have been carried out on a single-layer winnowing machine, with the inverter frequency set at 5 Hz each time.
From Figure 17 it can be seen that the wind speed increases linearly with the fan frequency. Table 6 shows the results for different frequencies using the Lan tea materials in the single-layer winnowing machine. The single-layer winnowing machine selected in this comparative experiment has five material outlets. Each group of experiments is designed with 500 g of experimental materials. The first group of experimental materials falls directly onto the No. 1 material outlet without loss. However, for other group experiments, a small amount of material falls inside the single-layer winnowing machine or is blown into the dust chamber.
As can be seen from the table, when the position of the baffle is constant and the frequency of the inverter is less than 20 Hz, the tea is influenced by gravity, as the wind speed is too low, and most of it falls at the No. 1 material outlet. When the inverter frequency is greater than 40 Hz, the tea falls at the No. 5 material outlet, as the wind speed is too high. In practical trials, it has been found that when the wind speed is too high, a small amount of lighter tea leaves is sprayed out from the lower material outlet, which further affects the accuracy of the test and cannot achieve the expected effect. Therefore, when the frequency of the inverter is in the range of 25 Hz–35 Hz, the wind speed has a significant influence on the selection of tea.

3.5. The Experiment of Tea Baffle

The double-layer winnowing machine is based on the working effect of the single-layer one for the secondary wind separation of tea leaves at the No. 3 upper-level outlet. During previous experiments, we found that the position of the No. 3, No. 5, and No. 6 baffles has a significant effect on the double-layer tea winnowing machine compared to the No. 2 baffle. Design-Expert software is used to design a three-factor three-level rotation regression orthogonal test. The three factors are the No. 3 baffle, No. 5 baffle, and No. 6 baffle. The three levels are the starting position of the No. 3 baffle moving 2.5 cm to the right and moving 5 cm to the right, the starting position of the No. 5 baffle moving 3 cm to the right and 6 cm to the right, and the starting position of the No. 6 baffle moving 3 cm to the right and 6 cm to the right.
For the Lan tea material, the vibratory feeder input voltage was set to 2V, the upper fan frequency was set to 30 Hz, and the lower fan frequency was set to 35 Hz. The test results are shown in Table 7.
The results of the analysis are shown in Table 8.
An analysis of the variation in tea material impurities of the No. 2 lower-level material outlet is shown in Table 8. The regression model was highly significant (p < 0.0001), the misfit term was not significant (p = 0.1256 > 0.05), and the model coefficient of determination R2 = 0.9600, indicating that the model was a good fit for the test, the test error was small, and the model can be used for analysis and prediction.
As can be seen from the F-values, the order of influence of each baffle position factor on the impurity rate of tea leaves of the No. 2 lower-level material outlet is as follows:
AC > A > B2 > B > A2 > C2 > C > AB > BC
In the following formulas, the No. 3 baffle is replaced by the letter A, the No. 5 baffle is replaced by the letter B, and the No. 6 baffle is replaced by the letter C.
The regression equation of the impurity rate Rs with position A of the No. 3 baffle, position B of the No. 5 baffle, and position C of the No. 6 baffle was as follows:
Rs = 5.532 + 0.46625A + 0.32875B + 0.215C + 0.28AB + 0.8875AC − 0.1275BC + 0.3265A2 − 0.4585B2 − 0.311C2
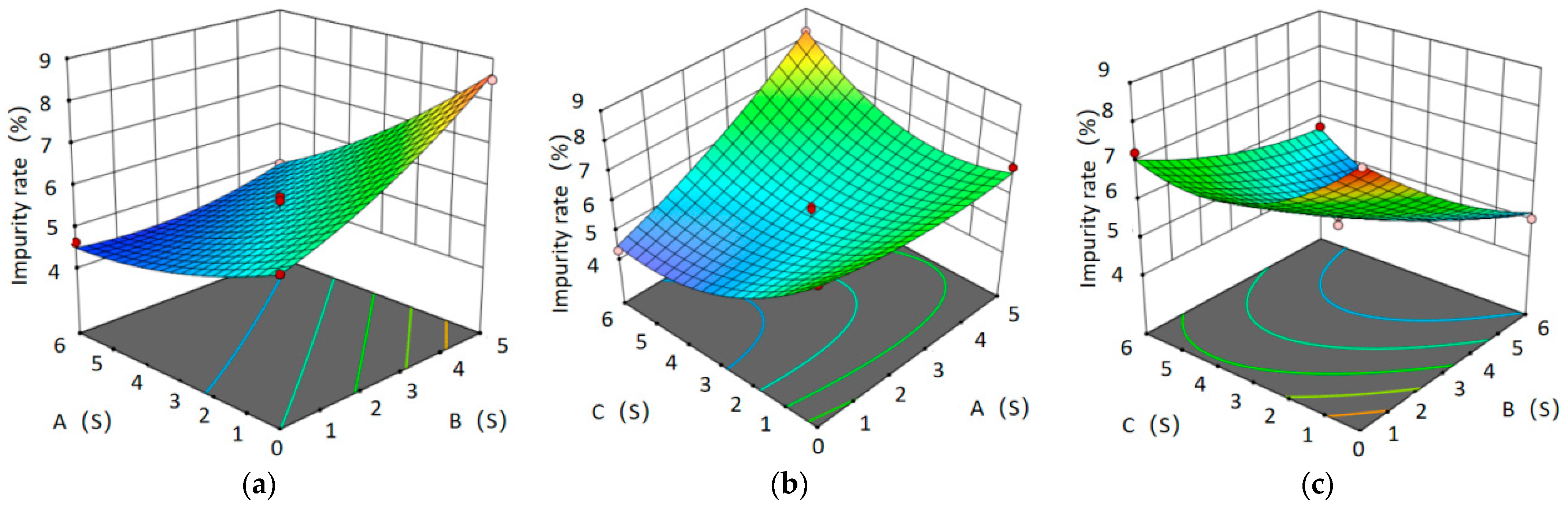
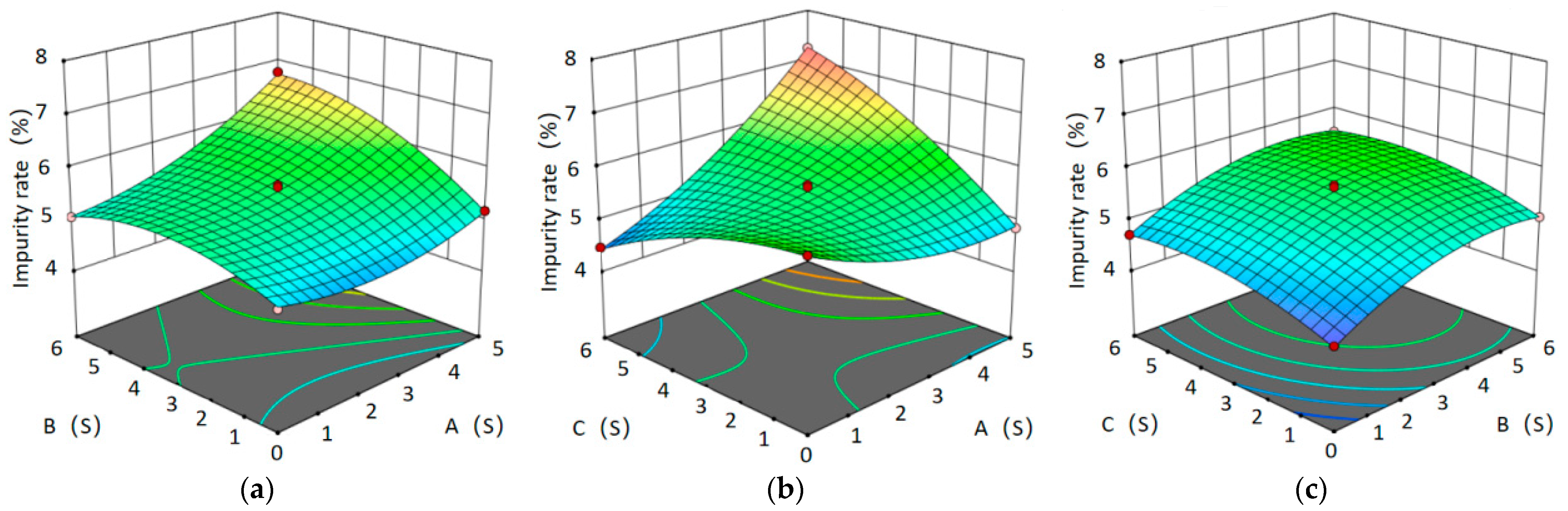
Figure 18 shows the relationship between the position of the three baffles and the impurity rate of the tea leaves falling into the No. 2 lower-level material outlet for Lan tea materials. The fan wind speed and the vibratory feeder are working normally. It can be seen from the figure that when the position of the No. 6 baffle is certain, the impurity rate of the No. 2 lower-level material outlet reaches the highest when the position of the No. 3 baffle is moved to the left by 0.5 cm, and the impurity rate is gradually decreased. When the position of the No. 5 baffle is certain and baffles No. 3 and No. 6 are moved to the right, the rate of impurity gradually increases. When they are moved to the left, there is very little change in the rate of impurity. When the position of the No. 3 baffle remains unchanged, the impurity rate gradually decreases as the positions of baffles No. 5 and No. 6 move to the left.
Through the results of software analysis, when the No. 3 baffle moves to the right by 5 cm and the No. 5 and No. 6 baffles remain unchanged, the best effect of the winnowing separation is 3.72%.
When the test material is pan-fried green tea, due to the different physical properties of the tea, the selection of the optimal fan frequency is different. The upper fan frequency is set to 25 Hz, and the lower fan frequency is set to 30 Hz. This is because the main role of vibratory feeder No. 1 is to divide a large portion of tea materials into suitable smaller portions in the conveyor belt. The pan-fried green tea shape is looser, so vibratory feeder No. 1’s power size is not changed. However, feeder No. 2 needs to spread the tea leaves evenly, so its input voltage is changed to 2.5 V to determine the location of the baffle most suitable for pan-fried green tea. The test program settings and results are shown in Table 9.
The results of the analysis are shown in Table 10.
As shown in Table 10, the regression model was highly significant (p < 0.0001) and the misfit term was not significant (p = 0.4794 > 0.05) in the ANOVA of the tea material impurity rate at the second drop port, and the model coefficient of determination R2 = 0.9852, indicating that the model was a good fit for the test, and the test error was small. The test can, therefore, be used for analysis and prediction.
As can be seen from the F-values, the order of influence of each baffle position factor on the impurity rate of tea leaves of the No. 2 lower-level material outlet is as follows.
B > A > B2 > AC > C2 > AB > BC > C > B2 > A2
In the following formulas, the No. 3 baffle is replaced by the letter A, the No. 5 baffle is replaced by the letter B, and the No. 6 baffle is replaced by the letter C.
The regression equation of the impurity rate Rs with position A of the No. 3 baffle, position B of the No. 5 baffle, and position C of the No. 6 baffle was as follows:
Rs = 5.49 + 0.8288A − 1.27B − 0.3212C − 0.5950AB + 1.07AC + 0.5550BC + 0.2227A2 − 0.2602B2 + 0.9928C2
Figure 19 shows the relationship between the three baffle positions and the residual tea impurities at the No. 2 lower-level material outlet, as the tea material is pan-fried green tea, and the winnowing machine and vibration feeder are at their optimum condition. The figure also shows that when the position of the No. 6 baffle is determined, the No. 3 baffle moves to the left and the No. 5 baffle moves to the right, and the impurity rate of the No. 2 lower-level material outlet decreases gradually. When the position of the No. 5 baffle is determined, the main factor influencing the change in the impurity rate is the No. 6 baffle. When that of the No. 3 baffle is constant, the main factor influencing the change of impurity rate is the No. 5 baffle. And if the No. 5 baffle is moved correctly, the impurity rate of the No. 2 lower-level material outlet will decrease gradually as well.
Through the result of the software analysis, when the No. 3 baffle remains unchanged, the No. 5 baffle moves to the right by 5 cm, and the No. 6 baffle moves to the right by 4.5 cm, the best effect of the winnowing separation is 4.28%.

4. Conclusions

From the comparison test of different kinds of tea materials, it can be seen that when different kinds of tea need to be wind-selected, the frequency of the vibratory feeder, the fan frequency, and the position of the baffle need to be adjusted accordingly to achieve the best wind selection effect.
The optimal combination of parameters was determined by orthogonal test design and analysis. For Lan tea, the control input voltage of the vibrating feeder is 2 V, the frequency of the upper fan is 30 Hz, the No. 3 baffle moves to the right by 5 cm, and the positions of the No. 5 and No. 6 baffles remain unchanged. The best effect of winnowing separation is that the main outlet contains 3.72% impurities. For pan-fried green tea, the control input voltage of the vibrating feeder is 1.5 V, the frequency of the upper fan is 35 Hz, the No. 3 baffle remains unchanged, the No. 5 baffle moves to the right by 5 cm, and the No. 6 baffle moves to the right by 4.5 cm. The best effect of winnowing separation is that the main outlet contains 4.28% impurities.
When the tea leaves that need to be wind-selected contain more impurities and need to be repeatedly wind-selected, the double-layer tea winnowing machine can reduce the effort required, and the wind selection effect is better than the single-layer winnowing machine.
In the future, the test can be extended to different kinds of tea materials, enrich the database, and populate the rate in the database.

Author Contributions

Conceptualization, Z.W. and Y.H.; methodology, T.O.; software, T.O. and Y.H.; validation, K.L., K.Q. and Y.S.; formal analysis, Z.W., T.O. and Y.H.; investigation, Z.W.; resources, Z.W.; data curation, C.C.; writing—original draft preparation, Z.W. and Y.H.; writing—review and editing, Z.W.; visualization, Y.H.; supervision, C.C. and Z.W.; project administration, Y.S.; funding acquisition, C.C. and Z.W. All authors have read and agreed to the published version of the manuscript.

Funding

This research was funded by Major Science and Technology projects of Anhui Province (18030701195), National Natural Science Foundation of China (Grant No. 52105239), and Anhui Provincial Education Department Key Projects (KJ2020A0133).

Institutional Review Board Statement

Not applicable.

Data Availability Statement

All relevant data presented in the article are kept at the request of the institution and are therefore not available online. However, all data used in this manuscript are available from the corresponding authors.

Conflicts of Interest

The authors declare no conflict of interest.

References

  1. Yan, Y.; Jeong, S.; Park, C.-E.; Mueller, N.D.; Piao, S.; Park, H.; Joo, J.; Chen, X.; Wang, X.; Liu, J.; et al. Effects of Extreme Temperature on China’s Tea Production. Environ. Res. Lett. 2021, 16, 044040. [Google Scholar] [CrossRef]
  2. Zhang, M.; Tang, X.; Fang, Q.; Li, W.; Wang, J. Research Progress and Prospect of Tea Machinery in China. Chin. Tea Proc. 2021, 4, 5–9. [Google Scholar] [CrossRef]
  3. Huang, J.; Cheng, B.; Jiang, X.; Dai, H.; Li, Z. Automated Production Line Technology Applied on Refined Tea Screening. Chin. Tea Proc. 2016, 6, 56–61. [Google Scholar] [CrossRef]
  4. Li, M.; Ni, C.; Zhang, X.; Liu, X.; Li, H. Research on sorting algorithm of tea based on color linear CCD. Chin. J. Agric. Mech. 2015, 36, 124–129. [Google Scholar] [CrossRef]
  5. Gao, Z.; Wang, A.; Liu, Y.; Zhang, L.; Xia, Y. Intelligent Fresh-tea-leaves Sorting System Research Based on Convolution Neural Network. Trans. Chin. Soc. Agric. Mach. 2017, 48, 53–58. [Google Scholar] [CrossRef]
  6. Song, Y.; Xie, H.; Ning, J.; Zhang, Z. Grading Keemun black tea based on shape feature parameters of machine vision. Trans. Chin. Soc. Agric. Eng. 2018, 34, 278–286. [Google Scholar] [CrossRef]
  7. Li, Y.; Wang, L.; Xu, Z.; Yuan, H.; Chen, H.; Song, J. Design of automatic control system for plot batch seed cleaning machine. Trans. Chin. Soc. Agric. Eng. 2021, 37, 9–17. [Google Scholar] [CrossRef]
  8. Geng, L.; Yang, F.; Wang, S.; Sun, C.; Hu, J.; Han, R. Experiment and Optimization Design of Chinese Cabbage Seed Cleaning Equipment. J. Agric. Mech. Res. 2020, 42, 158–163. [Google Scholar] [CrossRef]
  9. Guo, B.; Ma, X.; Zhao, L.; Yu, H. Simulation research of grain multi-stage wind selection based on DEM-CFD Coupling. J. Chin. Agric. Mech. 2019, 40, 96–102. [Google Scholar] [CrossRef]
  10. Li, H.; Wang, J.; Yuan, J.; Yin, W.; Wang, Z.; Qian, Y. Analysis of Threshed Rice Mixture Separation through Vibration Screen Using Discrete Element Method. Int. J. Agric. Biol. Eng. 2017, 10, 231–239. [Google Scholar] [CrossRef]
  11. Shin, S.-Y.; Kim, M.-H.; Cho, Y.; Kim, D.-C. CFD Analysis and Validation of a Foreign Material Winnowing Machine for Pepper Harvester. Appl. Sci. 2022, 12, 6134. [Google Scholar] [CrossRef]
  12. Yuan, J.; Wu, C.; Li, H.; Qi, X.; Xiao, X.; Shi, X. Movement Rules and Screening Characteristics of Rice-Threshed Mixture Separation through a Cylinder Sieve. Comput. Electron. Agric. 2018, 154, 320–329. [Google Scholar] [CrossRef]
  13. Krishna, P.S.; Pradeep, P.; Bivek, B.; Bim, P.S. Mathematical Modeling, Simulation and Analysis of Rice Grain Movement for Design and Fabrication of Low-Cost Winnowing Machine. J. Mech. Eng. Res. 2017, 9, 1–14. [Google Scholar] [CrossRef][Green Version]
  14. Nguyen, H.-B.; Pham, D.-L.; Nguyen, V.-L. A Study on the Breaking and Winnowing Machine for Cocoa Beans at Small Industrial Scale in Vietnam. Int. J. Adv. Sci. Eng. Inf. Technol. 2019, 9, 329–335. [Google Scholar] [CrossRef]
  15. Wang, X.; Bian, B.; Tuluhong, T.; Zhang, L. Experiments and parameter optimization of almond shell and kernel air separation device. Trans. Chin. Soc. Agric. Eng. 2021, 37, 299–306. [Google Scholar] [CrossRef]
  16. Cao, C.; Luo, K.; Peng, M.; Wu, Z.; Liu, G.; Li, Z. Experiment on Winnowing Mechanism and Winnowing Performance of Hickory Material. Trans. Chin. Soc. Agric. Mach. 2019, 50, 105–112. [Google Scholar] [CrossRef]
  17. Wang, B.; Yu, S.; Hu, Z.; Cao, M.; Zhang, P.; Wang, B. Numerical Simulation and Experiment of Flow Field in Three Air Systems of Air Separation System of Peanut Pickup Harvester. Trans. Chin. Soc. Agric. Mach. 2021, 52, 1–13. Available online: https://kns.cnki.net/kcms/detail/11.1964.S.20211015.1231.004.html18 (accessed on 1 December 2021).
  18. Zhang, X.; Yang, T.; Qiao, X.; Zhong, J.; Ou, C.; Wang, S.; Zhao, Z. Study on Effect of wind Inlet Flow Field on the Tea Particles Drift Distance and Quality of Wind-Selecting. Chin. J. Tea Sci. 2013, 33, 60–66. [Google Scholar] [CrossRef]
  19. Zhong, J.; Huang, J.; Yang, T.; Zhang, X.; Zhao, Z. Optimization Study of Tea Winnowing Machine. Chin. J. Tea Sci. 2013, 33, 576–583. [Google Scholar] [CrossRef]
  20. Zhang, Y.; Chen, Q.; Wang, X.; Wang, Z.; Chen, L.; You, Z. Design and Experiment on Aautomatic Pressing Mechanisms of Tea Tablet Based on PLC. Acta Tea Sin. 2018, 59, 199–204. [Google Scholar] [CrossRef]
  21. Zhu, F.; Wu, G.; Yan, G. Development and Application of Intelligent Control System for Tea Rolling Machine. Sci Technol. Inf. 2021, 19, 81–83. [Google Scholar] [CrossRef]
  22. Lin, C. PLC-Based Monitoring and Management System for Automatic Production Line of Dark Tea Fermentation. Enterp. Technol. Dev. 2018, 37, 76–78. [Google Scholar] [CrossRef]
  23. Yang, X.; Cao, H.; Zhou, H.; Yu, J.; Wang, Z. Design of automatic tea loading and unloading system for tea machine based on PLC. Mod. Mach. 2017, 1, 61–64. [Google Scholar] [CrossRef]
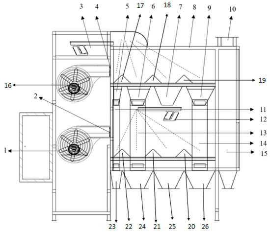
Figure 1. Schematic diagram of double-layer tea winnowing machine. 1, No.1 vibratory feeder; 2, Z-shaped conveyor belt; 3, Electric control cabinet; 4, Upper fan; 5, No.2 vibratory feeder; 6, Viewing Window; 7, Upper wind separation chamber; 8, Baffle motor; 9, Dust chamber; 10, Lower wind separation chamber; 11, No. 4 lower-level material outlet; 12, No. 3 lower-level material outlet; 13, No. 2 lower-level material outlet; 14, No. 1 lower-level material outlet.
Figure 1. Schematic diagram of double-layer tea winnowing machine. 1, No.1 vibratory feeder; 2, Z-shaped conveyor belt; 3, Electric control cabinet; 4, Upper fan; 5, No.2 vibratory feeder; 6, Viewing Window; 7, Upper wind separation chamber; 8, Baffle motor; 9, Dust chamber; 10, Lower wind separation chamber; 11, No. 4 lower-level material outlet; 12, No. 3 lower-level material outlet; 13, No. 2 lower-level material outlet; 14, No. 1 lower-level material outlet.
Agriculture 12 01584 g001
Figure 2. Double-layer tea winnowing machine workflow scene diagram.
Figure 2. Double-layer tea winnowing machine workflow scene diagram.
Agriculture 12 01584 g002
Figure 3. Schematic diagram of double-layer tea winnowing machine. 1, Lower fan; 2, Lower wind outlet; 3, No. 2 vibratory feeder; 4, Upper wind outlet; 5, No. 1 upper-level material outlet; 6, No. 2 upper-level material outlet; 7, No. 3 vibratory feeder; 8, wind outlet No. 1; 9, No.4 upper-level material outlet; 10, wind outlet No. 2; 11, Guide tube No.1; 12, No. 3 vibratory feeder; 13, Guide tube No. 2; 14, Guide tube No. 3; 15, Dust chamber; 16, Upper fan; 17, No. 1 baffle; 18, No. 2 baffle; 19, No. 3 baffle; 20, No. 4 baffle; 21, No. 5 baffle; 22, No. 6 baffle; 23, No. 1 lower-level material outlet; 24, No. 2 lower-level material outlet 25, No. 3 lower-level material outlet; 26, No. 4 lower-level material outlet.
Figure 3. Schematic diagram of double-layer tea winnowing machine. 1, Lower fan; 2, Lower wind outlet; 3, No. 2 vibratory feeder; 4, Upper wind outlet; 5, No. 1 upper-level material outlet; 6, No. 2 upper-level material outlet; 7, No. 3 vibratory feeder; 8, wind outlet No. 1; 9, No.4 upper-level material outlet; 10, wind outlet No. 2; 11, Guide tube No.1; 12, No. 3 vibratory feeder; 13, Guide tube No. 2; 14, Guide tube No. 3; 15, Dust chamber; 16, Upper fan; 17, No. 1 baffle; 18, No. 2 baffle; 19, No. 3 baffle; 20, No. 4 baffle; 21, No. 5 baffle; 22, No. 6 baffle; 23, No. 1 lower-level material outlet; 24, No. 2 lower-level material outlet 25, No. 3 lower-level material outlet; 26, No. 4 lower-level material outlet.
Agriculture 12 01584 g003
Figure 4. Block diagram of operation of double-layer tea winnowing machine.
Figure 4. Block diagram of operation of double-layer tea winnowing machine.
Agriculture 12 01584 g004
Figure 5. Block diagram design of double-layer tea winnowing machine control system.
Figure 5. Block diagram design of double-layer tea winnowing machine control system.
Agriculture 12 01584 g005
Figure 6. Circuit diagram of double-layer tea winnowing machine control system.
Figure 6. Circuit diagram of double-layer tea winnowing machine control system.
Agriculture 12 01584 g006
Figure 7. Vibratory feeder control program.
Figure 7. Vibratory feeder control program.
Agriculture 12 01584 g007
Figure 8. Control procedure of the tea separator.
Figure 8. Control procedure of the tea separator.
Agriculture 12 01584 g008
Figure 9. Schematic diagram of position change of tea baffle. (a) is the baffle moving 1 cm to the left, (b) is the initial position, and (c) is the baffle moving 1 cm to the right.
Figure 9. Schematic diagram of position change of tea baffle. (a) is the baffle moving 1 cm to the left, (b) is the initial position, and (c) is the baffle moving 1 cm to the right.
Agriculture 12 01584 g009
Figure 10. PLC program.
Figure 10. PLC program.
Agriculture 12 01584 g010
Figure 11. Configuration interface.
Figure 11. Configuration interface.
Agriculture 12 01584 g011
Figure 12. Parameter recording mode.
Figure 12. Parameter recording mode.
Agriculture 12 01584 g012
Figure 13. Pan-fried green tea.
Figure 13. Pan-fried green tea.
Agriculture 12 01584 g013
Figure 14. Main impurities in pan-fried green tea.
Figure 14. Main impurities in pan-fried green tea.
Agriculture 12 01584 g014
Figure 15. Materials of Lan tea.
Figure 15. Materials of Lan tea.
Agriculture 12 01584 g015
Figure 16. Main impurities in Lan tea.
Figure 16. Main impurities in Lan tea.
Agriculture 12 01584 g016
Figure 17. Relationship between fan frequency and fan speed.
Figure 17. Relationship between fan frequency and fan speed.
Agriculture 12 01584 g017
Figure 18. Influence of test factors on the impurity rate of Lan tea materials in the No. 2 lower-level material outlet. (a) Effect of No. 3 and No. 5 baffle on impurity rate; (b) Effect of No. 3 and No. 6 baffle on impurity rate; (c) Effect of No. 5 and No. 6 baffle on impurity rate.
Figure 18. Influence of test factors on the impurity rate of Lan tea materials in the No. 2 lower-level material outlet. (a) Effect of No. 3 and No. 5 baffle on impurity rate; (b) Effect of No. 3 and No. 6 baffle on impurity rate; (c) Effect of No. 5 and No. 6 baffle on impurity rate.
Agriculture 12 01584 g018
Figure 19. Influence of test factors on the impurity rate of pan-fried green tea materials in the No. 2 lower-level material outlet. (a) Effect of No. 3 and No. 5 baffle on impurity rate; (b) Effect of No. 3 and No. 6 baffle on impurity rate; (c) Effect of No. 5 and No. 6 baffle on impurity rate.
Figure 19. Influence of test factors on the impurity rate of pan-fried green tea materials in the No. 2 lower-level material outlet. (a) Effect of No. 3 and No. 5 baffle on impurity rate; (b) Effect of No. 3 and No. 6 baffle on impurity rate; (c) Effect of No. 5 and No. 6 baffle on impurity rate.
Agriculture 12 01584 g019
Table 1. Input signal of control system.
Table 1. Input signal of control system.
SequenceTerminal AssignmentTerminal Device Description
1I0.0Start
2I0.1Stop
3I0.2Manual/Automatic
4I0.3Phase sequence relays
5I0.4No. 1 baffle proximity switch
6I0.5No. 2 baffle proximity switch
7I0.6No. 3 baffle proximity switch
8I0.7No. 4 baffle proximity switch
9I1.0No. 5 baffle proximity switch
10I1.1No. 6 baffle proximity switch
Table 2. Output signal of control system.
Table 2. Output signal of control system.
Terminal AssignmentTerminal Device DescriptionTerminal AssignmentTerminal Device Description
Q0.0Indicator lightQ8.5No. 3 Motor reversal
Q0.1AlarmsQ8.6No. 4 Motor positive rotation
Q0.2Conveyor operationQ8.7No. 4 Motor reversal
Q0.3No. 1 winnowing machine runningQ9.0No. 5 Motor positive rotation
Q0.4No. 2 winnowing machine runningQ9.1No. 5 Motor reversal
Q0.5No. 1 vibratory feeder operationQ9.2No. 6 Motor positive rotation
Q0.6No. 2 vibratory feeder operationQ9.3No. 6 Motor reversal
Q0.7No. 3 vibratory feeder operationQ9.4Spare Motor positive rotation
Q8.0No. 1 Motor positive rotationQ9.5Spare Motor reversal
Q8.1No. 1 Motor reversalAQW0Conveyor speed
Q8.2No. 2 Motor positive rotationAQW2No. 1 winnowing machine speed
Q8.3No. 2 Motor reversalAQW4No. 2 winnowing machine speed
Q8.4No. 3 Motor positive rotation
Table 3. Physical parameters of pan-fried green tea.
Table 3. Physical parameters of pan-fried green tea.
MaterialProportionLength (cm)Width (cm)Moisture RateDensityFloating Speed (m/s)
Large leaf55.6%3.5–4.10.3–0.54.9–5.3%2354.05–6.76
Little leaf29.5%0.6–0.80.1–0.35.0–5.6%2523.27–5.01
Tea stem13.1%1.7–2.30.04–0.095.2–6.3%4483.19–4.58
Dust1.8%-----
Table 4. Physical parameters of Materials of Lan tea.
Table 4. Physical parameters of Materials of Lan tea.
MaterialProportionLength (cm)Width (cm)Moisture RateDensityFloating Speed (m/s)
Large leaf54.8%1.5–2.30.5–0.84.8–5.2%2414.02–7.23
Little leaf31.5%0.3–0.60.2–0.55.1–5.6%2583.09–5.12
Tea stem11.5%1.8–2.20.05–0.115.3–6.5%4523.27–4.21
Dust2.2%-----
Table 5. Vibratory feeder vibration speed.
Table 5. Vibratory feeder vibration speed.
Control Input VoltageUniformity of Tea Leaves per Unit AreaControl Input VoltageUniformity of Tea Leaves per Unit Area
0.5 V73 V1557
1 V183.5 V2109
1.5 V1984 V1665
2 V3134.5 V1307
2.5 V11785 V1258
Table 6. Test results of single-layer tea winnowing machine for Lan tea material.
Table 6. Test results of single-layer tea winnowing machine for Lan tea material.
SequenceFan Frequency (Hz)No. 1 Material Outlet Weight (g)No. 2 Material Outlet Weight (g)No. 3 Material Outlet Weight (g)No. 4 Material Outlet Weight (g)No. 5 Material Outlet Weight (g)
15500.00.00.00.00.0
210474.321.80.00.00.0
315334.3147.513.33.50.0
42075.8363.437.118.22.9
5257.0130.9213.8135.412.5
6300.033.5170.5223.362.6
7350.010.7133.9219.1131.2
8400.03.4121.1157.6214.5
9450.03.9117.8163.8204.3
10500.00.998.4152.8239.4
Table 7. Test results of double-layer tea winnowing machine of Lan tea material.
Table 7. Test results of double-layer tea winnowing machine of Lan tea material.
Sequence FactorNo. 3 BaffleNo. 5 BaffleNo. 6 BaffleImpurity Rate of No. 2 Lower-Level Material Outlet (%)
15367.24
20305.61
35304.85
42.5335.51
52.5064.71
60034.89
75035.18
82.5605.06
92.5004.23
102.5335.38
112.5335.64
120635.06
132.5335.58
140364.47
152.5335.55
162.5665.04
175636.47
Table 8. Box–Behnken response surface variance analysis results of Lan tea material.
Table 8. Box–Behnken response surface variance analysis results of Lan tea material.
Source of DifferenceTotalDegree of FreedomMean SquareF-Valuep-ValueSignificance
Models8.1490.904245.49<0.0001Significant
A-A1.7211.7286.55<0.0001
B-B0.858110.858143.160.0003
C-C0.365510.365518.390.0036
AB0.313610.313615.780.0054
AC3.1213.12156.71<0.0001
BC0.062510.06253.140.1195
A20.445410.445422.410.0021
B20.880310.880344.280.0003
C20.417110.417120.980.0025
Residuals0.139270.0199
Loss of proposed items0.101330.03383.560.1256Not significant
Pure error0.037940.0095
Total difference8.2816
Table 9. Test results of double-layer tea winnowing machine of pan-fried green tea.
Table 9. Test results of double-layer tea winnowing machine of pan-fried green tea.
Sequence FactorNo. 3 BaffleNo. 5 BaffleNo. 6 BaffleImpurity Rate of No. 2 Lower-Level Material Outlet (%)
15368.25
20634.63
32.5067.34
42.5335.11
50035.81
62.5335.35
70364.3
82.5335.65
95038.51
102.5335.6
112.5665.73
122.5335.75
130307.31
145634.95
152.5008.78
165306.97
172.5605.04
Table 10. Box–Behnken response surface variance analysis results of pan-fried green tea.
Table 10. Box–Behnken response surface variance analysis results of pan-fried green tea.
Source of DifferenceTotalDegree of FreedomMean SquareF-Valuep-ValueSignificance
Models31.4593.4951.70<0.0001Significant
A-A5.4915.4981.31<0.0001
B-B12.95112.95191.69<0.0001
C-C0.825610.825612.220.0101
AB1.4211.4220.950.0026
AC4.6014.6068.08<0.0001
BC1.2311.2318.230.0037
A20.208910.20893.090.1221
B20.285210.28524.220.0790
C24.1514.1561.400.0001
Residuals0.473170.0676
Loss of proposed items0.203830.06791.010.4759Not significant
Pure Error0.269340.0673
Total difference31.9216
Publisher’s Note: MDPI stays neutral with regard to jurisdictional claims in published maps and institutional affiliations.

Share and Cite

MDPI and ACS Style

Wu, Z.; Huang, Y.; Ouyang, T.; Luo, K.; Qin, K.; Sun, Y.; Cao, C. Design and Test of Precise Regulation System for Process Parameters of Double-Layer Tea Winnowing Machine. Agriculture 2022, 12, 1584. https://doi.org/10.3390/agriculture12101584

AMA Style

Wu Z, Huang Y, Ouyang T, Luo K, Qin K, Sun Y, Cao C. Design and Test of Precise Regulation System for Process Parameters of Double-Layer Tea Winnowing Machine. Agriculture. 2022; 12(10):1584. https://doi.org/10.3390/agriculture12101584

Chicago/Turabian Style

Wu, Zhengmin, Yangyang Huang, Tengyu Ouyang, Kun Luo, Kuan Qin, Yan Sun, and Chengmao Cao. 2022. "Design and Test of Precise Regulation System for Process Parameters of Double-Layer Tea Winnowing Machine" Agriculture 12, no. 10: 1584. https://doi.org/10.3390/agriculture12101584

APA Style

Wu, Z., Huang, Y., Ouyang, T., Luo, K., Qin, K., Sun, Y., & Cao, C. (2022). Design and Test of Precise Regulation System for Process Parameters of Double-Layer Tea Winnowing Machine. Agriculture, 12(10), 1584. https://doi.org/10.3390/agriculture12101584

Note that from the first issue of 2016, this journal uses article numbers instead of page numbers. See further details here.

Article Metrics

Back to TopTop