Tyrosine Amino Acid as a Foulant for the Heterogeneous Anion Exchange Membrane
Abstract
:1. Introduction
2. Materials and Methods
2.1. Materials
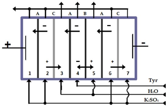
2.2. Methods
3. Results and Discussion
3.1. Alterations in the Surface Structure of the Anion Exchange Membrane
3.2. Alterations in the Electrical Conductivity of the Anion Exchange Membrane
3.3. Alterations in Some Physicochemical Characteristics of the Anion Exchange Membrane
3.4. Changes in the Transport Characteristics of the Anion Exchange Membrane
3.5. Changes in the Structural Characteristics of the Anion Exchange Material
4. Conclusions
Author Contributions
Funding
Institutional Review Board Statement
Informed Consent Statement
Data Availability Statement
Acknowledgments
Conflicts of Interest
References
- Wang, M.; Kuang, S.; Wang, X.; Kang, D.; Mao, D.; Qian, G.; Cai, X.; Tan, M.; Liu, F.; Zhang, Y. Transport of Amino Acids in Soy Sauce Desalination Process by Electrodialysis. Membranes 2021, 11, 408. [Google Scholar] [CrossRef] [PubMed]
- Eliseeva, T.; Kharina, A. Desalination of Neutral Amino Acid Solutions in an Electromembrane System. Membranes 2022, 12, 665. [Google Scholar] [CrossRef] [PubMed]
- Wu, J.; Xu, C.; Zhang, C.; Wang, G.; Yan, Y.; Wu, C.; Wu, Y. Desalination of L-Threonine (THR) Fermentation Broth by Electrodialysis. DWT 2017, 81, 47–58. [Google Scholar] [CrossRef]
- Aghajanyan, A.E.; Hambardzumyan, A.A.; Vardanyan, A.A.; Saghiyan, A.S. Desalting of Neutral Amino Acids Fermentative Solutions by Electrodialysis with Ion-Exchange Membranes. Desalination 2008, 228, 237–244. [Google Scholar] [CrossRef]
- Elisseeva, T.V.; Shaposhnik, V.A.; Luschik, I.G. Demineralization and Separation of Amino Acids by Electrodialysis with Ion-Exchange Membranes. Desalination 2002, 149, 405–409. [Google Scholar] [CrossRef]
- Choi, J.-H.; Oh, S.-J.; Moon, S.-H. Structural Effects of Ion-Exchange Membrane on the Separation of L-Phenylalanine (L-Phe) from Fermentation Broth Using Electrodialysis. J. Chem. Technol. Biotechnol. 2002, 77, 785–792. [Google Scholar] [CrossRef]
- Nikonenko, V.V.; Pismenskaya, N.D.; Pourcelly, G.; Larchet, C. Simulation of Transport Phenomena in the Systems with Ion-Exchange Membranes. In Membranes and Membrane Technologies, 1st ed.; Yaroslavtsev, A.B., Ed.; Nauchnyi mir: Moscow, Russia, 2013; pp. 317–401. [Google Scholar]
- Kharina, A.Y.; Charushina, O.E.; Eliseeva, T.V. Organic Fouling of Anion-Exchange and Bipolar Membranes in the Separation of Amino Acids and Sucrose by Electrodialysis. Condens. Matter Interfaces 2023, 25, 268–276. [Google Scholar]
- Shaposhnik, V.A.; Selemenev, V.F.; Polyanskaya, N.N. Separation of Valine, Lysine and Glutamic Acid by Electrodialysis with Ion Exchange Membranes. J. Appl. Chem. 1990, 63, 206–209. [Google Scholar]
- Yuan, F.; Wang, Q.; Yang, P.; Cong, W. Transport Properties of Amino Acid Ions at Isoelectric Point in Electrodialysis. Sep. Purif. Technol. 2016, 168, 257–264. [Google Scholar] [CrossRef]
- Wang, G.; Zhang, C.; Sun, M.; Zhang, X.; Wu, C.; Wu, Y. Separation of Mixed Amino Acids by BMED Process Using Porous SPES and SPSf Cation Exchange Membranes. Sep. Purif. Technol. 2017, 188, 539–547. [Google Scholar] [CrossRef]
- Zhang, Y.; Chen, Y.; Yue, M.; Wang, L. Production of l-Lysine from l-Lysine Monohydrochloride by Bipolar Membrane Electrodialysis. Desalination Water Treat. 2012, 41, 105–113. [Google Scholar] [CrossRef]
- He, J.; Liu, W.; Hao, J.; Ma, X.; Zheng, Z.; Fang, Y.; Liang, Y.; Tian, Z.; Sun, L.; Li, C.; et al. Bipolar Membrane Electrodialysis for Direct Conversion of L-Ornithine Monohydrochloride to L-Ornithine. IJMS 2023, 24, 13174. [Google Scholar] [CrossRef]
- Bobreshova, O.V.; Kulintsov, P.I.; Bobrinskaya, G.V.; Balavadze, E.M. Electrodialysis Conversion of L-Lysine Monochlorohydrate to L-Lysine. Sorptsionnye I Khromatographicheskie Protsessi 2001, 3, 324–330. [Google Scholar]
- Eliseeva, T.; Krisilova, E.; Oros, G.; Selemenev, V. Arginine: Physico-Chemical Properties, Interactions with Ion-Exchange Membranes. Recovery and Concentration by Electrodialysis. In Arginine Amino Acid; Jacobs, N.L., Ed.; Nova Publishers: Hauppauge, NY, USA, 2011; pp. 143–162. [Google Scholar]
- Buchbender, F.; Wiese, M. Efficient Concentration of an Amino Acid Using Reactive Extraction Coupled with Bipolar Electrodialysis. Chem. Eng. Technol. 2018, 41, 2298–2305. [Google Scholar] [CrossRef]
- Vasil’eva, V.I.; Goleva, E.A. Selective Separation of Sodium Ions from a Mixture with Phenylalanine by Donnan Dialysis with a Profiled Sulfogroup Cation Exchange Membrane. Russ. J. Phys. Chem. 2013, 87, 1895–1901. [Google Scholar] [CrossRef]
- Vasil’eva, V.; Goleva, E.; Pismenskaya, N.; Kozmai, A.; Nikonenko, V. Effect of Surface Profiling of a Cation-Exchange Membrane on the Phenylalanine and NaCl Separation Performances in Diffusion Dialysis. Sep. Purif. Technol. 2019, 210, 48–59. [Google Scholar] [CrossRef]
- Kozmai, A.; Porozhnyy, M.; Gil, V.; Dammak, L. Phenylalanine Losses in Neutralization Dialysis: Modeling and Experiment. Membranes 2023, 13, 506. [Google Scholar] [CrossRef] [PubMed]
- Strathmann, H. Ion-Exchange Membrane Separation Processes, 1st ed.; Membrane Science and Technology Series; Elsevier: Amsterdam, The Netherlands, 2004. [Google Scholar]
- Grossman, G.; Sonin, A.A. Membrane Fouling in Electrodialysis: A Model and Experiments. Desalination 1973, 12, 107–125. [Google Scholar] [CrossRef]
- Korngold, E.; de Körösy, F.; Rahav, R.; Taboch, M.F. Fouling of Anionselective Membranes in Electrodialysis. Desalination 1970, 8, 195–220. [Google Scholar] [CrossRef]
- Spettmann, D.; Eppmann, S.; Flemming, H.-C.; Wingender, J. Simultaneous Visualisation of Biofouling, Organic and Inorganic Particle Fouling on Separation Membranes. Water Sci. Technol. 2007, 55, 207–210. [Google Scholar] [CrossRef]
- Lindstrand, V.; Sundström, G.; Jönsson, A.-S. Fouling of Electrodialysis Membranes by Organic Substances. Desalination 2000, 128, 91–102. [Google Scholar] [CrossRef]
- Dammak, L.; Fouilloux, J.; Bdiri, M.; Larchet, C.; Renard, E.; Baklouti, L.; Sarapulova, V.; Kozmai, A.; Pismenskaya, N. A Review on Ion-Exchange Membrane Fouling during the Electrodialysis Process in the Food Industry, Part 1: Types, Effects, Characterization Methods, Fouling Mechanisms and Interactions. Membranes 2021, 11, 789. [Google Scholar] [CrossRef] [PubMed]
- Hansima, M.A.C.K.; Makehelwala, M.; Jinadasa, K.B.S.N.; Wei, Y.; Nanayakkara, K.G.N.; Herath, A.C.; Weerasooriya, R. Fouling of Ion Exchange Membranes Used in the Electrodialysis Reversal Advanced Water Treatment: A Review. Chemosphere 2021, 263, 127951. [Google Scholar] [CrossRef] [PubMed]
- Mikhaylin, S.; Bazinet, L. Fouling on Ion-Exchange Membranes: Classification, Characterization and Strategies of Prevention and Control. Adv. Colloid Interface Sci. 2016, 229, 34–56. [Google Scholar] [CrossRef]
- Apel, P.Y.; Velizarov, S.; Volkov, A.V.; Eliseeva, T.V.; Nikonenko, V.V.; Parshina, A.V.; Pismenskaya, N.D.; Popov, K.I.; Yaroslavtsev, A.B. Fouling and Membrane Degradation in Electromembrane and Baromembrane Processes. Membr. Membr. Technol. 2022, 4, 69–92. [Google Scholar] [CrossRef]
- Lee, H.-J.; Hong, M.-K.; Han, S.-D.; Cho, S.-H.; Moon, S.-H. Fouling of an Anion Exchange Membrane in the Electrodialysis Desalination Process in the Presence of Organic Foulants. Desalination 2009, 238, 60–69. [Google Scholar] [CrossRef]
- Zheng, Y.; Jin, Y.; Zhang, N.; Wang, D.; Yang, Y.; Zhang, M.; Wang, G.; Lee, S.; Qu, W. Recovery of N, N-Dimethylglycine (DMG) from Dimethylglycine Hydrochloride by Bipolar Membrane Electrodialysis. Chem. Eng. Process. Process Intensif. 2022, 176, 108943. [Google Scholar] [CrossRef]
- Suwal, S.; Doyen, A.; Bazinet, L. Characterization of Protein, Peptide and Amino Acid Fouling on Ion-Exchange and Filtration Membranes: Review of Current and Recently Developed Methods. J. Membr. Sci. 2015, 496, 267–283. [Google Scholar] [CrossRef]
- Eliseeva, T.; Kharina, A. Current-Voltage and Transport Characteristics of Heterogeneous Ion-Exchange Membranes in Electrodialysis of Solutions Containing a Heterocyclic Amino Acid and a Strong Electrolyte. Membranes 2023, 13, 98. [Google Scholar] [CrossRef]
- Kattan Readi, O.M.; Gironès, M.; Nijmeijer, K. Separation of Complex Mixtures of Amino Acids for Biorefinery Applications Using Electrodialysis. J. Membr. Sci. 2013, 429, 338–348. [Google Scholar] [CrossRef]
- Bukhovets, A.; Eliseeva, T.; Oren, Y. Fouling of Anion-Exchange Membranes in Electrodialysis of Aromatic Amino Acid Solution. J. Membr. Sci. 2010, 364, 339–343. [Google Scholar] [CrossRef]
- Bukhovets, A.; Eliseeva, T.; Dalthrope, N.; Oren, Y. The Influence of Current Density on the Electrochemical Properties of Anion-Exchange Membranes in Electrodialysis of Phenylalanine Solution. Electrochim. Acta 2011, 56, 10283–10287. [Google Scholar] [CrossRef]
- Jakubke, H.-D.; Jeschkeit, H.; Jakubke, H.-D. Amino Acids, Peptides and Proteins: An Introduction; Macmillan: London, UK, 1977. [Google Scholar]
- Available online: http://www.azotom.ru/ionoobmennye_membrany/ (accessed on 31 August 2023).
- Silverstein, R.M.; Bassler, G.C.; Morrill, T.C. Spectrometric Identification of Organic Compounds; Wiley: Hoboken, NJ, USA, 1974. [Google Scholar]
- Arutyunov, P.A.; Tolstikhina, A.L.; Demidov, V.N. System of Parameters for the Analysis of Roughness and Microrelief of the Surface of Materials in Scanning Probe Microscopy. Ind. Lab. Diagn. Mater. 1998, 65, 27–37. [Google Scholar]
- DeStefanis, A.; Tomlinson, A.A.G. Scanning Probe Microscopies: From Surface Structure to Nano-Scale Engineering; Materials Science Foundations; Trans Tech Publications: Zurich, Switzerland, 2001. [Google Scholar]
- Bogatyrev, V.L. Ion Exchangers in the Mixed Layer; Publishing House “Khimiya”: Leningrad, USSR, 1968. [Google Scholar]
- Starov, V.M.; Zhdanov, S.A.; Kosvintsev, S.R.; Sobolev, V.D.; Velarde, M.G. Spreading of Liquid Drops over Porous Substrates. Adv. Colloid Interface Sci. 2003, 104, 123–158. [Google Scholar] [CrossRef]
- Badessa, T.S.; Shaposhnik, V.A. Electrical conductance studies on ion exchange membrane using contact-difference method. Electrochim. Acta 2017, 231, 453–459. [Google Scholar] [CrossRef]
- Shaposhnik, V.A. Kinetika Ėlektrodializa; Izd-vo Voronezskogo Universiteta: Voronezh, Russia, 1989. [Google Scholar]
- Berezina, N.P. Electrochemistry of Membrane Systems; Publishing House of KubGU: Krasnodar, Russia, 2009. [Google Scholar]
- Uglianskaia, V.A.; Chikin, G.A.; Selemenev, V.F.; Zavialova, T.A. Infrakrasnaia Spektroskopiia Ionoobmennykh Materialov; Izd-vo Voronezhskogo Universiteta: Voronezh, Russia, 1989. [Google Scholar]
- Bellamy, L.J. The Infra-Red Spectra of Complex Molecules, 3rd ed.; Chapman and Hall: Boca Raton, FL, USA; Wiley: Hoboken, NJ, USA, 1975. [Google Scholar]
- Muravyov, D.N. Ion-Exchange Isothermal Supersaturation of Amino Acid Solutions. J. Phys. Chem. 1979, 53, 438–442. [Google Scholar]
- Muravyov, D.N.; Fesenko, S.A. Ion Exchange in Supersaturated Solutions. Calculation of the Work of Formation of Critical Nuclei of Some Amino Acids from Supersaturated Solutions. J. Phys. Chem. 1982, 56, 1960–1964. [Google Scholar]
- Prokhorov, A.M.; Knuniants, I.L. Khimicheskaia Ėntssklopediia: V Piati Tomakh; Izd-vo «Sov. Ėntsiklopediia: Moscow, Russia, 1988. [Google Scholar]
- Zabolotskiĭ, V.I.; Nikonenko, V.V. Perenos Ionov v Membranakh; Nauka: Moscow, Russia, 1996. [Google Scholar]
- Dobrevsky, I.; Zvezdov, A. Investigation of Pore Structure of Ion Exchange Membranes. Desalination 1979, 28, 283–289. [Google Scholar] [CrossRef]
- Belashova, E.D.; Minakova, E.A.; Kharchenko, O.A.; Pismenskaya, N.D. Influence of structural changes on current-voltage characteristics of the anion exchange membrane after their long contact with an ampholyte solution. Sorptsionnye Khromatographicheskie Protsessi 2016, 16, 653–662. [Google Scholar]
- Fieser, L.F.; Fieser, M. Organic Chemistry: Advanced Course; Reinhold Publishing Corp.: New York, NY, USA, 1961. [Google Scholar]
- Selemenev, V.F.; Rudakov, O.B.; Slavinskaya, G.V.; Drozdova, N.V. Pigments of Food Production (Melanoidins); DeLi Print: Moscow, Russia, 2008. [Google Scholar]
- Ruban, E.L.; Liakh, S.P.; Khruleva, I.M.; Titova, I.A. [Melanin pigments in Nadsoniella nigra]. Izv. Akad. Nauk. SSSR Biol. 1969, 1, 134–148. [Google Scholar]









| Amino Acid | Structure | pI | pK | Relative Molecular Weight | Solubility, g/100 mL H2O, 25 °C | ||
|---|---|---|---|---|---|---|---|
| pK1 | pK2 | pKR | |||||
| Tyrosine (Tyr) | ![]() | 5.63 | 2.20 | 10.07 | 9.40 | 181.19 | 0.453 |
| Characteristic/Membrane | MK-40 | MA-41 | MB-2 |
|---|---|---|---|
| Composite repeating unit | ![]() | ![]() | , ![]() |
| Tensile strength, MPa, ≤ | 11.9 | 11.0 | 5.5 |
| Surface electrical resistance, Ohm·cm2, ≤ | 10.0 | 11.0 | 18.0 |
| Roughness Parameters | Membrane | |||||
|---|---|---|---|---|---|---|
| 1 | 2 | 3 | 4 | 5 | 6 | |
| Peak-to-peak, nm | 1277 | 1555 | 2009 | 1306 | 1435 | 1633 |
| Root mean square roughness, nm | 111 | 156 | 288 | 110 | 122 | 156 |
| Membrane Form | Contact Angle, θ, ° | Density, ρ, g cm−3 | Moisture Content, W, % |
|---|---|---|---|
| OH− | 66.0 ± 0.9 | 1.053 ± 0.001 | 38.9 |
| Tyr («pristine» membrane) | 73.3 ± 1.6 | 1.064 ± 0.005 | 31.5 |
| fouled membrane after 50 days of contact with Tyr solution | 81.1 ± 0.8 | 1.071 ± 0.001 | 33.1 |
| regenerated membrane (using HCl) | 69.2 ± 0.7 | 1.055 ± 0.003 | 37.1 |
| regenerated membrane (using NaOH) | 74.2 ± 0.7 | 1.066 ± 0.002 | 32.2 |
Disclaimer/Publisher’s Note: The statements, opinions and data contained in all publications are solely those of the individual author(s) and contributor(s) and not of MDPI and/or the editor(s). MDPI and/or the editor(s) disclaim responsibility for any injury to people or property resulting from any ideas, methods, instructions or products referred to in the content. |
© 2023 by the authors. Licensee MDPI, Basel, Switzerland. This article is an open access article distributed under the terms and conditions of the Creative Commons Attribution (CC BY) license (https://creativecommons.org/licenses/by/4.0/).
Share and Cite
Kharina, A.; Eliseeva, T. Tyrosine Amino Acid as a Foulant for the Heterogeneous Anion Exchange Membrane. Membranes 2023, 13, 844. https://doi.org/10.3390/membranes13100844
Kharina A, Eliseeva T. Tyrosine Amino Acid as a Foulant for the Heterogeneous Anion Exchange Membrane. Membranes. 2023; 13(10):844. https://doi.org/10.3390/membranes13100844
Chicago/Turabian StyleKharina, Anastasiia, and Tatiana Eliseeva. 2023. "Tyrosine Amino Acid as a Foulant for the Heterogeneous Anion Exchange Membrane" Membranes 13, no. 10: 844. https://doi.org/10.3390/membranes13100844
APA StyleKharina, A., & Eliseeva, T. (2023). Tyrosine Amino Acid as a Foulant for the Heterogeneous Anion Exchange Membrane. Membranes, 13(10), 844. https://doi.org/10.3390/membranes13100844






