Current-Voltage and Transport Characteristics of Heterogeneous Ion-Exchange Membranes in Electrodialysis of Solutions Containing a Heterocyclic Amino Acid and a Strong Electrolyte
Abstract
1. Introduction
2. Materials and Methods
2.1. Materials
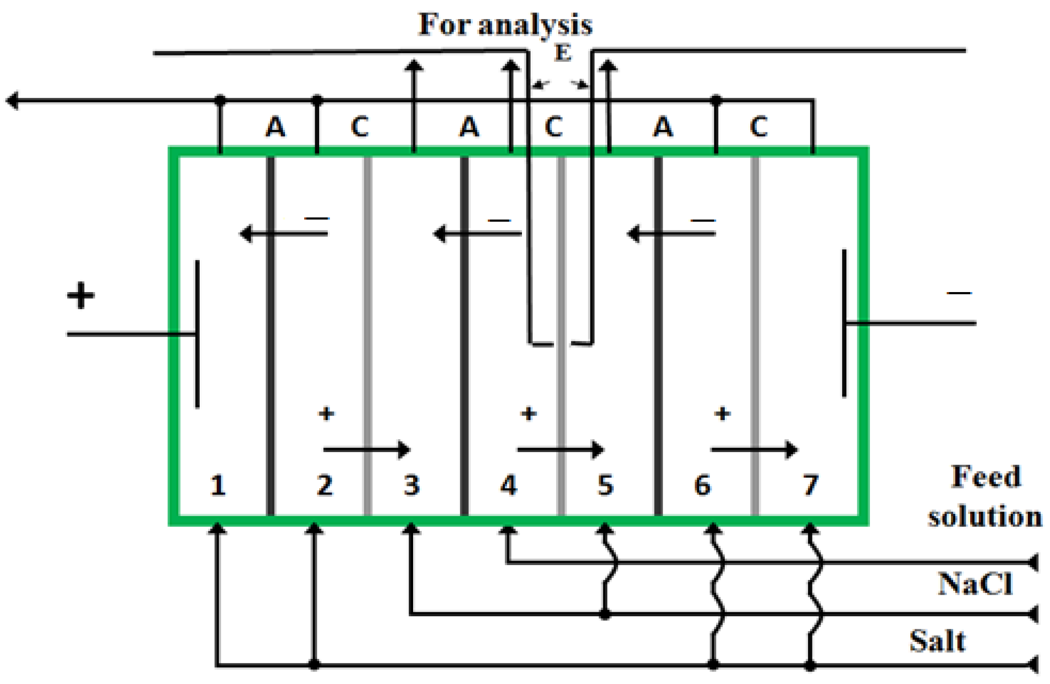
2.2. Methods
3. Results and Discussion
3.1. Current-Voltage Characteristics of Ion-Exchange Membranes in Electrodialysis of a Solution of Heterocyclic Amino Acid–Mineral Salt
3.2. Transport Characteristics of the Ion-Exchange Membranes during the Electrodialysis of a Heterocyclic Amino Acid–Mineral Salt Solution
4. Conclusions
Author Contributions
Funding
Institutional Review Board Statement
Informed Consent Statement
Data Availability Statement
Conflicts of Interest
References
- Bazinet, L.; Geoffroy, T.R. Electrodialytic Processes: Market Overview, Membrane Phenomena, Recent Developments and Sustainable Strategies. Membranes 2020, 10, 221. [Google Scholar] [CrossRef] [PubMed]
- Wang, X.; Tan, M.; Wang, M.; Zhou, G.; Liu, F.; Zhang, Y. Porphyrin Thin-Film Composite Cation Exchange Membranes Enable High Retention of Amino Acids in Electrodialysis. Sep. Purif. Technol. 2021, 279, 119729. [Google Scholar] [CrossRef]
- Wang, M.; Kuang, S.; Wang, X.; Kang, D.; Mao, D.; Qian, G.; Cai, X.; Tan, M.; Liu, F.; Zhang, Y. Transport of Amino Acids in Soy Sauce Desalination Process by Electrodialysis. Membranes 2021, 11, 408. [Google Scholar] [CrossRef]
- Eliseeva, T.; Kharina, A. Desalination of Neutral Amino Acid Solutions in an Electromembrane System. Membranes 2022, 12, 665. [Google Scholar] [CrossRef] [PubMed]
- Wu, J.; Xu, C.; Zhang, C.; Wang, G.; Yan, Y.; Wu, C.; Wu, Y. Desalination of L-Threonine (THR) Fermentation Broth by Electrodialysis. DWT 2017, 81, 47–58. [Google Scholar] [CrossRef]
- Aghajanyan, A.E.; Hambardzumyan, A.A.; Vardanyan, A.A.; Saghiyan, A.S. Desalting of Neutral Amino Acids Fermentative Solutions by Electrodialysis with Ion-Exchange Membranes. Desalination 2008, 228, 237–244. [Google Scholar] [CrossRef]
- Elisseeva, T.V.; Shaposhnik, V.A.; Luschik, I.G. Demineralization and Separation of Amino Acids by Electrodialysis with Ion-Exchange Membranes. Desalination 2002, 149, 405–409. [Google Scholar] [CrossRef]
- Choi, J.-H.; Oh, S.-J.; Moon, S.-H. Structural Effects of Ion-Exchange Membrane on the Separation of L-Phenylalanine (L-Phe) from Fermentation Broth Using Electrodialysis. J. Chem. Technol. Biotechnol. 2002, 77, 785–792. [Google Scholar] [CrossRef]
- Shaposhnik, V.A.; Eliseeva, T.V.; Selemenev, V.F. Transport of Glycine through the Ion-Exchange Membranes in Electrodialysis. Rus. J. Electrochem. 1993, 29, 794–795. [Google Scholar]
- Vasil’eva, V.I.; Eliseeva, T.V. Laser-Interferometry Study of the Barrier Effect in the Electrodialysis of Amino Acid Solutions. Russ. J. Electrochem. 2000, 36, 30–35. [Google Scholar] [CrossRef]
- Eliseeva, T.V.; Shaposhnik, V.A. Effects of Circulation and Facilitated Electromigration of Amino Acids in Electrodialysis with Ion-Exchange Membranes. Russ. J. Electrochem. 2000, 36, 64–67. [Google Scholar] [CrossRef]
- Krisilova, E.V.; Eliseeva, T.V.; Selemenev, V.F.; Krisilov, A.V.; Oros, G.Y. The Influence of Side Substituents in Amino Acids on Their Sorption by a Cation-Exchange Membrane. Russ. J. Phys. Chem. 2009, 83, 1763–1767. [Google Scholar] [CrossRef]
- Eliseeva, T.V.; Kharina, A.Y.; Chernikova, E.N.; Charushina, O.E. Demineralization of Heterocyclic Amino Acid Solutions by an Electromembrane Method. Sorpt. Chromatogr. Process. 2021, 21, 492–497. [Google Scholar] [CrossRef]
- Kharina, A.Y.; Eliseeva, T.V.; Selemenev, V.F. Mutual Effect of Mineral Salt and Amino Acid in Their Sorption by Heterogeneous Ion-Exchange Membranes. Russ. J. Phys. Chem. 2021, 95, 2118–2124. [Google Scholar] [CrossRef]
- Kharina, A.Y.; Eliseeva, T.V. Cation-Exchange Membrane MK-40 Characteristics in Electrodialysis of Mixed Solutions of Mineral Salt and Amino Acid. Sorpt. Chromatogr. Process. 2017, 17, 148–155. [Google Scholar]
- Zabolotsky, V.I.; Nikonenko, V.V. Perenos Ionov v Membranakh; Nauka: Moscow, Russia, 1996. [Google Scholar]
- Nikonenko, V.V.; Pismenskaya, N.D.; Pourcelly, G.; Larchet, C. Simulation of Transport Phenomena in the Systems with Ion-Exchange Membranes. In Membranes and Membrane Technologies, 1st ed.; Yaroslavtsev, A.B., Ed.; Nauchnyi mir: Moscow, Russia, 2013; pp. 317–401. [Google Scholar]
- Nikonenko, V.V.; Pismenskaya, N.D.; Belova, E.I.; Sistat, P.; Huguet, P.; Pourcelly, G.; Larchet, C. Intensive Current Transfer in Membrane Systems: Modelling, Mechanisms and Application in Electrodialysis. Adv. Colloid Interface Sci. 2010, 160, 101–123. [Google Scholar] [CrossRef]
- Nikonenko, V.V.; Pismenskaya, N.D.; Istoshin, A.G.; Zabolotsky, V.I.; Shudrenko, A.A. Description of Mass Transfer Characteristics of ED and EDI Apparatuses by Using the Similarity Theory and Compartmentation Method. Chem. Eng. Process. Process Intensif. 2008, 47, 1118–1127. [Google Scholar] [CrossRef]
- Spettmann, D.; Eppmann, S.; Flemming, H.-C.; Wingender, J. Simultaneous Visualisation of Biofouling, Organic and Inorganic Particle Fouling on Separation Membranes. Water Sci. Technol. 2007, 55, 207–210. [Google Scholar] [CrossRef] [PubMed]
- Korngold, E.; de Körösy, F.; Rahav, R.; Taboch, M.F. Fouling of Anionselective Membranes in Electrodialysis. Desalination 1970, 8, 195–220. [Google Scholar] [CrossRef]
- Lindstrand, V.; Sundström, G.; Jönsson, A.-S. Fouling of Electrodialysis Membranes by Organic Substances. Desalination 2000, 128, 91–102. [Google Scholar] [CrossRef]
- Dammak, L.; Fouilloux, J.; Bdiri, M.; Larchet, C.; Renard, E.; Baklouti, L.; Sarapulova, V.; Kozmai, A.; Pismenskaya, N. A Review on Ion-Exchange Membrane Fouling during the Electrodialysis Process in the Food Industry, Part 1: Types, Effects, Characterization Methods, Fouling Mechanisms and Interactions. Membranes 2021, 11, 789. [Google Scholar] [CrossRef] [PubMed]
- Hansima, M.A.C.K.; Makehelwala, M.; Jinadasa, K.B.S.N.; Wei, Y.; Nanayakkara, K.G.N.; Herath, A.C.; Weerasooriya, R. Fouling of Ion Exchange Membranes Used in the Electrodialysis Reversal Advanced Water Treatment: A Review. Chemosphere 2021, 263, 127951. [Google Scholar] [CrossRef]
- Mikhaylin, S.; Bazinet, L. Fouling on Ion-Exchange Membranes: Classification, Characterization and Strategies of Prevention and Control. Adv. Colloid Interface Sci. 2016, 229, 34–56. [Google Scholar] [CrossRef]
- Apel, P.Y.; Velizarov, S.; Volkov, A.V.; Eliseeva, T.V.; Nikonenko, V.V.; Parshina, A.V.; Pismenskaya, N.D.; Popov, K.I.; Yaroslavtsev, A.B. Fouling and Membrane Degradation in Electromembrane and Baromembrane Processes. Membr. Membr. Technol. 2022, 4, 69–92. [Google Scholar] [CrossRef]
- Strathmann, H. Ion-Exchange Membrane Separation Processes, 1st ed.; Membrane Science and Technology Series; Elsevier: Amsterdam, The Netherlands; Boston, MA, USA, 2004. [Google Scholar]
- Tanaka, N.; Nagase, M.; Higa, M. Organic Fouling Behavior of Commercially Available Hydrocarbon-Based Anion-Exchange Membranes by Various Organic-Fouling Substances. Desalination 2012, 296, 81–86. [Google Scholar] [CrossRef]
- Berkessa, Y.W.; Lang, Q.; Yan, B.; Kuang, S.; Mao, D.; Shu, L.; Zhang, Y. Anion Exchange Membrane Organic Fouling and Mitigation in Salt Valorization Process from High Salinity Textile Wastewater by Bipolar Membrane Electrodialysis. Desalination 2019, 465, 94–103. [Google Scholar] [CrossRef]
- Shi, L.; Hu, Z.; Simplicio, W.S.; Qiu, S.; Xiao, L.; Harhen, B.; Zhan, X. Antibiotics in Nutrient Recovery from Pig Manure via Electrodialysis Reversal: Sorption and Migration Associated with Membrane Fouling. J. Membr. Sci. 2020, 597, 117633. [Google Scholar] [CrossRef]
- Ayala-Bribiesca, E.; Araya-Farias, M.; Pourcelly, G.; Bazinet, L. Effect of Concentrate Solution PH and Mineral Composition of a Whey Protein Diluate Solution on Membrane Fouling Formation during Conventional Electrodialysis. J. Membr. Sci. 2006, 280, 790–801. [Google Scholar] [CrossRef]
- Sarapulova, V.; Nevakshenova, E.; Pismenskaya, N.; Dammak, L.; Nikonenko, V. Unusual Concentration Dependence of Ion-Exchange Membrane Conductivity in Ampholyte-Containing Solutions: Effect of Ampholyte Nature. J. Membr. Sci. 2015, 479, 28–38. [Google Scholar] [CrossRef]
- Belashova, E.D.; Minakova, E.A.; Kharchenko, O.A.; Pismenskaya, N.D. Influence of Structural Changes on Current-Voltage Characteristics of the Anion Exchange Membrane after Their Long Contact with an Ampholyte Solution. Sorpt. Chromatogr. Process. 2016, 16, 653–662. [Google Scholar]
- Lee, H.-J.; Hong, M.-K.; Han, S.-D.; Cho, S.-H.; Moon, S.-H. Fouling of an Anion Exchange Membrane in the Electrodialysis Desalination Process in the Presence of Organic Foulants. Desalination 2009, 238, 60–69. [Google Scholar] [CrossRef]
- Ping, Q.; Cohen, B.; Dosoretz, C.; He, Z. Long-Term Investigation of Fouling of Cation and Anion Exchange Membranes in Microbial Desalination Cells. Desalination 2013, 325, 48–55. [Google Scholar] [CrossRef]
- Krol, J. Concentration Polarization with Monopolar Ion Exchange Membranes: Current-Voltage Curves and Water Dissociation. J. Membr. Sci. 1999, 162, 145–154. [Google Scholar] [CrossRef]
- Maletzki, F.; Rösler, H.-W.; Staude, E. Ion Transfer across Electrodialysis Membranes in the Overlimiting Current Range: Stationary Voltage Current Characteristics and Current Noise Power Spectra under Different Conditions of Free Convection. J. Membr. Sci. 1992, 71, 105–116. [Google Scholar] [CrossRef]
- Krol, J. Chronopotentiometry and Overlimiting Ion Transport through Monopolar Ion Exchange Membranes. J. Membr. Sci. 1999, 162, 155–164. [Google Scholar] [CrossRef]
- Lee, H.; Hong, M.; Han, S.; Shim, J.; Moon, S. Analysis of Fouling Potential in the Electrodialysis Process in the Presence of an Anionic Surfactant Foulant. J. Membr. Sci. 2008, 325, 719–726. [Google Scholar] [CrossRef]
- Liu, C.X.; Zhang, D.R.; He, Y.; Zhao, X.S.; Bai, R. Modification of Membrane Surface for Anti-Biofouling Performance: Effect of Anti-Adhesion and Anti-Bacteria Approaches. J. Membr. Sci. 2010, 346, 121–130. [Google Scholar] [CrossRef]
- Pismenskaya, N.D.; Nikonenko, V.V.; Melnik, N.A.; Shevtsova, K.A.; Belova, E.I.; Pourcelly, G.; Cot, D.; Dammak, L.; Larchet, C. Evolution with Time of Hydrophobicity and Microrelief of a Cation-Exchange Membrane Surface and Its Impact on Overlimiting Mass Transfer. J. Phys. Chem. B 2012, 116, 2145–2161. [Google Scholar] [CrossRef]
- Merkel, A.; Fárová, H.; Voropaeva, D.; Yaroslavtsev, A.; Ahrné, L.; Yazdi, S.R. The Impact of High Effective Electrodialytic Desalination on Acid Whey Stream at High Temperature. Int. Dairy J. 2021, 114, 104921. [Google Scholar] [CrossRef]
- Merkel, A.; Ashrafi, A.M. An Investigation on the Application of Pulsed Electrodialysis Reversal in Whey Desalination. IJMS 2019, 20, 1918. [Google Scholar] [CrossRef]
- Sarapulova, V.; Shkorkina, I.; Mareev, S.; Pismenskaya, N.; Kononenko, N.; Larchet, C.; Dammak, L.; Nikonenko, V. Transport Characteristics of Fujifilm Ion-Exchange Membranes as Compared to Homogeneous Membranes AMX and CMX and to Heterogeneous Membranes MK-40 and MA-41. Membranes 2019, 9, 84. [Google Scholar] [CrossRef] [PubMed]
- Kotova, D.L.; Krysanova, T.A.; Eliseeva, T.V. Spectrophotometric Determination of Amino Acids in Aqueous Solutions; Publishing house of Voronezh. Univ.: Voronezh, Russia, 2004. [Google Scholar]
- Eliseeva, T.V.; Kharina, A.Y. Membrane Methods in the Process of Extraction and Separation of Liquid Media Components; Publishing House of Voronezh State Univ.: Voronezh, Russia, 2020. [Google Scholar]
- Fundamentals of Analytical Chemistry, 8th ed.; International Student Ed., [Repr.]; Skoog, D.A., Ed.; Thomson-Brooks/Cole: Belmont, UK, 2010. [Google Scholar]
- Christian, G.D.D.; Purnendu, K.; Schug, K.A. Analytical Chemistry; John Wiley & Sons: Hoboken, NJ, USA, 2020. [Google Scholar]
- Arutyunov, P.A.; Tolstikhina, A.L.; Demidov, V.N. System of Parameters for the Analysis of Roughness and Microrelief of the Surface of Materials in Scanning Probe Microscopy. Ind. Lab. Diagn. Mater. 1998, 65, 27–37. [Google Scholar]
- Afanasiev, V.I.; Tyunina, E.Y.; Ryabova, V.V. Structural Characteristics of Hydrate Complexes of Amino Acids in Aqueous Solutions. J. Struct. Chem. 2004, 45, 883–888. [Google Scholar] [CrossRef]
- Belashova, E.D.; Melnik, N.A.; Pismenskaya, N.D.; Shevtsova, K.A.; Nebavsky, A.V.; Lebedev, K.A.; Nikonenko, V.V. Overlimiting Mass Transfer through Cation-Exchange Membranes Modified by Nafion Film and Carbon Nanotubes. Electrochim. Acta 2012, 59, 412–423. [Google Scholar] [CrossRef]
- Bull, H.B.; Breese, K. Surface Tension of Amino Acid Solutions: A Hydrophobicity Scale of the Amino Acid Residues. Arch. Biochem. Biophys. 1974, 161, 665–670. [Google Scholar] [CrossRef] [PubMed]
- Khokhlova, O.N.; Khokhlov, V.Y.; Bashlykova, O.Y.; Trunaeva, E.S. Thermodynamics of Overequivalent Sorption in Multicomponent Ion-Exchange Systems with Amino Acids. Russ. J. Phys. Chem. 2017, 91, 771–775. [Google Scholar] [CrossRef]
- Zabolotsky, V.I.; Sheldeshov, N.V.; Gnusin, N.P. Dissociation of Water Molecules in Systems with Ion-Exchange Membranes. Russ. Chem. Rev. 1988, 57, 1403–1414. [Google Scholar] [CrossRef]
- Berezina, N.P.; Kononenko, N.A.; Dyomina, O.A.; Gnusin, N.P. Characterization of Ion-Exchange Membrane Materials: Properties vs Structure. Adv. Colloid Interface Sci. 2008, 139, 3–28. [Google Scholar] [CrossRef]
- Kharina, A.Y. Electrochemical Characteristics of Ion-Exchange Membranes in Electrodialysis of an Aromatic Amino Acid-Mineral Salt Solution. Ph.D. Thesis, Voronezh State University, Voronezh, Russia, 2017. [Google Scholar]
- Tulupov, P.E. Stability of Ion Exchange Materials; Chemistry: Moscow, Russia, 1984. [Google Scholar]
- Sata, T.; Tsujimoto, M.; Yamaguchi, T.; Matsusaki, K. Change of Anion Exchange Membranes in an Aqueous Sodium Hydroxide Solution at High Temperature. J. Membr. Sci. 1996, 112, 161–170. [Google Scholar] [CrossRef]










| Amino Acid | Structure | pI | pK | Molecular Weight | Solubility, g/100 mL H2O, 25 °C | Side Radical Volume, nm3 | |
|---|---|---|---|---|---|---|---|
| pK1 | pK2 | ||||||
| Tryptophan (Trp) | ![]() | 5.88 | 2.38 | 9.39 | 204.23 | 11.4 | 0.1755 |
| Proline (Pro) | ![]() | 6.30 | 1.99 | 10.60 | 115.13 | 162.3 | 0.09 |
| Membrane/Characteristic | MK-40 | MA-41 |
|---|---|---|
| Composite repeating unit | ![]() | ![]() |
| Thickness of wet membrane, microns | 520 ± 10 | 450 ± 50 |
| Exchange Capacity, mmol·g−1 wet | 1.52 ± 0.08 | 1.18 ± 0.06 |
| Water Content, g H2O/g wet, % | 33 ± 1 | 35 ± 2 |
| Transport number (0.5 M NaCl solution) | 0.992 | 0.986 |
| Density, g·cm−3 wet | 1.19 | 1.14 |
| Roughness Parameters | Membrane | |||||||
|---|---|---|---|---|---|---|---|---|
| MK-40 (1) | MK-40 (2) | MK-40 (3) | MK-40 (4) | MA-41 (1) | MA-41 (2) | MA-41 (3) | MA-41 (4) | |
| Peak-to-peak, nm | 2868.7 | 2868.6 | 2966.5 | 2869.0 | 2010.9 | 2079.7 | 2308.4 | 2020.2 |
| Root mean square roughness, nm | 485.3 | 528.6 | 761.6 | 490.7 | 161.1 | 170.4 | 208.9 | 162.2 |
Disclaimer/Publisher’s Note: The statements, opinions and data contained in all publications are solely those of the individual author(s) and contributor(s) and not of MDPI and/or the editor(s). MDPI and/or the editor(s) disclaim responsibility for any injury to people or property resulting from any ideas, methods, instructions or products referred to in the content. |
© 2023 by the authors. Licensee MDPI, Basel, Switzerland. This article is an open access article distributed under the terms and conditions of the Creative Commons Attribution (CC BY) license (https://creativecommons.org/licenses/by/4.0/).
Share and Cite
Eliseeva, T.; Kharina, A. Current-Voltage and Transport Characteristics of Heterogeneous Ion-Exchange Membranes in Electrodialysis of Solutions Containing a Heterocyclic Amino Acid and a Strong Electrolyte. Membranes 2023, 13, 98. https://doi.org/10.3390/membranes13010098
Eliseeva T, Kharina A. Current-Voltage and Transport Characteristics of Heterogeneous Ion-Exchange Membranes in Electrodialysis of Solutions Containing a Heterocyclic Amino Acid and a Strong Electrolyte. Membranes. 2023; 13(1):98. https://doi.org/10.3390/membranes13010098
Chicago/Turabian StyleEliseeva, Tatiana, and Anastasiia Kharina. 2023. "Current-Voltage and Transport Characteristics of Heterogeneous Ion-Exchange Membranes in Electrodialysis of Solutions Containing a Heterocyclic Amino Acid and a Strong Electrolyte" Membranes 13, no. 1: 98. https://doi.org/10.3390/membranes13010098
APA StyleEliseeva, T., & Kharina, A. (2023). Current-Voltage and Transport Characteristics of Heterogeneous Ion-Exchange Membranes in Electrodialysis of Solutions Containing a Heterocyclic Amino Acid and a Strong Electrolyte. Membranes, 13(1), 98. https://doi.org/10.3390/membranes13010098





