Analysis of Calcium Sulfate Scaling Phenomena on Reverse Osmosis Membranes by Scaling-Based Flux Model
Abstract
1. Introduction
2. Materials and Methods
2.1. Reagents and Concentration Measurement Methods
2.2. Reverse Osmosis Membranes
2.3. Flat Membrane Cells
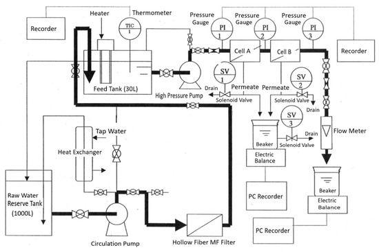
2.4. Experimental Equipment
2.5. Mass-Transfer Coefficient Measurement
2.5.1. Previous Studies
2.5.2. Measurement of Mass-Transfer Coefficient by Velocity Variation Method
2.6. Scale Precipitation Experiments
3. Results and Discussion
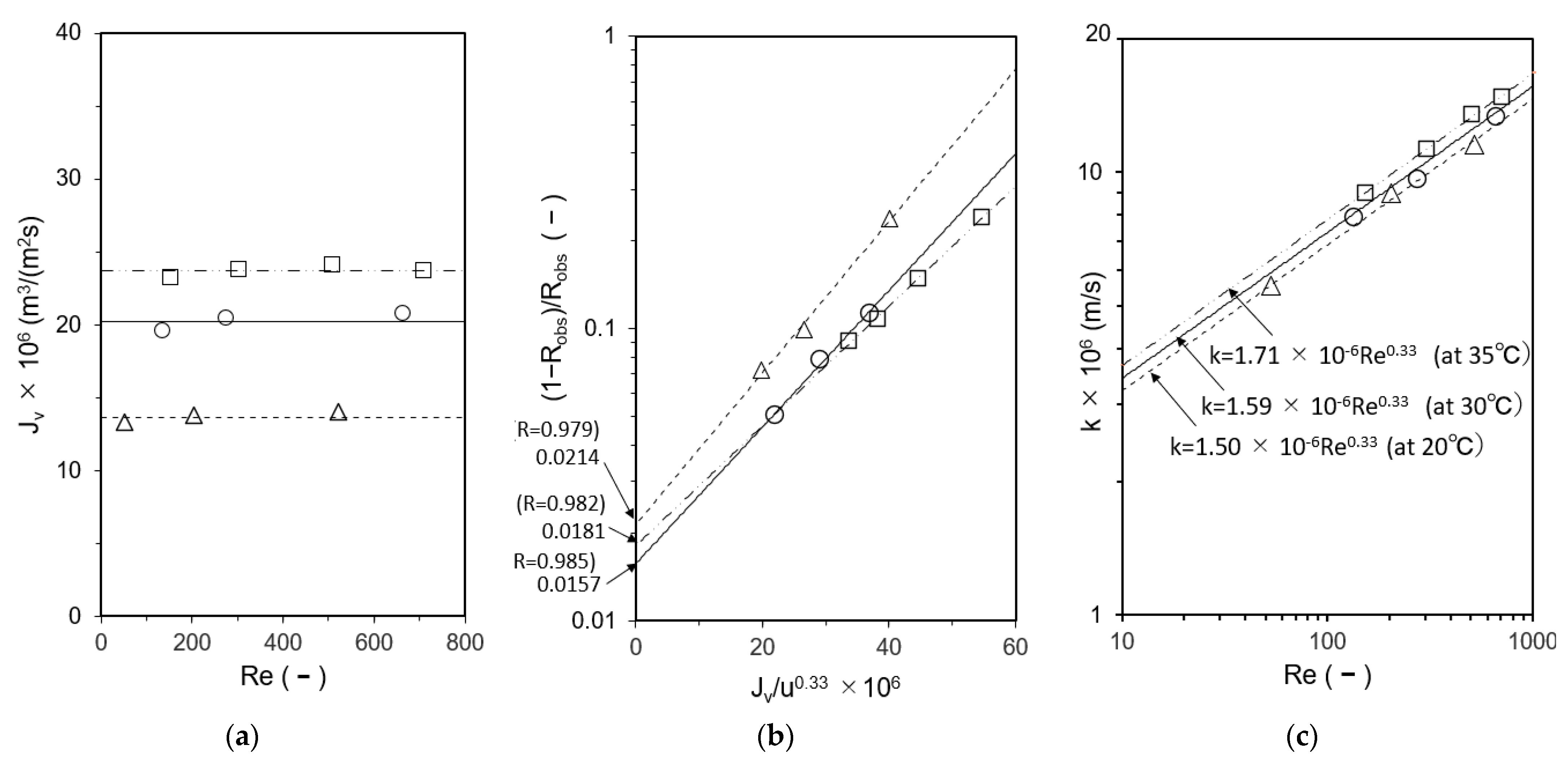
3.1. Mass-Transfer Coefficient
3.1.1. Experimental Measurement of Mass-Transfer Coefficient by Velocity Variation Method
3.1.2. Determination of Mass-Transfer Coefficient in Flat Membrane Cell
3.2. Permeate Flux Change with Time
3.2.1. Introduction of Scaling-Based Flux Model
- (a)
- Cake formation mechanism
- (b)
- Surface blockage mechanism
- (c)
- Mixed crystallization mechanism
3.2.2. Scaling Index
3.2.3. Osmotic Pressure Model
3.2.4. Experimental Results of Permeate Flux Change with Time
3.3. Study of Convergent Value of Permeate Flux with Scale Precipitation
3.3.1. Effect of Operating Pressure on Convergent Value of Permeate Flux
3.3.2. Effect of CaSO4 Concentration on Convergent Value of Permeate Flux
3.3.3. Effect of Temperature on Convergent Value of Permeate Flux
= 1.23 × 10−5(T exp(−2005/T))0.67 m3/(m2s).
3.3.4. Effect of Reynolds Number on Convergent Value of Permeate Flux
4. Advice for Reverse Osmosis Plant Designers, Operators, and Membrane Manufacturers
5. Conclusions
- The phenomena of scale precipitation on a membrane surface were investigated. Using a newly proposed scaling-based flux model, the permeate fluxes of three mechanisms related to scale precipitation phenomena—cake formation, surface blockage, and mixed crystallization—were explained to converge to the same scaling-based critical flux, defined by Equation (14).
- The scaling-based critical flux and scaling index (SCI) defined by Equation (15) were investigated. An operating condition described by SCI > 1 is a scaling zone, in which scale precipitates on the RO membrane surface, and the permeate flux decreases with time and finally converges to the scaling-based critical flux. An operating condition described by SCI ≤ 1 is a non-scaling zone, in which there is no scale precipitation on the RO membrane surface and no decline in permeate flux with time.
- Experiments were conducted to investigate the effects of operating conditions, such as pressure, solute concentration, temperature, and Re. It was found that scale precipitation on the RO membrane surface could be determined by the scaling index (SCI). In the non-scaling zone (SCI ≤ 1), there was no scale precipitation on the membrane surface and the permeate flux was constant with time; in the scaling zone (SCI > 1), the permeate flux decreased with time and finally converged to the scaling-based critical flux.
Author Contributions
Funding
Institutional Review Board Statement
Informed Consent Statement
Data Availability Statement
Acknowledgments
Conflicts of Interest
Abbreviations
| A | Pure water permeability (m3/(m2 s Pa)) |
| a | Constant |
| a1 | Constant |
| b | Constant |
| b1 | Constant |
| C | Solute concentration (mg/L) |
| Cb | Solute concentration of bulk feed (mg/L) |
| Cm | Solute concentration on membrane (mg/L) |
| Cp | Solute concentration of permeate (mg/L) |
| Cs | Saturated concentration of solute (mg/L) |
| c | Constant |
| D | Diffusion coefficient (m2/s) |
| dh | Hydraulic diameter (m) |
| Jsc | Scaling-based critical flux (m3/(m2 s)) |
| J’sc | Modified scaling-based critical flux (m3/(m2 s)) |
| Jv | Permeate volume flux (m3/(m2 s)) |
| Jv,0 | Initial permeate volume flux (m3/(m2 s)) |
| Jv,∞ | Convergent permeate volume flux (m3/(m2 s)) |
| k | Mass-transfer coefficient (m/s) |
| L | Length of flow channel of cell (m) |
| P | Operating pressure (MPa) |
| ΔP | Operating pressure difference (MPa) |
| R | Real rejection (−) |
| Robs | Observed rejection (−) |
| Re | Reynolds number (−) |
| Sc | Schmidt number (−) |
| Sh | Sherwood number (−) |
| SCI | Scaling index (−) |
| T | Temperature (K) |
| u | Flow velocity (m/s) |
| x | Distance (m) |
| α | Constant |
| δ | Boundary layer thickness (m) |
| μ | Viscosity (Pa s) |
| π | Osmotic pressure (MPa) |
| Δπ | Osmotic pressure difference (MPa) |
| ρ | Density (kg/m3) |
References
- Matsuura, T. Progress in membrane science and technology for seawater desalination—A review. Desalination 2001, 134, 47–54. [Google Scholar] [CrossRef]
- Sauvet-Goichon, B. Ashkelon desalination plant—A successful challenge. Desalination 2007, 203, 75–81. [Google Scholar] [CrossRef]
- Jiao, B.; Cassano, A.; Drioli, E. Recent advances on membrane process for concentration of fruit juices: A review. J. Food Eng. 2004, 63, 303–324. [Google Scholar] [CrossRef]
- Ganju, S.; Gogata, P.R. A review on approaches for effluent recovery of whey proteins from dairy industry effluents. J. Food Eng. 2017, 215, 84–96. [Google Scholar] [CrossRef]
- Ohya, H.; Suzuki, T.; Nakao, S.; Kato, S.; Tsuji, M.; Sugi, J. Proposal of an integrated system for the complete usage of sea water. Bull. Soc. Sea Water Sci. Jpn. 1995, 49, 195–201. [Google Scholar]
- Okazaki, M.; Kimura, S. Scale formation on reverse osmosis membranes. J. Chem. Eng. Jpn. 1984, 17, 145–151. [Google Scholar] [CrossRef][Green Version]
- Rahardianto, A.; Shih, W.Y.; Lee, R.W.; Cohen, Y. Diagnostic characterization of gypsum scale formation and control in RO membrane desalination of brackish water. J. Membr. Sci. 2006, 279, 655–668. [Google Scholar] [CrossRef]
- Pervov, A.G. Scale formation prognosis and cleaning procedure schedules in reverse osmosis systems operation. Desalination 1991, 83, 77–118. [Google Scholar] [CrossRef]
- Shih, W.Y.; Rahardianto, A.; Lee, R.W.; Cohen, Y. Morphometric characterization of calcium sulfate dihydrate (gypsum) scale on reverse osmosis membranes. J. Membr. Sci. 2005, 252, 253–263. [Google Scholar] [CrossRef]
- Oh, H.J.; Choung, Y.K.; Lee, S.; Choi, J.S.; Hwang, T.M.; Kim, J.H. Scale formation in reverse osmosis desalination: Model development. Desalination 2009, 238, 333–346. [Google Scholar] [CrossRef]
- Logan, D.P.; Kimura, S. Control of gypsum scale on reverse osmosis membranes. Desalination 1985, 54, 321–331. [Google Scholar] [CrossRef]
- Hasson, D.; Dark, A.; Semiat, R. Inspection of CaSO4 scaling on RO membranes at various water recovery levels. Desalination 2001, 139, 73–81. [Google Scholar] [CrossRef]
- Jawor, A.; Hoek, E.M.V. Effects of feed water temperature on inorganic fouling of brackish water RO membranes. Desalination 2009, 235, 44–57. [Google Scholar] [CrossRef]
- Wang, F.; Davis, T.E.; Tarabara, V.V. Crystallization of calcium sulfate dihydrate in the presence of colloidal silica. Ind. Eng. Chem. Res. 2010, 49, 11344–11350. [Google Scholar] [CrossRef]
- Hu, Z.; Antony, A.; Leslie, G.; Le-Clech, P. Real-time monitoring of scale formation in reverse osmosis using electrical impedance spectroscopy. J. Membr. Sci. 2014, 453, 320–327. [Google Scholar] [CrossRef]
- Semiat, R.; Sutzkover, I.; Hasson, D. Technique for evaluating silica scaling and its inhibition on RO desalting. Desalination 2001, 140, 181–193. [Google Scholar] [CrossRef]
- Lin, C.J.; Rao, P.; Shirazi, S. Effect of operating parameters on permeate flux decline caused by cake formation—A model study. Desalination 2004, 171, 95–105. [Google Scholar] [CrossRef]
- Gilron, J.; Hasson, D. Calcium sulfate fouling of reverse osmosis membranes: Flux decline mechanism. Chem. Eng. Sci. 1987, 42, 2351–2360. [Google Scholar] [CrossRef]
- Lisitsin, D.; Hasson, D.; Semiat, R. Critical flux detection in a silica scaling RO system. Desalination 2005, 186, 311–318. [Google Scholar] [CrossRef]
- Borden, J.; Gilron, J.; Hasson, D. Analysis of RO flux decline due to membrane surface blockage. Desalination 1987, 66, 257–269. [Google Scholar] [CrossRef]
- Fountoukidis, E.; Maroulis, Z.B.; Marinos-Kouris, D. Modeling of calcium sulfate fouling of reverse osmosis membranes. Desalination 1989, 72, 293–318. [Google Scholar] [CrossRef]
- Fountoukidis, E.; Maroulis, Z.B.; Marinos-Kouris, D. Crystallization of calcium sulfate on reverse osmosis membranes. Desalination 1990, 79, 47–63. [Google Scholar] [CrossRef]
- Brusilovsky, M.; Borden, J.; Hasson, D. Flux decline due to gypsum precipitation on RO membranes. Desalination 1992, 86, 187–222. [Google Scholar] [CrossRef]
- Benecke, J.; Haas, M.; Baur, F.; Ernst, M. Investigating the development and reproductivity of heterogeneous gypsum scaling on reverse osmosis membranes using real-time membrane surface imaging. Desalination 2018, 428, 161–171. [Google Scholar] [CrossRef]
- Bartman, A.R.; Lyster, E.; Rallo, R.; Christofides, P.D.; Cohen, Y. Mineral scale monitoring for reverse osmosis desalination via real-time membrane surface image analysis. Desalination 2011, 273, 64–71. [Google Scholar] [CrossRef]
- Shmulevsky, M.; Li, X.; Shemer, H.; Hasson, D.; Semiat, R. Analysis of the onset of calcium sulfate scaling on RO membranes. J. Membr. Sci. 2017, 524, 299–304. [Google Scholar] [CrossRef]
- Lee, S.; Kim, J.; Lee, C.H. Analysis of CaSO4 scale formation mechanism in various nanofiltration modules. J. Membr. Sci. 1999, 163, 63–74. [Google Scholar] [CrossRef]
- Lee, S.; Lee, C.H. Effect of operating conditions on CaSO4 scale formation mechanism in nanofiltration for water softening. Wat. Res. 2000, 34, 3854–3866. [Google Scholar] [CrossRef]
- Dydo, P.; Turek, M.; Ciba, J. Scaling analysis of nanofiltration systems fed with saturated calcium sulfate solutions in the presence of carbonate ions. Desalination 2003, 159, 245–251. [Google Scholar] [CrossRef]
- Shirazi, S.; Lin, C.J.; Chen, D. Inorganic fouling of pressure-driven membrane processes—A critical review. Desalination 2010, 250, 236–248. [Google Scholar] [CrossRef]
- Antony, A.; Low, J.H.; Gray, S.; Childress, A.E.; Le-Clech, P.; Leslie, G. Scale formation and control in high pressure membrane water treatment systems: A review. J. Membr. Sci. 2011, 383, 1–16. [Google Scholar] [CrossRef]
- Al-Roomi, Y.M.; Hussain, K.F. Potential kinetic model for scaling and scale inhibition mechanism. Desalination 2016, 393, 186–195. [Google Scholar] [CrossRef]
- Matin, A.; Rahman, F.; Shafi, H.Z.; Zubair, S.M. Scaling of reverse osmosis membranes used in water desalination: Phenomena, impact, and control; future directions. Desalination 2019, 455, 135–157. [Google Scholar] [CrossRef]
- Uppu, A.; Chaudhuri, A.; Das, S.P.; Prakash, N. CFD modeling of gypsum scaling in cross-flow RO filters using moments of particle population balance. J. Environ. Chem. Eng. 2020, 8, 104151. [Google Scholar] [CrossRef]
- Lee, S.; Lueptow, R.M. Control of scale formation in reverse osmosis by membrane rotation. Desalination 2003, 155, 131–139. [Google Scholar] [CrossRef]
- Al-Amoudi, A.; Lovitt, R.W. Fouling strategies and the cleaning system of NF membranes and factors affecting cleaning efficiency. J. Membr. Sci. 2007, 303, 4–28. [Google Scholar] [CrossRef]
- Liu, Q.; Xu, G.R.; Das, R. Inorganic scaling in reverse osmosis (RO) desalination: Mechanisms, monitoring, and inhibition strategies. Desalination 2019, 468, 114065. [Google Scholar] [CrossRef]
- Field, R.W.; Wu, D.; Howell, J.A.; Gupta, B.B. Critical flux concept for microfiltration fouling. J. Membr. Sci. 1995, 100, 259–272. [Google Scholar] [CrossRef]
- Manttari, M.; Nystrom, M. Critical flux in NF of high molar mass polysaccharides and effluents from the paper industry. J. Membr. Sci. 2000, 170, 257–273. [Google Scholar] [CrossRef]
- Seidel, A.; Elimelech, M. Coupling between chemical and physical interactions in natural organic matter (NOM) fouling of nanofiltration membranes: Implications for fouling control. J. Membr. Sci. 2002, 203, 245–255. [Google Scholar] [CrossRef]
- Espinasse, B.; Bacchin, P.; Aimar, P. On an experimental method to measure critical flux in ultrafiltration. Desalination 2002, 146, 91–96. [Google Scholar] [CrossRef]
- Bacchin, P. A possible link between critical and limiting flux for colloidal systems: Consideration of critical deposit formation along a membrane. J. Membr. Sci. 2004, 228, 237–241. [Google Scholar] [CrossRef]
- Bacchin, P.; Aimar, P.; Sanchez, V. Model for colloidal fouling of membranes. AIChE J. 1995, 41, 368–376. [Google Scholar] [CrossRef]
- Bacchin, P.; Aimar, P.; Field, R.W. Critical and sustainable fluxes: Theory, experiments and applications. J. Membr. Sci. 2006, 281, 42–69. [Google Scholar] [CrossRef]
- Vrouwenvelder, J.S.; Paassen, J.A.M.; Agtmaal, J.M.C.; Loosdrecht, M.C.M.; Kruithof, J.C. A critical flux to avoid biofouling of spiral wound nanofiltration and reverse osmosis membranes: Fact or fiction? J. Membr. Sci. 2009, 326, 36–44. [Google Scholar] [CrossRef]
- Field, R.W.; Pearce, G.K. Critical, sustainable and threshold fluxes for membrane filtration with water industry applications. Adv. Colloid Interface Sci. 2011, 164, 38–44. [Google Scholar] [CrossRef]
- Beier, S.P.; Jonsson, G. Critical flux determination by flux-stepping. AIChE J. 2010, 56, 1739–1747. [Google Scholar] [CrossRef]
- Maruf, S.H.; Wang, L.; Greenberg, A.R.; Pellegrino, J.; Ding, Y. Use of nanoimprinted surface patterns to mitigate colloidal deposition on ultrafiltration membranes. J. Membr. Sci. 2013, 428, 598–607. [Google Scholar] [CrossRef]
- Luo, J.; Zhu, Z.; Ding, L.; Bals, O.; Wan, Y.; Jaffrin, M.Y.; Vorobiev, E. Flux behavior in clarification chicory juice by high-shear membrane filtration: Evidence for threshold flux. J. Membr. Sci. 2013, 435, 120–129. [Google Scholar] [CrossRef]
- Stoller, M.; Bravi, M.; Chianese, A. Threshold flux measurements of a nanofiltration membrane module by critical flux data conversion. Desalination 2013, 315, 142–148. [Google Scholar] [CrossRef]
- Ochando-Pulido, J.M.; Hodaifa, G.; Martinez-Ferez, A. Permeate recirculation impact on concentration polarization and fouling on RO purification of olive mill wastewater. Desalination 2014, 343, 169–179. [Google Scholar] [CrossRef]
- Luo, J.; Morthensen, S.T.; Meyer, A.S.; Pinelo, M. Filtration behavior of casein glycomacropeptide (CGMP) in an enzymatic membrane reactor: Fouling control by membrane selection and threshold flux operation. J. Membr. Sci. 2014, 469, 127–139. [Google Scholar] [CrossRef]
- Ochando-Pulido, J.M.; Hodaifa, G.; Victor-Ortega, M.D.; Martinez-Ferez, A. Fouling control by threshold flux measurements in the treatment of different olive mill wastewater streams by membranes-in-series process. Desalination 2014, 343, 162–168. [Google Scholar] [CrossRef]
- Stoller, M.; Ochando-Pulido, J.M. About merging threshold and critical flux concepts into a single one: The boundary flux. Sci. World J. 2014, 2014, 656101. [Google Scholar] [CrossRef]
- Lan, Y.; Groenen-Serrano, K.; Coetsier, C.; Causserand, C. Fouling control using critical, threshold and limiting fluxes concepts for cross-flow NF of a complex matrix: Membrane bioreactor effluent. J. Membr. Sci. 2017, 524, 288–298. [Google Scholar] [CrossRef]
- Cohen, R.D.; Probstein, R.F. Colloidal fouling of reverse osmosis membranes. J. Colloid Interface Sci. 1986, 114, 194–207. [Google Scholar] [CrossRef]
- Luo, J.; Ding, L.; Wan, Y.; Jaffrin, M.Y. Threshold flux of shear-enhanced nanofiltration: Experimental observation in dairy wastewater treatment. J. Membr. Sci. 2012, 409–410, 276–284. [Google Scholar] [CrossRef]
- Miller, D.J.; Kasemset, S.; Wang, L.; Paul, D.R.; Freeman, B.D. Constant flux crossflow filtration evaluation of surface-modified fouling-resistant membranes. J. Membr. Sci. 2014, 452, 171–183. [Google Scholar] [CrossRef]
- Miller, D.J.; Kasemset, S.; Paul, D.R.; Freeman, B.D. Comparison of membrane fouling at constant flux and constant transmembrane pressure conditions. J. Membr. Sci. 2014, 454, 505–515. [Google Scholar] [CrossRef]
- Tang, C.Y.; Leckie, J.O. Membrane independent limiting flux for RO and NF membranes fouled by humid acid. Environ. Sci. Technol. 2007, 41, 4767–4773. [Google Scholar] [CrossRef]
- Tang, C.Y.; Kwon, Y.N.; Leckie, J.O. The role of foulant—Foulant electrostatic interaction on limiting flux for RO and UF membranes during humic acid fouling—Theoretical basis, experimental evidence, and AFM interaction force measurement. J. Membr. Sci. 2009, 326, 526–532. [Google Scholar] [CrossRef]
- Nobel, R.D.; Stern, S.A. Membrane Separations Technology—Principles and Applications; Elsevier Science: Amsterdam, The Netherlands, 1995; pp. 49–52, 61, 117. [Google Scholar]
- Nakao, S.; Kimura, S. Analysis of solutes rejection in ultrafiltration. J. Chem. Eng. Jpn. 1981, 14, 32–37. [Google Scholar] [CrossRef]
- Taniguchi, M.; Kimura, S. Estimation of transport parameters of RO membranes for seawater desalination. AIChE J. 2000, 46, 1967–1973. [Google Scholar] [CrossRef]
- Schock, G.; Miquel, A. Mass transfer and pressure loss in spiral wound modules. Desalination 1987, 64, 339–352. [Google Scholar] [CrossRef]
- Kimura, S.; Sourirajan, S. Mass transfer coefficients for use in reverse osmosis process design. Ind. Eng. Chem. Process Des. Dev. 1968, 7, 539–547. [Google Scholar] [CrossRef]
- Perry, J.H. Chemical Engineers’ Handbook, 4th ed.; McGraw Hill: New York, NY, USA, 1963; Chapter 3, pp. 70, 201; Chapter 14, pp. 23–24. [Google Scholar]
- Olson, R.L.; Walton, J.S. Diffusion coefficients of organic liquids in solution from surface tension measurements. Ind. Eng. Chem. 1951, 43, 703–706. [Google Scholar] [CrossRef]
- Haskell, R. The effect of concentration and ionization on the rates of diffusion of salts in aqueous solution. Phys. Rev. 1908, 27, 145–182. [Google Scholar] [CrossRef]
- Linke, W.F. Solubilities, Inorganic and Metal Organic Compounds, 4th ed.; D. Van Nostrand Company: Princeton, NJ, USA, 1958; Volume 1, p. 660. [Google Scholar]
- Iwasawa, Y. Chemical Handbook Basic Edition, 5th ed.; Maruzen: Tokyo, Japan, 2004; p. II-150. (In Japanese) [Google Scholar]
- Moore, W.J. Physical Chemistry, 2nd ed.; Prentice Hall: Hoboken, NJ, USA, 1995; pp. 131–132. [Google Scholar]
- Wilke, C.R. Estimation of liquid diffusion coefficients. Chem. Eng. Prog. 1949, 45, 218–224. [Google Scholar]
- Andrade, E.N.C. The viscosity of liquids. Nature 1930, 125, 582–584. [Google Scholar] [CrossRef]












| Membrane Model | ||||
|---|---|---|---|---|
| UTC-60 | UTC-70UL | UTC-70 | UTC-80 | |
| Performance | ||||
| Permeate flux (m3/(m2d) | 0.78 | 1.15 | 1.26 | 0.65 |
| Salt rejection (%) | 70.9 | 99.5 | 99.7 | 99.9 |
| Test conditions | ||||
| Applied pressure (MPa) | 0.35 | 0.75 | 1.5 | 5.5 |
| Temperature (°C) | 25 | 25 | 25 | 25 |
| NaCl concentration (mg/L) | 500 | 1500 | 1500 | 3.5% Seawater |
| pH (−) | 6.5 | 6.5 | 6.5 | 6.5 |
Publisher’s Note: MDPI stays neutral with regard to jurisdictional claims in published maps and institutional affiliations. |
© 2022 by the authors. Licensee MDPI, Basel, Switzerland. This article is an open access article distributed under the terms and conditions of the Creative Commons Attribution (CC BY) license (https://creativecommons.org/licenses/by/4.0/).
Share and Cite
Yokoyama, F.; Nakajima, M.; Ichikawa, S. Analysis of Calcium Sulfate Scaling Phenomena on Reverse Osmosis Membranes by Scaling-Based Flux Model. Membranes 2022, 12, 894. https://doi.org/10.3390/membranes12090894
Yokoyama F, Nakajima M, Ichikawa S. Analysis of Calcium Sulfate Scaling Phenomena on Reverse Osmosis Membranes by Scaling-Based Flux Model. Membranes. 2022; 12(9):894. https://doi.org/10.3390/membranes12090894
Chicago/Turabian StyleYokoyama, Fumio, Mitsutoshi Nakajima, and Sosaku Ichikawa. 2022. "Analysis of Calcium Sulfate Scaling Phenomena on Reverse Osmosis Membranes by Scaling-Based Flux Model" Membranes 12, no. 9: 894. https://doi.org/10.3390/membranes12090894
APA StyleYokoyama, F., Nakajima, M., & Ichikawa, S. (2022). Analysis of Calcium Sulfate Scaling Phenomena on Reverse Osmosis Membranes by Scaling-Based Flux Model. Membranes, 12(9), 894. https://doi.org/10.3390/membranes12090894

