Effects of Scaffold Pore Morphologies on Glucose Transport Limitations in Hollow Fibre Membrane Bioreactor for Bone Tissue Engineering: Experiments and Numerical Modelling
Abstract
1. Introduction
2. Materials and Methods
2.1. Fabrication of Porous Poly(ε-caprolactone) (PCL) Scaffolds
2.2. Characterization of Scaffolds and Membranes
2.2.1. Determination of Fibre–Fibre Space and Fibre Diameter of Electrospun Scaffold
2.2.2. Determination of Porosity () and Tortuosity (τ) of Scaffold and Membrane
2.2.3. Determination of Effective Glucose Diffusivity in Membranes and Scaffolds
2.3. Image Processing
2.3.1. Determination and Calibration of Scaffold Porosity
2.3.2. Determination of Tortuosity of the Prepared Scaffolds
2.3.3. Determination and Calibration of Diffusivity of Electrospun Fibres in Cell Culture Media (CCM) and Water from Image Processing
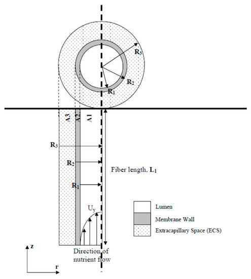
2.4. Bioreactor Modelling
2.4.1. Glucose Transport Equations
2.4.2. Non-Dimensionalisation of Equations
3. Results and Discussion
3.1. Characterisation of Materials
3.2. Fibre–Fibre Space and Fibre Diameter
3.3. Porosity and Tortuosity
3.4. Experimental Values Glucose Diffusivities in Different Electrospun Scaffolds
3.5. Image Analysis for Commercial Membranes and In-House Electrospun Scaffolds
3.5.1. Porosities and Tortuosity Analyses
3.5.2. Effective Diffusion Coefficient in Water and CCM
3.6. Modelling Nutrient Transport Taking into Consideration of the Microstructure of the Scaffold
4. Conclusions
Author Contributions
Funding
Institutional Review Board Statement
Data Availability Statement
Conflicts of Interest
References
- Baroli, B. From natural bone grafts to tissue engineering therapeutics: Brainstorming on pharmaceutical formulative requirements and challenges. J. Pharm. Sci. 2009, 98, 1317–1375. [Google Scholar] [CrossRef] [PubMed]
- Kumar, P.; Saini, M.; Dehiya, B.S.; Sindhu, A.; Kumar, V.; Kumar, R.; Lamberti, L.; Pruncu, C.I.; Thakur, R. Comprehensive Survey on Nanobiomaterials for Bone Tissue Engineering Applications. Nanomaterials 2020, 10, 2019. [Google Scholar] [CrossRef] [PubMed]
- Roseti, L.; Parisi, V.; Petretta, M.; Cavallo, C.; Desando, G.; Bartolotti, I.; Grigolo, B. Scaffolds for Bone Tissue Engineering: State of the art and new perspectives. Mater. Sci. Eng. C 2017, 78, 1246–1262. [Google Scholar] [CrossRef]
- Gaihre, B.; Uswatta, S.; Jayasuriya, A.C. Reconstruction of Craniomaxillofacial Bone Defects Using Tissue-Engineering Strategies with Injectable and Non-Injectable Scaffolds. J. Funct. Biomater. 2017, 8, 49. [Google Scholar] [CrossRef] [PubMed]
- Abdullah, N.; Jones, D.; Das, D. Nutrient transport in bioreactors for bone tissue growth: Why do hollow fibre membrane bioreactors work? Chem. Eng. Sci. 2009, 64, 109–125. [Google Scholar] [CrossRef]
- Salerno, S.; Curcio, E.; Bader, A.; Giorno, L.; Drioli, E.; De Bartolo, L. Gas permeable membrane bioreactor for the co-culture of human skin derived mesenchymal stem cells with hepatocytes and endothelial cells. J. Membr. Sci. 2018, 563, 694–707. [Google Scholar] [CrossRef]
- Chapman, L.A.; Whiteley, J.P.; Byrne, H.M.; Waters, S.L.; Shipley, R.J. Mathematical modelling of cell layer growth in a hollow fibre bioreactor. J. Theor. Biol. 2017, 418, 36–56. [Google Scholar] [CrossRef]
- Khakpour, S.; Di Renzo, A.; Curcio, E.; Di Maio, F.P.; Giorno, L.; De Bartolo, L. Oxygen transport in hollow fibre membrane bioreactors for hepatic 3D cell culture: A parametric study. J. Membr. Sci. 2017, 544, 312–322. [Google Scholar] [CrossRef]
- Eibl, R.; Eibl, D.; Pörtner, R.; Catapano, G.; Czermak, P. Cell and Tissue Reaction Engineering: Principles and Practice; Springer: Berlin, Germany, 2009; pp. 173–259. ISBN 978-3-540-68182-3. [Google Scholar]
- Rouwkema, J.; Koopman, B.F.; Van Blitterswijk, C.A.; Dhert, W.J.; Malda, J. Supply of Nutrients to Cells in Engineered Tissues. Biotechnol. Genet. Eng. Rev. 2009, 26, 163–178. [Google Scholar] [CrossRef]
- Pleitez, M.A.; Hertzberg, O.; Bauer, A.; Seeger, M.; Lieblein, T.; Lilienfeld-Toal, H.V.; Mäntele, W. Photothermal deflectometry enhanced by total internal reflection enables non-invasive glucose monitoring in human epidermis. Analyst 2014, 140, 483–488. [Google Scholar] [CrossRef]
- Podichetty, J.T.; Bhaskar, P.R.; Singarapu, K.; Madihally, S.V. Multiple approaches to predicting oxygen and glucose consumptions by HepG2 cells on porous scaffolds in an axial-flow bioreactor. Biotechnol. Bioeng. 2015, 112, 393–404. [Google Scholar] [CrossRef] [PubMed]
- Longhitano, G.A.; Conde, A.; Arenas, M.A.; LaRosa, M.A.; Jardini, A.L.; Filho, R.M.; Zavaglia, C.A.D.C.; De Damborenea, J.J. Influence of unit cell and geometry size on scaffolds electrochemical response. J. Electroanal. Chem. 2019, 853, 113528. [Google Scholar] [CrossRef]
- Grossutti, M.; Seenath, R.; Noël, J.A.; Lipkowski, J. Infrared and fluorescence spectroscopic studies of a phospholipid bilayer supported by a soft cationic hydrogel scaffold. J. Colloid Interface Sci. 2016, 473, 162–171. [Google Scholar] [CrossRef]
- Mattea, C.; Gizatullin, B.; Stapf, S. Dynamics of ionic liquids in poly(vinyl alcohol) porous scaffold. Low field NMR study. Magn. Reson. Imaging 2019, 56, 126–130. [Google Scholar] [CrossRef]
- Sabzpoushan, S. A flexible nonlinear model for simulating growth systems. Commun. Nonlinear Sci. Numer. Simul. 2020, 82, 105009. [Google Scholar] [CrossRef]
- Suhaimi, H.; Wang, S.; Das, D.B. Glucose diffusivity in cell culture medium. Chem. Eng. J. 2015, 269, 323–327. [Google Scholar] [CrossRef]
- Suhaimi, H.; Wang, S.; Thornton, T.; Das, D.B. On glucose diffusivity of tissue engineering membranes and scaffolds. Chem. Eng. Sci. 2015, 126, 244–256. [Google Scholar] [CrossRef]
- Suhaimi, H.; Das, D.B. Glucose diffusivity in cell-seeded tissue engineering scaffolds. Biotechnol. Lett. 2015, 38, 183–190. [Google Scholar] [CrossRef]
- Long, Y.; Yu, G.; Dong, L.; Xu, Y.; Lin, H.; Deng, Y.; You, X.; Yang, L.; Liao, B.-Q. Synergistic fouling behaviors and mechanisms of calcium ions and polyaluminum chloride associated with alginate solution in coagulation-ultrafiltration (UF) process. Water Res. 2021, 189, 116665. [Google Scholar] [CrossRef]
- Xiao, Y.; Zhang, W.; Jiao, Y.; Xu, Y.; Lin, H. Metal-phenolic network as precursor for fabrication of metal-organic framework (MOF) nanofiltration membrane for efficient desalination. J. Membr. Sci. 2021, 624, 119101. [Google Scholar] [CrossRef]
- Sun, Z.; Tang, X.; Cheng, G. Numerical simulation for tortuosity of porous media. Microporous Mesoporous Mater. 2013, 173, 37–42. [Google Scholar] [CrossRef]
- Melnik, E.V.; Shkarina, S.N.; Ivlev, S.I.; Weinhardt, V.; Baumbach, T.; Chaikina, M.V.; Surmeneva, M.A.; Surmenev, R.A. In vitro degradation behaviour of hybrid electrospun scaffolds of polycaprolactone and strontium-containing hydroxyapatite microparticles. Polym. Degrad. Stab. 2019, 167, 21–32. [Google Scholar] [CrossRef]
- Jacob, M.; Chappell, D.; Becker, B.F. Regulation of blood flow and volume exchange across the microcirculation. Crit. Care 2016, 20, 1–13. [Google Scholar] [CrossRef]
- Goldman, D. Theoretical Models of Microvascular Oxygen Transport to Tissue. Microcirculation 2008, 15, 795–811. [Google Scholar] [CrossRef] [PubMed]
- Abdullah, F. Measuring service quality in higher education: HEdPERF versus SERVPERF. Mark. Intell. Plan. 2006, 24, 31–47. [Google Scholar] [CrossRef]
- Bonachela, J.A.; Raghib, M.; Levin, S.A. Dynamic model of flexible phytoplankton nutrient uptake. Proc. Natl. Acad. Sci. USA 2011, 108, 20633–20638. [Google Scholar] [CrossRef] [PubMed]
- Rickenberg, H.V.; Cohen, G.N.; Buttin, J. La galactoside-permease d’Escherichia coli. Ann. Inst. Pasteur Paris 1956, 91, 829–857. [Google Scholar]
- Suhaimi, H.; Ward, J.P.; Das, D.B. On modelling of glucose transport in hollow fibre membrane bioreactor for growing three-dimensional tissue. Asia Pac. J. Chem. Eng. 2021, 16. [Google Scholar] [CrossRef]
- Mosier, N.S.; Ladisch, C.M.; Ladisch, M.R. Characterization of acid catalytic domains for cellulose hydrolysis and glucose degradation. Biotechnol. Bioeng. 2002, 79, 610–618. [Google Scholar] [CrossRef]
- Khoo, W.; Koh, C.T. A review of electrospinning process and microstructre morphology control. ARPN J. Eng. Appl. Sci. 2016, 11, 7774–7781. [Google Scholar]
- Garg, K.; Pullen, N.A.; Oskeritzian, C.A.; Ryan, J.J.; Bowlin, G.L. Macrophage functional polarization (M1/M2) in response to varying fiber and pore dimensions of electrospun scaffolds. Biomaterial 2013, 34, 4439–4451. [Google Scholar] [CrossRef] [PubMed]
- Mantovani, A.; Sica, A.; Locati, M. Macrophage Polarization Comes of Age. Immunity 2005, 23, 344–346. [Google Scholar] [CrossRef] [PubMed]
- Martinez, F.O.; Gordon, S. The M1 and M2 paradigm of macrophage activation: Time for reassessment. F1000Prime Rep. 2014, 6, 13. [Google Scholar] [CrossRef]
- Duque, G.A.; Descoteaux, A. Macrophage Cytokines: Involvement in Immunity and Infectious Diseases. Front. Immunol. 2014, 5, 491. [Google Scholar] [CrossRef]
- Mosser, D.M.; Edwards, J.P. Exploring the full spectrum of macrophage activation. Nat. Rev. Immunol. 2008, 8, 958–969. [Google Scholar] [CrossRef] [PubMed]
- Agarwal, S.; Wendor, J.H.; Greiner, A. Use of electrospinning technique for biomedical applications. Polymer 2008, 49, 5603–5621. [Google Scholar] [CrossRef]
- Eichhorn, S.J.; Sampson, W.W. Relationships between specific surface area and pore size in electrospun polymer fibre networks. J. R. Soc. Interface 2009, 7, 641–649. [Google Scholar] [CrossRef] [PubMed]
- Stachewicz, U.; Qiao, T.; Rawlinson, S.C.; Almeida, F.V.; Li, W.-Q.; Cattell, M.; Barber, A.H. 3D imaging of cell interactions with electrospun PLGA nanofiber membranes for bone regeneration. Acta Biomater. 2015, 27, 88–100. [Google Scholar] [CrossRef]
- Hanspal, N.; Waghode, A.; Nassehi, V.; Wakeman, R. Development of a predictive mathematical model for coupled stokes/Darcy flows in cross-flow membrane filtration. Chem. Eng. J. 2009, 149, 132–142. [Google Scholar] [CrossRef]
- Huang, L.; Morrissey, M.T. Finite element analysis as a tool for crossflow membrane filter simulation. J. Membr. Sci. 1999, 155, 19–30. [Google Scholar] [CrossRef]
- Ma, R.P.; Gooding, C.H.; Alexander, W.K. A dynamic model for low-pressure, hollow-fiber ultrafiltration. AIChE J. 1985, 31, 1728–1732. [Google Scholar] [CrossRef]
- Yuan, S.W.; Finkelstein, A.B. Laminar pipe flow with injection and suction through a porous wall. Trans. ASME 1956, 78, 719. [Google Scholar]












| Porous Sample No | Polymer Flow Rate (mL/h) | Electrospinning Duration (min) | Number of Syringes |
|---|---|---|---|
| 1 | 1 | 90 | 1 |
| 2 | 2 | 90 | 1 |
| 3 | 1 | 45 | 2 |
| Parameters | Values | Units | References |
|---|---|---|---|
| Fibre inner radius (a) | 1.0 × 10−4 | m | [26] |
| Fibre membrane (PVDF) thickness (m) | 1.25 × 10−4 | m | [18] |
| Fibre length (l) | 3.0 × 10−2 | m | [26] |
| Krogh cylinder radius (A) | 3.2 × 10−4 | m | [26] |
| Average axial flow velocity (U0) | 0.745 × 10−2 | m/s | [26] |
| CCM kinematic viscosity (ʋ) | 8.28 | m2/s | [17] |
| Temperature | 37 | °C | N.A. |
| Diffusivity of glucose in lumen (Dl) | 5.67 × 10−10 | m2/s | [17,19] |
| Diffusivity of glucose in membrane (Dm, PVDF) | 7.68 × 10−10 | m2/s | [18,19] |
| Diffusivity of glucose in ECS (Ds) | … | m2/s | … |
| Glucose inlet concentration (C0) | 5.55 | mol/m3 | [26] |
| Cell seeding density (n) | 2.0 × 1012 | cells/m3 | [26] |
| Glucose consumption rate per cell (k0) | 3.83 × 10−16 | mole/cell.s | [26] |
| Glucose consumption rate coefficient (nk1 = nk0/C0) | 1.38 × 10−4 | s−1 | N.A. |
| Glucose degradation rate in the water/acidic environment | ~10−5–10−4 | s−1 | [29] |
| Parameters | Dimensionless Equation |
|---|---|
| Fibre lumen aspect ratio | |
| Dimensionless membrane thickness | |
| Dimensionless Krogh cylinder radius | |
| Normalized membrane (PVDF) diffusivity | |
| Normalized membrane (PVDF) diffusivity | |
| Péclet number | |
| Damköhler number | |
| Reynolds number |
| Sample No. | Average Fibre–Fibre Space (μm) | Average Fibre Diameter (μm) |
|---|---|---|
| 1-1 | 1.38 ± 0.75 | 0.78 ± 0.41 |
| 1-2 | 1.43 ± 0.53 | 0.88 ± 0.18 |
| 1-3 | 1.48 ± 0.36 | 0.78 ± 0.36 |
| 2 | 3.80 ± 1.69 | 2.10 ± 0.77 |
| 3 | 1.88 ± 0.77 | 0.91 ± 0.64 |
| Sample No. (Table 1) | The Time of Soaking in Water (hrs) | Mean Value of POROSITY | Calculated Tortuosity (Dimensionless) |
|---|---|---|---|
| 1 | 0 | 0.607 ± 0.079 | 9.22 |
| 4 | 0.611 ± 0.033 | 9.27 | |
| 8 | 0.619 ± 0.043 | 9.39 | |
| 12 | 0.611 ± 0.014 | 9.27 | |
| 2 | 0 | 0.741 ± 0.052 | 8.58 |
| 4 | 0.758 ± 0.048 | 8.78 | |
| 8 | 0.725 ± 0.032 | 8.40 | |
| 12 | 0.736 ± 0.015 | 8.52 | |
| 3 | 0 | 0.685 ± 0.007 | 9.01 |
| 4 | 0.720 ± 0.005 | 9.47 | |
| 8 | 0.726 ± 0.010 | 9.55 | |
| 12 | 0.696 ± 0.007 | 9.16 |
| Sample No. | Effective Diffusivities in CCM × 1011 m2/s | Effective Diffusivities in Water × 1011 m2/s |
|---|---|---|
| 1 | 2.83 ± 0.12 | 6.31 ± 0.31 |
| 2 | 3.75 ± 0.27 | 8.27 ± 0.23 |
| 3 | 3.22 ± 0.11 | 7.38 ± 0.27 |
| Electrospun Scaffold | Simulated Tortuosity (Surface Values) | Experimental Tortuosity (3D Values) |
|---|---|---|
| Commercial PCL | 1.56 ± 0.015 | 2.5 |
| 1 | 1.81 ± 0.026 | 9.22 |
| 2 | 2.47 ± 0.030 | 8.59 |
| 3 | 1.55 ± 0.021 | 9.01 |
| Sample No. | Effective Diffusivities of Scaffold in CCM × 1011 m2/s | Effective Diffusivities of Scaffold in Water × 1011 m2/s | ||
|---|---|---|---|---|
| Estimated via Image Processing | Experimental | Estimated via Image Processing | Experimental | |
| 1 | 2.78 | 2.83 ± 0.12 | 5.72 | 6.31 ± 0.31 |
| 2 | 3.92 | 3.75 ± 0.27 | 8.69 | 8.27 ± 0.23 |
| 3 | 3.05 | 3.22 ± 0.11 | 7.57 | 7.38 ± 0.27 |
| Parameters | Values | Symbols | |
|---|---|---|---|
| Fibre lumen radius | 1.00 | A | |
| Fibre lumen aspect ratio | 3.33 × 10−3 | ||
| Dimensionless membrane thickness | 1.25 | ||
| Dimensionless Krogh cylinder radius | 3.2 | R | |
| Normalized membrane (PVDF) diffusivity | 0.125 | Dm* | |
| Normalized scaffold (PCL) diffusivity | Sample 1 | 0.49 | Ds* |
| Sample 2 | 0.69 | ||
| Sample3 | 0.54 | ||
| Péclet number | 8.06 | Pe | |
| Damköhler number | 9.93 × 10−3 | Da | |
| Reynolds number | 0.996 | Re | |
Publisher’s Note: MDPI stays neutral with regard to jurisdictional claims in published maps and institutional affiliations. |
© 2021 by the authors. Licensee MDPI, Basel, Switzerland. This article is an open access article distributed under the terms and conditions of the Creative Commons Attribution (CC BY) license (https://creativecommons.org/licenses/by/4.0/).
Share and Cite
Wang, S.; Suhaimi, H.; Mabrouk, M.; Georgiadou, S.; Ward, J.P.; Das, D.B. Effects of Scaffold Pore Morphologies on Glucose Transport Limitations in Hollow Fibre Membrane Bioreactor for Bone Tissue Engineering: Experiments and Numerical Modelling. Membranes 2021, 11, 257. https://doi.org/10.3390/membranes11040257
Wang S, Suhaimi H, Mabrouk M, Georgiadou S, Ward JP, Das DB. Effects of Scaffold Pore Morphologies on Glucose Transport Limitations in Hollow Fibre Membrane Bioreactor for Bone Tissue Engineering: Experiments and Numerical Modelling. Membranes. 2021; 11(4):257. https://doi.org/10.3390/membranes11040257
Chicago/Turabian StyleWang, Shuai, Hazwani Suhaimi, Mostafa Mabrouk, Stella Georgiadou, John P. Ward, and Diganta B. Das. 2021. "Effects of Scaffold Pore Morphologies on Glucose Transport Limitations in Hollow Fibre Membrane Bioreactor for Bone Tissue Engineering: Experiments and Numerical Modelling" Membranes 11, no. 4: 257. https://doi.org/10.3390/membranes11040257
APA StyleWang, S., Suhaimi, H., Mabrouk, M., Georgiadou, S., Ward, J. P., & Das, D. B. (2021). Effects of Scaffold Pore Morphologies on Glucose Transport Limitations in Hollow Fibre Membrane Bioreactor for Bone Tissue Engineering: Experiments and Numerical Modelling. Membranes, 11(4), 257. https://doi.org/10.3390/membranes11040257

