Detection of Pneumatic Conveying by Acoustic Emissions
Abstract
Featured Application
Abstract
1. Introduction
2. Theoretical Model
3. Ensemble Empirical Mode Decomposition
- In the entire data sequence, the number of extreme points and the number of zero-crossings should be equal or differ at most by one;
- The mean value of the envelopes determined by the local maxima and local minima at any given data point should be zero.
- Add white noise to the raw data x(t):where nm(t) is the white noise, and X(t) represents the data (with noise) for the mth trial.
- Decompose the noise-added data X(t) into several IMFs (total number I);
- Repeat steps (1) and (2) several times, each time adding independent random white noise, until the trial number reaches a pre-determined value, m = M, M is the number of trials;
- Calculate the ensemble mean of the M trials for each IMF:
- Finally, decompose the raw data into several IMFs: and a residual component r:
4. Experimental System
4.1. Test Materials and System
4.1.1. Test Materials
4.1.2. System Set-Up
4.1.3. Particle Feeding System
4.1.4. Piping and Air Conveying System
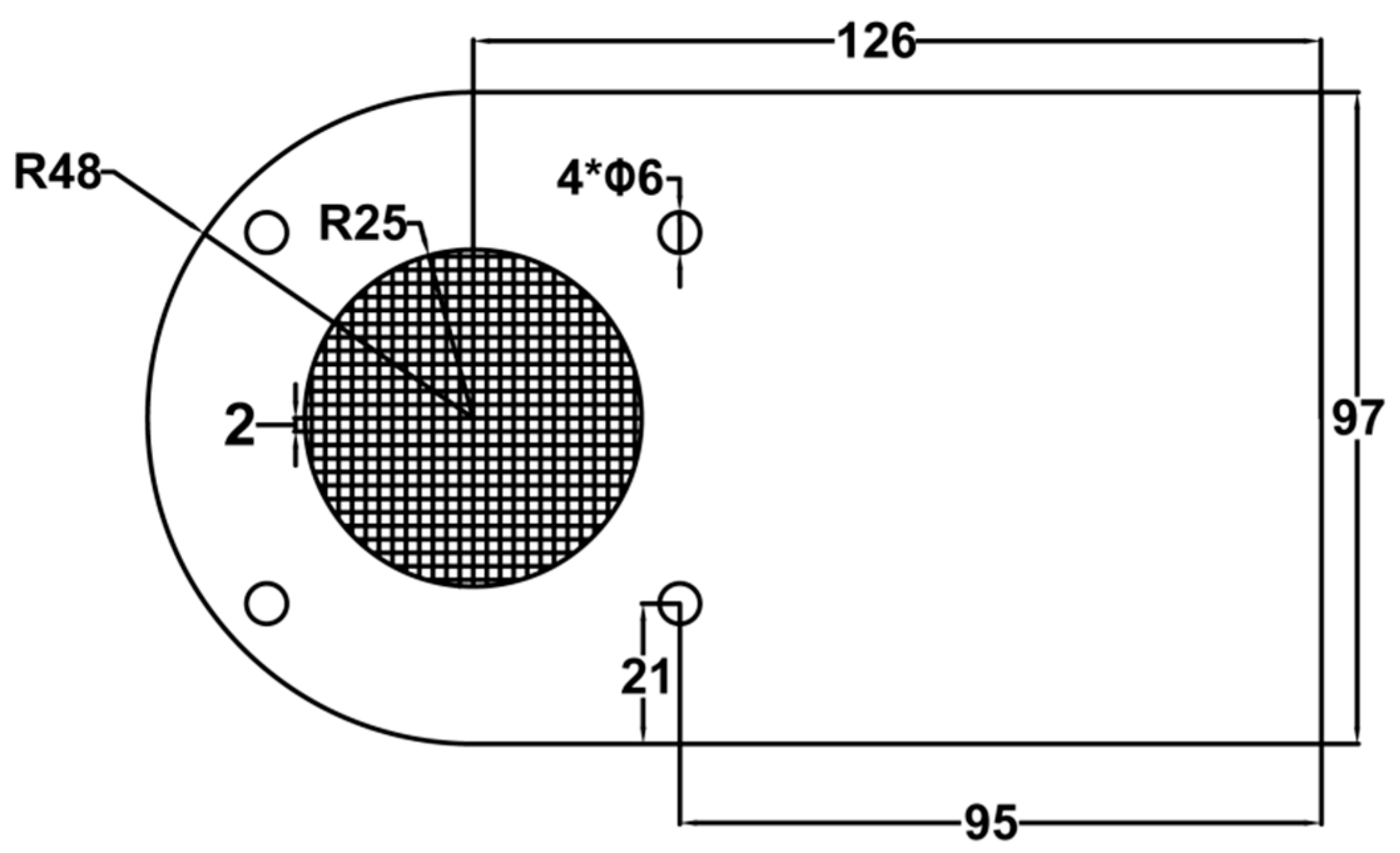
4.2. Data Acquisition System
4.3. Experimental Programs
- The effect of different probe types on AE generation;
- The relationship between particle mass flow rate and the AE signal;
- The relationship between particle size and the AE signal.
5. Results and Discussion
5.1. Effect of Different Signal Acquisition Methods
5.2. Relationship Between Particle Mass Flow Rate/Size and The Ae Signal
6. Conclusions
- Comparison of the RMS values of AE signals illustrates that the acoustic emission signal acquired by a wire mesh is more reliable than the T-type probe.
- After the signals decomposed by the EEMD algorithm, the IMF1 to IMF4 have the potential to represent the raw sample signals to show a relationship between the AE signal and pneumatic conveying parameters.
- By comparing the average relative deviation, it is obvious that the energies of the IMF3 or IMF4 can be used to develop a linear relationship with particle flow rate.
- Instead of the energies of the IMF components, the MSECF of IMF4 have a good performance to distinguish particle size.
Author Contributions
Funding
Conflicts of Interest
References
- David, M. A review of pneumatic conveying systems. In Pneumatic Conveying Design Guide, 3rd ed.; Elsevier Ltd.: Chatswood, NSW, Australia, 2016; pp. 59–80. [Google Scholar]
- Millen, M.J.; Sowerby, B.D.; Coghill, P.J.; Tickner, J.R.; Kingsley, R.; Grima, C. Plant tests of an on-line multiple-pipe pulverised coal mass flow measuring system. Flow Meas. Instrum. 2000, 11, 153–158. [Google Scholar] [CrossRef]
- Allashi, R.S.; Challis, R.E. Ultrasonic particle sizing in aqueous suspensions of solid particles of unknown density. J. Acoust. Soc. Am. 2015, 138, 1023–1029. [Google Scholar] [CrossRef] [PubMed]
- Keep, T.; Noble, S.D. Optical flow profiling method for visualization and evaluation of flow disturbances in agricultural pneumatic conveyance systems. Comput. Electron. Agric. 2015, 118, 159–166. [Google Scholar] [CrossRef]
- Wang, W.; Guan, Q.; Wu, Y.; Yang, H.; Zhang, J.; Lu, J. Experimental study on the solid velocity in horizontal dilute phase pneumatic conveying of fine powders. Powder Technol. 2011, 212, 403–409. [Google Scholar]
- Shao, J.; Krabicka, J.; Yan, Y. Velocity measurement of pneumatically conveyed particles using intrusive electrostatic sensors. IEEE Trans. Instrum. Meas. 2010, 59, 1477–1484. [Google Scholar] [CrossRef]
- Wang, C.; Zhang, J.Y.; Zheng, W.; Gao, W.; Jia, L. Signal decoupling and analysis from inner flush-mounted electrostatic sensor for detecting pneumatic conveying particles. Powder Technol. 2017, 305, 197–205. [Google Scholar] [CrossRef]
- Zhou, W.T.; Jiang, Y.; Liu, S.; Zhao, Q.; Long, T.; Li, Z. Detection of gas-solid two-phase flow based on CFD and capacitance method. Appl. Sci. 2018, 8, 1367. [Google Scholar] [CrossRef]
- Leach, M.F.; Rubin, G.A.; Williams, J.C. Particle size determination from acoustic emissions. Powder Technol. 1977, 16, 153–158. [Google Scholar] [CrossRef]
- Alessandro, B.; Cristalli, C.; Morlacchi, R.; Pomponi, E. Acoustic emissions for particle sizing of powders through signal processing techniques. Mech. Syst. Signal Process. 2011, 25, 901–916. [Google Scholar]
- Miroslav, U.; Peter, B. Measurement of particle size distribution by the use of acoustic emission method. In Proceedings of the Instrumentation and Measurement Technology Conference, Graz, Australia, 13–16 May 2012; pp. 1194–1198. [Google Scholar]
- Hu, Y.H.; Qian, X.C.; Huang, X.B. Online continuous measurement of the size distribution of pneumatically conveyed particles by acoustic emission methods. Flow Meas. Instrum. 2014, 40, 163–168. [Google Scholar] [CrossRef]
- Hansuld, E.M.; Briens, L.; Mccann, J.A.; Sayani, A. Audible acoustics in high-shear wet granulation: Application of frequency filtering. Int. J. Pharm. 2009, 378, 37–44. [Google Scholar] [CrossRef] [PubMed]
- Guo, M.; Yan, Y.; Hu, Y.H.; Sun, D.; Qian, X.; Han, X. On-line measurement of the size distribution of particles in a gas–solid two-phase flow through acoustic sensing and advanced signal analysis. Flow Meas. Instrum. 2014, 40, 169–177. [Google Scholar] [CrossRef]
- Cao, Y.J.; Wang, J.D.; Yang, Y.R. Multi-scale analysis of acoustic emissions and measurement of particle mass flowrate in pipeline. Chin. J. Chem. Eng. 2007, 58, 1404–1410. [Google Scholar]
- Wei, G.Y.; Zhou, Y.; Liao, Z.; Wang, J.; Yang, Y. Detection of particle mass flowrate in high-speed fluidization based on acoustic emission technology. Acta Pet. Sin. 2011, 27, 773–779. [Google Scholar]
- Chen, C. Research on Flow Detection of Oil-Sand Phases Based on Acoustic Emission Technology. Master’s Thesis, College of Petroleum Engineering, China University of Petroleum, Shandong, China, 2013. [Google Scholar]
- Wang, Z.C.; Yuan, X.J.; Wang, Y.M.; Li, H.G. Gas-solid two-phase mass flow rate and particle size measurement based on acoustic emission. Instrum. Tech. Sens. 2017, 7, 93–96. [Google Scholar]
- Hou, L.X. Study on Acoustic Emission Measurement and Multi-Scale Structure of Fluidized Bed Polymerizer. Ph.D. Dissertation, Department of Chemical Engineering, Zhejiang University, Zhejiang, China, 2005. [Google Scholar]
- Cody, G.D.; Bellows, R.J.; Goldfarb, D.J. A novel non-intrusive probe of particle motion and gas generation in the feed injection zone of the feed riser of a fluidized bed catalytic cracking unit. Powder Technol. 2000, 110, 128–142. [Google Scholar] [CrossRef]
- He, L.; Zhou, Y.; Huang, Z.; Lungu, M.; Yang, Y. Acoustic analysis of particle–wall interaction and detection of particle mass flow rate in vertical pneumatic conveying. Ind. Eng. Chem. Res. 2014, 53, 9938–9948. [Google Scholar] [CrossRef]
- Buttle, D.J.; Scruby, C.B. Characterization of particle impact by quantitative acoustic emission. Wear 1990, 137, 63–97. [Google Scholar] [CrossRef]
- Huang, N.E.; Shen, Z.; Long, S.R.; Wu, M.C.; Shih, H.H.; Zheng, Q.; Yen, N.C.; Tung, C.C.; Liu, H.H. The empirical mode decomposition and the hilbert spectrum for nonlinear and non-stationary time series analysis. Proc. Math. Phys. Eng. Sci. 1998, 454, 903–995. [Google Scholar] [CrossRef]
- Wu, Z.H.; Huang, N.E. Ensemble empirical mode decomposition: A noise-assisted data analysis method. Adv. Adapt. Data Anal. 2011, 1, 1–41. [Google Scholar] [CrossRef]
- Shi, S.C.; Shan, P.W. Signal processing method based on ensemble empirical mode decomposition. Mod. Electron. Tech. 2011, 34, 88–94. [Google Scholar]















| Conveying Velocity (m/s) | Particle Mass Flow Rate (g/s) | Particle Loading (%) | Particle Size (μm) |
|---|---|---|---|
| 21 | 6 to 16 with an increment of 2 | 0.006–0.016 | 550/250/180/150 |
| Conveying Velocity (m/s) | Particle Mass Flow Rate (g/s) | Particle Loading (%) | Particle Size (μm) |
|---|---|---|---|
| 21 | 18/20 | 0.018/0.02 | 550/250/180/150 |
| Particle Mass Flow Rate (g/s) | IMF Number | 550 μm | 250 μm | 180 μm | 150 μm |
|---|---|---|---|---|---|
| 18 | IMF1 | 2.041 | 0.424 | 4.300 | 3.399 |
| IMF2 | 2.677 | 0.392 | 5.895 | 4.483 | |
| IMF3 | 2.161 | 1.726 | 4.063 | 3.176 | |
| IMF4 | 2.704 | 0.387 | 3.839 | 2.256 | |
| 20 | IMF1 | 0.580 | 5.874 | 3.784 | 4.522 |
| IMF2 | 2.474 | 6.552 | 4.852 | 4.405 | |
| IMF3 | 3.439 | 3.587 | 1.909 | 3.802 | |
| IMF4 | 1.454 | 5.532 | 4.051 | 3.620 |
| Sample Number | IMF1 | IMF2 | IMF3 | IMF4 | IMF5 | IMF6 | IMF7 | IMF8 | IMF9 |
|---|---|---|---|---|---|---|---|---|---|
| 1 | 630.921 | 98.471 | 21.726 | 5.857 | 0.725 | 0.305 | 0.186 | 0.079 | 0.050 |
| 2 | 637.792 | 97.377 | 19.765 | 5.552 | 0.775 | 0.316 | 0.163 | 0.094 | 0.053 |
© 2019 by the authors. Licensee MDPI, Basel, Switzerland. This article is an open access article distributed under the terms and conditions of the Creative Commons Attribution (CC BY) license (http://creativecommons.org/licenses/by/4.0/).
Share and Cite
An, L.; Liu, W.; Ji, Y.; Shen, G.; Zhang, S. Detection of Pneumatic Conveying by Acoustic Emissions. Appl. Sci. 2019, 9, 501. https://doi.org/10.3390/app9030501
An L, Liu W, Ji Y, Shen G, Zhang S. Detection of Pneumatic Conveying by Acoustic Emissions. Applied Sciences. 2019; 9(3):501. https://doi.org/10.3390/app9030501
Chicago/Turabian StyleAn, Liansuo, Weilong Liu, Yongce Ji, Guoqing Shen, and Shiping Zhang. 2019. "Detection of Pneumatic Conveying by Acoustic Emissions" Applied Sciences 9, no. 3: 501. https://doi.org/10.3390/app9030501
APA StyleAn, L., Liu, W., Ji, Y., Shen, G., & Zhang, S. (2019). Detection of Pneumatic Conveying by Acoustic Emissions. Applied Sciences, 9(3), 501. https://doi.org/10.3390/app9030501

