The Improvement of an Islanding Detection Method Based on the Perturbation Signal in Case of a Multi-Photovoltaic Operation
Abstract
1. Introduction
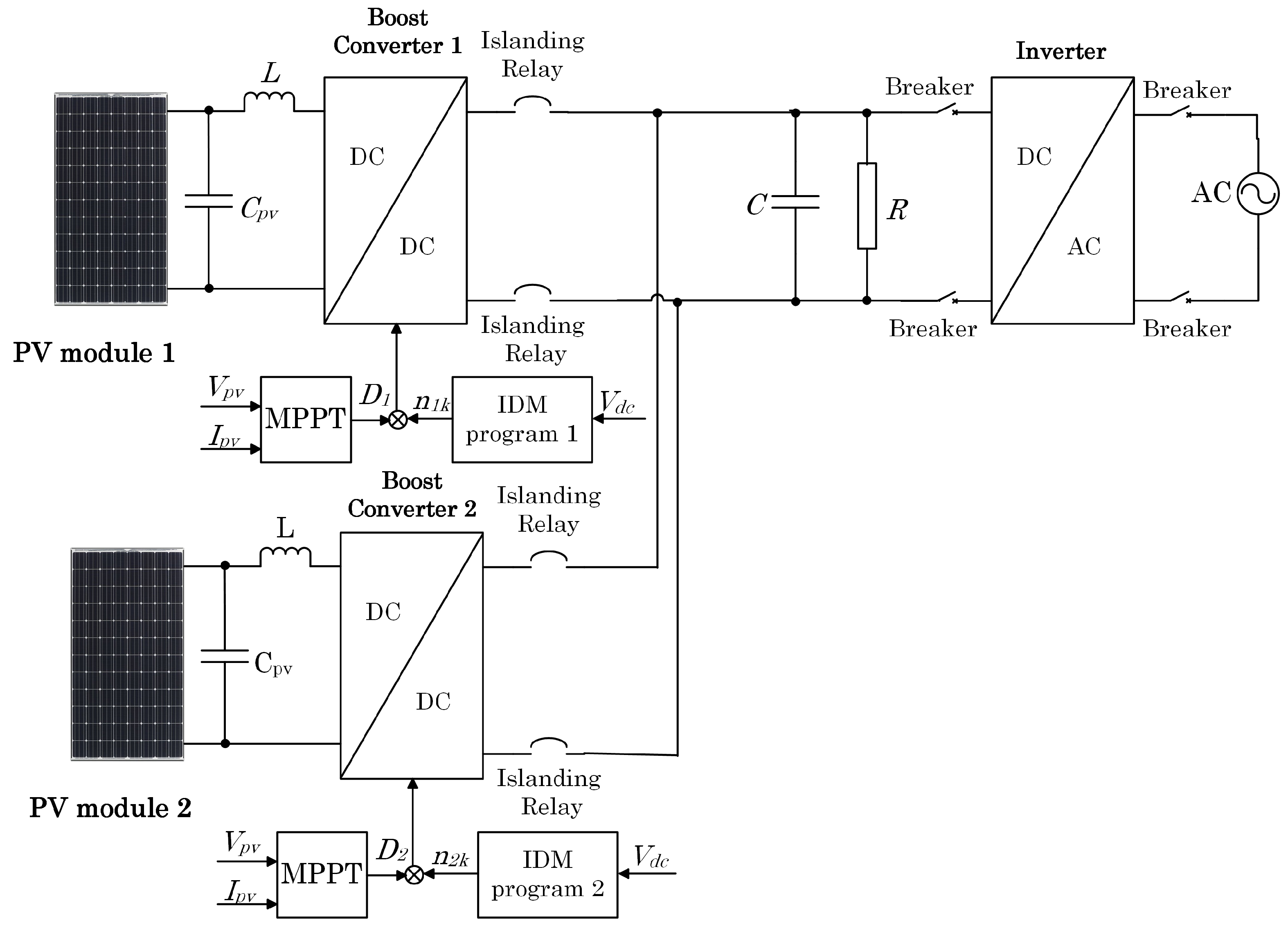
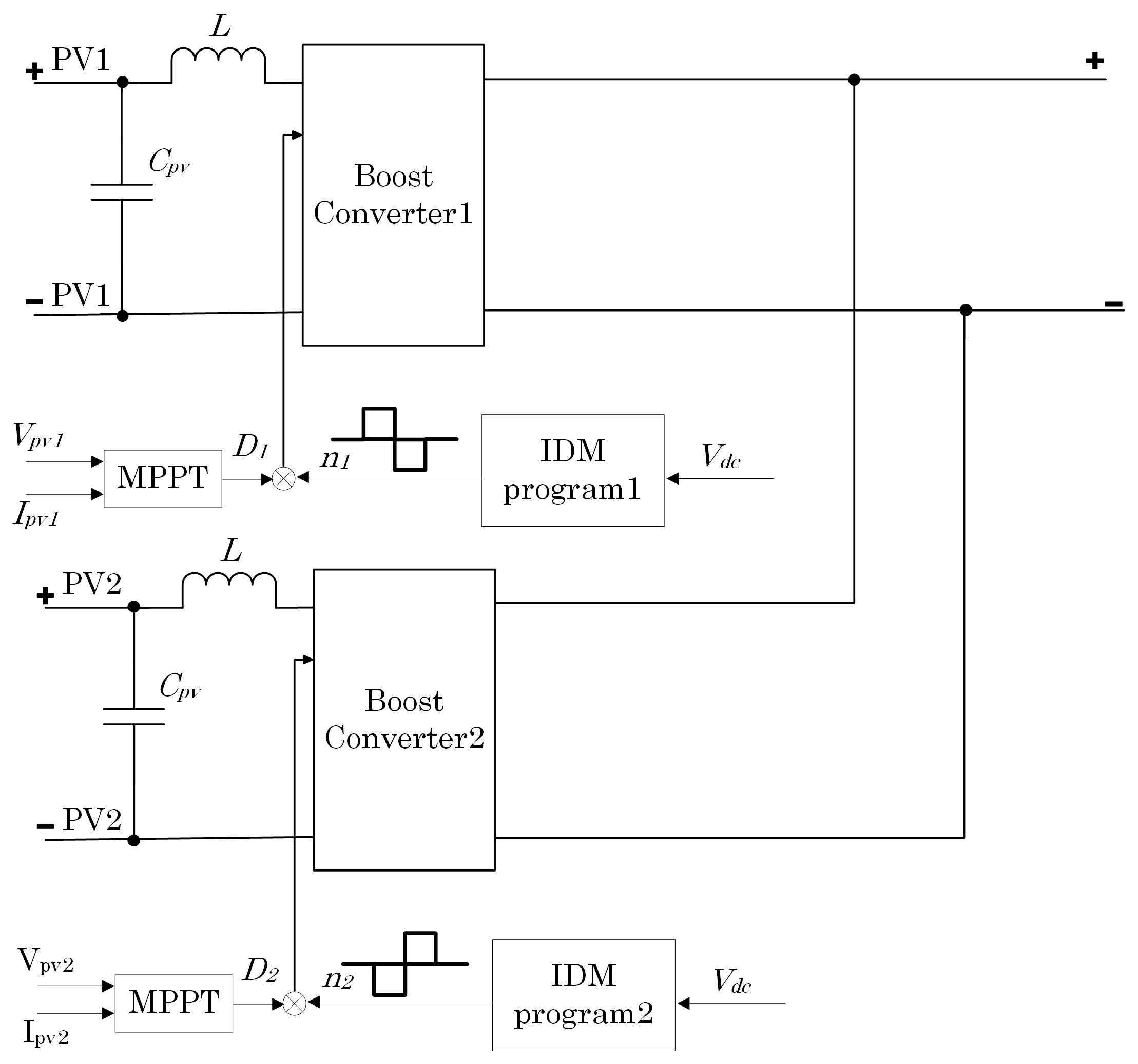
2. System Description and Cancellation Problem
2.1. System Description
- Step 1: Start the injection of perturbation signal at 0.4 s after system startup.
- Step 2: The islanding event is activated at 1.2 s after system startup by disconnecting the AC grid.
2.2. Injected Signal Cancellation
- The perturbation signal factors at normal condition in normal case are n = 0.9–1.1.
- The perturbation signal factors at normal condition in the cancellation case are n = 1.1–0.9 for PV1 and n = 0.9–1.1 for PV2.
- is the DC-link voltage at time t.
- is the initial DC-link voltage.
- is the photovoltaic current at time t.
- is the output DC/DC converter current perturbation signal.
- is the perturbation factor generated by the islanding program.
- D is the duty cycle.
- R is the DC load (resistor).
- C is the capacitor.
3. Simulation Testing Scenarios and Results
- The perturbation signal is injected at t = 0.4 s after the system startup.
- The islanding condition occurs at t = 1.2 s after the system startup.
- The maximum power (each PV) is = 50 kW.
- Switching frequency of the converter is = 10 kHz.
- The DC bus voltage is = 500 V.
- The under voltage threshold is = 450 V.
- The islanding threshold is 0.2346 [16].
- The perturbation duration is T = 8 ms.
- The perturbation signal factors at normal condition in the normal case are n = 0.9–1.1.
- The perturbation signal factors at normal condition in the cancellation case are n = 1.1–0.9 for PV1 and n = 0.9–1.1 for PV2.
4. Improved Islanding Detection Method Based on the Proposed Solution
- Each PV module power is 50 kW.
- Total PV power is 400 kW.
- Load power is 400 kW.
- DC bus voltage is 500 V.
5. Conclusions
Author Contributions
Funding
Conflicts of Interest
References
- Elsayed, A.T.; Mohamed, A.A.; Mohammed, O.A. Review DC microgrids and distribution systems: An overview. Electr. Power Syst. Res. 2015, 119, 407–417. [Google Scholar] [CrossRef]
- Hammerstrom, D.J. AC Versus DC Distribution Systems: Did We Get it Right? In Proceedings of the IEEE Power Engineering Society General Meeting, Tampa, FL, USA, 24–28 June 2007; pp. 1–5. [Google Scholar]
- Seo, G.-S.; Baek, J.; Choi, K.; Bae, H.; Cho, B. Modeling and analysis of DC distribution systems. In Proceedings of the IEEE 8th International Conference on Power Electronics and ECCE Asia, Jeju, Korea, 30 May–3 June 2011; pp. 223–227. [Google Scholar]
- Starke, M.R.; Tolbert, L.M.; Ozpineci, B. AC vs DC distribution: A loss comparison. In Proceedings of the IEEE PES Transmission and Distribution Conference and Exposition, Chicago, IL, USA, 21–24 April 2008; pp. 1–7. [Google Scholar]
- Sannino, A.; Postiglione, G.; Bollen, M. Feasibility of a DC Network for Commercial Facilities. IEEE Trans. Ind. Appl. 2003, 39, 1499–1507. [Google Scholar] [CrossRef]
- IEEE. IEEE Recommended Practice for Utility Interface of Photovoltaic (PV) Systems; IEEE Std 929-2000; IEEE: Piscataway, NJ, USA, 2000. [Google Scholar] [CrossRef]
- Zamani, R.; Hamedani-Golshan, M.-E.; Alhelou, H.H.; Siano, P.; Pota, H.R. Islanding Detection of Synchronous Distributed Generator Based on the Active and Reactive Power Control Loops. Energies 2018, 11, 2819. [Google Scholar] [CrossRef]
- Ghalavand, F.; Alizade, B.A.M.; Gaber, H.; Karimipour, H. Microgrid Islanding Detection Based on Mathematical Morphology. Energies 2018, 11, 2696. [Google Scholar] [CrossRef]
- Di Fazio, A.R.; Russo, M.; Valeri, S. A New Protection System for Islanding Detection in LV Distribution Systems. Energies 2015, 8, 3775–3793. [Google Scholar] [CrossRef]
- Mlakić, D.; Baghaee, H.R.; Nikolovski, S. A Novel ANFIS-Based Islanding Detection for Inverter-Interfaced Microgrids. IEEE Trans. Smart Grid 2019, 10, 4411–4424. [Google Scholar] [CrossRef]
- Chen, X.; Li, Y.; Crossley, P. A Novel Hybrid Islanding Detection Method for Grid-Connected Microgrids with Multiple Inverter-Based Distributed Generators Based on Adaptive Reactive Power Disturbance and Passive Criteria. IEEE Trans. Power Electron. 2019, 34, 9342–9356. [Google Scholar] [CrossRef]
- Nale, R.; Biswal, M.; Kishor, N. A Transient Component Based Approach for Islanding Detection in Distributed Generation. IEEE Trans. Sustain. Energy 2019, 10, 1129–1138. [Google Scholar] [CrossRef]
- Haider, R.; Kim, C.H.; Ghanbari, T.; Bukhari, S.B.A. Harmonic-signature-based islanding detection in grid-connected distributed generation systems using Kalman filter. IET Renew. Power Gener. 2018, 12, 1813–1822. [Google Scholar] [CrossRef]
- Song, W.; Chen, Y.; Wen, A.; Zhang, Y.; Wei, C. Detection and switching control scheme of unintentional islanding for ‘hand-in-hand’ DC distribution network. IET Gener. Transm. Distrib. 2019, 13, 1414–1422. [Google Scholar] [CrossRef]
- Bekhradian, R.; Davarpanah, M.; Sanaye-Pasand, M. Novel Approach for Secure Islanding Detection in Synchronous Generator Based Microgrids. IEEE Trans. Power Deliv. 2019, 34, 457–466. [Google Scholar] [CrossRef]
- Son, T.T.; Tuyen, N.D.; FUJITA, G. Islanding Detection Method Based on Injecting Perturbation Signal and Rate of Change of Output Power in DC Grid-Connected Photovoltaic System. Energies 2018, 11, 1313. [Google Scholar] [CrossRef]













| Information | Value |
|---|---|
| Open circuit voltage | 64.2 V |
| Short circuit current | 5.96 A |
| Voltage at maximum power point | 54.7 V |
| Current at maximum power point | 5.58 A |
| Maximum power | 305.226 W |
| Parallel strings | 66 |
| Series-connected modules per string | 5 |
| Cases | PV1 (kW) | PV2 (kW) | Total PV (kW) | Load (kW) | Vdc(V) |
|---|---|---|---|---|---|
| Normal | 50 | 50 | 100 | 100 | 500 |
| Cancellation | 50 | 50 | 100 | 100 | 500 |
| Cases | PV1(kW) | PV2(kW) | PV3(kW) | PV4(kW) | Total PV(kW) | Load(kW) | Vdc(V) |
|---|---|---|---|---|---|---|---|
| 2-PV | 50 | 50 | 0 | 0 | 100 | 100 | 500 |
| 3-PV | 50 | 50 | 50 | 0 | 150 | 150 | 500 |
| 4-PV | 50 | 50 | 50 | 50 | 200 | 200 | 500 |
© 2019 by the authors. Licensee MDPI, Basel, Switzerland. This article is an open access article distributed under the terms and conditions of the Creative Commons Attribution (CC BY) license (http://creativecommons.org/licenses/by/4.0/).
Share and Cite
Tran, T.S.; Nguyen, D.T.; FUJITA, G. The Improvement of an Islanding Detection Method Based on the Perturbation Signal in Case of a Multi-Photovoltaic Operation. Appl. Sci. 2019, 9, 4054. https://doi.org/10.3390/app9194054
Tran TS, Nguyen DT, FUJITA G. The Improvement of an Islanding Detection Method Based on the Perturbation Signal in Case of a Multi-Photovoltaic Operation. Applied Sciences. 2019; 9(19):4054. https://doi.org/10.3390/app9194054
Chicago/Turabian StyleTran, Thanh Son, Duc Tuyen Nguyen, and Goro FUJITA. 2019. "The Improvement of an Islanding Detection Method Based on the Perturbation Signal in Case of a Multi-Photovoltaic Operation" Applied Sciences 9, no. 19: 4054. https://doi.org/10.3390/app9194054
APA StyleTran, T. S., Nguyen, D. T., & FUJITA, G. (2019). The Improvement of an Islanding Detection Method Based on the Perturbation Signal in Case of a Multi-Photovoltaic Operation. Applied Sciences, 9(19), 4054. https://doi.org/10.3390/app9194054

