Evaluation of the Thermoelectric Energy Harvesting Potential at Different Latitudes Using Solar Flat Panels Systems with Buried Heat Sink
Abstract
:1. Introduction
2. Materials and Methods
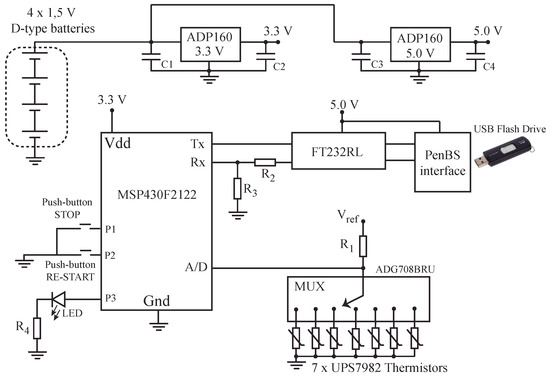
2.1. The Temperature Profiler Data-Logger
2.2. Installation of the System
2.3. Fabrication of a Prototype of a STEG Flat Panel System with Buried Heat Sink
3. Results
3.1. Analysis of the Measured Data
- During the first 60 days in the summer (approximately day No. 0 to day No. 60), most of the time the diurnal integrals of the 40 cm depth have higher values;
- During the winter days shown in the plot (approximately day No. 150 to the end of the plot), most of the time the daily integrals of the 5 cm depth present higher values.
- During the summer, both 40 cm and 5 cm curves present similar values;
- For the rest of the days shown, the integral of 40 cm depth presents higher (negative) values.
3.2. Measured Results with the Prototype of a STEG Flat Panel System with Buried Heat Sink
4. Discussion
5. Conclusions
Author Contributions
Funding
Conflicts of Interest
Abbreviations
| A/D | Analog to digital |
| and | Seebeck coefficients of the n and p elements of the TEG |
| Value of supercapacitor | |
| Temperature difference between hot and cold side of a TEG | |
| E | Total energy stored in the supercapacitor |
| Energy soreted in the supercapacitor of the last (incomplete) charge/discharge cycle | |
| Energy soreted in the supercapacitor of the last (incomplete) charge/discharge cycle | |
| E | Total energy stored in the supercapacitor |
| Energy soreted in the supercapacitor of the last (incomplete) charge/discharge cycle | |
| Average daily global solar radiation | |
| IC | Integrated circuit |
| LED | Light emitting diode |
| LSB | Least significant bit |
| NTC | Negative temperature coefficient |
| N | Number of cycles of charge/discharge of the supercapacitor |
| PCB | Printed circuit board |
| Electric power delivered by a TEG | |
| PCM | Phase changing materials |
| Potential of energy harvesting (in ·h) | |
| Thermal resistance of the heat sink | |
| Output impedance of the TEG | |
| Impedance of the external load | |
| RF | Radio frequency |
| STEG | Solar thermoelectric generators |
| T | Temperature in C |
| TEG | Thermoelectric generators |
| Temperature measured in the flat panel | |
| Temperature measured at a given depth of the soil | |
| USB | Universal serial bus |
| WSN | Wireless sensors network |
References
- Ismail, B.I.; Ahmed, W.H. Thermoelectric power generation using waste-heat energy as an alternative green technology. Recent Patents Electr. Eng. 2009, 2, 27–39. [Google Scholar] [CrossRef]
- Nesarajah, M.; Frey, G. Optimized Design of Thermoelectric Energy Harvesting Systems for Waste Heat Recovery from Exhaust Pipes. Appl. Sci. 2017, 7, 634. [Google Scholar] [CrossRef]
- Kim, J.; Lee, Y.J. A study on the applicability of energy harvesting technology for the sensor network of railroad system by thermal deviation. In Proceedings of the Sixth International Conference on Sensor Technologies and Applications, Rome, Italy, 19–24 August 2012; pp. 178–181. [Google Scholar]
- NASA Tech. Rep. Available online: http://mars.nasa.gov/msl/mission/technology/technologiesofbroadbenefit/power/ (accessed on 10 December 2018).
- Leonov, V.; Torfs, T.; Fiorini, P.; Hoof, C.V. Thermoelectric converters of human warmth for self-powered wireless sensor nodes. IEEE Sens. J. 2007, 7, 650–657. [Google Scholar] [CrossRef]
- Gyusoup, L.; Choi, G.; Kim, C.; Kim, T.; Choi, H.; Kim, S.; Kim, H.; Lee, W.; Cho, B. Material Optimization for a High Power Thermoelectric Generator in Wearable Applications. Appl. Sci. 2017, 7, 1015. [Google Scholar] [CrossRef]
- Samsona, D.; Klugea, M.; Beckera, T.; Schmid, U. Wireless sensor node powered by aircraft specific thermoelectric energy harvesting. Sens. Actuators A Phys. 2011, 172, 240–244. [Google Scholar] [CrossRef]
- Yan, R.; Sun, H.; Qian, Y. Energy-aware sensor node design with its application in wireless sensor network. IEEE Trans. Instrum. Meas. 2013, 62, 1183–1191. [Google Scholar] [CrossRef]
- Sardini, E. Serpelloni, M. Passive and self-powered autonomous sensors for remote measurements. Sensors 2009, 9, 943–960. [Google Scholar] [CrossRef] [PubMed]
- Akbari, S. Energy Harvesting for Wireless Sensor Networks Review. In Proceedings of the 2014 Federated Conference on Computer Science and Information Systems, Poznan, Poland, 9–12 September 2018; pp. 987–992. [Google Scholar] [CrossRef]
- Zhang, Q.; Agbossou, A.; Feng, Z.; Cosnier, M. Solar micro-energy harvesting based on thermoelectric and latent heat effects.part i: Theoretical analysis. Sens. Actuators 2010, 163, 277–283. [Google Scholar] [CrossRef]
- Skovajsa, J.; Zalesak, M. The Use of the Photovoltaic System in Combination With a Thermal Energy Storage for Heating and Thermoelectric Cooling. Appl. Sci. 2018, 8, 1750. [Google Scholar] [CrossRef]
- Dias, P.C.; Cadavid, D.; Ortega, S.; Ruiz, A.; França, M.B.; Morais, F.; Ferreira, E.; Cabot, A. Autonomous soil moisture sensor based on nanostructured thermosensitive resistors powered by an integrated thermoelectric generator. Sens. Actuators A Phys. 2016, 239, 1–7. [Google Scholar] [CrossRef]
- Dias, P.C.; Morais, F.O.; França, M.B.; Ferreira, E.; Siqueira Dias, J. Autonomous Multi-sensor System Powered by a Solar Thermoelectric Energy Harvester with Ultra-Low Power Management Circuit. IEEE Trans. Instrum. Meas. 2016, 64, 2918–2925. [Google Scholar] [CrossRef]
- Dalola, S.; Ferrari, M.; Ferrari, V.; Guizzetti, M.; Marioli, D.; Taroni, A. Characterization of thermoelectric modules for powering autonomous sensors. IEEE Trans. Instrum. Meas. 2009, 58, 99–107. [Google Scholar] [CrossRef]
- Lawrence, E.; Snyder, G. A study of heat sink performance in air and soil for use in a thermoelectric energy harvesting device. In Proceedings of the Twenty-First International Conference on Thermoelectrics, Long Beach, CA, USA, 25–29 August 2002; pp. 446–449. [Google Scholar] [CrossRef]
- Carvalhaes-Dias, P.; Morais, F.; Duarte, L.; França, M.; Spengler, A.; Cabot, A. Measurement of the electric energy storage capacity in solar thermoelectric generators’ energy harvesting modules. Int. J. Distrib. Sens. Netw. 2017, 3. [Google Scholar] [CrossRef]














© 2018 by the authors. Licensee MDPI, Basel, Switzerland. This article is an open access article distributed under the terms and conditions of the Creative Commons Attribution (CC BY) license (http://creativecommons.org/licenses/by/4.0/).
Share and Cite
Carvalhaes-Dias, P.; Cabot, A.; Siqueira Dias, J.A. Evaluation of the Thermoelectric Energy Harvesting Potential at Different Latitudes Using Solar Flat Panels Systems with Buried Heat Sink. Appl. Sci. 2018, 8, 2641. https://doi.org/10.3390/app8122641
Carvalhaes-Dias P, Cabot A, Siqueira Dias JA. Evaluation of the Thermoelectric Energy Harvesting Potential at Different Latitudes Using Solar Flat Panels Systems with Buried Heat Sink. Applied Sciences. 2018; 8(12):2641. https://doi.org/10.3390/app8122641
Chicago/Turabian StyleCarvalhaes-Dias, Pedro, Andreu Cabot, and J. A. Siqueira Dias. 2018. "Evaluation of the Thermoelectric Energy Harvesting Potential at Different Latitudes Using Solar Flat Panels Systems with Buried Heat Sink" Applied Sciences 8, no. 12: 2641. https://doi.org/10.3390/app8122641
APA StyleCarvalhaes-Dias, P., Cabot, A., & Siqueira Dias, J. A. (2018). Evaluation of the Thermoelectric Energy Harvesting Potential at Different Latitudes Using Solar Flat Panels Systems with Buried Heat Sink. Applied Sciences, 8(12), 2641. https://doi.org/10.3390/app8122641

