Next Article in Journal
Expeditious Synthesis of Noble Metal Nanoparticles Using Vitamin B12 under Microwave Irradiation
Previous Article in Journal
Synthetic Applications of the Parkins Nitrile Hydration Catalyst [PtH{(PMe2O)2H}(PMe2OH)]: A Review
 
 
Font Type:
Arial Georgia Verdana
Font Size:
Aa Aa Aa
Line Spacing:
Column Width:
Background:
Article

New Programmable CMOS Fuzzifier and C2V Circuits Applicable in FLC Chip for Signal Processing of MEMS Glucose Sensors

by
Ghader Yosefi
1,†,
Sattar Mirzakuchaki
2,* and
Farshid Raissi
3,†
1
Department of Electrical Electronics Engineering, Science and Research Branch, Islamic Azad University, Tehran 14778-93855, Iran
2
Department of Electrical Electronics Engineering, Iran University of Science and Technology, Tehran 16846, Iran
3
Department of Electrical Electronics Engineering, Khaje Nasir Toosi University of Technology, Tehran 19991-43344, Iran
*
Author to whom correspondence should be addressed.
These authors contributed equally to this work.
Appl. Sci. 2015, 5(3), 402-414; https://doi.org/10.3390/app5030402
Submission received: 15 June 2015 / Revised: 7 August 2015 / Accepted: 11 August 2015 / Published: 18 August 2015

Abstract

:
This paper presents the design and simulation of improved circuits of Fuzzifier and capacitance to voltage (C2V) converter. The Fuzzifier circuit is designed based on analog advantages such as low die area, high accuracy, and simplicity which are added to the fuzzy system advantages. For implementing this idea, a programmable Membership Function Generator (MFG) including differential pair circuit as a Fuzzifier is proposed. The MFG generates arbitrary forms of Gaussian, Trapezoidal, and Triangular shapes. The shape types are achieved using control switches and different reference voltages. This structure is also general purpose in tuning the slope of Membership Functions (MFs) using scaled transistors with different W/L ratios. With a specific purpose in mind, we used it here to generate fuzzy language terms from sensed classic data of a blood glucose microsensor. Thus we proposed a C2V circuit to convert capacitance variations (from MEMS glucose microsensor) to voltage values as classic data. The proposed mentioned circuits can be applicable in design of Fuzzy Logic Controller (FLC) chips to detect blood glucose, process its data in Fuzzy environment, and control insulin injection of diabetic patients by MEMS micropumps. The simulation results are achieved by MATLAB and Hspice software in 0.35 μm CMOS standard technology.

1. Introduction

The input data of fuzzy logic controllers (FLC) are usually crisp values that come from different nonlinear physical systems such as Micro Electro Mechanical system (MEMS) glucose microsensors. Therefore a relation is needed to calculate measure inputs or create membership function generators (MFGs). There are many MFGs in forms of voltage to voltage [1], current to current [2,3], voltage to current [4], and other methods. There are other approaches which used two sources or emitter coupled differential pairs for single membership function in bipolar or MOS technology [5,6]. However, the fuzzifier circuit presented by Wilamowski [7] is simpler and uses one differential pair per membership function, but there is a limitation to adjust the slope of MFs by changing W/L ratios manually [6,7]. So this is a fundamental problem for an architecture which is aimed to be a programmable FLC chip.
Contrary to conventional structures, our design is capable of tuning the slope of MFs and generating the Gaussian, Trapezoidal, and Triangular forms. These are achieved by changing W/L ratios of scaled transistors and choosing different reference voltages using control switches. There are 2n states to choose arbitrary slopes and type of shapes. This architecture is general purpose for fuzzifier circuits. With a specific purpose, we applied output data of MEMS glucose microsensor to it to introduce fuzzy language terms. Obtained fuzzy data can be processed in fuzzy logic environment using fuzzy rules. Thus a suitable defuzzy (or crisp) output will be obtained to active MEMS micropumps for insulin injection [8]. Our discussion in this paper will be based on designing new and improved Fuzzifier and C2V convertor circuits. Simulation results are obtained using Hspice and Matlab software.

2. Proposed Fuzzifier Circuit

2.1. Basic Consideration

Before analyzing proposed work, let us consider a differential pair and working region to obtain suitable currents. As shown in Figure 1 and according to the [6,7], output currents for introducing MFs in midrange are given by Equation (1):
I i = I o [ 1 + 1 2 ( α i 2 β i α i 2 β i 2   α i + 1 2 β i + 1 α i + 1 2 β i + 2 2   ) ]
While on the ends of the input range, the above equation becomes to Equation (2):
I i = 1 2 I o [ 1 + α i 2 β i α i 2 β i 2   ]
where
α i = V i n V R E F i V T H
β i = μ C o x W i V T H 2 I o L i
Vin is the input voltage, VREFi’s are the reference voltages, VTH is the MOS transistor threshold voltage, µCox , Wi/Li are the parameter and size of transistors, and Io is the constant current source.
Figure 1. Differential pair circuit.
Figure 1. Differential pair circuit.
Applsci 05 00402 g001
On the ends of the input range [9], this relation can be simplified without VTH as Equation (3):
I i = 1 2 I o × [ 1 + ( V i n V R E F i ) κ I o ( κ 2 I o ) 2 ( V i n V R E F i ) 2 ]
where
κ = μ   C o x W i L i  
When Vin increases, two currents I1 and I2 start to descend and ascend for obtaining membership functions. According to Equation (3) and at the point where Vin = VREFi , each current becomes as Equation (4):
I i = I i + 1 = 1 2 I o
If Vin continues to increase then transistors M1 and M2 enter the cutoff and linear regions respectively. Choosing different reference voltages using control switches cause a change on currents I1 and I2. Also, using different W/L ratios results in changing shape and slope of membership functions.
According to the [9] and first differential pair of Figure 1 and then using Equation (3), we can calculate the maximum of (Vin − VREFi) as Equation (5):
( V i n V R E F i ) I i = 0 ( V i n V R E F i ) max = 2 I o κ = 2 μ C o x W i ( Δ V 0 ) 2 2 κ L i = 2 V 0
where:
κ = μ   C o x W i L i     ,    Δ V 0 = V G S V T H
Therefore the difference √2∆V0 between Vin and VREFi is needed for I1 and I2 to be in opposite directions, i.e., if one of them is max, the other one should be minimum quantity (Figure 2). According to Figure 1, if we add transistor M3 then the voltage of 2√2∆V0 is needed to have one current in maximum and the other one in minimum quantities, i.e., this difference voltage is necessary between VREFi and VREFi+1 so that: (1) transistor M1 be in cutoff region to obtain minimum current I1 and (2) transistor M2 be in linear region to achieve maximum current I2.
Figure 2. Drain current variation of differential pair versus input voltage (VinVREFi).
Figure 2. Drain current variation of differential pair versus input voltage (VinVREFi).
Applsci 05 00402 g002
The circuit of this basic approach is very flexible and includes equally spaced symmetrical and asymmetrical MFs which can be used in VLSI implementations. For these reasons made some improvements by adding scaled transistors and changing ∆V0’s in constant current. So reduction of ∆V0 causes the enhancement of the number of MFs which will be discussed in the next section.

2.2. Main Blocks and Circuits

The systematic blocks of proposed Fuzzifier for this purpose are shown in Figure 3. The improved work is done using differential blocks which consist of transistors that are scaled with a different coefficient of W/L’s. In the left column circuit of differential block (Figure 4) the gates of transistors are connected to (Vin) either together or alone via control switches. In the same manner, Figure 4 (right) shows the right circuit of differential block. The scaled transistors in any column of right blocks can be connected to the reference voltage (VREF) through control switches.
Figure 3. Main blocks.
Figure 3. Main blocks.
Applsci 05 00402 g003
Figure 4. Left and right circuits for a differential block of fuzzifier stages.
Figure 4. Left and right circuits for a differential block of fuzzifier stages.
Applsci 05 00402 g004
The proposed design has basically a similar operation discussed previously. As we mentioned, increasing W/L ratio of scaled transistors cause to decrease ∆V0 in current constant [9]. For these reasons the difference voltage of 2√2∆V0 between two right block(i) and block(i+1) would be minimal. This benefit makes it possible to use a lower power supply, high swing, and consequently more stages and numbers of MFs.
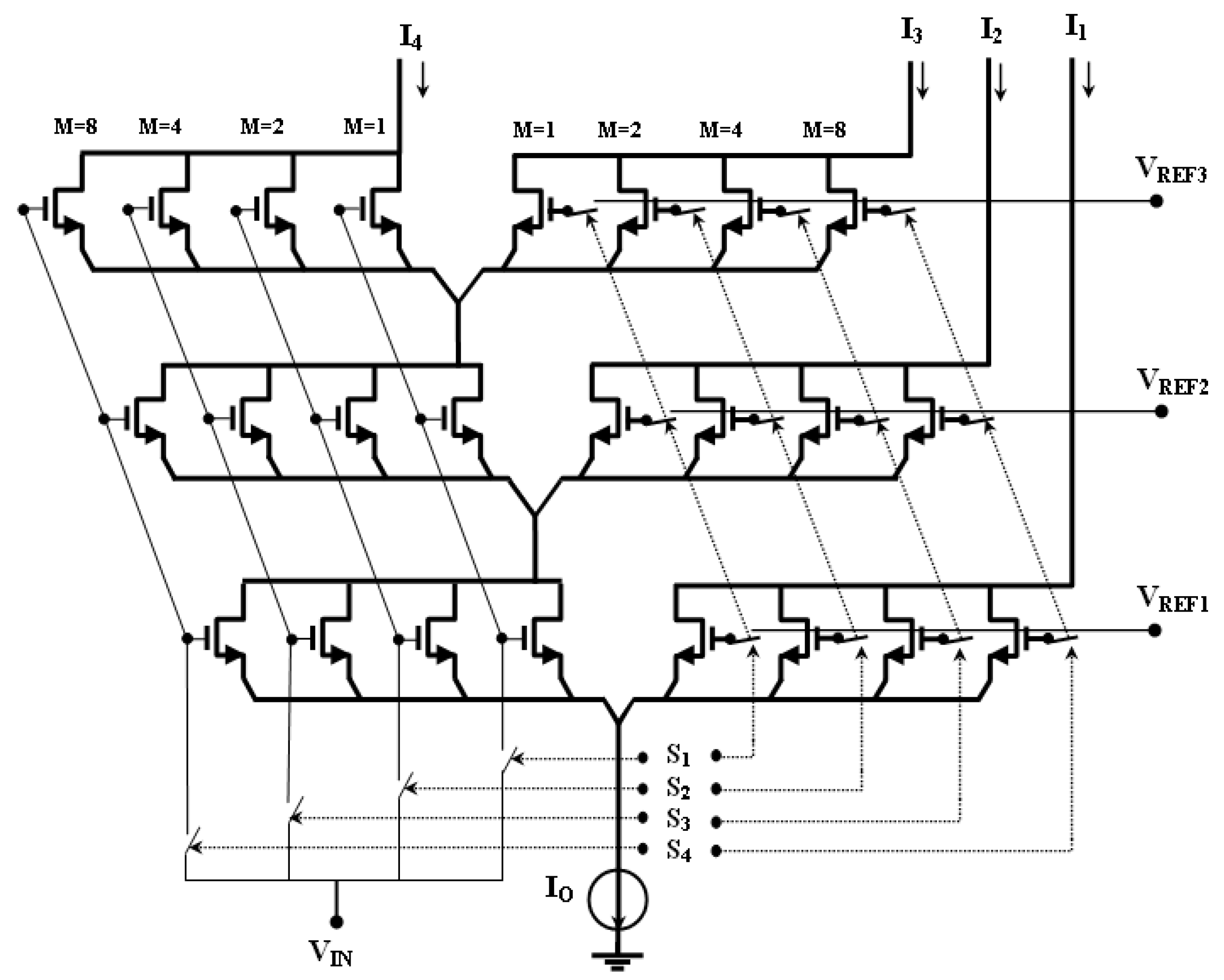
With these results and using the basic of differential pair circuit of Figure 1 and Figure 4, the proposed Fuzzifier circuit is completed as shown in Figure 5. This circuit is capable of obtaining Gaussian membership function shapes with tuning reference voltages in least quantity (VREF2VREF1 = 2√2∆V0).
Increasing different reference voltages and distancing them from each other, cause to have Trapezoidal shapes. Different MFs slopes can be achieved by changing transistor sizes in 1, 2, 4, and 8 W/L ratios using control switches. The Triangular membership functions are also resulted with setting different reference voltages in least quantity and using high control switches.
In contrast to conventional works [1,10,11,12,13], the proposed circuit is very simple and flexible in designing Layout (Figure 6 and Figure 7) and processing fuzzy data, respectively. It can also generate three different shape types of equally spaced symmetrical membership functions. This work is applicable in VLSI implementations without any complexity and extra hardware.
Figure 5. Proposed Fuzzifier circuit with input crisp voltage of Vin, reference voltages, control switches, and output fuzzy currents of I1 to I4.
Figure 5. Proposed Fuzzifier circuit with input crisp voltage of Vin, reference voltages, control switches, and output fuzzy currents of I1 to I4.
Applsci 05 00402 g005
Figure 6. Layout of Fuzzifier circuit (of Figure 5 Left).
Figure 6. Layout of Fuzzifier circuit (of Figure 5 Left).
Applsci 05 00402 g006
Figure 7. Layout of proposed Fuzzifier circuit (from Figure 5).
Figure 7. Layout of proposed Fuzzifier circuit (from Figure 5).
Applsci 05 00402 g007

3. Simulation Results

We simulated the extracted file of circuit layout in 0.35 μm CMOS standard technology using Hspice software. The simulation results of generating Gaussian MF’s and changing slopes are shown in Figure 8 and Figure 9 respectively (For more descriptions see the figure captions). According to the previous section the Trapezoidal MFs are obtained with distancing reference voltages from each other (Figure 10). The Triangular MFs are also achieved with setting reference voltages in least quantity and using high digital data of S4S3S2S1 (Figure 11).
Figure 8. Gaussian membership functions with W/L = 2/0.8, digital data of S4S3S2S1 = 0011, Io = 21 μA and ∆V0 = 175 mV from Figure 5.
Figure 8. Gaussian membership functions with W/L = 2/0.8, digital data of S4S3S2S1 = 0011, Io = 21 μA and ∆V0 = 175 mV from Figure 5.
Applsci 05 00402 g008
Figure 9. Changeable and increasing slope of membership functions with setting digital data of S4S3S2S1 in 0001, 0011, 0101 from Figure 5.
Figure 9. Changeable and increasing slope of membership functions with setting digital data of S4S3S2S1 in 0001, 0011, 0101 from Figure 5.
Applsci 05 00402 g009
Figure 10. Trapezoidal membership functions with setting in higher voltage references and suitable digital data.
Figure 10. Trapezoidal membership functions with setting in higher voltage references and suitable digital data.
Applsci 05 00402 g010
Figure 11. Triangular membership functions with setting minimum voltage reference and high digital data.
Figure 11. Triangular membership functions with setting minimum voltage reference and high digital data.
Applsci 05 00402 g011

4. Proposed C2V with Application of Fuzzifier Circuit

As we know in the Fuzzifier part of the FLC, the Fuzzifier circuit is used to make the antecedents as Fuzzy currents. Hence we used the proposed Fuzzifier circuit here to convert the output signal of sensed blood glucose data to Fuzzy language terms. According to Figure 12, we previously worked on a MEMS glucose microsensor [8] which sensed the blood glucose in milli mole to capacitance variations. Thus we proposed a new circuit of capacitance to voltage (C2V) convertor as a bridge between MEMS microsensor and Fuzzifier circuit. The proposed C2V circuit is shown in Figure 13 with the following details:
-
Cx is the variable capacitor which is achieved (in range of 62~380 fF) using MEMS glucose microsensor [8] with taking a sample of blood glucose (of 1~20 mM).
-
Cin is the parasitic and Op-Amp input transistor (W/L = 10/2) capacitor which is equal to ~40 fF.
-
Cf is the feedback capacitor with size of transistor W/L = 25/10 which is equal ~ 1pF (Figure 13b).
-
CL is the load capacitor plus Cgs of next stage transistors (Fuzzifier input).
Figure 12. Intelligent sensing blood glucose and insulin injection system using MEMS Microsensor, CMOS FLC and MEMS micropump or (Sensing, Fuzzy Processing and Injecting system) [8].
Figure 12. Intelligent sensing blood glucose and insulin injection system using MEMS Microsensor, CMOS FLC and MEMS micropump or (Sensing, Fuzzy Processing and Injecting system) [8].
Applsci 05 00402 g012
In the circuit of Figure 13a and using switched capacitor properties, the sampling and amplification mode are achieved using two clocks of ck1 and ck2 as follow:
When ck2 is in high level, Cf is discharged via Feedback switch. In this situation, ck1 is in low levels and causes to charge Cx via PMOS transistor of invertor. Thus sampling mode is completed.
Unlike the previous case, when ck2 and ck1 are in low and high levels respectively, then the amplification mod is completed. In this situation and writing KCL in node x, the voltage Vout is achieved by Equations (6) and (7):
( V o u t V x ) C f s = V x C i n s + ( V x V i n ) C x s
On the other hand, Vout = −Av/Vx thus we will have:
V o u t = V i n × C x C f ( 1 C f + C x + C i n C i n 1 A v )
It shows that the output voltage of Vout is a function of Cx in amplification mode. Thus the minimum op-amp gain which should guarantee gain error of 0.01%, will be obtained according Equation (8):
C f + C x + C i n C i n 1 A v = 0.01 % = 10 4 1000 f + 380 f + 40 f 1000 f 1 A v = 10 4 A v = 1.42 × 10 4 = 83 d B
Given the low rate of glucose changes, so according to Figure 14 we used two-stage op-amp to have high swing and more accuracy. Simulation results of Figure 15 show the DC gain of ~83 dB and phase margin of 56° which validate Equation (8) and our purpose in the C2V circuit of Figure 13. Now we apply variable capacitor of Cx (in range of 62~380 fF) to the proposed C2V circuit. According to Figure 16 simulation results show that the output voltage of Vout is obtained in range of 0.6~2 V. Figure 17 shows a suitable linearity of voltage versus produced capacitance of MEMS glucose microsensor. The proposed C2V circuit is simpler, has a lower die area, and lower power in comparison to previous works [14,15].
Figure 13. Proposed C2V convertor: (a) circuit; (b) Layout.
Figure 13. Proposed C2V convertor: (a) circuit; (b) Layout.
Applsci 05 00402 g013
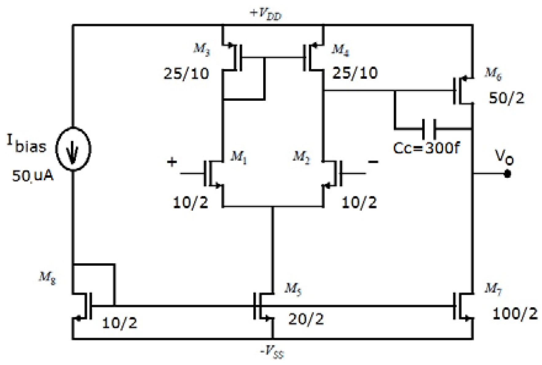
Figure 14. Two stage op-amp which designed and used in C2V circuit of Figure 13.
Figure 14. Two stage op-amp which designed and used in C2V circuit of Figure 13.
Applsci 05 00402 g014
Figure 15. Simulation results of two-stage op-amp: (a) DC gain of ~83 dB; (b) phase margin of 56°.
Figure 15. Simulation results of two-stage op-amp: (a) DC gain of ~83 dB; (b) phase margin of 56°.
Applsci 05 00402 g015
Figure 16. Simulation results of C2V convertor (blood glucose data (capacitance) to voltage of 0.6~2 V).
Figure 16. Simulation results of C2V convertor (blood glucose data (capacitance) to voltage of 0.6~2 V).
Applsci 05 00402 g016
Figure 17. Obtained voltage versus capacitance of MEMS glucose microsensor.
Figure 17. Obtained voltage versus capacitance of MEMS glucose microsensor.
Applsci 05 00402 g017
The systematic model of Fuzzifier (from Figure 12) is evaluated with applying an input which obtained four Fuzzy language terms using Matlab software (Figure 18). Thus in circuitry, we implemented it with applying output voltage of C2V to the proposed Fuzzifier circuit of Figure 5, regulating it with digital data, our Fuzzy language terms are obtained using Hspice software (Figure 19). It shows that there is a good compatibility with the systematic results of Figure 18.
Figure 18. Systematic model langue terms of Fuzzifier using MATLAB software.
Figure 18. Systematic model langue terms of Fuzzifier using MATLAB software.
Applsci 05 00402 g018
Figure 19. Simulation results of obtaining Fuzzy MFs according systematic regulation of Figure 18 and applying output voltage of C2V (0.6~2 V) to the Fuzzifer circuit (of Figure 5) using Hspice software.
Figure 19. Simulation results of obtaining Fuzzy MFs according systematic regulation of Figure 18 and applying output voltage of C2V (0.6~2 V) to the Fuzzifer circuit (of Figure 5) using Hspice software.
Applsci 05 00402 g019
As mentioned before and according to Figure 12, the proposed Fuzzifier and C2V circuits can be applicable in designing FLC chip to detect blood glucose, process its data in fuzzy logic environment, and then control micropumps [16] for Insulin injections.

5. Conclusions

A new Fuzzy general purpose MFG has been proposed. This structure uses differential blocks in circuitry to improve the type of MFs. We achieved this by scaled transistors that are controlled with switches instead of changing W/L ratios manually. Arbitrary slope and type shape of MFs (Gaussian, Trapezoidal and Triangular) obtained with 2n selection states and enhancing numbers of them, respectively. The proposed structure has high accuracy, high resolution, and also has more application for fuzzy controller chips in VLSI implementations. With a specific purpose we used it here for obtaining fuzzy language terms from blood glucose MEMS microsensor. Thus we proposed a capacitance to voltage (C2V) circuit to convert capacitance variations of MEMS glucose microsensor to voltage values. Consequently the proposed Fuzzifier and C2V circuits can be applicable to detect the glucose data variations, process them in fuzzy environment, and finally control insulin injection in diabetic patients by MEMS micropumps.

Acknowledgments

The authors would like to thank M. Mottaghi, M. Mosazadeh, A. Khoei, and Kh. Hadidi.

Author Contributions

Ghader Yosefi designed concept and organized the study and then did analysis and simulations. Sattar Mirzakuchaki suggested proportional subject and suitable references. He also edited the study specially and technically. Farshid Raissi suggested the special methods in the structure to have the best operations and high accuracy.

Conflicts of Interest

The authors declare no conflict of interest.

References

  1. Bouras, S.; Kotronakis, M.; Suyama, K. Mixed Analog-Digital Fuzzy Logic Controller with Continues-Amplitude Fuzzy Inferences and Defuzzification. IEEE Trans. Fuzzy Syst. 1998, 6, 205–215. [Google Scholar] [CrossRef]
  2. Baturone, I.; Sanchez-Solano, S.; Barriga, A.; Huertas, J.L. Integrated Circuit Implementation of Fuzzy Controllers. IEEE Trans. J. Solid State Circuits 1996, 31, 1051–1058. [Google Scholar]
  3. Mesgarzadeh, B. A CMOS Implementation of Current-Mode Min-Max Circuits and A Sample Fuzzy Application. In Proceedings of the 2004 IEEE International Conference on Fuzzy Systems, Budapest, Hungary, 25–29 July 2004; pp. 941–946.
  4. Choi, J.; Sheu, B.J.; Chang, J.C.-F. A Gaussian Synapse Circuit for Analog VLSI Neural Networks. IEEE Trans. Very Larg. Scale Integr. (VLSI) Syst. 1994, 2, 129–133. [Google Scholar] [CrossRef]
  5. Ramirez-Angulo, J. A BiCMOS universal membership function circuit with fully independent, adjustable parameters. IEEE Int. Symp. Circuits Syst. 1995, 1, 275–278. [Google Scholar]
  6. Ota, Y.; Wilamowski, B. Current-mode CMOS implementation of a fuzzy Min-Max network. World Congr. Neural Netw. 1995, 2, 480–483. [Google Scholar]
  7. Wilamowski, B.M.; Jaeger, R.C. Neuro-Fuzzy Architecture for CMOS Implementation. IEEE Trans. Ind. Electron. 1999, 46, 1132–1136. [Google Scholar] [CrossRef]
  8. Yosefi, G. Design a Novel Structure of Bio MEMS Micro Sensor and Micro Pump for Diagnosis Blood Glucose Level and Suitable Insulin Injection. Ph.D. Thesis, Islamic Azad University, Tehran, Iran, 2014. [Google Scholar]
  9. Razavi, B. Design of Analog CMOS Integrated Circuits; Mc. Graw.-Hill: New York, NY, USA, 2001. [Google Scholar]
  10. Khoei, A.; Hadidi, K.; Khorasani, M.R.; Amirkhanzadeh, R. Fuzzy level control of a tank with optimum valve movement. Fuzzy Sets Syst. 2005, 150, 507–523. [Google Scholar]
  11. Amirkhanzadeh, R.; Khoei, A.; Hadidi, K. A mixed-signal current-mode fuzzy logic controller. AEU Int. J. Electron. Commun. 2005, 59, 177–184. [Google Scholar] [CrossRef]
  12. Aminifar, S.; Khoei, A.; Hadidi, K.; Yosefi, G. A digital CMOS fuzzy logic controller chip using new fuzzifier and max circuit. AEU Int. J. Electron. Commun. 2006, 60, 557–566. [Google Scholar] [CrossRef]
  13. Mokarram, M.; Khoei, A.; Hadidi, K. CMOS fuzzy logic controller supporting fractional polynomial membership functions. Fuzzy Sets Syst. 2015, 263, 112–126. [Google Scholar] [CrossRef]
  14. Tsai, H.C.; Wu, T.K.; Tsai, T. A CMOS Micromachined Capacitive Tactile Sensor with Compensation of Process Variations. In Proceedings of the IEEE Biomedical Circuits and Systems Conference (BioCAS), Rotterdam, The Netherlands, 31 October–2 November 2013; pp. 342–345.
  15. Arfah, N.; Zahirul Alam, A.H.M.; Khan, S. Capacitance-to-Voltage Converter for Capacitance Measuring System. In Proceedings of the 4th IEEE International Conference on Mechatronics (ICOM), Kuala Lumpur, Malaysia, 17–19 May 2011; pp. 1–4.
  16. Yosefi, G.; Mirzakuchaki, S.; Raissi, F.; Afrang, S. Design and Analysis of a High Force, Low Voltage and High Flow Rate Electro-Thermal Micropump. Micromachines 2014, 5, 1323–1341. [Google Scholar] [CrossRef]

Share and Cite

MDPI and ACS Style

Yosefi, G.; Mirzakuchaki, S.; Raissi, F. New Programmable CMOS Fuzzifier and C2V Circuits Applicable in FLC Chip for Signal Processing of MEMS Glucose Sensors. Appl. Sci. 2015, 5, 402-414. https://doi.org/10.3390/app5030402

AMA Style

Yosefi G, Mirzakuchaki S, Raissi F. New Programmable CMOS Fuzzifier and C2V Circuits Applicable in FLC Chip for Signal Processing of MEMS Glucose Sensors. Applied Sciences. 2015; 5(3):402-414. https://doi.org/10.3390/app5030402

Chicago/Turabian Style

Yosefi, Ghader, Sattar Mirzakuchaki, and Farshid Raissi. 2015. "New Programmable CMOS Fuzzifier and C2V Circuits Applicable in FLC Chip for Signal Processing of MEMS Glucose Sensors" Applied Sciences 5, no. 3: 402-414. https://doi.org/10.3390/app5030402

APA Style

Yosefi, G., Mirzakuchaki, S., & Raissi, F. (2015). New Programmable CMOS Fuzzifier and C2V Circuits Applicable in FLC Chip for Signal Processing of MEMS Glucose Sensors. Applied Sciences, 5(3), 402-414. https://doi.org/10.3390/app5030402

Article Metrics

Back to TopTop